![]()
INSTALLATION AND OPERATING INSTRUCTIONS
Model:
RT52G1000
RT9G1000
As part of Parmco Appliances commitment to improving and updating product ranges, we reserve the right to alter, change and update technical specifications and appearance attributes of all Parmco Appliances products. E&OE.
E & O.E 15032023

Dear Valued Customer,
Thank you and congratulations on purchasing your new Parmco appliance.
All Parmco products are made to the highest quality and design standards. We are sure you will enjoy your new appliance.
As a note, please read through these instructions carefully. These will assist you in gaining a complete understanding of the functions and features offered by your appliance. Please take special note of all detailed technical information and installation instructions. It is essential that you follow these instructions to ensure the safety and reliability of this appliance.
Furthermore, not using appropriate personnel to install this appliance may affect any future warranty claims lodged, so please check with Parmco Appliances before any installation is carried out.
We hope you enjoy your new appliance. If you would like to find out more about this product or any other products in Parmco’s extensive range, visit us online at www.parmco.co.nz.
Regards,
The Parmco Team

p: 09 573 5678
f: 09 573 5699
e: [email protected]
w: www.parmco.co.nz
Parmco Appliances extended 7 year warranty

The Warranty:
- This appliance is intended for domestic use in the owners’ home. Use of the appliance for commercial purposes will limit the warranty period (please see Parmco website for commercial details).
- Subject to the terms and conditions contained within this warranty, if the product is not of Acceptable Quality (as defined in the Consumer Guarantees Act) within 7 years of the date of original purchase, then Parmco Sales undertakes to repair or, at it’s sole discretion, replace the product.
- The warranty does not cover the costs of transport, mileage or travelling time if the product is located beyond 30km of a recognised Service Agent.
- This warranty is offered as an extra benefit, and does not affect other legal rights, which can not be modified or excluded by agreement.
- This warranty only applies to goods supplied and installed in the North and South Islands of New Zealand.
- The provisions of this warranty are in addition to the rights and remedies available to consumers under the Consumer Guarantees Act 1993.
Product _____________ Date of purchase _________
Serial Number _______________________________
Dealer / Retailer Name ________________________
___________________________________________
___________________________________________
Please retain this Warranty card together with receipt or other proof of purchase date when seeking service during the warranty period
Please contact Parmco at 09 573 5678 if your appliance needs servicing under warranty. Please have your model
number and proof of purchase ready. Warranty repairs must be authorized by Parmco.
Subject to updates without prior notice, please visit www.parmco.co.nz for the latest version.
The Warranty is not valid:
- If the product is not installed and operated in accordance with the operating instructions.
- If the product is not installed to comply with the electrical, gas, plumbing and other Regulations and Codes of Practice in New Zealand.
- If the product is operated on voltages or frequencies outside the normal range for domestic appliances in New Zealand.
- If the product is not used in normal domestic use, or if it is used in a business as defined in the Consumer Guarantees Act.
- If any serial number has been removed or defaced.
- If proof of date of purchase is not supplied, except at the sole discretion of Parmco Sales. Proof of purchase can be for the product itself, or if installed with a kitchen or house then proof of purchase can be from a Parmco reseller of products supplied by Parmco.
- If the products are purchased in a second hand condition from other parties (including but not limited to TradeMe, Sella, etc.)
Liability under this warranty will not be accepted for:
- Wear and tear caused by normal domestic use of the product.
- Damage in transport.
- Damage caused to the product by neglect, abuse, negligence, wilful act or misuse.
- Any costs associated with the repair, replacement, removal or reinstallation of products installed in a damaged condition.
- Any defect caused by accident, misuse, neglect, tampering with or unauthorised modifications of the appliance or any a ttempt at internal adjustment or repair by any person other than an Authorised Service Agent.
- Service calls that relate principally to the following:
- Instruction on how to use the product.
- Repair or replacement of house fuses, electrical wiring, gas fitting or plumbing.
- Normal or scheduled maintenance including blocked filters or ducting.
- Consumable items such as light bulbs.
- Any damage to hobs caused by spills when cooking.
- Any breakage or damage of glass items.
- Any damage caused by non recommended product used for cleaning, maintaining, lubricating or similar.
- Any aspect relating to the installation of the product, or damage caused during installation including blocked access for repair.
- Any third party (including reseller) or consequential loss or damage (direct or indirect) however arising.
Thank you for purchasing this rangehood. Please read the instructions manual carefully before you use the rangehood and retain the manual in a safe place for future reference.
Any installation work must be carried out by a qualified electrician. Before you use the rangehood, make sure that the voltage (V) and the frequency (Hz) indicated on the rangehood are exactly the same as the voltage (V) and the frequency (Hz) in your home.
Functions and Features
- The rangehood is made of high quality materials with a modern design, thatwill complement your kitchen design.
- The rangehood is equipped with a powerful low noise electric motor.
- The grease filter is easy to remove and clean.
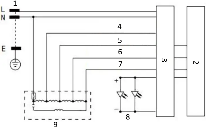
Schematic diagram

- AC 220-240V/50Hz
- Control switch
- Electrical outlet
- High speed
- Mid speed 1
- Mid speed 2
- Low speed
- Light
- MOTOR
Installation
1. The rangehood should be placed at a distance of 65cm above an electric cooktop or 75cm above a gas cooktop.
2. Cut a hole in the cupboard, with hole wide 500*275(mm) for model RT52G1000 and hole wide 880*275(mm) for model RT9G1000. Make sure the hole edge to the cupboard edge at least 35mm distance.


Cut out size for RT52G1000

Cut out size for RT9G1000
3. Put the hood into the cabinet, tighten up the screws by screwdriver, and make sure the hood was fixed.

- Tighten up the screws anticlockwise direction
Fixing the RT52G1000

- Tighten up the screws anticlockwise direction
Fixing the RT9G1000
4. Fix the expansion pipe on the outlet with a cable tie. (Note: the expansion pipe is not included in the product).
- cable tie
Changing the Light bulb
- Unscrew 4 screws of the outer glass assembly, dismantle the the light connecting wire and switch wire. Take away the outer glass.
- Unscrew the screws of lamp bracket ,then take out off the lamp bracket and replace the light.
- Apply the reverse procedure to install the light back.
• ILCOS D code for this lamp is: DSS-1.5/65-S-120/33
• LED modules – rectangle lamp
• Max wattage: 2 × 1.5 W
• Voltage range: DC 12V
• Dimensions:


How to use the Control Panel

- Press the “Power” button, the button control the “on” & “off ” of the hood.
- Press the button “Speed” time after time, the motor works as 4 speeds, and the LED display will indicate as 1-2-3-4 circularly.
- Press “Lamp” button, the light is on, press this button again, the light is off. Please note the Lamp is not under control of the on/off button.
- When the hood is working, if press the “Timer” button, the hood will go into the status of acquiescent working (acquiescent time is 9mins), and then, LED display will be shown 9.8.7.6 …decreasing by 1,when time is up, the hood will be off automatically and the lamp will extinguish. If pressing “Timer” button, the hood will go in or go out “Timer” function.
Maintenance
- The range hood and its filter mesh should be cleaned regularly in order to keep it in good working condition. As the grease filters are made of metal, do not clean the filters with detergents that will corrode metal products.
- Clean the filters as below:
Method one:
Put the filter in 40°C~50°C hot water. Pour in some grease-loosening detergent, soak it for about 2-3 minutes and then clean it with a soft brush. Do not brush too hard to avoid damaging the filter.
Method two:
Put the filter into a dishwasher with detergent for cleaning. Set the temperature at around 60°C. Be careful not to use detergents that are corrosive to metal products, that is, most dishwasher powders. - To protect the main body from corrosion over time, the range hood should be cleaned with soapy hot water or non corrosive detergent once a week. Do not use grinding detergent as it will damage the body.
- Keep the motor and other spare parts free from water, as this will cause damage to the appliance.
- To remove and insert the filter press on the handle as illustrated below.

Attention
- The range hood uses 220-240V, 50Hz power.
- Cut off the power when you clean.
- Do not expose the filter to fire or flames.
- Do not leave the filter lying around to avoid damage to the filter.
- If there is damage to the plug or plug wire, contact a qualified electrician or professional to replace with the specific flexible wire.
Technical Reference
| Model | RT52G1000; RT9G1000 |
| Rated voltage | 220~240V 50Hz |
| Lighting power | 1.5W x 2 |
| Motor power | 380W |
| Duct diameter | 150mm |
| Air flow | 1000 m³/h |
Warning
- Keep your children away from using the range hood.
- Your range hood is intended for domestic use only. It is not suitable for barbecue, roast shop or other commercial use.
- Any installation work must be carried out by a qualified electrician or professional person.
- The range hood and its filter mesh should be cleaned regularly in order to keep it in good working condition.
- Before cleaning, always ensure that you have switched your range hood off.
- Clean the range hood according to the instructions manual and keep the range hood from any danger of burning.
- Do not dry your range hood using fire.
- If there are any faults with your range hood, please call the Parmco service department at 09 573 5678.
- Do not exhaust the air from the range hood through the same flue as the cooktop or other kitchen appliances.
Troubleshooting Tips
If any problem occurs, please remove the plug from the socket and contact Parmco service department at 09 573 5678.
| Fault | Possible Cause | Solution |
| Light on, but motor does not work | Fan switch turned off | Select a fan switch position. |
| Fan switch failed | Contact service center. | |
| Motor failed | Contact service center. | |
| Light does not work, motor does not work | House fuses blown | Reset/Replace fuses. |
| Mains power cable is loose or disconnected | Refit mains power cable to power outlet. Switch power outlet on. | |
| Oil leakage | One way valve and the outlet are not tightly sealed | Take down the one way valve and seal with sealant. |
| Leakage from the connection of chimney and cover | Take chimney down and seal. | |
| Lights not working | Broken or faulty bulbs | Replace bulbs as per this instruction. |
| Insufficient suction | The distance between the cooker hood and the gas top is too far | Refit the cooker hood to the correct distance. |
| The Cooker hood inclines | The fixing screw is not tight enough | Tighten the hanging screw and make it horizontal. |




















