PNI Escort HP 8001L ASQ Kit CB Radio

WARNINGS
- Please read the following precautions to prevent fire, personal injury or the product’s destruction. Do not attempt to set the radio while driving; it might be dangerous.
- This product is designed for 12V DC. Do not use a 24V battery to power the radio.
- Do not place the radio on an excessively dusty, damp or unstable surface.
- Do not connect the antenna during transmission, risk electric shock.
- Please keep the distance from devices that cause interference (such as TV, generator, etc.)
- People who use pacemakers are advised to keep distance from the antenna during transmission and especially not to touch it.
- Do not approach metal objects to the internal electrical side pf the radio; danger of electric shock.
- Avoid exposing the radio to temperatures below -26°C and above +60°C. The temperature inside a vehicle may sometimes exceed +80°C, which can cause irreparable damages to electric devices.
- Do not expose the radio to direct sunlight.
- Do not place anything on the radio, it will prevent it from cooling down.
- Check if you have the vehicles battery charged enough to avoid its quick discharge.
- It is important to turn the radio off before starting the engine, to avoid damages caused by high starting voltage.
- You must use a 2A 250V type F fuse. No not use a fuse with higher value.
- If an abnormal smell or smoke is detected as coming from the radio, switch off the appliance immediately. Do not transmit for a long time, the radio may warm up.
- Keep the radio away from children.
OTHER WARNINGS:
Before connecting or using this product, please read these operating instructions carefully. Keep this manual for future reference.
Before using the radio, please connect the antenna, then check the SWR before transmitting. A too high value of SWR can cause demages to the CB output transistors, which are not covered by the warranty.
The radio does not includes components that can be repaired by the user. Please contact an authorized service center.
To prevent the risk of fire, use only a suitable power supply.
MAIN CARACTERISTICS:
- 40 FM/AM channels
- FM/AM mode selection switch (AM only works by changing the standard)
- Emergency channel selection switch
- Key lock switch
- UP/DOWN Channel selection buttons
- Signal level LED
- 2-digit channel number indicator
- Volume potentiometer
- LED indicators for RX/TX/ASQ
- Microphone with channel selection buttons (up/down) and ASQ activation
- 6-pin microphone jack on the front panel
- External speaker jack
- Manual squelch and adjustable ASQ
- 2 pin connector on the front panel
TECHNICAL SPECIFICATIONS:
| Channels | 40 AM/FM |
| Frequency band | 26.965 – 27.405 MHz |
| Frequency control | P.L.L. |
| Operating temperature | -26° – +60°C |
| Power supply | 12Vdc ±15% |
| Dimensions/weight | 115 x 36 x 152 mm/0.8 kg |
| Receiver | |
| Intermediate frequency | 1° 10.7 MHz/2° 450 KHz |
| Sensitivity | -120dBm/12dB SINAD (FM) |
| -107dBm/12dB SINAD (AM) | |
| Audio output | @10% THD 2.5W la 8 ohm |
| Audio distortion | <8% at 1 KHz |
| Image rejection | 65 dB |
| Adjacent channel | 85 dB |
| Current consumption | 200 mA in stand-by |
| Transmitter | |
| Maximum RF power | 4W FM at 12Vdc |
| Modulation | 85% ~ 90% (AM) |
| 3KHz ±0.2 KHz (FM) | |
| Antenna impedance | 50 Ohm |
| Current consumption | 2 A |
FRONT PANEL DESCRIPTION:

2 pin connector for earphone and microphone
- 6-pin microphone connector
- Increase channel number
- Decrease channel number
- Knob for squelch adjustment – the squelch makes your radio quieter by removing the background noise. Rotate the knob clockwise to reduce the noise or counterclockwise if you want to hear even the weakest signals.
- ASQ knob – to increase the ASQ level rotate the knob clockwise. In this case it reduces the background noise but also the signal level received.
Tip: turn on the radio with the ASQ knob turned completely to the left. - Knob for turning on/off the radio and for volume control – Turn clockwise to turn the radio on and to increase the volume. If no signal is received, we suggest you to adjust the squelch (by rotating the SQ knob counterclockwise) and then adjust the volume to a comfortable level. When switched on from the volume knob, the radio will store the last channel used.
- AM/FM mode select button
Note: The radio works in AM mode only by changing the standard (details on page 7) - Multifunctional switch:
- “19“: emergency channel selection
- “CH“: channel selection 1~40 (according to the selected standard)
- “L“: key lock
- TX/ASQ LED indicator – During the transmission the LED will be red, and when the ASQ function is activated, the LED will be green.
- Signal level indicator – 4-bar indicator to monitor the power of the received/emitted signals
- LED display – displays the channel number
REAR PANEL DESCRIPTION:

- Antenna jack
- 12VDC power cable
- External speaker jack
MICROPHONE DESCRIPTION:

- PTT button – Push to Talk
- Increase channel number
- Enable/disable ASQ function
- Decrease channel number
INSTALLATION INSTRUCTIONS:

Before installing the radio in your vehicle, choose the most suitable location so you can use it without being disturbed while driving.
To install the radio, use the mounting bracket and the accessories in the package. The screws must be securely clamped to avoid vibration of the radio while driving. The mounting bracket can be positioned above or below the device and can be tilted depending on the installation mode (under the dashboard or under the ceiling).
WARNING: Power the radio to 12V only.
Installation of the central unit:
Before powering the radio, make sure that the power knob is fully turned to the left.
The power cord of the radio includes a protective fuse on the red wire. Connect the radio’s power cable to the car’s electrical system paying attention to the polarity (even if the radio has protection against polarity reversal).
Connect the red wire to the positive terminal (+) and the black wire at the negative terminal (-) of the vehicle’s electrical system.Check the connections were made correctly to prevent them from being disconnected or possibly short-circuiting.
WARNING: Do not replace the fuse with one with a higher value. The fuse from the actory has 2A.
Antenna installation:
To use this radio, you need an antenna that operates at 26-28MHz.
To install the antenna, call a specialist.
Before connecting the antenna to the radio, it is necessary to check it with a specialized device to prevent the transmission circuit failure.
Typically, the antenna should be positioned on the highest side of the vehicle without being obstructed by obstacles and as far from any electrical source or electromagnetic noise. The coaxial cable of the antenna should not be interrupted or pressed. Connect the plug at the end of the coaxial antenna cable to the antenna jack on the rear panel of the radio.
Check the radio:
Once installed and powered from the vehicle’s electrical system, do the following to verify its operation:
- Check that the radio is powered correctly
- Check the antenna connection to the radio
- Connect the microphone to the jack on the front panel of the radio
- Turn on the radio by rotating the volume knob clockwise and adjust the volume to the desired level
- Select the desired channel with the UP/DOWN keys on the front panel or on the microphone.
- Press the SQ button in the limit area where the background noise disappears.
Note: If the ASQ mode is enabled (by pressing the ASQ on the microphone) the SQ button can not be activated - Press the PTT button on the microphone to emit, and release it to receive
- Check the signal level received via the signal bars on the front panel
- Turn the ASQ function on the microphone and adjust its level from the ASQ button on the front panel of the station
USEFUL TIPS:
- Do not reverse the polarity when powering the radio.
- Do not replace the fuse with a higher value. The fone from the factory has 2A.
- Do not emit without an antenna or a broken or not tuned antenna to avoid burning the CB output transistors. Adjust the SQ and ASQ until the background noise disappears. By turning the SQ knob clockwise too much, you will receive only the strong signals (those emitted nearby).
CHANGING THE STANDARD:
To change the standard of the radio, do as follows:
- Turn off the radio
- While holding down the Up and PTT buttons on the microphone, turn the radio on
- Use the up and down keys on the radio to select the desired standard
- Turn the radio off and back on
To check the current norm, repeat the same procedure.
Available norms:
| Norm | Frequency (MHZ) | Channels | Country | EMG (19) |
| EU | 26.965-27.405 | 40CH (4W) AM/FM | EU | CH09: 27.065MHz AM/FM CH19: 27.185MHz AM/FM |
| CE | 26.965-27.405 | 40CH (4W) FM only | RO, MT | CH19: 27.185MHz FM |
| -9 | 26.965-27.405 | 01CH-40CH (4W) AM/FM | DE | CH19: 27.185 AM/FM |
| 26.565-26.955 | 41CH-80CH (4W) FM only | |||
| -U* | 27.60125-27.99125 | 40CH (4W) FM only | UK | CH19: 27.78125MHz FM |
| -P | 26.960-27.400 | -5KHZ 40CH (4W) AM/FM | PL | CH19: 27.180MHz AM/FM |
| -d | 26.965-27.405 | 40CH (4W) AM/FM | DE | CH19: 27.185MHz AM/FM |
In -U configuration, in order to select the frequency band CE, move the AM/FM switch to AM position. CE shortly appears on the display. Move back to FM position, you are back in -U norm. -U shortly appears on the display.
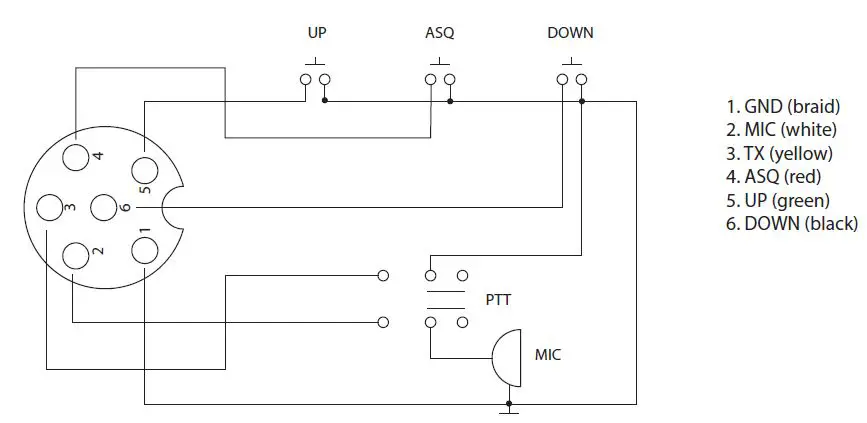
MICROPHONE WIRING DIAGRAM

EU Simplified Declaration of Conformity
SC ONLINESHOP SRL declares that CB radio PNI Escort HP 8001L ASQ is in compliance with the Directive EMC 2014/30/EU and RED 2014/53/UE. The full text of the EU declaration of conformity is available at the following Internet address:
https://www.mypni.eu/products/4103/download/certifications
PNI Escort HP 8001L ASQ Kit CB Radio

















