PNI ESCORT HP 9500 CB Radio User Manual

SPECIAL WARNINGS
⚠ Please read the following precautions to prevent fire, personal injury or the product’s destruction.
⚠ Do not attempt to set the radio while driving; it might be dangerous.
⚠ This product is designed for 12V or 24V DC power supply.
⚠ Do not place the radio on an excessively dusty, damp or unstable surface.
⚠ Do not connect the antenna during transmission, risk electric shock.
⚠ Please keep the distance from devices that cause interference (such as TV, generator, etc.)
⚠ People who use pacemakers are advised to keep distance from the antenna during transmission and especially not to touch it.
⚠ Do not approach metal objects to the internal electrical side pf the radio; danger of electric shock.
⚠ Avoid exposing the radio to temperatures below -26°C and above +80°C. The temperature inside a vehicle may sometimes exceed +80°C, which can cause irreparable damages to electric devices. Do not expose the radio to direct sunlight.
⚠ Do not place anything on the radio, it will prevent it from cooling down.
⚠ Check if you have the vehicles battery charged enough to avoid its quick discharge.
⚠ It is important to turn the radio off before starting the engine, to avoid damages caused by high starting voltage.
⚠ You must use a 2A 250V type F fuse. No not use a fuse with higher value.
⚠ If an abnormal smell or smoke is detected as coming from the radio, switch off the appliance immediately.
⚠ Do not transmit for a long time, the radio may warm up.
⚠ Keep the radio away from children.
OTHER WARNINGS:
Before you connect or use this product, please read these operating instructions carefully. Keep this user manual for future use. Before using the radio, please connect the antenna. Check the SWR before transmitting. A too high SWR can lead to the destruction of the internal components of the radio, which are not covered by the guarantee. None of the inner components of the radio can be repaired by the user. In case of damage, contact an authorized centre. To prevent the risk of fire, use only the recommended power supply.
FRONT PANEL:



DISPLAY

INSTALLATION INSTRUCTIONS
Check the radio and all its accessories before installation.
Power the radio with the lighter plug included in the package. The radio must be powered at 12V or 24V. The fuse mounted on the power cord protects the radio against damage caused by technical defects or wrong polarity. If the fuse is burned, first remove the cause and then replace it using the F3A 250V type. Check the correctness of the connections before starting the radio. Make sure there is no risk of short circuiting.
Home use
Use the radio at home only with a stable power supply capable of supplying at least 2A at 12V/24V. Unstable voltage sources or battery chargers are not recommended as it can cause damage. Connect the red wire to the positive terminal (+) and the black wire to the negative terminal (-) of the power supply.
Antenna installation
Connect the CB antenna to the antenna connector on the rear panel of the radio. The antenna must be tuned for the CB band. Use for this an S-meter. For a good communication distance, the SWR must be less than 2. A high SWR value may damage the antenna or the cable or it may short circuit the antenna connectors. Never transmit without an antenna.
Note: The antenna must be mounted away from other antennas or sources of interference. The CB antenna is usually mounted on the highest point of the vehicle on a metal surface. A larger metal surface is essential for the operation of the antenna. For installation on fiberglass or plastic cabs, use special antennas.
INSTRUCTIONS FOR USE
Turn the radio on/off
First, check the power supply of the radio. Then turn the volume knob to the right to start the radio. The current channel number will appear on the screen. Turn the volume knob to the left to stop the radio.
Volume +/-
When the radio is on, turn the volume knob left or right to adjust the volume to the desired level.
Channel +/-
Press the CH+ and CH- buttons on the radio or the and buttons on the microphone to change the channel number. Long press one of these buttons to quickly switch channels.
Adjust the brightness and the color of the screen
Briefly press the COL/DIM button to change the color of the screen backlight. Options: off (without backlight), blue, red, cold green, purple, cyan, warm green, light blue. Long press the COL/DIM button to adjust the brightness of the screen. Two levels of intensity are available (100% and 50%).
FUNCTIONS
VOX/LOCK
Briefly press the VOX/LOCK button to activate VOX mode. The VOX symbol will flash on the screen. Press again briefly to exit VOX mode.
Long press the VOX/LOCK button to activate the Lock function. The LC symbol will briefly appear on the screen, followed by the current channel number. All keys on the radio and on the microphone are now locked. Press this button once again to exit Lock mode. The OF symbol will appear on the screen.
Note: If you close the radio, the Lock function will automatically deactivate when you restart.
SQ
Turn the SQ knob clockwise until you hear a click. The manual Squelch adjustment mode is now active. Continue to rotate the knob until you get the desired level of filtering of noise.
ASQ
Briefly press the ASQ button on the microphone to activate the ASQ function. The ASQ symbol will light on the screen. Press and hold the ASQ key on the microphone again to select the level. 5 levels are available (01-05).
9,19/SCAN
Briefly press the button 9,19/SCAN. The PTY symbol will flash on the screen. Channel number 09 will appear on the screen. Briefly press the 9,19 button again to switch to channel 19. Press the 9,19 button again briefly to return to normal operating mode. PTY will disappear from the screen. Long press the 9,19/SCAN button to activate the SCAN function. The SC symbol will light on the screen. Use the CH+ or CH- buttons on the radio or the and buttons on the microphone to decide the channel scan direction.
Note: If the RX symbol is lit on the screen, meaning the radio is on the reception, the SCAN function will not work. Turn the Squelch knob slightly to the right. The RX symbol will disappear from the screen. Reactivate the SCAN function by long pressing the 9,19/SCAN button.
MODE/BAND
Briefly press the MODE/BAND button to switch between AM and FM mode. If you are in the UK band, briefly press this button to quickly switch to the CE band and vice versa, from the CE band to the UK band.
Changing the standard
Long press the MODE/BAND button to change the frequency band corresponding to your country. Use the CH+ or CH- buttons to find the desired band, then press the PTT key or restart the radio to confirm and save.
Available standards


* In the UK norm, to quickly switch to the CE norm, briefly press the MODE/ BAND key. CE appears on the screen. Press the MODE/BAND key again to return to the UK norm.
Reset
When the radio is turned off, press and hold the VOX/Lock button while turning on the radio (by turning the volume knob). The radio enters the reset mode. The rE symbol will appear on the screen. Press the PTT key or restart the radio to complete the reset procedure.
TECHNICAL SPECIFICATIONS

COUNTRIES IN WHICH THERE ARE PARTICULAR RESTRICTIONS (LICENCE/REGISTER)


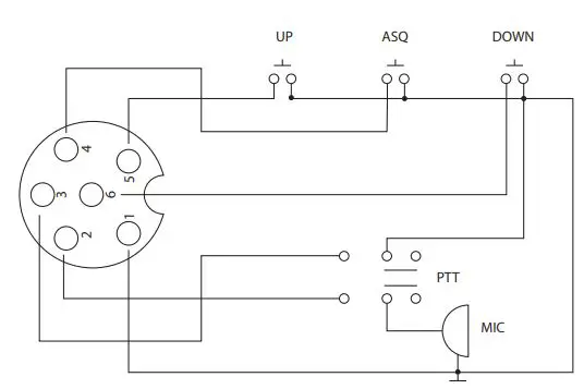
MICROPHONE WIRING DIAGRAM

- GND (braid)
- MIC (white)
- TX (yellow)
- ASQ (red)
- UP (green)
- DOWN (black)
EU Simplified Declaration of Conformity
SC ONLINESHOP SRL declares that CB Radio PNI Escort HP 9500 complies with the Directive EMC 2014/30/EU and RED 2014/53/UE. The full text of the EU declaration of conformity is available at the following Internet address: https://www.mypni.eu/products/6475/download/certifications


















