VIDEOTEC UEBP4 Parapet Bracket with Quick Connectors for ULISSE EVO
About this manual
Read all the documentation supplied carefully before installing and using this product. Keep the manual in a convenient place for future reference.
Typographical conventions
CAUTION!
Medium level hazard.
This operation is very important for the system to function properly. Please read the procedure described very carefully and carry it out as instructed.
INFO
Description of system specifications.
We recommend reading this part carefully in order to understand the subsequent stages.
Notes on copyright and information on trademarks
The mentioned names of products or companies are trademarks or registered trademarks.
Safety rules
CAUTION! Device installation and maintaining must be performed by specialist technical staff only.
- The manufacturer declines all responsibility for any damage caused by an improper use of the appliances mentioned in this manual. Furthermore, the manufacturer reserves the right to modify its contents without any prior notice. The documentation contained in this manual has been collected and verified with great care. The manufacturer, however, cannot take any liability for its use. The same thing can be said for any person or company involved in the creation and production of this manual.
- Before starting any operation, make sure the power supply is disconnected.
- Use only original spare parts. Non-original spare parts could cause fire, electrical discharge or other hazards.
Identification
Product description and type designation
Support for ULISSE EVO PTZ camera, for railing assembly with quick connectors.
Preparing the product for use
Any change that is not expressly approved by the manufacturer will invalidate the warranty.
Unpacking
When the product is delivered, make sure that the package is intact and that there are no signs that it has been dropped or scratched. If there are obvious signs of damage, contact the supplier immediately. When returning a faulty product we recommend using the original packaging for shipping. Keep the packaging in case you need to send the product for repairs.
Safely disposing of packaging material
The packaging material can all be recycled. The installer technician will be responsible for separating the material for disposal, and in any case for compliance with the legislation in force where the device is to be used.
Contents
Check the contents to make sure they correspond with the list of materials as below:
- Fastening support
- Bolts and screws
- O-ring
- Ethernet cable
- Mobile connector for ethernet, with quick connector
- Mobile connector for power supply and I/O, with quick connector
- Perforation masking
- Instruction manual
Installation
Mounting the bracket
Take special care when attaching and fastening down the apparatus. If it is to be attached to a concrete surface you must use dowel pins with a traction torque rating of at least 300dN each. For a metal surface use screws with a diameter of at least 8mm and of an appropriate length. The fastening system must be capable of supporting at least 4 times the weight of the entire equipment (product, accessories, supports and adapters). The support can be combined with other different types of supports (UEAW, UEBW) or it can be directly fastened to the chosen surface.
Fasten the support using the 3 holes (01). Use the screws with a diameter equal to 8mm.
Fig. 1
For correct perforation of the fastening surface, use the perforation masking supplied.
For installation combined with the UEBW support, fasten the support with quick connectors (02) to the wall support (03) using the screws and the washer (04) supplied, paying attention to alignment of the two supports (Fig. 2, page 3).
- Use the screws and washers provided.
- Apply thread-locker into the holes for screws (Loctite 222®).
- Pay attention to the fixing. Tightening torque: 4.5Nm (±0.2Nm).

Fig. 2
Insert the O-ring supplied in the compartment indicated in the figure (Fig. 3, page 3).
Cable management
Connect the Ethernet cable supplied to the Ethernet connector of the support.
Fig. 4
Remove the cable gland. 
Fig. 5
Insert the cables in the cable glands of the base of the PTZ camera.
Pass the Ethernet cable through the hole without the cable gland.
Fig. 6
The Ethernet cable provided must not be cut. Once the cables are inserted, it is not necessary to tighten the cable glands.
Fixing the base to the support
- Use the screws and washers provided.
- Apply thread-locker into the holes for screws (Loctite 222®).
- Pay attention to the fixing. Tightening torque: 4.5Nm (±0.2Nm).
Fasten the base (01) on the support (02) using the screws and washers (03).
Fig. 7
Connection of the connector board
The earth ground cable must always be connected to the relevant terminal (GND). The remaining 3 or 6 cables can be connected to the connectors’ board based on installation requirements. Refer to the PTZ camera manual for connection and completion of PTZ camera installation.
Mobile connectors cabling (Ethernet)
Use of Ethernet cables with the following characteristics is highly recommended:
- Cable diameter: from 5mm (0.2in) up to 6mm (0.24in).
- For the type of cable, refer to the PTZ camera manual.
Cable the mobile connector by operating as follows.
Insert the Ethernet cable using the sealing nut (01), the cage (02), the gasket (03) and the body of the connector (04).
Fig. 8
Crimp connector RJ45.
Carry out the connections as described in the table (according to the standard specifications: TIA/EIA-568-B) (Tab. 1, page 4).
| CONNECTION OF THE ETHERNET CABLE | |
| Pin number | Cable colour |
| 1 | Orange-White |
| 2 | Orange |
| 3 | Green-White |
| 4 | Blue |
| 5 | Blue-White |
| 6 | Green |
| 7 | Brown-White |
| 8 | Brown |
Delicately pull the Ethernet cable (05) until the RJ45 connector (06) is completely inserted in the compartment of the mobile connector body.
After inserting the cage and the gasket, tighten the sealing nut (07).
Pay attention to the fixing. Tightening torque (sealing nut 07): from 0.9Nm up to 1Nm.
Fig. 9
Fig. 10 Complete assembly.
Connect the mobile connector on the fixed connector and tighten the ring nut.
Mobile connectors cabling (power supply, I/O)
Use of cables with the following characteristics is highly recommended:
- Cable diameter: from 6mm (0.24in) up to 9mm (0.35in) (gasket with small hole), or from 9mm (0.35in) up to 12mm (0.47in) (gasket with large hole).
- For the type of cable, refer to the PTZ camera manual.
Cable the mobile connector by operating as follows.
Choose the type of gasket suitable for the cable (Fig. 11, page 5).
Fig. 11
Insert the cable using the sealing nut (01), the gasket (02) and the body of the connector (03).
Fig. 12
6.6.1 4-pole connector
For 4-pole connectors, loosen the screws on the terminals on the front of the connector, insert the conductors and fasten them tightening the screws.
Pay attention to the fixing. Tightening torque: from 0.3Nm up to 0.35Nm.
Fig. 13 4-pole connector.
| 4-POLE CONNECTOR | |
| Colour | Pin number |
| Yellow-Green | GND |
| Blue | 1 |
| Red | 2 |
| White | 3 |
pole connector
For 7-pole connectors, weld the conductors in the pins.
Fig. 14 7-pole connector.
| 7-POLE CONNECTOR | |
| Colour | Pin number |
| Yellow-Green | GND |
| Black | 1 |
| Orange | 2 |
| Red | 3 |
| Blue | 4 |
| White | 5 |
| Grey | 6 |
Tab. 3
Completion of the assembly
Screw in the body of the connector (04) to the front with the contacts (05).
Pay attention to the fixing. Tightening torque: From 0.75Nm up to 1Nm.
Fasten the sealing nut (06).
Pay attention to the fixing. Tightening torque: 2.5Nm.
Fig. 16
Connect the mobile connector on the fixed connector and tighten the ring nut.
Technical data
Mechanical
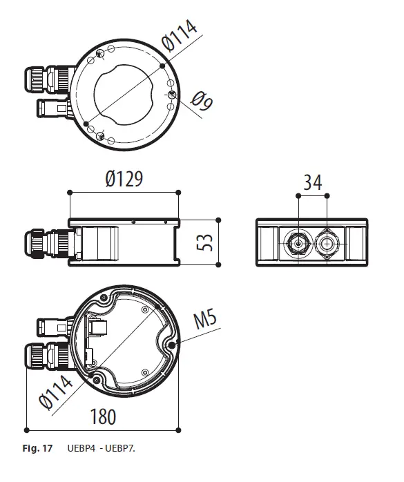
Support for ULISSE EVO PTZ camera Aluminium pressure casting construction Dimensions: 129x53x180mm (5x2x7in) Unit weight: 0.65kg (1.4lb)
Electrical
- Ethernet cable: Shielded twisted cable (STP) 4-pole connector:
- Power supply cables section: from 0.75mm² (18AWG) up to 2.5mm² (13AWG).
- Cables signal section: from 0.14mm² (26AWG) up to 1mm² (17AWG)
- Multipolar cable sheath diameter: from 6mm up to 12mm 7-pole connector:
- Power supply cables section: 0.75mm² (18AWG).
- Cables signal section: from 0.14mm² (26AWG) up to 0.75mm² (18AWG)
- Multipolar cable sheath diameter: from 6mm up to 12mm
Technical drawings
The indicated measurements are expressed in millimeters.
Headquarters Italy VIDEOTEC s.r.l.
Via Friuli, 6 – I-36015 Schio (VI) – Italy
Tel. +39 0445 697411 – Fax +39 0445 697414 Email: [email protected]






















