Dimplex ZWU 06E Central Control Unit with Timer Function

Product Information ZWU 06E Central Control Unit with Timer Function
The ZWU 06Eis a central control unit designed to control the charging of underfloor storage heating systems and electric storage heaters. It follows the basic functions of a central control unit as set out in DIN EN 50350. The device has an AC and a DC output for the control signal, depending on the unit type connected downstream. It comes with an NTC external sensor with a 3m connection cable and installation and operating instructions.
Technical Device Information
- Connection voltage: AC 230V ~ 50/60 Hz
- Permissible voltage range: AC 207 V to 253 V
- Power consumption: Approx. 2 VA
- Inputs:
- DC 0.91 V to 1.43 V, safety overlap to 1.68 / 1.95 V
- DC -2.85 V to -3.60 V, safety overlap to -4.35 V
- Outputs:
- Reference variable at terminals ZX, Z0 (storage heaters)
- Reference variable at terminals ZX, Z0 (underfloor heating)
- Reference variable at terminals Z2~, Z1~ (storage heaters)
- Power reserve
- Supported duty cycle systems: 30 – 100%, thermo-mechanical and electronic charge controllers
- Power rating of duty cycle signal: 1 A = 230 W nominal @ AC 230 V (min. resistance 230 Ω)
- Supported DC voltages (SELV): Approx. 6 h (runtime and clock)
- Power rating of DC signal: 1.1 kW
- Nominal switching power of SH relay: 230V~ clocked 30 – 100% duty cycle
- Communication: Mini-USB to laptop/PC
- Supported types of external sensor: 30 – 100%, thermo-mechanical and electronic charge controllers
- Operating/storage temperature -15°C to +40°C / -20°C to +70°C, condensation not permitted
- Protection class II according to installation (see section “Installation”)
- Degree of protection IP 20 according to EN 60529, according to installation
- Standard DIN EN 50350 and DIN 44576 (draft)
- Space requirements Series mounting casing, 3 modular spaces according to DIN 43880
- Fastening TH-35 mounting rail according to DIN EN 60715
- Connecting terminals Cage clamp terminals for 2.5 mm², tightening torque ≤ 0.5 Nm
- Dimensions See dimension drawing
- Weight Approx. 250 g
External sensor
- Sensor type NTC sensor according to DIN EN 50350 in insulated casing
- Connection cable 3 m long (extendable up to a maximum of 100 m)
- Protection class II according to DIN EN 60730-1
- Degree of protection IP54 according to DIN 40050
- Dimensions 29 mm × 6.2 mm

Installation and Operating Instructions for Technicians
Installation must only be carried out by a technician authorized by the respective energy supplier/network operator (utility company). The regulations of the local utility company, as well as the relevant VDE (Association of German Engineers) regulations are to be observed. The charge control unit should be installed in the coolest location, i.e. the lowest mounting row of the distribution board. Please ensure a minimum distance the length of one modular space on both sides.
Installing the Central Control Unit
The device requires a space of 3 modular spaces according to DIN 43880. Protection against accidental contact according to protection class II is ensured by installing the device in:Installation must only be carried out by a technician authorised by the respective energy supplier/network operator (utility company). The regulations of the local utility company, as well as the relevant VDE (Association of German Engineers) regulations are to be observed. The space required by the device is 3 modular spaces according to DIN 43880. Protection against accidental contact according to protection class II is ensured by installing the device in:
- Small installation distribution board according to DIN 57603/VDE 0603 (e.g. N system distribution board)
- Installation distribution board according to DIN 57659/VDE 0659.
The charge control unit should be installed in the coolest location, i.e. the lowest mounting row of the distribution board. Please ensure a minimum distance the length of one modular space on both sides.
Installing the External Sensor
The NTC external sensor is to be installed at least 2 m above the floor, preferably in the outer brickwork of the zone of main use (with large systems) or in the room of main use (with single systems). The sensor should not be exposed to direct sunlight. Heat sources (e.g. ventilation shafts or tilted windows) must not influence the sensor and thus affect the ZWU 06E central control unit.
Please observe the following:
- The external sensor must be embedded in the mortar
- The cable feedthrough must be carefully protected with thermal insulation material.
The NTC external sensor contains a 3 m long connection cable and can be extended to a maximum of 100 m using an installation cable (1.5 mm² minimum).
Installation options for external sensor
Wall with outside insulation

Curtain wall facade

Wall with or without inside insulation

Pre-fabricated house wall

Cable routing of SELV signals
If cables are routed in switch boxes or empty conduits, it is essential to note that the following connections constitute SELV signals (Safety Extra Low Voltage signals) that must be far enough away from cables carrying mains power:
- External sensor
- DC control signal
Operating Instructions for Users
User Interface

After pressing the menu key, the user can operate the touchscreen with his finger by pressing the four function keys shown at the bottom of the screen. The rest of the screen does not have touch functionality. The list shows the possible functions assigned to the four keys. Some input values can be entered using a keyboard. In this case, the touch functionality of the display is extended to all keys on the numeric keyboard.
| Menu | Continue to menu |
| >> | Move one menu level further |
| << | Move one menu level back |
| > | Continue (for selecting parameters that have several options) |
| < | Back (for selecting parameters that have several options) |
| È | Move down a row |
| Ç | Move up a row |
| + | Increase the value |
| – | Decrease the value |
| Chng | Change the entry |
| Save | Save the entry |
| Add | Add the entry |
| Del | Delete the entry |
| Edit | Edit the entry |
| Act | Activate the entry |
| Deact | Deactivate the entry |
| Esc | Cancel |
If the menu does not receive a response to a data query, the string “~~~”, rather than the parameter value, will be shown on the display
User menu
The menu branches Operation, Information and Setup are intended for users. The Operation branch contains menu items for changes which affect the user’s living comfort and may be used frequently. The Information branch provides information on the state of the heating system. The settings contain parameters which are required only rarely.
User menu branches
Not all menu items will be relevant to and visible for each unit type and setting. A (●) in the columns for the unit type indicates that they are visible. A (●) indicates that other settings influence whether the menu item is shown. The individual menu items are explained in detail after the overview. Please see the references in the Page column in the table below.
| Level 1 | Level 2 | Level 3 | CCU | ACU | Page |
| Operation | Operating mode | ● | ● | 27 | |
| Heat level manual | ● | ● | 28 | ||
| Active week program | – | ● | 28 | ||
| Week program | Week progr. 1 | – | ● | 29 | |
| Week progr. 2 | |||||
| Week progr. 3 | |||||
| Week progr. 4 | |||||
| Holiday program | Start of holiday | – | ● | 31 | |
| End of holiday | |||||
| Heat level holiday | |||||
| Information | System state | Target charge rate acc. heat demand | ● | ● | 32 |
| Runtime | ● | (●) | 32 | ||
| Total release duration per day | – | (●) | 32 | ||
| Device data | Serial number | ● | ● | 32 | |
| Version | ● | ● | 32 | ||
| Set passwords | Set level 1 | ● | ● | 32 | |
| Set level 2 | ● | ● | |||
| Set level 3 | ● | ● |
| Level 1 | Level 2 | Level 3 | CCU | ACU | Page |
| Setup | Living comfort | Substitute temperature | ● | ● | 33 |
| Runtime | ● | (●) | 33 | ||
| Intensity daytime charge | ● | (●) | 33 | ||
| Date/Time | Date/Time | – | ● | 33 | |
| Type of summer time | 34 | ||||
| Language | Language | ● | ● | 34 | |
| Display | Contrast | ● | ● | 34 | |
| Brightness menu | ● | ● | 34 | ||
| Brightness idle | ● | ● | 34 | ||
| Installer | Only for installers | ● | ● | – | |
Idle mode screen
Depending on how the control unit has been configured, the idle mode screen can show the following information:
- Date and time*
- Current system state
- Charging: effective outdoor temperature, set charge rate
- Configured operating mode, effective heat level
- State of inputs LF (charge release), LZ (additional release) and LX (multi-function), if applicable with runtime in hours for forward control with timer function or backward control
- LG: charge rate, Fx: signal LF [0|1]
- Alternatively in the last row with an activated gateway:
- not when using ACU
Operation
Central control unit for underfloor storage heating and electric storage heaters
Operating mode
The operating mode determines how the system works and can be set as desired by the user.

Setting the operating mode on the control unit:
- Select Menu → Operation → Operating mode.
- Press Chng.
- Select the desired operating mode with the plus or minus key [+/-].
- Press Save.
- The new operating mode will be set.
The following operating modes are available:
- Standby: Frost protection function only
- Manual: Heat level can be manually set on the control unit from 1.0 to 5.0 and frost protection
- Automatic: The system automatically controls the heat level with a timer based on the active week program or holiday program (only for type ACU).
In the factory setting (operating mode “Automatic”), the system is charged with an intelligent charging model and a corresponding week program (factory setting is program 1 from 22:00 – 06:00 with heat level 1 and from 06:00 – 22:00 with heat level 3). This ensures the heating performance is intelligently optimised with 8+0 or 8+2 hours, even in release periods, and that performance is reduced accordingly during the night.
Manual heat level
The heat level can be set between 1.0 and 5.0 or to frost protection. A regular, correctly tuned system set to a heat level of 3.0 will produce a set room temperature of 20°C.
Unless the parameters for the set room temperature are set differently by the installer, an integer difference (e.g. between 3.0 and 4.0) in the heat level will correspond to a temperature difference of 2 K. A set room temperature of 10°C has been defined in the factory settings for the frost protection function.

Setting the heat level on the control unit:
- Select Menu → Operation → Heat level manual.
- Press Chng.
- Select the desired heat level with the plus or minus key [+/-].
- Press Save.
- The new heat level will be set.
Active week program
For selecting the active week program to automatically set the heat level based on the time and the day of the week. A week program (see table below) can be used to set which heat level should apply at which time during the week. Week program 1 has been defined as the factory setting. The four available week programs can be adjusted if required. The times can be changed in 15-minute increments. A fully programmed entry consists of the following:
- Switching time: time at which the system should switch to the new operating mode (e.g. 06:00)
- Switching action: states the new heat level
- For day: states the days on which the entry should take effect (e.g. Mo, Tu, Th, Fr)
Selecting the active week program:
- Select Menu → Operation → Active week program.
- Press Chng.
- Select the desired week program with the plus or minus key [+/-].
- Press Save.
- The new weekly program will be set.
Factory setting for the week programs:
| Week program 1: Family (heat level 3.0 during the day, heat level 1.0 at night, regardless of the day of the week) | Entry | Switching time | Heat level | For day | ||||||
| 1 | 06:00 | 3.0 | Mo | Tu | We | Th | Fr | Sa | Su | |
| 2 | 22:00 | 1.0 | Mo | Tu | We | Th | Fr | Sa | Su | |
| Week program 2: Professionals (heat level 3.0 in the mornings and evenings, otherwise heat level 1.0, regardless of the day of the week) | Entry | Switching time | Heat level | For day | ||||||
| 1 | 06:00 | 3.0 | Mo | Tu | We | Th | Fr | Sa | Su | |
| 2 | 09:00 | 1.0 | Mo | Tu | We | Th | Fr | Sa | Su | |
| 3 | 15:00 | 3.0 | Mo | Tu | We | Th | Fr | Sa | Su | |
| 4 | 22:00 | 1.0 | Mo | Tu | We | Th | Fr | Sa | Su | |
| Week program 3: Late risers (heat level 3.0 during the day, heat level 1.0 late in the evening, frost protection at night, at the weekend heat level 3.0 but not until 9:00) | Entry | Switching time | Heat level | For day | ||||||
| 1 | 05:00 | 1.0 | Mo | Tu | We | Th | Fr | Sa | Su | |
| 2 | 07:00 | 3.0 | Mo | Tu | We | Th | Fr | |||
| 3 | 09:00 | 3.0 | Sa | Su | ||||||
| 4 | 22:00 | 1.0 | Mo | Tu | We | Th | Fr | Su | ||
| 5 | 23:30 | Frost protection | Mo | Tu | We | Th | Fr | Sa | Su | |
| Week program 4: Office (heat level 3.0 during the day during the week, heat level 1.0 at night and at the weekend) | Entry | Switching time | Heat level | For day | ||||||
| 1 | 07:00 | 3.0 | Mo | Tu | We | Th | Fr | |||
| 2 | 22:00 | 1.0 | Mo | Tu | We | Th | Fr | |||
General notes
For installation, operation and maintenance, please observe these installation and operating instructions. This unit should only be installed and repaired by a qualified technician. Repairs which are improperly carried out can significantly endanger the safety of the user. In compliance with the regulations of the VDE (German electrical engineering association), the installation and operating instructions must always be available and should be given to the technician working on the device for their information. We therefore request that these installation and usage instructions be passed on to the new tenant or owner should there be a change in occupancy.
This is how your heating system works
The local utility company makes electricity available for electrical heating purposes during periods in which other customers require little or no electricity – the so-called off-peak periods. Utility companies offer electricity at discounted tariffs, with priority given to the night-time release period. In certain service areas, electricity for heating purposes is additionally available during the daytime – the so-called additional release period. For release and additional release periods, the tariff requirements can vary. Information can be obtained from your authorised electrician or local utility company. The specified charging periods are generally released via a control device (ripple control receiver or timer) by the utility company. The ZWU 06E central control unit ensures the consumption-based charging of your storage heating system. To ensure the utility company’s technical connection requirements are met, your electrician will carry out the precise setting of all required values on the central control unit and if necessary on the charge controllers
Central control and charge controller
The ZWU 06E central control unit measures the weather conditions, together with the building’s inertia, via the external sensor located in the brickwork. This reference variable is connected, with the various settings and the runtime, and depending on the signals of the control terminals, to the central control unit’s output variable (set charge rate = control voltage). The control voltage is transferred to the electronic charge controller, which functions as the ON/OFF controller. For underfloor storage heating systems, the controller set point is determined by the amount of applied control voltage and position of the intensity actuator “daytime” or “night-time” on the charge controller. The actual value of charging for any heating circuit is reported to the charge controller via the residual heat sensor in the insulating screed. For storage heaters, the control set point depends on the applied control voltage and the configured charge intensity. The actual value of charging is determined via the residual heat sensor by measuring the core temperature. The charge controller compares the set point with the actual value and, if necessary, switches on the charging until the required heat content is reached.
Setting the charge controller of an underfloor heater
Night-time charging and daytime charging can be corrected for each heating circuit via the charge controller. Night-time charging affects the room temperature during the early morning and late morning, whereas the daytime charging affects the room temperature in the afternoon. Setting information can be found in the corresponding operating manual.
Device description
The ZWU 06E central control unit controls the charging of an underfloor storage heating system and/or the charging of storage heaters according to outdoor temperature, adjusters and control signals. The basic design of the control unit has the basic functions of a central control unit as set out in DIN EN 50350. It has the following features:
- Charging according to outdoor temperature,
- The ability to process charge release signals from the distribution network operator (with/without timer function),
- The ability to output the charge release and the set charge rate to the storage heaters and underfloor charge controllers,
- Timer function for forward, backward and spread control,
- Priority and secondary use of actual service release periods for low and high tariffs,
- For optional connection to older external sensors, too.
Depending on the unit type connected downstream, an AC and a DC output are available for the control signal.
Scope of supply
- ZWU 06E central control unit
- NTC external sensor with 3 m connection cable
- Installation and operating instructions
- Safety notes
Electrical connection
The circuitry stipulated by the local energy supplier (utility company) or network operator may vary from these connection examples. The appropriate circuitry is normally listed in the utility company’s technical connection requirements. The LF (charge release), LX (multi-function) and LZ (additional release) terminals are to be wired in compliance with the utility company’s requirements via floating contacts, e.g. a ripple control receiver or a tariff timer.
The central control unit permits connection of:
- 20 charge controllers maximum
- Any number of group control units, although the maximum total number of charge controllers or storage heaters in the system is limited to 20.
Control cables must be laid using two-core wires according to DIN 44573. According to the VDE directive 0100, these two wires may not be laid in one cable with network wires Protect the power supply to the heating control independently of the heating current with a separate circuit breaker
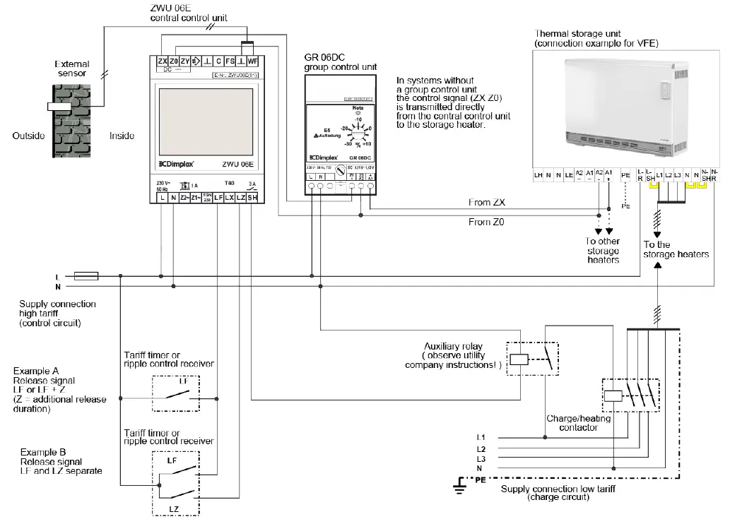
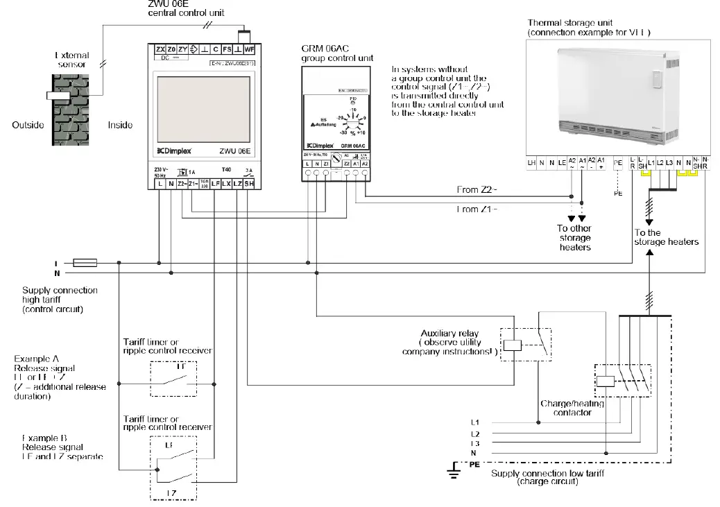
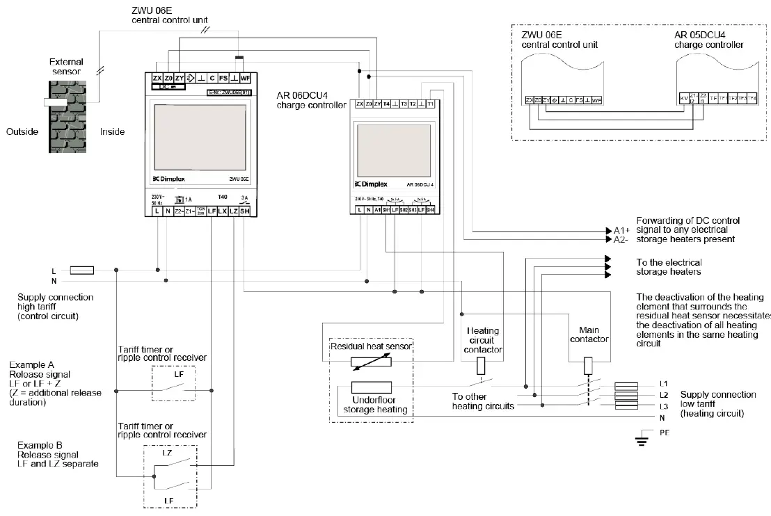
ZWU 06E circuitry

Terminal assignment for the ZWU 06E central control unit

Terminal Function
- ZX DC control signal output (+)
- Z0 DC control signal output (-)
- ZY DC control signal output (day/night) for underfloor charge controller
- C (reserved*)
- FS Frost protection
- WF External sensor input**
- L Supply voltage
- N Supply voltage
- Z2~ Control signal output to the storage heaters; internally connected with N
- Z1~ Control signal output to the storage heaters; clocked control cable (230V~) with duty cycle signal
- TGN230 (reserved*)
- LF Signal input: charge release from network operator
- LX Multi-function input; can be assigned various functions via the software (see start signal for drive (LL) and blocking signal for high tariff (HT))
- LZ Signal input: additional release from network operator
- SH Switching output for controlling the heating contactor
- L Supply voltage
- N Supply voltage
Reserved terminals must not be used as supporting terminals.
Caution: when commissioning the device, it is essential to set the correct type for the connected sensor!
Circuit diagram for ZWU 06E to thermal storage unit with DC control signal

Circuit diagram for ZWU 06E to thermal storage unit with AC control signal

Circuit diagram for ZWU 06E to underfloor storage heating system

Commissioning
Overview of factory settings
| Level 2 | Level 3 | Level 4 | Domestic control unit (ACU) | Classic central charge unit (CCU) | |
| Menu – Operation | Operating mode | Automatic | Manual | ||
| Heat level manual | 3.0 | 3.0 | |||
| Active week program | 1 | Not present | |||
| Week program | “-“ | Not present | |||
| Holiday program | “-“ | Not present | |||
| Menu – Information | System state | Target charge rate acc. heat demand | % | 0% | |
| Runtime | Not present | h | |||
| Total release duration per day | 0h | Not present | |||
| Device data | Serial number | xxxxxx | xxxxxx | ||
| Version | V x.xx Bxxxx | V x.xx Bxxxx | |||
| Set passwords | Set level 1 | 0000 | 0000 | ||
| Set level 2 | 0000 | 0000 | |||
| Set level 3 | 0000 | 0000 | |||
| Menu – Setup | Living comfort | Substitute temperature | 5°C | 5°C | |
| Runtime | Not present | 22h | |||
| Intensity daytime charge | Not present | 90% | |||
| Use of fan | As required | Not present | |||
| Date/Time | Date/Time | Not present | |||
| Type of summer time | Europe | Not present | |||
| Language | Language | English | English | ||
| Display | Contrast | 0 | 0 | ||
| Brightness menu | 70% | 70% | |||
| Brightness idle | 0% | 0% | |||
| Menu – Installer | Startup | Application range and charging | ACU intelligent | CCU classic | |
| Full charging (E1) | -12°C | -12°C | |||
| Heat demand factor | 100% | 100% | |||
| Sensor type | Dimplex standard sensor DIN | Dimplex standard sensor DIN | |||
| Control model charge | Not present | Backward | |||
| Runtime | Not present | 22h | |||
| System type | Preset with Chng and [+/–] | Preset with Chng and [+/–] | |||
| Internet Gateway | No | Not present | |||
| Date/Time | 01.01.2001 | Not present |
| Level 2 | Level 3 | Level 4 | Domestic control unit (ACU) | Classic central charge unit (CCU) | |
| Menu – Installer | Information | System | State calculation | Temp. Prognosis | Backward |
| State output | Off as standard | Off as standard | |||
| State signal output | Off | Off | |||
| State SH output | Off | Off | |||
| Heat demand reference (heat level 3.0) | 43% | % | |||
| Target charge rate acc. heat demand | 46% | % | |||
| Target charge rate output | 0% | % | |||
| Heat demand | State | Substitute value | Substitute value | ||
| Outdoor temperature measured | …°C | …°C | |||
| Outdoor temperature effective | 5°C | 5°C | |||
| Charge release | State | Storage learning | L* signals | ||
| Total release duration per day | 0h | Not present | |||
| State inputs | LF:0 LZ:0 LX:0 FS:0 | LF:0 LZ:0 LX:0 FS:0 | |||
| Charging model | State throughout the day | Not present | Daytime/Nighttime charge | ||
| Runtime | Not present | h | |||
| Control system | Target charge rate output | % | % | ||
| Supply voltage | 230V | 230V | |||
| Duty cycle output (ED output) | 100% | 100% | |||
| DC output | 1.950 V | 1.950 V | |||
| Device data | Serial number | xxxxxx | xxxxxx | ||
| Version | V x.xx Bxxxx | V x.xx Bxxxx | |||
| Service | Restart | Restart device | |||
| Factory settings | Reset device | ||||
| Detail settings | Application | Application range and charging | ACU intelligent | CCU classic | |
| System | Installation type | Storage device | Not present | ||
| Charge time for 100% charge | 8h | Not present | |||
| Use of fan | As required | Not present | |||
| Control model charge | Not present | Backward | |||
| RT (temperature) reference frost protection | 10°C | 10°C | |||
| RT (temperature) range for heat level 1.0 – 5.0 | 10K | 10K | |||
| Control model for SH contactor | SH charge | SH release |
| Level 2 | Level 3 | Level 4 | Domestic control unit (ACU) | Classic central charge unit (CCU) | |
| Menu – Installer | Detail settings | Heat demand | Sensor type | Dimplex standard sensor DIN | Dimplex standard sensor DIN |
| Full charging (E1) | -12°C | -12°C | |||
| Start of charging (E2) | 18°C | 18°C | |||
| Base charge at start of charging (E15) | 5% | 5% | |||
| Heat demand factor | 100% | 100% | |||
| Building type: Structure and insulation | normal + normal | normal + normal | |||
| Outside-temp. (OT) lower limit for blocking high tariff | Off | Off | |||
| Substitute temperature | 5°C | 5°C | |||
| Correction value for sensor | +0K | +0K | |||
| Charge release | Start signal of clockwork (LL) | Not present | LF → LL | ||
| Inhibit signal high tariff (HT) | Off | Off | |||
| Charging model | Main charging time (E3) | Not present | 7h | ||
| Timer lock-in time (E11) | Not present | 6h | |||
| Cycle time (E13) | Not present | 22h | |||
| Daytime changeover (E12) | Not present | 10h | |||
| Daytime additional charge factor (E10) | Not present | 90% | |||
| Base charge at end of cycle time (E4) | Not present | 25% | |||
| Charge release monitoring (E14) | Not present | 15h | |||
| Forward control LF+LZ at daytime (VRT) | Not present | No | |||
| Control system | Duty cycle (ED) system | 80% | 80% | ||
| Controller type at duty cycle (ED) system | electronic | electronic | |||
| Duty cycle (ED) system with 2% base signal | On | On | |||
| DC system | ZX = Z1 (+); Z0 = Z2 (-); ZY = KV | ZX = Z1 (+); Z0 = Z2 (-); ZY = KV | |||
| Invert DC-KU signal | Off | Off | |||
| Options | Internet Gateway | No | Not present | ||
| Sequencer | Off | Not present |
Setting the charge control (with the system set to CCU classic)
The charge control must only be set by an experienced technician

| Temperature at external sensor | °C | 20 | 16 | 12 | 8 | 4 | 0 | -4 | -8 | -12 | -16 | -20 |
| NTC external sensor (series) | kΩ | 2.43 | 2.85 | 3.36 | 3.98 | 4.73 | 5.64 | 6.76 | 8.14 | 9.84 | 11.96 | 14.62 |
| PTC external sensor (Bauknecht sensor) | Ω | 700 | 692 | 684 | 676 | 668 | 660 | 652 | 644 | 636 | 628 | 620 |
During initial commissioning, the menu items under Menu → Installer → Startup will need to be set/confirmed in full as a one-off task. The following settings are generally sufficient to ensure the system runs correctly in accordance with the standard procedure. If special system functions are required, additional settings can be made in the menu branch Installer → Detail settings. An individual password system with up to 3 levels can be set up in the menu branch Information → Set passwords. For information about the user interface, see User interface.
Installer menu branch
Not all menu items will be relevant to and visible for each application. A (●) in the columns for the application indicates that they are visible:
- ACU intell Domestic control unit intelligent
- CCU class Charge control (central control unit) classic
- ACU class Domestic control unit classic
- ACU reduc Domestic control unit reduced
The individual menu items are explained in detail after the menu branch. Please see the references in the Page column in the table below.
| Level 2 | Level 3 | Level 4 | ACU intell (recommended) | CCU class (recommended) | ACU class | ACU reduc | Page |
| Startup | Application range and charging | ● | ● | ● | ● | 19 | |
| Full charging (E1) | ● | ● | ● | ● | 19 | ||
| Heat demand factor | ● | ● | ● | ● | 20 | ||
| Sensor type | ● | ● | ● | ● | 20 | ||
| Control model charge | – | ● | ● | – | 20 | ||
| Runtime | – | ● | ● | – | 20 | ||
| System type | ● | ● | ● | ● | 21 | ||
| Date/Time | Date/Time | ● | – | ● | ● | 21 | |
| Type of summer time | 21 |
| Menu – Installer | Startup | Application range and charging | ACU Intelligent | CCU Classic | |
| Full charging (E1) | -12°C | -12°C | |||
| Heat demand factor | 100% | 100% | |||
| Sensor type | Dimplex standard sensor DIN | Dimplex standard sensor DIN | |||
| Control model charge | Not present | Backward | |||
| Runtime | Not present | 22h | |||
| System type | Preset with Chng and [+/–] | Preset with Chng and [+/–] | |||
| Internet Gateway | No | Not present | |||
| Date/Time | 01.01.2001 | Not present |
Menu → Installer → Startup Setting for selecting the application = application range and charging model.
Application ranges:
- Central control unit CCU (without clock function)
- Domestic control unit ACU (with clock function)
Charging model:
- Classic: Charging model according to DIN EN 50350 as forward or backward control
- Intelligent: Self-learning charging model which can be used for almost all release models and adjusts the charge based on a forecast
- Factory setting: ACU intelligent, adjustment range: CCU classic
Full charging (E1)
Menu → Installer → Startup Outdoor temperature at which the heating system must operate at full power to reach the standard room temperature of 20°C (heat demand and set charge rate = 100%). Factory setting: -12°C, adjustment range: -25°C to +15°C
Heat demand factor
Menu → Installer → Startup Setting for selecting the heat demand, which the installer can use to adjust the charge intensity and general domestic heating performance to suit the structural features on site and the user’s individual heat demand. The parameter should be set so that it reflects the user’s desired living comfort at heat level 3.0. The use of insulation will reduce the heat demand factor; if a higher room set temperature is always desired then the heat demand factor increases.
Factory setting: 100% (normal demand according to characteristic curve E1/E2), adjustment range: 30% to 200%
Sensor type
Menu → Installer → Startup Setting for selecting the type of sensor for the outdoor temperature sensor. As a rough guide, three temperatures are additionally shown (20°C, 0°C and -15°C), as well as the corresponding resistance values for the temperatures (for example, 2k4 for short denoting 2.4 kΩ for a temperature of 20°C with the Dimplex standard sensor DIN).
Factory setting: Dimplex standard sensor DIN, adjustment range: for the available sensor types please see Technical device information, p. 4.
Control model for charging (only shown with the classic charging model)
Menu → Installer → Startup Setting for selecting the charging model for the classic method according to DIN EN 50350, forward control (with and without timing) and backward control.
Factory setting: backward, adjustment range: forward without timing | forward with timing | backward
Runtime (only shown with the classic charging model)
Menu → Installer → Startup (only for classic applications) Setting for selecting the runtime in hours once the main release starts, for starting up the classic charging models faster after a prolonged power cut. Enter the number of hours that have passed since the night-time release was last started here. Example: setting in the morning at 11:00 upon startup, night-time release at 22:00 → 13 hours).
Factory setting: 0 h, adjustment range: 0 h to 23 h
System type
Menu → Installer → Startup This menu item can be used to set multiple parameters simultaneously to configure one of the typical system configurations for electric storage heating systems. The setting covers the system type (storage heaters, underfloor heating), if applicable the controller type in the storage heater (thermo-mechanical, electronic), and the type of control signal (duty cycle, DC) and its features. All settings can also be made and changed individually in the menu item Installer → Detail settings.
Factory setting: preset with Chng and [+/-] (display of placeholder only), setting options (available types depending on the unit type):
- Thermo-mech. storage heaters duty cycle system 80%
- Electronic storage heaters DC Dimplex
- Thermo-mech. storage heaters duty cycle system 72%
- Underfloor heating DC Dimplex
- Thermo-mech. storage heaters duty cycle system 37%
- Underfloor heating DC tekmar
- Electronic storage heaters duty cycle system 80%
- Underfloor heating DC tekmar old
- Electronic storage heaters duty cycle system 72%
- Underfloor heating DC Dohrenbusch
- Electronic storage heaters duty cycle system 37%
Date/Time (only shown with the intelligent charging model) Menu → Installer → Startup Setting for selecting the current date and the time.
Type of summer time (only shown with the intelligent charging model) Menu → Installer → Startup Setting for selecting the automatic switching of summer time.
Factory setting: Europe, setting options: Off | Europe
Commissioning certificate
| Level 2 | Level 3 | Level 4 | Domestic control unit (ACU) (factory setting) | Classic central charge unit (CCU) | Settings | |
| Menu – Installer | Startup | Application range and charging | ACU intelligent | CCU classic | ||
| Full charging (E1) | -12°C | -12°C | ||||
| Heat demand factor | 100% | 100% | ||||
| Sensor type | Dimplex standard sensor DIN | Dimplex standard sensor DIN | ||||
| Control model charge | Not present | Backward | ||||
| Runtime | Not present | 22h | ||||
| System type | Preset with Chng and [+/–] | Preset with Chng and [+/–] | ||||
| Internet Gateway | No | Not present | ||||
| Date/Time | 01.01.2001 | Not present | ||||
| Detail settings | Application | Application range and charging | ACU intelligent | CCU classic | ||
| System | Installation type | Storage device | Not present | |||
| Charge time for 100% charge | 8h | Not present | ||||
| Use of fan | As required | Not present | ||||
| Control model charge | Not present | Backward | ||||
| RT (temperature) reference frost protection | 10°C | 10°C | ||||
| RT (temperature) range for heat level 1.0 – 5.0 | 10K | 10K | ||||
| Control model for SH contactor | SH charge | SH release | ||||
| Heat demand | Sensor type | Dimplex standard sensor DIN | Dimplex standard sensor DIN | |||
| Full charging (E1) | -12°C | -12°C | ||||
| Start of charging (E2) | 18°C | 18°C | ||||
| Base charge at start of charging (E15) | 5% | 5% | ||||
| Heat demand factor | 100% | 100% | ||||
| Building type: Structure and insulation | normal + normal | normal + normal | ||||
| Outside-temp. (OT) lower limit for blocking high tariff | Off | Off | ||||
| Substitute temperature | 5°C | 5°C | ||||
| Correction value for sensor | +0K | +0K |
| Level 2 | Level 3 | Level 4 | Domestic control unit (ACU) (factory setting) | Classic central charge unit (CCU) | Settings | |
| Menu – Installer | Detail settings | Charge release | Start signal of clockwork (LL) | Not present | LF → LL | |
| Inhibit signal high tariff (HT) | Off | Off | ||||
| Charging model | Main charging time (E3) | Not present | 7h | |||
| Timer lock-in time (E11) | Not present | 6h | ||||
| Cycle time (E13) | Not present | 22h | ||||
| Daytime changeover (E12) | Not present | 10h | ||||
| Daytime additional charge factor (E10) | Not present | 90% | ||||
| Base charge at end of cycle time (E4) | Not present | 25% | ||||
| Charge release monitoring (E14) | Not present | 15h | ||||
| Forward control LF+LZ at daytime (VRT) | Not present | No | ||||
| Control system | Duty cycle (ED) system | 80% | 80% | |||
| Controller type at duty cycle (ED) system | electronic | electronic | ||||
| Duty cycle (ED) system with 2% base signal | On | On | ||||
| DC system | ZX = Z1 (+); Z0 = Z2 (-); ZY = KV | ZX = Z1 (+); Z0 = Z2 (-); ZY = KV | ||||
| Invert DC-KU signal | Off | Off | ||||
| Options | Internet Gateway | No | Not present | |||
| Sequencer | Off | Not present |
Week program
For individually changing the times for the heat level during the week. A week program can be used to set which heat level should apply at which time during the week. Week program 1 has been defined as the factory setting. The four available week programs can be adjusted if required. The times can be changed in 15-minute increments. A fully programmed entry consists of the following:
- Switching time: time at which the system should switch to the new operating mode (e.g. 06:00)
- Switching action: states the new heat level
- For day: states the days on which the entry should take effect (e.g. Mo, Tu, Th, Fr)
Selecting the week program:
- Select Menu → Operation → Week program → press >>.
- Using the plus or minus key [+/-], select the week program that you wish to change.
- Press >>.
- Using the plus or minus key [+/-], select the entry that you wish to change, e.g. Entry 2.
- Press Act to update the week program.
- Press Edit.
- Using the plus or minus key [+/-] and the arrow key [>], make your desired changes to the time and heat level → press >.
- Using the plus or minus key [+/-] and the arrow key [>], make your desired changes to the days of the week. The plus key [+] activates the switching point on the day in question (the starting letter of the day of the week is displayed). The minus key [-] deactivates the switching point on the day in question (“–” is shown instead of the letter)
- After setting the seventh day (Sunday), press Save.
- The changes to the week program will be set.
To add a new entry to a week program, select Add at point 6 in the list above. To delete an entry from a week program, select Del here. Points 7 and 8 from the list above are carried out in the same way.
Holiday program
The holiday program can be used to adjust the heat level for periods when the user will be absent. The start and end of the holiday period and the desired heat level need to be set.

Setting the holiday program on the control unit:
- Select Menu → Operation → Holiday program.
- The Start of holiday screen appears.
- Press Chng.
- Using the plus or minus key [+/-] and the arrow key [>], set the desired start point.
- Press Save.
- Press the down arrow.
- The End of holiday screen appears.
- Press Chng.
- Using the plus or minus key [+/-] and the arrow key [>], set the desired end point.
- Press Save.
- Press the down arrow.
- The Heat level holiday screen appears.
- Press Chng.
- Using the plus or minus key [+/-], set the desired control mode during the holiday period.
- Press Save.
- The holiday program has now been activated automatically. The desired operating mode will be switched on at the set start time, and switched back off at the set end time.
If you wish to delete a configured holiday program or end it early, set the end time to a time in the past. The holiday program takes priority over the active week program, i.e. it overrides the current week program. Once the holiday period has elapsed, the week program that was being used before is reactivated.
Information
Target charge rate acc. heat demand
- Menu → Information → System state
- Displays the internally calculated target charge rate based on the heating characteristic curve, heat demand factor, heat level that is currently set, and any control value that may have been stipulated by the energy supplier in the schedule. (For the output target charge rate, please see the display on the idle mode screen)
Runtime (only shown with the classic charging model)
- Menu → Information → System state
- Displays the hours that have passed in the classic charging models of forward/backward control since the start of the night-time charge release.
- Total release duration per day (only shown with the intelligent charging model)
- Menu → Information → System state
- Displays the total number of hours that the release memory of the intelligent charge model has recorded as the release period over the past 24 hours.
Serial number
- Menu → Information → Device data
- Displays the ten-digit serial number of the control unit.
Version
- Menu → Information → Device data
- Displays the software version and build number (four digits) of the software.
- Set passwords
- Menu → Information → Set passwords
- For setting passwords for individual menu areas.
Setup
Substitute temperature
- Menu → Setup → Living comfort
- Setting for selecting the outdoor temperature for the target charge rate in the event of a faulty external sensor. This setting enables the system’s heat demand to be controlled manually if the external sensor fails.
- Factory setting: automatic if the outdoor temperature is available, adjustment range: -25°C to +25°C
Runtime (only shown with the classic charging model)
- Menu → Setup → Living comfort
- Setting for selecting the runtime in hours once the main release starts, for starting up the classic charging models faster after a prolonged power cut. Enter the number of hours that have passed since the night-time release was last started here. Example: setting in the morning at 11:00 upon startup, night-time release at 22:00 → 13 hours.
- Factory setting: automatic, adjustment range: 0 h to 23 h
Intensity daytime charge (only shown with the classic charging model)
- Menu → Setup → Living comfort
- Setting for selecting the intensity of the daytime post-charging with the classic charging models; forward control with timer function and backward control.
- Factory setting: 90%, adjustment range: 0 % to 100 %
Date/Time (only shown with the intelligent charging model)
- Menu → Setup → Date/Time
- The time is used to control the operating modes and week programs based on a schedule.
Setting the date/time on the control unit:

- Select Menu → Setup → Date/Time.
- Press Chng.
- Using the arrow keys [</>], select the desired parameters one after the other until they flash, meaning they are active. Then change them using the plus or minus key [+/-].
- Press Save.
- The time and the date will be set
If the device is being put into operation for the first time, or if it has been disconnected from the power supply for a relatively long time, it is essential to check that the date and time have been set correctly. (Brief power cuts lasting up to one day are covered by the power reserve)
Type of summer time (only shown with the intelligent charging model)
- Menu → Setup → Date/Time
- Setting for selecting the automatic switching of summer time.
- Factory setting: Europe, setting options: Off | Europe
Language
- Menu → Setup → Language
- Setting for selecting the menu language.
- Factory setting: German, setting options: German | English
Contrast
Menu → Setup → Display Setting for selecting the display contrast.
Brightness menu
Menu → Setup → Display Setting for selecting the display brightness when the menu is shown.
Brightness idle
Menu → Setup → Display Setting for selecting the display brightness in idle mode.
Glen Dimplex Deutschland GmbH Am Goldenen Feld 18 95326 Kulmbach, Germany www.dimplex.eu
- Phone +49 (0) 9221 / 709 700
- E-mail: [email protected]

















