
CBU-TED
Bluetooth controllable dimmer

Dimensions


![]() | Warning! Hazardous voltages. Risk of electric shock or fire. Only qualified professionals should make the connections. Disconnect the mains power supply and verify its absence prior to installation. |
Description
CBU-TED is a Bluetooth controllable, Casambi enabled trailing-edge dimmer for the operation of incandescent lamps, dimmable LED lamps and dimmable LED control gear. It can be installed behind a traditional wall switch, inside a luminaire, or into a ceiling outlet box. Maximum allowable ambient temperature must be observed.
CBU-TED is able to control up to 150 VA at 230 VAC. It features an overcurrent and over-temperature protection.
CBU-TED can be controlled with the Casambi app, available for iOS and Android devices, as well as with traditional wall switches. The Casambi app can be downloaded free of charge from Apple App Store and Google Play Store.
Different Casambi enabled products can be used as a simple one luminaire direct control to a complete and full featured light control system where up to 127 units form automatically an intelligent mesh network.
Technical data
Input
Voltage: 120 VAC
Frequency: 60 Hz
Max. mains current: 0,65 A
No-load standby power: < 0,3 W
Output
Dimming method: trailing-edge phase control
Max. output power: 75 W @ 120 VAC
Max. output current:
0,65 A
Min. load requirement: 1 W
Max. inrush current: 10 A, 100 ms
Radio transceiver
Operating frequencies: 2,4…2,483 GHz
Maximum output power: +4 dBm
Operating conditions
Ambient temperature, ta: -4°F to 113°F (-20 to +45°C)
Max. case temperature, tc: 167°F (+75°C)
Location of tc point: bottom side, underneath output connector
Storage temperature: -13°F to 122°F (-25…+50°C)
Max. relative humidity: 0…80%, non-cond.
Connectors
Wire range, solid & stranded: 16-18 AWG 1-1,5 mm2
Wire strip length: .25” (6-8 mm)
Mechanical data
Dimensions: 1.60 x 1.45 x 0.55 inch 40,4 x 36,3 x 14,0 mm
Weight: 0.5 oz (15 g)
Degree of protection: IP20 (indoor use only)
FCC ID: 2ALA3-CBUTED
IC: 22496-CBUTED
UL: UL Listed, E494741
Range
The range between two CBU-TEDs or between a CBU-TED and a smartphone can vary a lot depending on obstacles and surrounding material. In open-air, the range between two CBU-TEDs can be in excess of 200 ft, but if the unit is encapsulated into a metal structure, the range can be only a few feet. Therefore, thorough testing is highly suggested.
Casambi uses mesh network technology so each CBU-TED acts also as a repeater. When testing the network, it is important to test that each unit can be controlled from any point of the network-covered area.

Compatible devices:
iPhone 4S or later
iPad 3 or later
iPod Touch 5th gen or later
Android 4.4 KitKat or later devices
produced after 2013 with full BT 4.0 support

Casambi uses mesh network technology so each CBU-TED acts also as a repeater. Longer ranges can be achieved by using multiple Casambi units.
- The range is highly dependant on the surroundings and obstacles, such as walls and building materials.
Type of load
| Type of load | Max. load |
| Incandescent and high voltage halogens (R) | 75 W |
| High-quality dimmable LED and CFL bulbs (C)¹) | 75 W |
| Trailing edge dimmable LED drivers (C)¹) | 75 W |
| Low voltage halogens with electronic transformers (C)¹) | 75 W |
| High voltage AC LED modules (R)²) | 75 W |
| Wire wound transformers, electric motors, and other inductive loads (I) | Not allowed |
| Non-dimmable fluorescent lamps, LED and CFL bulbs (C) | Not allowed |
¹) Dimming quality depends solely on the load electronics. Do not mix different types of bulbs or loads.
²) Some LED modules may flicker at low dimming levels.
Never connect inductive loads, such as iron core transformers.
This could cause permanent damage to the dimmer.
Do not mix different types of loads.
Installation
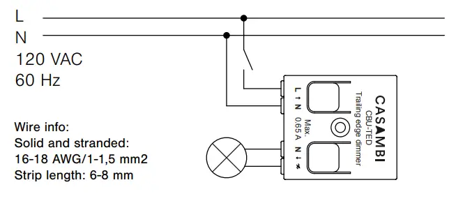
Make sure that the mains voltage is switched off before making any connections. Use 16-18 AWG solid or stranded conductor electrical wires. Strip the wire 6-8 mm from the end.
Press the buttons on top of the dimmer case and insert the wires to the corresponding holes. Make sure to connect the input and output correctly. Input connector is marked with letters L and N, while the output connector is marked with the letter N and a symbol with a wave and an arrow ( ).
If you install the dimmer into a heat-sensitive environment (e.g. inside a luminaire or in a ceiling outlet box above a luminaire), make sure that the ambient temperature does not exceed the specified maximum value. Using the dimmer in a heat-sensitive environment may limit the maximum output power.
CBU-TED, like any other Casambi product, should not be placed in a metal enclosure, such as metal junction boxes. Metal will attenuate radio signals
Wiring diagram

Warning
Changes or modifications not expressly approved by Casambi Technologies Oy could void the user’s authority to operate the equipment.
Dimming without app

- Turn lights on from a wall switch.
- Quickly flick the wall switch off (max. 1 sec.) and back on. The light level starts to increase gradually.
- Flick the switch again at the desired dim level. The selected level is saved automatically.
- If the second flick is not done within 8 sec. the light intensity reaches its maximum level.
- Flicking the switch can also be used to switch between predefined scenes.
Compliance Statement
This device complies with part 15 of the FCC Rules. Operation is subject to the following two conditions:
- This device may not cause harmful interference, and
- this device must accept any interference received, including interference that may cause undesired
Radiation Exposure Statement for FCC
This device complies with FCC radiation exposure limits for an uncontrolled environment. This device shall be installed and operated with a minimum distance of 0.8″ (2cm) between users or bystanders and the device.
FCC Interference Statement
This equipment has been tested and found to comply with the limits for a Class B digital device, pursuant to Part 15 of the FCC Rules. These limits
are designed to provide reasonable protection against harmful interference in a residential installation.
This equipment generates, uses, and can radiate radio frequency energy and, if not installed and used in accordance with the instructions, may cause harmful interference to radio communications.
However, there is no guarantee that interference will not occur in a particular installation. If this equipment does cause harmful interference to radio or television reception, which can be determined by turning the equipment off and on, the user is encouraged to try to correct the interference by one of the following measures:
- Reorient or relocate the receiving antenna.
- Increase the separation between the equipment and receiver.
- Connect the equipment into an outlet on a circuit different from that to which the receiver is connected.
- Consult the dealer or an experienced radio/TV technician for help.
Radiation Exposure Statement for Canada
This device complies with Industry Canada’s license-exempt RSS. Operation is subject to the following two conditions:
- This device may not cause interference
- This device must accept any interference, including interference that may cause undesired operation of the device.
This equipment is exempt from the routine RF exposure evaluation requirements of RSS-102. This equipment should be installed and operated with a minimum distance of 20 cm between the antenna and the user or bystanders.
Le present appareil est conforme aux CNR d’Industrie Canada applicables aux appareils radio exempts de licence. L’exploitation est autorisee aux deux conditions suivantes:
- l’appareil ne doit pas produire de brouillage;
- l’utilisateur de l’appareil doit accepter tout brouillage radioelectrique subi, meme si le brouillage est susceptible d’en compromettre le fonctionnement. Ce materiel n’est pas sujet a revaluation habituelle d’exposition RF selon Ce materiel devrait etre installe et exploite en gardant une distance minimale de 20 cm entre l’antenne et l’utilisateur ou les spectateurs.
NOTES

Project: ———————————————————–
Reference type: ————————————————-
Item code: ——————————————————-
Date: ————————————————————-
Notes: ————————————————————

















