
DIS-300G Series Managed Industrial Gigabit
Ethernet Switch
Quick Installation Guide
Overview
The Managed Ethernet Switch solutions are designed for supporting standard industrial applications. Managed switches are easier to prioritize, partition, and organize users’ networks, providing more reliable and better quality services.
Package Checklist
Please verify the box contains the following items:
| Item | Quantity |
| Management Ethernet switch | 1 |
| Wall-mount plates | 2 |
| DIN-Rail CLIP | 1 |
| M3 Screws (for the wall mount plates & DIN CLIP) | 4 |
| DC power terminal block | 1 |
| RJ45 Ethernet Port Dust Cover | Some |
| SFP Ethernet port Dust cover | Same as SFP port number |
Safety Instructions
When a fiber connection is removed during installation, testing, servicing, or an active fiber is broken, ocular exposure to optical energy may be potentially hazardous, depending on the laser output power.
The primary hazards of exposing laser radiation from optical-fiber communication systems are:
- Damage to eyes from accidental exposure to a beam emitted by a laser source.
- Damage to eyes from viewing the connector that attaches to a broken fiber or an energized fiber.
If the equipment is used in a manner not specified by the manufacturer, the protection provided by the equipment may be impaired.
DIN-Rail Mounting
Mounting steps:
- Screw the din-clip with screws in the accessory kit.

- Hook the unit onto the din-rail.
- Push the bottom of the unit towards the din-rail until it locks in place.

Wall Mounting
Mounting steps:
- Screw the wall-mount brackets with screws in the accessory kit.
< This graph is for all DIS-300G series >
Ethernet Interface (RJ45 Ethernet)
The switch provides two types of Ethernet interfaces: electrical (RJ45) and optical (SFP) interfaces. Connecting the Ethernet interface via RJ45:
- To connect the switch to a PC, use straight-through or cross-over Ethernet cables,
- To connect the switch to an Ethernet device, use UTP (Unshielded Twisted Pair) or STP (Shielded Twisted Pair) Ethernet cables.
The pin assignment of the RJ-45 connector is shown in the following figure and table.

| Pin | Assignment | PoE Assignment (for DIS-300G-8PSW/DIS-300G14PSW only) |
| 1,2 | T/Rx+, T/Rx- | Positive VPort |
| 3,6 | T/Rx+, T/Rx- | Negative VPort |
| 4,5 | T/Rx+, T/Rx- | X |
| 7,8 | T/Rx+, T/Rx- | X |
Ethernet Interface (Fiber, SFP)
For both 100/1000 Mbps fiber speed connections, the SFP slots are available. The SFP slot accepts the fiber transceivers that typically have an LC connector.
The fiber transceivers have options of multimode, single-mode, long-haul or special-application transceivers.
DANGER:
Never attempt to view optical connectors that might be emitting laser energy.
Do not power up the laser product without connecting the laser to the optical fiber and putting the dust cover in position, as laser outputs will emit infrared laser light at this point.
Connecting Power Terminal Block
The switch can be powered from two power supplies (input range 12V – 58V). Insert the positive and negative wires into V+ and V- contacts on the terminal block respectively and tighten the wire-clamp screws to prevent the wires from being loosened.
Note:
The DC power should be connected to a well-fused power supply.
DIS-300G-10SW/DIS-300G-12SW

DIS-300G-8PSW/DIS-300G-14PSW

Alarm Relay and Ground
The alarm relay output contacts are in the middle of the DC terminal block connector as shown in the figure below.
The alarm relay out is “Normal Open”, and it will be closed when detected any predefined failure such as power failures or Ethernet link failures.
The relay output with a current-carrying capacity of 0.5A @ 24 VDC

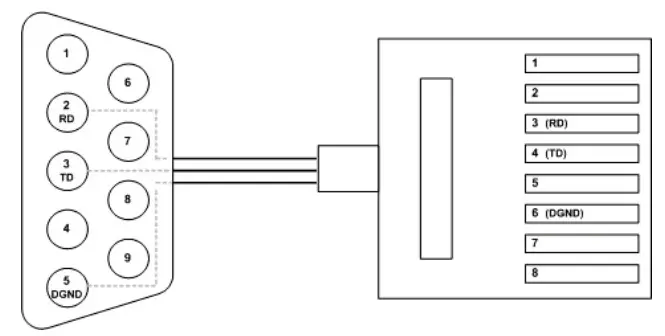
Console Connection
The Console port is for local management by using a terminal emulator or a computer with terminal emulation software.
- DB9 connector connect to computer COM port
- Baud rate: 115200bps
- 8 data bits, 1 stop bit
- None Priority
- None flow control

To connect the host PC to the console port, an RJ45 (male) connector-to-RS232 DB9 (female) connector cable is required. The RJ45 connector of the cable is connected to the CID port of the switch; the DB9 connector of the cable is connected to the PC COM port. The pin assignment of the console cable is shown below:

NOTE: When connecting to the console port, please use the designated console cable attached to the package.
Connect & log in to Managed Switch
- Connecting to the Ethernet port (RJ45 Ethernet port) of Managed Switch.
- Factory default IP: 10.90.90.90
- Login with the default account and password.
Username: admin
Password: admin
CLI Initialization & Configuration
- Connecting to the Ethernet port(RJ45 Ethernet port) of Managed Switch
- Key-in the command under Telnet: telnet 10.90.90.90
- Login with the default account and password.
Username: admin
Password: admin - Change the IP with commands listed below: CLI
Command:
enable
configure terminal interface VLAN 1
ip address xxx.xxx.xxx.xxx
xxx.xxx.xxx.xxx exit
LED STATUS INDICATIONS
LED Name | Indicator /color | Condition |
| P1/P2 | On Green | P1/P2 power line has power |
| Off | P1/P2 power line disconnect or does not have power supplied | |
| Alarm | On Red | Ethernet link fails, alarm or power failure alarm occurs |
| Off | No Ethernet link fails and no power failure alarm | |
| Copper port Link/Act | On Green | Ethernet link up but no traffic is detected |
| Flashing Green | Ethernet link up and there is traffic detected | |
| Off | Ethernet link down | |
| Copper port Speed | On Yellow | A 1000Mbps connection is detected |
| Off | No link, a 10Mbps or 100 Mbps connection is detected | |
| SFP port Link/Act | On Green | Ethernet link up |
| Off | Ethernet link down | |
| SFP port Speed | On Yellow | SFP port speed 1000Mbps connection is detected. |
| Off | No link or an SFP port speed 100Mbps connection is detected | |
| DIS-300G4IPSW/DIS-300G | -14PSW | only |
| RR (Ring Role) | On Green | One of the 3 Ring groups is enabled and is a Master role. |
| Off | The ring is slave role | |
| RS (Ring Status) | On Green | Ring fails to happen and detected |
| Off | No ring fail detected | |
| PoE | On Yellow | PoE is detected |
| Off | No link |
Additional Information
You can refer to the user manual or visit http://support.dlink.com/ for more support.
Online Documentation
www.dlink.com/resources/business
Online Support
If there are any issues that are not in the user manual, please visit http://support.dlink.com/ which will direct you to your appropriate local D-Link support website.
Warranty Information
Visit http://warranty.dlink.com/ to view the D-Link Warranty information.
Federal Communication Commission Interference Statement
This equipment has been tested and found to comply with the limits for a Class A digital device, pursuant to part 15 of the FCC
Rules. These limits are designed to provide reasonable protection against harmful interference when the equipment is operated in a commercial environment. This equipment generates, uses, and can radiate radio frequency energy and, if not installed and used in accordance with the instruction manual, may cause harmful interference to radio communications. Operation of this equipment in a residential area is likely to cause harmful interference in which case the user will be required to correct the interference at his own expense.
Non-modification Statement
Any changes or modifications not expressly approved by the party responsible for compliance could void the user’s authority to
operate the equipment.
Caution
This device complies with Part 15 of the FCC Rules. Operation is subject to the following two conditions: (1) This device may not cause harmful interference, and (2) this device must accept any interference received, including interference that may cause undesired operation.
Innovation, Science and Economic Development Canada (ISED) Statement:
This Class A digital apparatus complies with Canadian ICES-003.
Cet appareil numérique de la classe A est conforme à la norme NMB-003 du Canada.
Japan Voluntary Control Council for Interference Statement
This is a Class A product based on the standard of the Voluntary Control Council for Interference (VCCI). If this equipment is used in a domestic environment, radio interference may occur, in which case the user may be required to take corrective actions.
Warning:
This is a class A product. In a domestic environment, this product may cause radio interference in which case the user may be
required to take adequate measures.


< This graph is for all DIS-300G series >















