CALIBER RCD 238DAB-BT Autoradio 4x 75W met Bluetooth Technologie

CONNECTION DIAGRAM

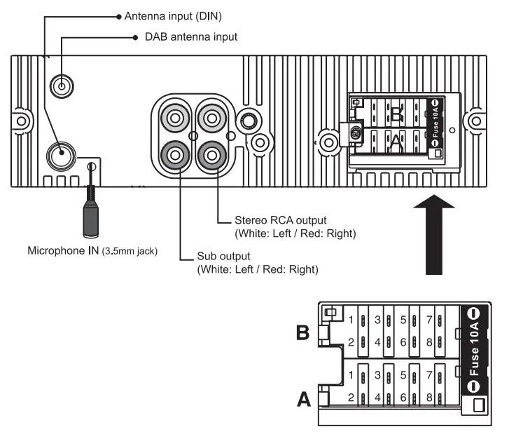
ISO connector
- B1: Rear right speaker(+) > Purple
- B2: Rear right speaker(-) > Purple-Black
- B3: Front right speaker(+) > Grey
- B4: Front right speaker(-) > Grey-Black
- B5: Front left speaker(+) > White
- B6: Front left speaker(-) > White-Black
- B7: Rear left speaker(+) > Green
- B8: Rear left speaker(-) > Green-Black
ISO connector
- A1:……….
- A2:……….
- A3:……….
- A4: Battery 12V (+) > Yellow
- A5: Remote /Antenna > Blue-White (+12V)
- A6:……..
- A7: ACC+ / Ignition> Red
- A8: Ground> Black
RMD SPECIFICATIONS

Note: Specifications and the design are subject to change without notice due to improvements in technology.
Please note the serial number of the unit for future reference (found on the rating plate on the unit):
- Serial number:……………………..
- Date of purchase:……………………..
We are continuously improving/updating our products and product information. It’s, therefore, possible that there is a slight difference between the description in this manual to the operation of the product. If something is different or not clear; always check our website for the most current version.
DAB ANTENNA INSTALLATION

- Place the antenna on the windshield near the ‘A post’.

- Remove the cover of the A-post.
- Stick the transparent part of the antenna on the windshield and put the black part on the metal frame.

Antenna connection
- Connect the DAB antenna correctly according to the wiring diagram as described on the page to the left.
Station search and automatic storage
- Press the [MODE] button (8) to switch to DAB mode. After the switch to DAB mode upon first energizing, the system will automatically search and store.
- If not or if you want to re-scan, press the [SCAN] button (14) to start the search. When the search is completed, it will start playing the first active station.
Playback DAB+ stations
- After a full search, the 18 strongest stations automatically will be stored in the three DAB bands. Six presets on each band.
- To recall the stations, switch between DAB1, DAB2, and DAB3 using the [BND] button (11) and use preset buttons (16~21) to switch between 1~6 or use the
buttons (12/13).
RCD PRECAUTIONS
WARNING: Points to observe for safe usage
- Read this manual carefully before using this disc and the system components. They contain instructions on how to use this product in a safe and effective manner. Alpine cannot be responsible for problems resulting from failure to observe the instructions in this manual.
- This symbol means important instructions. Failure to heed them can result in injury or material property damage.
- Do not operate any function that takes your attention away from safely driving your vehicle.
- Any function that requires your prolonged attention should only be performed after coming to a complete stop. Always stop the vehicle in a safe location before performing these functions. Failure to do so may result in an accident.
- Keep the volume at a level where you can still hear outside noises while driving.
- Excessive volume levels that obscure sounds such as emergency vehicle sirens or road warning signals (train crossings, etc.) can be dangerous and may result in an accident. LISTENING AT LOUD VOLUME LEVELS IN A CAR MAY ALSO CAUSE HEARING DAMAGE.
- Do not disassemble or alter.
- Doing so may result in an accident, fire or electric shock.
- Use only in cars with a 12V volt negative ground.
- (Check with your dealer if you are not sure.) Failure to do so may result in fire, etc.
- Keep small objects such as screws out of the reach of children.
- Swallowing them may result in serious injury. If swallowed, consult a physician immediately.
- Use the correct ampere rating when replacing fuses.
- Failure to do so may result in fire or electric shock.
- Do not block vents or radiator panels.
- Doing so may cause heat to build up inside and may result in fire.
- Use this product for mobile 12V applications.
- Use for other than its designed application may result in fire, electric shock or another injury.
- Do not place hands, fingers or foreign objects in insertion slots or gaps.
- Doing so may result in personal injury or damage to the product.
- Halt use immediately if a problem appears.
- Failure to do so may cause personal injury or damage to the product. Return it to your authorized
- Alpine dealer or the nearest Alpine Service Centre for repair.
Product cleaning
- Use a soft dry cloth for periodic cleaning of the product. For more severe stains, please dampen the cloth with water only. Anything else has the chance of dissolving the paint or damaging the plastic.
Temperature
- Be sure the temperature inside the vehicle is between +45°C (+113°F) and 0°C (+32°F) before turning your unit on.
Moisture condensation
- You may notice the disc playback sound wavering due to condensation. If this happens, remove the disc from the player and wait about an hour for the moisture to evaporate.
Damaged disc
- Do not attempt to play cracked, warped, or damaged discs. Playing a bad disc could severely damage the playback mechanism.
Maintenance
- If you have problems, do not attempt to repair the unit yourself. Return it to your Alpine dealer or the nearest Alpine Service Station for servicing.
Never attempt the following

- Do not grip or pull out the disc while it is being pulled back into the player by the automatic reloading mechanism.
- Do not attempt to insert a disc into the unit when the unit power is off.
Inserting discs
Your player accepts only one disc at a time for playback. Do not attempt to load more than one disc. Make sure the label side is facing up when you insert the disc. “Disc error” will be displayed on your player if you insert a disc incorrectly. If “Disc error” continues to be displayed even though the disc has been inserted correctly, push the RESET switch with a pointed object such as a ballpoint pen. Playing a disc while driving on a very bumpy road may result in skips, but this will not scratch the disc or damage the player.
Irregularly shaped discs

Be sure to use round-shaped discs only for this unit and never use any specially shaped discs. The use of special shaped discs may cause damage to the mechanism.
New discs

To prevent the disc from jamming, “Disc error” is displayed if discs with irregular surfaces are inserted or if discs are inserted incorrectly. When a new disc is ejected immediately after initial loading, use your fi nger to feel around the inside of the center hole and the outside edge of the disc. If you feel any small bumps or irregularities, this could inhibit the proper loading of the disc. To remove the bumps, rub the inside edge of the hole and the outside edge of the disc with a ballpoint pen or other such instrument, then insert the disc again.
Installation location
Make sure that the system will not be installed in a location subject to
- Direct sun and heat
- High humidity and water
- Excessive dust
- Excessive vibrations
Correct handling

- Do not drop the disc while handling it. Hold the disc so you will not leave fingerprints on the surface. Do not affix tape, paper, or gummed labels to the disc. Do not write on the disc.
Disc cleaning

Fingerprints, dust, or soil on the surface of the disc could cause the DVD player to skip. For routine cleaning, wipe the playing surface with a clean, soft cloth from the center of the disc to the outer edge. If the surface is heavily soiled, dampen a clean, soft cloth in a solution of mild neutral detergent before cleaning the disc.
Disc-accessories
There are various accessories available on the market for protecting the disc surface and improving sound quality. However, most of them will influence the thickness and/or diameter of the disc. Using such accessories can cause operational problems.
Playable discs

DISPOSAL
Old appliances and/or batteries must not be disposed of with garbage! If the device/battery can not be used anymore, every user is legally obliged to dispose of old appliances and/or batteries separated from the garbage, e.g. at a collection point of his municipality/district.
Caliber hereby declares that the item RCD238DAB-BT is in compliance with the essential requirements and other relevant provisions of Directive 2014/53/EU (RED) and 2011/65/EU (ROHS).
The declaration form can be found at: https://calibereurope.com/nlmedia/forms/DeclarationRCD238DAB-BT.pdf
- WWW.CALIBEREUROPE.COM
- CALIBER EUROPE
- Kortakker 10 4264 AE Veen
- The Netherlands




















