puravent Panther SE12N 6-15 kW wall mounted fan heater

Ecodesign Regulation (EU) 2015/1188 concerning local space heaters does not apply to all application areas. The Regulation applies when an installation is intended to provide thermal comfort for people in the premises. The Regulation does not apply to heating installations of a more technical nature e.g. in engineering/utility rooms, in production processes, frost protection, etc. The Regulation also does not apply to installations in vehicles, offshore or outdoors. Many of Frisco’s products can be used as both local space heaters (as defined in (EU) 2015/1188) and for technical heating purposes. It is up to the installer responsible for the installation to assess whether the Ecodesign Regulation is applicable or not. Control solutions for installations not covered by the Ecodesign Regulation are listed in a separate table.
OVERVIEW

Accessories


Controls


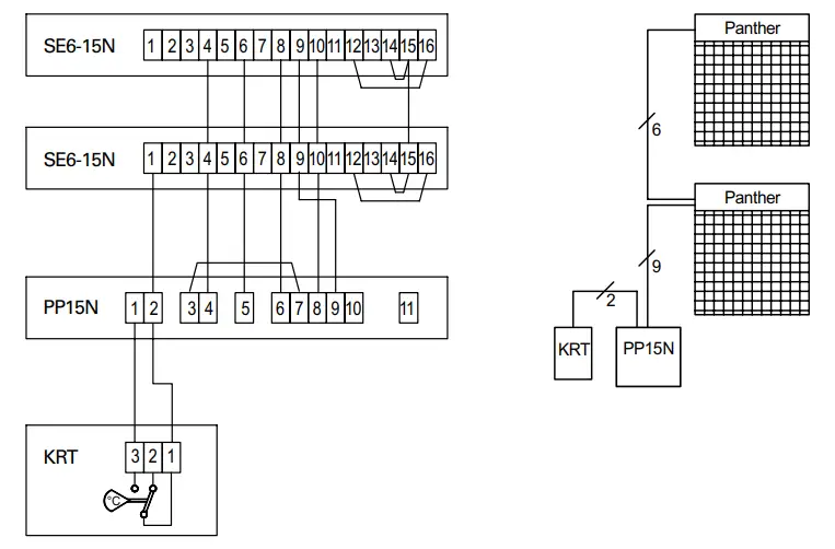
Controls for installations not covered by the Ecodesign Regulation (EU) 2015/1188


Technical specifications

- Conditions: Distance to the unit 3 meters. Directional factor: 2. Equivalent absorption area: 200 m2.
- 2) Δt = temperature rise of passing air at maximum heat output at lowest/highest air flow.
- 3) Can be connected to both 440V3~and 500V3~.
Protection class: IP44.
- CE is compliant.
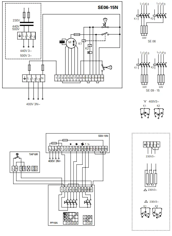
Internal wiring diagram

Note: Remove the two internal fuses 6.3A in the slave units.

Control options for installations not covered by the Ecodesign Regulation (EU) 2015/1188

Installation and operating instructions
General Instructions
Read these instructions carefully before installation and use. Keep this manual for future reference. The product may only be used as set out in the assembly and operating instructions. The guarantee is only valid if the product is used in the manner intended and in accordance with the instructions.
Application area
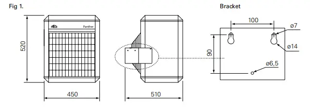
Panther 6-15 is a range of very quiet and efficient fan heaters for stationary use. They are intended for heating and drying in e.g. workshops, sports halls, shops, assembly rooms, and drying rooms. Protection class: IP44.
Mounting
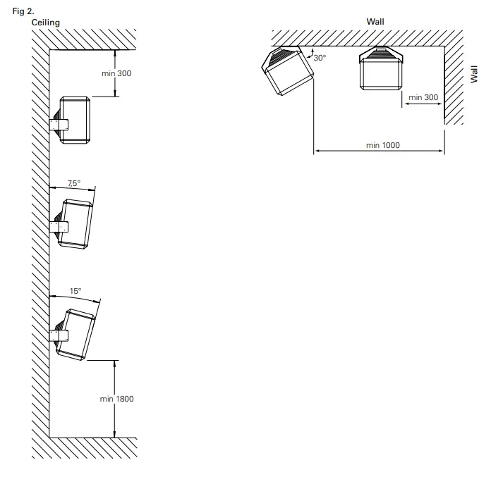
The fan heater is mounted on a wall with a bracket, which allows the direction of the air stream in several directions, straight ahead, to the left, to the right, and down.
Note: The minimum distances given in fig. 2 and 3 must be kept. The fan heaters must not be mounted on the ceiling.
- Lose the bracket from the appliance by unscrewing the bolts.
- Mark holes by means of the loose bracket.
- Drill holes for the fixing plugs.
- Mount the bracket.
- Mount the fan heater on the bracket and adjust the heater to desired vertical and horizontal angles.
- Screw the bottom bolt in and tighten all bolts.
Electrical installation
The electrical installation should be carried out by a qualified electrician in conformity with prevailing regulations. The appliance] should be preceded by an all-pole switch with at least 3 mm breaking gap. There are several ways to connect depending on the desired function. On delivery, the appliance is equipped with connections on the terminal block.
Factory setting

On delivery, the external thermostat controls heat on/off. In operation, fan and output steps are set on the control box PP15N. With a connection between terminals 14 and
15, the fan RPM will be controlled by the regulation and the heat by the thermostat. Without the connection, the thermostat will control both fan RPM and heat. When accessories are connected or when several heaters are connected to each other and controlled by a common accessory. Between terminals 1 and 13, a 230V~ alarm signal can be obtained. When the temperature limiter is triggered, the voltage will drop to zero. On delivery, the Panther 6 – 15 fan heaters are for 400V3N~. SE135N can be connected to both 440V3~ and 500V3~.

On the back of the appliance, there are knockouts. Cable-glands used must guarantee the protection class requirements! When several heaters are connected to each other and controlled by a common accessory it should be stated in the group center that “The fan heaters are fed from more than one group supply”.
Control
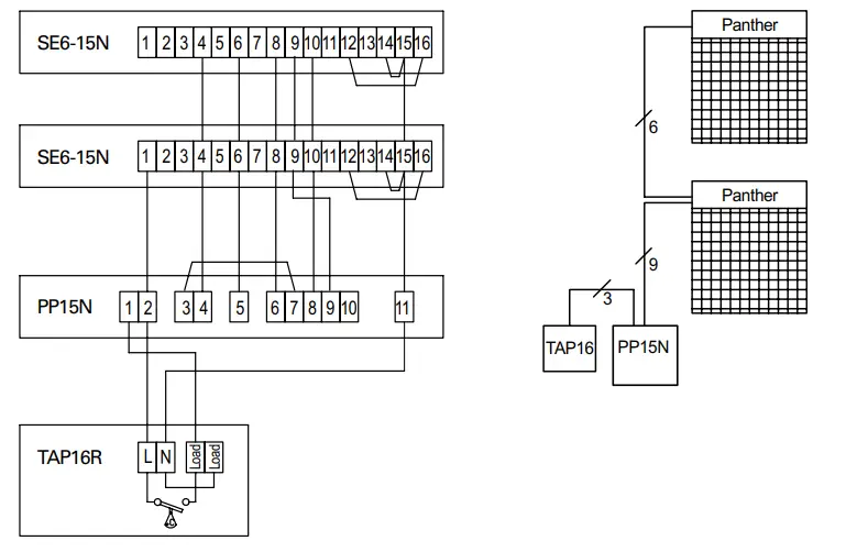
When using this product as a local space heater according to Eco-design Regulation (EU) 2015/1188, it must be supplemented with one of the following approved controls.
PP15N, control box and TAP16R, electronicthermostat that include:
- Electronic room temperature control plus
- week timer
- Room temperature control with open window detection
- Adaptive start control
The product can be controlled in a different way, e.g. by an overall control system (BMS), but in that case, the responsibility lies with the installer to ensure that the control system is programmed to make the installation meet the requirements of Ecodesign Regulation (EU) 2015/1188.
Start-up
When the unit is used for the first time or after a long period of disuse, smoke or odor may result from dust or dirt that has collected on the element. This is completely normal and disappears after a short time.
Overheating
If the temperature limiter has been triggered due to overheating, reset as follows:
- Disconnect the electricity with the all-pole switch.
- Investigate the matter and repair the fault.
- Reset by opening the lid and pushing the red button on top of the temperature limiter until a click sound is heard.
- Put on the lid and reconnect the heater.
Maintenance
- The motor and other components are maintenance-free. Dust and dirt may cause overheating and danger of fire. The appliance must therefore be cleaned regularly.
Residual current circuit breaker
When the installation is protected by means of a residual current circuit breaker, which trips when the appliance is connected, this may be due to moisture in the heating element. When an appliance containing a heater element has not been used for a long period or stored in a damp environment, moisture can enter the element. This should not be seen as a fault but is simply rectified by connecting the appliance to the main supply via a socket without a safety cut-out, so that the moisture can be eliminated from the element. The drying time can vary from a few hours to a few days. As a preventive measure, the unit should occasionally be run for a short time when it is not being used for extended periods of time.
Packaging
- Packaging materials are chosen with consideration to the environment and are therefore recyclable.
Handling of product at end of working life
This product may contain substances necessary for the functionality of the product but potentially dangerous for the environment. The product should not be disposed of mixed with general household waste but delivered to a designated collection point for environmental recycling. Please contact localauthority for further details of your nearest designated collection point. Recycling of used products saves earth’s resources and reducesglobal footprint.
Safety
- For all installations of electrically heated products should a residual current circuit breaker of 300 mA for fire protection be used?
- Keep the areas around the air intake and exhaust grilles free from possible obstructions!
- The unit must not be fully or partially covered with clothing, or similar materials, as overheating can result in a fire risk! (E)
- The unit must not be placed directly under fixed wall sockets!
- This appliance can be used by children] aged from 8 years and above and persons with reduced physical, sensory or]mental capabilities or lack of experience] and knowledge if they have been given supervision or instruction concerning use of the appliance in a safe way and understand the hazards involved. Children shall not play with the appliance. Cleaning and user maintenance shall not be made by children without supervision.
- Children of less than 3 years should be kept away unless continuously supervised.
- Children aged from 3 years and less than 8 years shall only switch on/off the appliance provided that it has been placed or installed in its intended normal operating
position and they have been given supervision or instruction concerning use of the appliance in a safe way andunderstand the hazards involved. - Children aged from 3 years and less than 8 years shall not plug in, regulate and clean the appliance or perform user maintenance.
CAUTION: Some parts of this product can become very hot and cause burns. Particular attention has to be given where children and vulnerable people are present.
Main office
- Frico AB Tel: +46 31 336 86 00
- Box 102
- SE-433 22 Partille [email protected]
- Sweden www.frico.se
For latest updated information and information about your local contact: www.frico.se


















