NOBLELIFT OPH01/01E Mobile Elevating Work Platform

WARNING
Do not use the elevating work platform before reading and understanding these operating instructions.
NOTE:
- Please check the designation of your present type at the last page of this document as well as on the ID-plate.
- Keep this manual for future reference.
This mobile elevating work platform can only b e used indoors.
FOREWORD
Before operating this mobile elevating work platform (MEWP) read this ORIGINAL INSTRUCTION MANUAL carefully and understand the usage of this truck completely. Improper operation could cause danger. This manual describes the operating instructions of different versions of the mobile elevating work platform. When operating and carrying out maintenance on this truck, make sure that the related description applies to your truck type.
Keep this manual for future reference. If warning/caution labels are damaged or get lost, please contact your local dealer for replacement.
ATTENTION:
- Environmentally hazardous waste, such as batteries, oil and electronics, will negatively affect the environment or human health, if handled incorrectly.
- The waste packages should be sorted and put into solid dustbins according to the materials and be collected and disposed of by local special environment protection bureau. To avoid pollution, it’s forbidden to throw away the wastes randomly.
- To avoid leaking during the use of the products, the user should prepare some absorbable materials (scraps of wooden or dry duster cloth) to absorb the leaking oil in time. To avoid second pollution to the environment, the used absorbable materials should be handed in to special departments in terms of local authorities.
- Our products are subject to ongoing developments. Because this manual is only for the purpose of operating /maintaining the MEWP, please have an understanding that there is no guarantee particular features are in this manual.
NOTE: The sign on the left indicates warning and hazard in this manual. Failure to comply with these instructions may result in death or serious injury.
Copyright
Copyright of these instructions remains with the company that is indicated on the CE- certificate at the end of this manual. For trucks sold within USA, copyright remains with the company that is indicated on the company sticker.
CORRECT USE AND APPLICATION
General
The mobile elevating work platform must be used, operated and serviced in accordance with this instruction manual. Any other type of application is considered improper use and may result in injuries to personnel or other property.
Correct application
The maximum loads are indicated on the capacity plate and must not be exceeded.
The following operations are in accordance with regulations and are permitted:
- Lifting and lowering by the operator on the operator platform.
- Transporting small items on the storage table.
- Travel with the platform raised or lowered.
- Travel in indoor areas.
- Travel on even ground.
- Order picking of goods.
- Maintenance work.
The following operations are prohibited:
- Pushing or pulling of loads.
- Travel on uneven ground.
- Travel in outdoor areas.
- Wind forces affect the operational stability of the MEWP.
The MEWP is intended only for indoor applications. If wind forces occur during an indoor application (e.g., if warehouse gates are opened), operation should be suspended until the wind forces have subsided.
Operation in areas open to the public
Risk of injury to third parties if the truck is operated in areas open to the public.
- If operated in areas open to the public, the MEWP must be driven and operated only by trained operators or drivers.
- If the situation becomes too confusing due to the presence of the public, the owner must instruct the public to allow space in order to avoid potential accidents. If necessary, the operator must work in cooperation with a coordinator who directs people away from the hazardous area and warns the operator if anyone is still present in the hazardous area.
- For the safety of third parties, the MEWP is equipped with lighting. The warning signal can be activated with the button.
- If one of these safety features is not functioning, take the MEWP out of service and do not use it until the fault safety feature has been repaired.
Approved application conditions
- Application in industrial and commercial environments.
- Operation only on paved level ground with sufficient load-bearing capacity.
- Do not exceed the permissible surface and spot load limits on the travel paths.
- Operation only on travel paths that are visible and approved by the operating company.
- The maximum tilt angle of work is up to 1.5°.
- Do not travel across or at an angle on inclines. Travel with the load facing uphill.
- Operation in areas partially open to the public with necessary precautions.
Operating the truck under extreme conditions can result in malfunctions and accidents.
- Special equipment and authorization are required if the MEWP is to be used in extreme conditions, especially in dusty or corrosive environments.
- Operation in explosive atmospheres is not permitted.
The MEWP must be used only in industrial and commercial environments. The truck must be parked and secured only in indoor areas.
- Permissible temperature range +5 °C to +25 °C.
- Secure parking is only permissible at +5 °C to +25 °C.
- Maximum air humidity 95% non-condensing.
- Do not charge the battery below +5 °C.
Proprietor responsibilities
For the purposes of this instruction manual, the “operating company” is defined as any natural or legal person who either uses the MEWP himself, or on whose behalf it is used. In special cases (e. g. leasing or renting), the operating company is considered to be the person who is to carry out the specified operational duties in accordance with existing contractual agreements between the owner and operator of the industrial truck. The operating company must ensure that the MEWP is used only for its intended purpose and that dangers to the health and safety of the operator and third parties are prevented. Furthermore, accident prevention regulations, safety regulations and operating, servicing and repair guidelines must be followed. The operating company must ensure that all operators have read and understood these instructions. Failure to comply with the operating instructions shall invalidate the warranty. The same applies if improper work is carried out on the truck by the operator or third parties without the permission of the manufacturer.
Adding attachments and/or optional equipment
The mounting or installation of additional equipment which affects or extends the functionality of the MEWP requires prior permission in writing from the manufacturer. Local-authority approval may also need to be obtained. Local authority approval cannot take the place of the manufacturer’s approval.
TRUCK DESCRIPTION
Application
The MEWP is a small items order-picker and is intended for operation on level ground. Small items can be placed and carried on the storage table. The low overall height and platform height allow it to be driven through doorways. The low net weight means that it can travel on lifts. The rated capacity is indicated on the identification plate or the Q max capacity sticker.
Main Components and Functional Description
Main Components Overview

| Item | Description | Item | Description |
| 1 | Left handle (steering) | 16 | Rear wheel |
| 2 | LCD screen | 17 | Reversing light |
| 3 | Main light button (optional) | 18 | Power disconnect switch |
| 4 | Storage table lifting/ lowering switch | 19 | Brake disengage switch |
| 5 | Emergency switch | 20 | Enable button |
| 6 | Side light button | 21 | Lifting switch |
| 7 | Pin-code panel | 22 | Lowering switch |
| 8 | Right handle (traveling) | 23 | Drive wheel |
| 9 | Operator platform doors | 24 | Charger |
| 10 | Storage table | 25 | Side light |
| 11 | Steering wheel | 26 | Emergency lowering control |
| 12 | Battery panel | 27 | Platform lifting/ lowering potentiometer |
| 13 | Warning light | 28 | Turtle speed switch |
| 14 | Main light (optional) | 29 | Horn button |
| 15 | Platform mat | 30 | Logic switch |
Functional Description
- Safety mechanisms
The operator on the platform is surrounded by a padded handrail to ensure the security of the operator. The two-hand operation (mechanical handles) allows secure operation. If one hand is released, the truck cannot work normally. Doors must always be kept closed when the operator platform is raised. The MEWP cannot be operated when the doors are opened. In the raised position, if the area under the operator platform is occupied (e.g. by an object or person), lowering is stopped.
- Emergency stop safety feature
- In hazardous situations, the emergency disconnect switch is used to deactivate all electrical functions.
- The MEWP brakes automatically
If the system detects that the required signals have not been received, or detects an error, the system responds with an emergency stop and brakes the MEWP until it stops or a valid signal status has been reached.
- Hydraulic system
Move the platform lifting potentiometer (27) in direction of lifting to start the pump unit and supply hydraulic oil from the oil tank to the lift cylinder. Move the lowering potentiometer (27) in direction of lowering to initiate platform lowering. Press the storage table lifting/ lowering switch to raise the storage table at a constant speed; press the lowering button to lower the load handler.
- OPH01E: The lifting of the platform is proportional and speed can be controlled, the lowering is not proportional and can’t be adjusted by an operator.
- OPH01: The lifting and lowering of the platform are proportional and can be controlled by an operator
- Operator platform
The MEWP is equipped with an operator platform. The travel functions are enabled only if the operator is standing on the operator platform holding both hands on the handles and the doors are closed.
- Drive system
Driving function is initiated by rotation of right handle, both hands of an operator must be located on handles and doors must be closed.
- OPH01E: The traction controller controls one AC motor for driving located in the front part of the MEWP in the middle position, the truck is equipped with two additional side wheels for better stability.
- OPH01: The traction controller controls two AC motors located at the back side of the truck. Two swivel castors are installed in the front part of MEWP
- Steering
Electric steering is operated via a rocker switch on the left handle. The steering control returns to neutral position when released.
- OPH01E: The steering is maintained through rotation of driving motor around its vertical axle. The steering DC motor is controlled by the steering controller
- OPH01: The steering is maintained through difference of rotating speed for left and right drive motors of the truck.
- Electrical system
The MEWP is equipped with electronic drive and lift control. The working voltage of the electrical system of the MEWP is 24 Volt.
- Controls and displays
Ergonomic control handles ensure sensitive application of driving, steering, lifting and lowering functions. The high-definition LCD display shows the important information for an operator, such as service hours, battery capacity, fault codes and alarms.
Technical Data

Table of main technical data for standard version
| Type sheet for industrial truck | ||||||
| Distinguishing mark | 1 | Manufacturer (abbreviation) | Noblelift | |||
| 2 | Manufacturer’s type designation | OPH 01 | OPH01E | |||
| 3 | Electrical system voltage | V | 24 | |||
| 4 | Load capacity | Platform | kg | 150 | ||
| Storage table | 90 | |||||
| Battery panel | 100 | |||||
| 5 | Service weight (incl. battery) | kg | 700 | 660 | ||
| 6 | Platform height (platform top edge to floor) | mm | 318 | |||
| Dimensions | 7 | Platform lift | mm | 3015 | ||
| 8 | Storage panel top edge to floor, min | mm | 1395 | |||
| Storage panel top edge to floor, max | mm | 4091 | ||||
| 9 | Overall height | mm | 4150 | |||
| 10 | Maximum height | mm | 5000 | |||
| 11 | Minimum height | mm | 1454 | |||
| 12 | Overall length | mm | 1470 | |||
| 13 | Overall width | mm | 750 | |||
| 14 | Wheels, number front/ rear (x=driven wheels) | 2x +2 | 1 x+2/2 | |||
| 15 | Rear wheel (d x w) | mm | 250 x 80 | 256 x 80 | ||
| Front wheel (d x w) | mm | 203 x 56 | 220 x 70 | |||
| Performance | 16 | Turning radius, min | mm | 1300 | ||
| 17 | Service brake | Regenerative | ||||
| 18 | Parking brake | Electric disengaged | ||||
| 19 | Gradeability, laden/unladen | % | 5/8 | |||
| 20 | Travel speed, laden/unladen | km/h | 5.5/5.5 | |||
| 21 | Lift speed, laden/unladen | m/s | 0.2/0.22 | |||
| 22 | Lowering speed, laden/unladen | m/s | 0.21/0.18 | |||
| Battery | 23 | Maintenance-free battery (5h discharge rate) | V/Ah | 24/200 | 24/106 | |
| Kg | 4×36 | 2×35 | ||||
| Energy consumption acc. to VDI cycle | kWh/h | 0.75 | 0.41 | |||
| 24 | Lithium battery (optional) | V/Ah | 24/60 | 24/60 | ||
| Kg | 17 | 17 | ||||
| 25 | Charger | Amp | 30 | 12 | ||
| Lithium battery charger (optional) | Amp | 25 | 15 | |||
| Motor | 26 | Drive motor power | kW | 0.5 | 0.65 | |
| 27 | Lift motor rating at S3 10% | kW | 2.2 | |||
| 28 | Storage panel lift motor power | kW | 0.8 | |||
| Addition data | 29 | Type of drive unit | AC | |
| 30 | Sound pressure level at driver’s seat | dB(A) | 69 |
Description of identification plate, safety and warning labels
Labels and description
Follow the instructions given on the labels and decals, keep them intact and legible. Replace if necessary.
Identification plate
| Designation | xxx | Manufacturer | xxx |
| Type | xxxxxx | Serial number | xxxxxxxxxx |
| Number of operator | x | Manufacture date | xx/xxxx |
| Maximum permitted inclination angle at low position | x | Maximum permitted inclination angle at high position | x |
| Rated capacity (Q2) | xxx | Load capacity at low position (Q3) | xxx |
| Weight of 1person, max. (Q1) | xxx | Maximum permitted wind speed | x |
| Maximum permitted manual force | xxx | ||
| Rated voltage | xx | Drive unit power | xxx |
| Net weight w/o. battery | xxx | Battery mass, min./ max. | xx/xx |
| xxxxxxxxxxxxx xxxxxxxxxx xxxxx | ![]() | ||
The identification plate layout and content are subject to the label that posted on the truck.
COMMISSIONING, TRANSPORT, DECOMMISSIONING
Using the truck for the first time
After receiving the new MEWP or re-commissioning, please perform the following steps before (firstly) operating the truck:
- Check if all parts are included and without damage.
- Check the battery installation and charge status (see chapter 6).
- Carry out the daily inspections as well as functional checks (see chapter 4).
Lifting by crane and transportation
For transportation, remove the load, lower the platform to the proper position and fasten the MEWP safely with dedicated crane or hoisting equipment.
Lifting by crane

- USE DEDICATED CRANE AND LIFTING EQUIPMENT.
- DO NOT STAND UNDER SWAYING LOADS.
- DO NOT WALK INTO A HAZARDOUS AREA DURING LIFTING.
Transportation
- ALWAYS FASTEN THE MEWP SECURELY DURING THE TRANSPORTATION ON A LORRY OR TRUCK.
Lower the platform and park the MEWP securely. Fasten the MEWP according to the figure on the right: fix dedicated lashing belts to chassis, and fasten the other side at the transporting lorry. Secure the wheel with wedge block (31) to prevent slippage.
DAILY INSPECTION
This chapter describes the checks and inspections to be performed before starting daily operation. Daily inspection is effective to discover the malfunctions or defects of this MEWP. Carry out the following checks before operation. Lower the platform and remove the load from the MEWP.
- IF ANY MALFUNCTIONS ARE FOUND ON THIS MEWP, IT MUST BE TAKEN OUT OF SERVICE.
- Check for deformation or cracks.
- Check if there is any oil leakage from the cylinders.
- Check the truck status of driving in its longitudinal direction, check steering functions.
- Check the wheels for freedom of movement.
- Check the function of the emergency braking by activating the emergency switch.
- Check the braking function after releasing the handle.
- Check the lifting and lowering functions by operating the buttons.
- Check if all bolts and nuts are tightened firmly.
- Visually check if there are any broken oil hoses or electric wires.
TRUCK OPERATION
Safety regulations for the operation of MEWP
Driver authorization
The MEWP must be used only by suitably trained personnel, who have the ability to drive and handle loads and have been expressly authorized to operate the MEWP. National regulations must also be followed where applicable. A driver’s license may be required. Wind forces affect the operational stability of the MEWP. The MEWP is intended only for indoor applications. If wind forces occur during an indoor application (e.g. if warehouse gates are opened), operation should be suspended until the wind forces have subsided.
Operator’s rights, obligations and responsibilities
The operator must be informed of his duties and responsibilities and be instructed in the operation of the MEWP, and must be familiar with the content of these operating instructions.
Unauthorized use
The operator is responsible for the MEWP in use. The operator must prevent unauthorized personnel from driving or operating the MEWP. No one (except the operator) must be lifted or carried onto the MEWP.
Damage and faults
The operator must inform the supervisor immediately of any damages or faults in the MEWP. An MEWP which is unsafe for operation (e.g. due to worn wheels or fault brakes) must not be used until it has been correctly repaired.
Repairs
The operator must not carry out any repairs or modifications to the MEWP without authorization or necessary training. The operator must never disable or adjust safety mechanisms or switches.
Hazardous area
- Danger of accident/ injury in the hazardous area around the MEWP.
The hazardous area is the area in which people can be endangered by the travelling or lifting movements of the MEWP. This also includes the area within range of falling loads or lowering/falling operating equipment.
- Instruct unauthorized personnel to leave the hazardous area.
- In case of danger to third parties, give a warning signal in time.
- If unauthorized personnel are still within the hazardous area despite being requested to leave, stop the MEWP immediately.
Safety devices, warning signs and warning instructions
Safety devices, warning signs and warning instructions in this instruction manual must be strictly observed.
- Removing or disabling safety devices can cause accidents.
Removing or disabling safety devices such as the emergency switch, key switch, buttons, horn, blue-ray light, sensors, panels, etc. can result in accidents and injuries.
- Report any defects immediately to your supervisor.
- Identify the faulty MEWP and take out of service.
- Do not return the MEWP to service until the fault is identified and rectified.
Displays and controls

| Item | Description | Function |
| 1 | Left handle | Steering |
| 2 | LCD screen | Display |
| 3 | Main light button (optional) | Turn on/ off the main light |
| 4 | Lifting/ lowering switch | Lift/ lower the storage table |
| 5 | Emergency switch | Disconnects main current circuit from battery |
| 6 | Side light button | Turn on/off the side light |
| 7 | Pin-code panel | Activate MEWP by pin-code access |
| 8 | Right handle | Traveling |
| 27 | Lifting/ lowering potentiometer | Lift/ lower the platform |
| 28 | Turtle speed switch | Switch on/ off the slow speed mode |
| 29 | Horn button | Audible warning |
| 30 | Mechanical switch | Safety function design |
The MEWP is in operation
Checks and operations to be performed before starting daily work
- Damage or other defects in the MEWP can result in accidents.
If damage or other defects are discovered in the MEWP during the following checks, it must be taken out of service until it has been properly repaired.
- Report any defects immediately to your supervisor.
- Identify the faulty MEWP and take out of service.
- Do not return the MEWP to service until you have identified and repaired the fault.
Inspection before daily operation
- Check the entire MEWP from the outside for damage and leaks.
- Check the drive wheel and load wheels for damage.
Check the markings and labels for completeness and legibility, see chapter 2.
- Make sure panels are secure and check them for damage.
- Check the lifting and lowering functions from the second operator panel – the emergency control panel.
- Check the safety functions.
Preparing the truck for operation
For a correct start, do not place hands on the operating handles when switching on. The operating handles may only be used after the MEWP has started successfully and ran through self-diagnostics.
Switch on the MEWP
Perform checks and operations before starting daily work.

Checks and operations to be carried out when the truck is operational
- Damage or other defects in the MEWP can result in accidents.
If damage or other defects are discovered in the MEWP during the following checks, it must be taken out of service until it has been properly repaired.
- Report any defects immediately to your supervisor.
- Identify the faulty MEWP and take out of service.
- Put it back into service only after the fault has been identified and repaired.
Test warning indicators and safety devices:
- Test the emergency switch function by pressing it. The main circuit is disconnected and no truck movements can be performed.
- Test the horn by pressing the “horn” button.
- Check the braking efficiency.
- Test the steering.
- Do a function test of the hydraulic system.
- Test the travel functions.
Test the controls and displays and check for damage.
Parking the MEWP securely
- Risk of accident due to unsecured MEWP
- It is forbidden to leave the MEWP when unsecured.
- Park the MEWP securely when leaving it.
- If the operator leaves the MEWP only for a brief time, activate the emergency switch.
- Risk of accident due to unsecured MEWP
- It is forbidden to park the MEWP on a slope or incline.
- Place the MEWP on a level ground. In special cases, secure the MEWP with wedges.
- If the brakes do not work, place wedges under the wheels of the truck to prevent it from moving.
Procedure of parking the MEWP securely
- Park the MEWP on a level surface.
- Fully lower the working platform:
- Press the “lowering potentiometer” (27) to lower the operator platform.
- Operate the handle (8) for travelling to turn the MEWP to “straight-ahead travel”.
- Switch off the MEWP:
- Turn off the pin-code panel (7).
- Press the emergency switch (5).
- Open the doors (9).
- Leave the operator platform (32).
- Close the doors (9).
- Press the power disconnect switch (18). The MEWP is parked securely.
Working with the MEWP
Safety regulations for truck operation
Travel routes and work areas
Only use lanes and routes specifically designated for truck traffic. Unauthorized third parties must stay away from work areas. Loads must only be stored in places specially designated for this purpose. The MEWP must be operated only in work areas with sufficient lighting, in order to avoid danger to personnel and materials. Additional optional equipment is necessary if the MEWP is operated in areas with insufficient lighting. Operation is permitted only in enclosed areas.
- Do not exceed the permissible surface and point loading on the travel lanes. At blind spots get a second person to assist. Driver must ensure that the loading dock cannot be removed or come loose in loading/unloading.
Conduct while travelling
The operator must adapt the travel speed to local conditions. The operator must drive slowly when passing through bends or narrow passageways, swing doors and blind spots. The operator must always keep a safe braking distance from any vehicle in front, and must be in control of the working platform at all times. Abrupt stopping (except in emergencies), rapid U turns and overtaking at dangerous or blind spots are not permitted. It is forbidden to lean out or reach out while travelling out of the working and operating area.
Tilt sensors
Tilt sensors are active over a platform height of 500mm, which prevents the MEWP from tipping over when travelling on inclined surfaces. At inclination angles over 1.5°, travel and lifting are shut off. The operator platform must then be lowered. The MEWP can then be shunted out of the hazard area.
Travel visibility
The operator must look in the travel direction and always have a clear view of the route ahead. If carrying loads that affect visibility, the MEWP must travel against the load direction. If this is not possible, a second person must walk alongside the MEWP to observe the travel path while maintaining contact with the operator. Travel only at slow speed and with particular caution. Stop the MEWP immediately if contact with a second person is lost.
Traveling on slopes and inclines
Do not travel on slopes and inclines up to 8%. The slopes or inclines must be clean and non-slip. The truck must always be driven with the load facing uphill. It is forbidden to turn, drive at an oblique angle, or park the MEWP on inclines or slopes. When traveling on inclines, the driver must only drive the truck at slow speed and be ready to brake at any moment.
Entering the lifts
Access to this MEWP is only permitted if the lifts have sufficient capacity, are suitable for driving on and authorized. When entering lifts, the MEWP must have the load in front and must take up a position which does not allow it to come into contact with the walls of the lifts.
Type of loads to be carried
Loads must always be positioned safely and carefully. Use suitable precautions to prevent parts of the load from tipping or falling down. Prevent liquid loads from sloshing out.
- Electromagnetic influence can result in accidents Strong magnets can cause electronic components such as Hall sensors to become damaged, resulting in accidents.
- Do not use magnets in the operating area of the truck.
- Risk of injury from falling parts
- Objects may fall if carried on the storage table.
- Secure objects on the storage table against falling by using a container and/or fixtures.
- Do not exceed the permissible load of the storage table.
- Loose objects may not be carried on the operator platform.
Two-hand operation
Only two-hand operation can trigger traveling, lifting and lowering movement.
How to act in hazardous situations
- If the MEWP is in danger of tipping over or falling off a loading ramp, proceed as follows:
- Abandon the truck.
Avoid steering operations when traveling on a loading ramp.
Emergency disconnect
- Maximum braking can cause accidents Operating the emergency switch during travel will bring the MEWP to a halt with maximum braking force, which can cause the load to slide. There is a higher risk of accidents and injury.
- Do not use the emergency switch as a service brake.
- When traveling, only use the emergency switch in the event of danger.
- Faulty or non-accessible emergency switches can cause accidents In dangerous situations, the operator cannot bring the MEWP to a halt in time by applying the emergency switch.
- Operation of the emergency switch must not be obstructed by objects placed in its way.
- Report any defects on the emergency switch immediately to your supervisor.
- Identify the faulty MEWP and take out of service.
- Put into service only after the fault has been repaired.

Press the emergency switch (5). All main electrical functions are deactivated. The MEWP is braked to a halt. Turn the emergency switch (5) to unlock it. Enter the access code via the pin-code panel (7). All electrical functions are switched on and the MEWP is operational again (on condition that the MEWP was operational before emergency switch was pressed).
Emergency control
- Emergency lowering must only be performed by trained personnel.
- Maintain sufficient clearance between the working platform and battery panel during operation.
- Note the shearing and crushing points under the operator platform before fully lowering.
The emergency control is used for operation in an emergency and for the daily function test/ safety test.
Emergency control-disengaging the brake (only for OPH01)
Requirements:
- There is an emergency situation.
- The MEWP is standing on level ground.
- The MEWP is secured to prevent rolling.
- The MEWP is lowered.
- No one is on the MEWP or in the hazardous area.
Press the “P” – brake disengaging button (19). The brake is disengaged. After moving the MEWP, press the “P” button“ (19) again.
Emergency control – switchover
In emergency situations, the MEWP can be switched to emergency control mode by activating the enable button. Then the platform lifting/ lowering potentiometer of the MEWP is enabled.
Requirements:
- Daily maintenance.
- Function test and safety test.

Press the enable button (20) and hold it, to cut off all functional switches on the operator platform. Press “lifting switch” button (21) or “lowering switch” button (22)
to lift or lower the operator platform.
Emergency lowering
- Emergency lowering must only be performed by trained personnel.
- Maintain sufficient clearance between the working platform and battery panel during operation.
- Note the shearing and crushing points under the operator platform before fully lowering.
The operator platform can be lowered by emergency lowering control even if the electronics have failed.
Requirements
- There is an emergency situation.
- The MEWP is parked securely.
- The platform cannot be lowered with the emergency control.

Pull the emergency lowering control (26). The operator platform lowers slowly.
Traveling
- Travel on inclines only with the load facing uphill. Do not travel on inclines more than the specified technical data.
Step onto the operator platform (32). Hold onto the mechanical switch (30) on the handles (1 and 8). Rotate the right handle for traveling (8) to move the truck to the desired travel direction: forward or backward. When the handle is released, it automatically returns to the neutral position. Control the travel speed by rotating the right handle.
Changing direction during travel
- Danger when changing direction during travel Changing direction during travel causes the truck to decelerate sharply. When the truck changes direction, it can start traveling at high speed in the opposite direction unless the travel switch is released in time.
- After setting off in the opposite direction, apply the travel switch gently or not at all.
- Do not perform any sudden steering operations.
- Always face in the direction of travel.
- Maintain an adequate overview of the route you are traveling.
Gently rotate the right handle (8) to the opposite direction while traveling. The MEWP decelerates until it starts to travel in the opposite direction.
Steering
Turn the right handle for steering (1) to the left or right. The MEWP is steered in the desired direction. After the right handle reaches its maximum travel, the MEWP will rotate around itself.
Brakes
Accident risk
The brake pattern of the MEWP depends largely on the conditions on the travel lane.
- The operator must take into account the travel lane conditions when braking.
- Brake the MEWP carefully to prevent the load from slipping.
- In normal operation, brake the MEWP only with the service brake.
Press the emergency switch to brake the truck in emergencies.
Braking with the coasting brake
When the right handle for traveling (8) is set to “0” position, the MEWP is braked regeneratively. The MEWP is braked to a halt regeneratively by the coasting brake.
Inversion braking
While travelling, set the right handle for traveling (8) in the opposite travel direction. The MEWP is braked by counter-current until it starts to move in the opposite direction.
Parking brake
The mechanical brake applies automatically when the truck comes to rest.
Lifting or lowering of the operator platform
Risk of injury from falling parts Objects may fall if carried on the storage table.- Secure objects on the storage table against falling by using a container and/or fixtures.
- Do not load exceed the capacity of the storage table.
- Loose objects can not be carried on the operator platform.
Lifting the operator platform
Requirements
- The MEWP is ready to be operated.
- Both hands are on the handles.
- Make sure that there is sufficient upward room.
Press the lifting potentiometer (27). The operator platform is lifted.
Lowering the operator platform
Requirements
- The MEWP is ready to be operated.
- Both hands are on the handles.
- Constant checking to ensure that no one is under the platform. Press the lowering potentiometer (27).
The operator platform is lowered.
Lifting or lowering the storage table
- Risk of injury from falling parts Objects may fall if carried on the storage table.
- Secure the objects on the storage table against falling by using a container and/or fixtures.
- Do not load exceed the capacity of the storage table.
- Loose objects may not be carried on the storage table.
Lifting the storage table
Requirements
- Both hands are on the handles.
- Ensure that the truck is working normally.

Press the lifting switch (4). The storage table is lifted.
Lowering the storage table
Requirements
- Both hands are on the handles.
- Ensure that the truck is working normally.
Press the lowering switch (4). The storage table is lowered.
Pin-code lock
ONLY TRAINED PERSONNEL CAN OPERATE THIS MEWP, AND PLEASE FOLLOW THE WARNINGS AND SAFETY INSTRUCTIONS OF THIS MANUAL.
- Untrained personnel are not allowed to operate and drive this MEWP. Carrying or transporting people is not allowed. Stop operating and report to your superior immediately if any damages or defects are found. Do not carry out any repairs or modifications to the MEWP without authorization or training.
Setting the pin-code lock
The truck is delivered with the access code “1234”, which should be changed after starting the truck for the first time. The new access code should not be the same as the administrator code. Please consult your local dealer or call the service for the administrator code. This pin-code lock supports additional RFID cards, access code input, access code modification and access code reset.
Register additional ID cards: in standby mode, correctly enter the administrator code, press “√” key, the yellow indicator flashes, then enter “3” and press “√” key, the yellow indicator continues flashing and tiller enters the mode of registering additional ID card. At this time, put the additional ID card close to the pin-code lock and take it away. Press “×” key, the yellow indicator is off and the tiller exits the mode of registering additional ID card, or wait for 5 seconds after the card is successfully registered, then the tiller will exit the current mode automatically.
Access code input: in standby mode, correctly enter the administrator code, press “√” key, the yellow light flashes, and then enter “1” and press “√” key, the yellow indicator continues flashing to enter the access code input mode. At this time, enter a 4-digit-code and press “√” key, the access code input is successfully done if the buzzer rings once. Pin-code lock can support up to 10 sets of access code. After inputting 10 sets of access code, the newly entered access code will be overwritten in sequence, please save the access code that have been input/set.
Access code modification: in standby mode, correctly enter the administrator code and press “√” key, the yellow indicator starts flashing. Then enter “2” and press “√” key, the yellow indicator continues flashing and the tiller enters the access code modification mode. Enter the initial access code and press “√” key, the buzzer rings once. Then enter new access code and press “√” key, the buzzer will ring once, the yellow indicator will be off and the access code is modified.
Password reset: in standby mode, correctly enter the administrator code and press “√” key, the yellow indicator starts flashing, and then enter “0”, the buzzer rings once, which indicates that all access code set by users are cleared and reset as original access code “1234”.
As shown in the figure above, the four indicators on the pin-code lock are green indicator (power), blue indicator (working), yellow indicator (waiting) and red indicator (error).
Troubleshooting
| TROUBLE | CAUSE | REMEDY |
| The MEWP does not move | Battery connector is not well-connected. | Check the battery connector and connect it well if necessary. |
| Emergency switch is activated/ pressed. | Unlock the emergency switch. | |
| Pin-code lock is not activated. | Activated the pin-code lock. | |
| Battery charge is too low. | Check the battery charge, charge the battery as required. | |
| Fuse is defective. | Check the fuse, replace if necessary. | |
| Interlock switch of tiller is defective. | Check the function of the tiller. | |
| The MEWP travels slowly | Battery charge is less than 10%. | Charge the battery. |
| Turtle speed switch is activated. | Deactivate the turtle speed switch. | |
| Operator platform is lifted above 500mm. | Lower the operator platform below 500mm. | |
| Load cannot be lifted | Excessive load. | Lift the load marked on the ID plate. |
| Battery charge is less than10%. | Charge the battery. | |
| Faulty lifting fuse. | Check the lifting fuse, replace if necessary. | |
| Insufficient oil. | Check and refill the hydraulic oil. | |
| Oil leakage in lifting hydraulic circuit. | Check oil hoses and/or sealing of cylinder. | |
| Proximity switch under the platform is not activated or damaged. | Adjust the position of proximity switch, replace if necessary. | |
| Drive wheel slides | Stains on the floor. | Clean the floor. |
| Potholes in the floor. | Remove trailer and drive out of pothole. |
If the above remedial actions are carried out and the MEWP cannot be restored to operational condition, please contact the local dealers or manufacturer’s service for further troubleshooting. In order to respond quickly and specifically to the fault, please offer the the following essential information to the local dealers or manufacturer’s service:
- Serial number of the MEWP
- Fault code on the display screen (if present)
- Error description
- Current location of the MEWP
- Your contact information.
Battery – Servicing, Recharging, Display, Replacement
Safety Regulations
Maintenance personnel
Batteries may only be charged, serviced or replaced by trained personnel. These operating instructions and the manufacturer’s instructions concerning batteries and charging stations must be observed when carrying out the work. Work on the battery, installation and removal must be performed only by service people.
Fire protection
Do not smoke and avoid naked flames when handling batteries. When the MEWP is parked for charging there must be no inflammable material or operating equipment that causes sparks within a distance of at least 2 m in the surrounding area. The room must be ventilated. Fire protection equipment must be available.
- The use of unsuitable fire-protection equipment can result in acid burns. In the event of fire, a reaction with the battery acid can occur if water is used to extinguish the fire, which may lead to acid burns.
- Use powder extinguishers.
- Never extinguish the burning batteries with water.
- Short circuits can result in fire. Damaged battery connections can cause short circuits which can then set fire to the MEWP and the battery.
- Before closing the battery panel, make sure that the battery connections are not damaged.
- Report any defects immediately to your supervisor.
- Identify a faulty MEWP and take out of service.
- Put the MEWP back into service only after the fault is identified and rectified.
Battery disposal
Batteries may only be disposed of in accordance with national regulations. The manufacturer’s disposal instructions must be observed.
General notes on handling batteries
- Risk of accidents and injuries when handling batteries Batteries contain dissolved acid which is toxic and caustic. Avoid physical contact with battery acid.
- Dispose of used battery acid in accordance with regulations.
- Always wear protective clothing and goggles when working with batteries.
- Do not let battery acid come into contact with skin, clothing or eyes. If necessary, rinse with plenty of clean water.
- In the event of physical injury (e.g. skin/ eye contact with battery acid), go to a doctor immediately.
- Spilled battery acid should be neutralized immediately with plenty of water.
- Follow national guidelines and legislation.
- The use of unsuitable batteries not approved by the manufacturer for the MEWP can be hazardous. The design, weight and dimensions of the battery have a considerable effect on the operational safety of the MEWP, and especially its operational stability and capacity. The use of unsuitable batteries not approved by the manufacturer for the MEWP can lead to a deterioration of the braking characteristics of the MEWP during energy recovery, causing damage to the electric controller and resulting in serious danger to the health and safety of individuals.
- Use only batteries approved by the manufacturer for the MEWP.
- Battery equipment may only be replaced with the agreement of the manufacturer.
- When replacing/ installing the battery, make sure the battery is securely located in the battery compartment of the MEWP.
- Do not use batteries that have not been approved by the manufacturer.
Before carrying out any work on the batteries, park the truck securely.
Battery type
For standard batteries, this MEWP installs the following batteries:
- OPH01E:
12V/ 80Ah maintenance-free batteries (2pcs), or 24V/60Ah lithium battery (1pc) - OPH01:
6V/ 180Ah/200Ah maintenance-free batteries (4pcs), or 24V/60Ah lithium battery (1pc) - THE WEIGHT OF BATTERY AFFECTS OPERATION OF THE TRUCK. PLEASE CONSIDER THE MAXIMUM OPERATING TEMPERATURE OF THE BATTERIES.
Charging
- Charge the MEWP only with the attached charger.
- Fully understand the instructions of the charger manual before attempting to use the charger.
- The room for charging the battery must be ventilated.
- The fully-charged status can be only checked from the BDI (battery discharge indicator). To control the status, the charging must be interrupted and the truck must be started.
Park the MEWP at a dedicated and secured area with power supply. Lower the operator platform and remove the load. Switch off the MEWP, connect the charger to the power supply. The charger starts to charge the battery. When charging is completed, remove the charger from the power socket and put the charger in the specified place.
Display screen
D28C is a on-board color screen display based on CAN communication, which can display information such as working time, battery charge, fault code, steering angle and real-time status of switches, etc.
The main interface of the display is shown in the figure above.
- Hour meter: the number indicates the current working time in hours of the MEWP.
- Battery indicator: the number under the battery icon indicates the current battery charge in %.
- Fault code: the code indicates the current error/ fault.
- Running mode and truck speed: indicates the running mode and the current speed in km/h.
- Switch status: indicates the current state of handle (the red handle shows the untriggered state), the state of the height sensor (SH) (OFF shows the untriggered state), and the guardrail induction switch state (the red guardrail shows the untriggered state).
- Wheel steering angle: The angle data in yellow indicates the current wheel steering angle.
Battery removal and installation
Work on the battery, installation and removal must be performed only by service people.
REGULAR MAINTENANCE
- Maintenance must only be carried out by qualified and trained personnel.
- Remove the load and lower the platform to the lowest position before maintenance.
- To lift this MEWP, follow chapter 3 by using designated lashing straps or jacking equipment. Before that, put safety devices (for instance, designated lift jacks, wedges or wooden blocks) under the truck to protect against accidental lowering, movement or slipping.
- Only use the original spare parts approved and released from your dealer.
- Please consider that oil leakage of hydraulic fluid can cause failures and accidents.
- Only trained service technicians are allowed to adjust the pressure valve.
If you need to replace the wheel, follow the instructions above. Casters must be round and must not have excessive abrasion. Check out the priority items in the maintenance checklist.
Maintenance checklist
| Interval (month) | |||||
| 1 | 3 | 6 | 12 | ||
| Hydraulic system | |||||
| 1 | Check the hydraulic cylinder, piston for damage noise and leakage | · | |||
| 2 | Check the hydraulic joints and hoses for damage and leakage | · | |||
| 3 | Check the hydraulic oil level, refill if necessary | · | |||
| 4 | Refill the hydraulic oil (12 month or 1500 working hours) | · | |||
| 5 | Check and adjust the function of the pressure valve (235kg +0/+10%) | · | |||
| Mechanical system | |||||
| 6 | Check the storage table for deformation and cracks | · | |||
| 7 | Check the chassis for deformation and cracks | · | |||
| 8 | Check if all screws are fixed | · | |||
| 9 | Check aluminum profile for deformation or damages | · | |||
| 10 | Check the gearbox for noise and leakage | · | |||
| 11 | Check the wheels for deformation and damages | · | |||
| 12 | Lubricate the steering bearing | · | |||
| 13 | Check and lubricate the pivot points | · | |||
| 14 | Lubricate the grease nipples | · | |||
| Electric system | |||||
| 15 | Inspect the electric wiring for damage | · | |||
| 16 | Check the electric connectors and terminals | · | |||
| 17 | Test the Emergency switch function | · | |||
| 18 | Check the electric drive motor for noise and damages | · | |||
| 19 | Test the display | · | |||
| 20 | Check if correct fuses are used | · | |||
| 21 | Test the audio warning signal | · | |||
| 22 | Check the contactors | · | |||
| 23 | Check the frame fault (insulation test) | · | |||
| 24 | Check function and wear of the accelerator | · | |||
| 25 | Check the electrical system of the drive motor | · | |||
| Braking system | |||||
| 26 | Check brake performance, replace brake disc or adjust air gap if necessary | · | |||
| Battery | |||||
| 27 | Check the battery voltage | · | |||
| 28 | Check for corrosion or damage, clean and grease the terminals | · | |||
| 29 | Check the battery housing for damages | · | |||
| 30 | Check the lead-acid battery and add distilled water if necessary | · | |||
| Charger | |||||
| 31 | Check the main power cable for damages | · | |||
| 32 | Check the fail-safe protection during charging | · | |||
| Function | |||||
| 33 | Check the horn function | · | |||
| 34 | Check the air gap of the electromagnetic valve | · | |||
| 35 | Test the emergency braking | · | |||
| 36 | Test the reverse and regenerative braking | · | |||
| 37 | Test the travel switch function | · | |||
| 38 | Check the lifting and lowering function | · | |||
| 39 | Check the buttons on the tiller | · | |||
| 40 | Test the function of safety switches of handles | · | |||
| General | |||||
| 41 | Check if all decals are legible and complete | · | |||
| 42 | Check the casters and adjust the height, replace if worn | · | |||
| 43 | Carry out a test run | · | |||
Lubricating points
Lubricate the marked points according to the maintenance checklist. The required grease specification is: DIN 51825, standard grease.

- 31. Bearing of caster
- 32. Gearbox
- 33. Bearing of chain roller of the mast
- 34. Bearing of storage table
Check and refill hydraulic oil
The following table shows the required hydraulic oil type to be used in accordance with the temperature:
| Ambient temperature | –5℃~25℃ | >25℃ |
| Hydraulic oil type | HVLP 32, DIN 51524 | HLP 46, DIN 51524 |
| Viscosity | 28.8-35.2 | 41.4 – 47 |
| Oil volume | 2.5L | |
Waste material like used oil, waste batteries or others must be properly disposed and recycled according to the national regulations and bring the material to a recycling company if necessary. The oil level should not fall below the minimum amount (required amount to start the truck). Fill oil until the oil level reaches the filling point if necessary.
Check the electrical fuses
Remove the main cover. The fuses are located as shown in the following figure. Check the table below for the fuse specifications.
Table of fuse specifications
| Specification | |
| Fuse 1 | 200A |
| Fuse 2 | 60A |
| Fuse 3 | 30A |
| Fuse 01 | 10A |
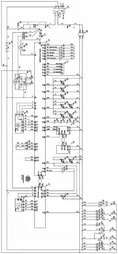
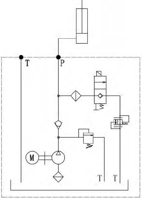
WIRING/ CIRCUIT DIAGRAM
Electrical circuit diagram

Hydraulic circuit diagram



FOR US- AMERICAN MARKET
The content in this chapter is specialized for the US-American market.
Technical data for US market
Main technical data for standard version (US market)
| Type sheet for industrial truck | ||||||
| Distinguishing mark | 1 | Manufacturer (abbreviation) | Noblelift | |||
| 2 | Manufacturer’s type designation | OPH 01 | OPH01E | |||
| 3 | Electrical system voltage | V | 24 | |||
| 4 | Load capacity | Platform | lbs | 330 | ||
| Storage table | 198 | |||||
| Battery panel | 220 | |||||
| 5 | Service weight (incl. battery) | lbs | 1540 | 1452 | ||
| 6 | Platform height (platform top edge to floor) | in | 12.5 | |||
| Dimensions | 7 | Platform lift | in | 118.7 | ||
| 8 | Storage panel top edge to floor, min | in | 54.9 | |||
| Storage panel top edge to floor, max | in | 161.1 | ||||
| 9 | Overall height | in | 163.4 | |||
| 10 | Maximum height | in | 196.9 | |||
| 11 | Minimum height | in | 57.2 | |||
| 12 | Overall length | in | 57.9 | |||
| 13 | Overall width | in | 29.5 | |||
| 14 | Wheels, number front/ rear (x=driven wheels) | 2x +2 | 1 x+2/2 | |||
| 15 | Rear wheel (d x w) | in | 9.8 x 3.1 | 10.1 x 3.1 | ||
| Front wheel (d x w) | in | 8.0 x 56 | 8.7 x 70 | |||
| Performance | 16 | Turning radius, min | in | 51.2 | ||
| 17 | Service brake | Regenerative | ||||
| 18 | Parking brake | Electric disengaged | ||||
| 19 | Gradeability, laden/unladen | % | 5/8 | |||
| 20 | Travel speed, laden/unladen | mph | 3.42/3.42 | |||
| 21 | Lift speed, laden/unladen | fpm | 39.4/43.3 | |||
| 22 | Lowering speed, laden/unladen | fpm | 41.3/35.4 | |||
| Battery | 23 | Maintenance-free battery (5h discharge rate) | V/Ah | 24/200 | 24/106 | |
| lbs | 4×79.2 | 2×77 | ||||
| Energy consumption acc. to VDI cycle | kWh/h | 0.75 | 0.41 | |||
| 24 | Lithium battery (optional) | V/Ah | 24/60 | 24/60 | |
| lbs | 37.4 | 37.4 | |||
| 25 | Charger | Amp | 30 | 12 | |
| Lithium battery charger (optional) | Amp | 25 | 25 | ||
| Motor | 26 | Drive motor power | HP | 0.68 | 0.88 |
| 27 | Lift motor rating at S3 10% | HP | 2.99 | ||
| 28 | Storage panel lift motor power | HP | 1.09 | ||
| Addition data | 29 | Type of drive unit | AC | ||
| 30 | Sound pressure level at driver’s seat | dB(A) | 69 | ||
DECLARATION OF CONFORMITY (valid, if sold within EU)
CE Declaration of Conformity
The signatory hereby declares that the specified machine conforms to the EU Directive 2006/42/EC (Machine Directive) and 2014/30/EEC (Electro-Magnetic
Compatibility, EMC) including their amendments as translated into national legislation of the member countries. The signatory is individually authorized to compile the technical documents.
- Type
- Serial No.
- Year of constr.
- Manufacturer or his authorized representative in Community
- Date
- Authorised signatory




Risk of injury from falling parts Objects may fall if carried on the storage table.















