KE2 thermsolutions + Air Defrost Controller
Complete Instructions Locations
Visit: http://ke2therm.com/product/ke2-temp-defrost/and click the Link to Literature button
What’s in the Kit
The following parts are included:
- A(1) KE2 Temp + Air Defrost controller
- B(1) temperature sensor – 45″
- C(1) sensor zip tie
- D(1) liquid-tight cord grip
- E(4) self-tapping mounting screws
- F(2) screws for high voltage shield
- G(1) programming sticker
- H(1) high voltage shield
Supplies List
The accessories required for the controller to work are supplied. However, some truck stock items may be needed. See the following list.
- Conduit to go between the controller & evaporator
- (2) conduit connectors (straight or elbow as required)
- (4) high voltage wires (matched to the load of the liquid line solenoid compressor and the controller)
- wire labeling (numbers, colors, etc.)
- additional wire ties
- 18 gauge twisted shielded pair (if extending sensor wires
- Cat5e or cable rated for RS-485 communication (if adding communication)
- foam insulation (if running wires outside the space)
- silicone (for sealing any box penetrations)
- Red blinking – Real Time Clock battery needs to be replaced
- Yellow light – non-critical alarm (system running)
- Greenlight- Liquid Line Solenoid (LLS) relay energized
- Green blinking -waiting on minimum run or off timer to start/stop refrigeration
- Access Setpoint mode by pressing and holding ENTER Until tS (temperature setpoint) displays on the screen.
- UseAand to scroll through available setpoints.
- Press CNTER to view the current setting.
- USA and to change the setpoint
- Press ENTER to move between the digits to accelerate the changes.
- Press and hold wTE to confirm each setpoint change.
- PressGACK to escape.
Setpoints
Alarms When amber LED is lit:
- SSA = Shorted Sensor Alarm
- OSA= Open Sensor Alarm
- HCA = High Temp Alarm
- Ltd Low Temp Alarm
For a complete list of points and descriptions see Q.3.20.
Basic Setpoints 
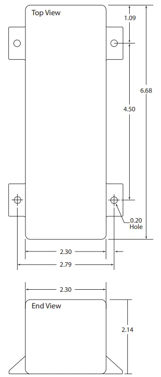
Dimensions – Inches
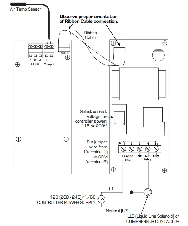
Wiring Diagram
Copyright 2022 KE2 Therm Solutions, Inc., Washington, MissOuri 63090
Q.3.65 April 2022 supersedes all prior publications
KE2 Therm Solutions
12 Chamber Drive . Washington, MO 63090
1-888-337-3358. www.ke2therm.com

























