KE2 Temp + Valve Controller

This reference should remain on site with the installed KE2 Temp + Valve controller.
KE2 Temp+Valve Control
For Temp. Air Defrost, and Electronic Valve Control Condensed Quick Start Guide KIT PN 21301


What’s in the KE2 Temp + Valve kit, pn 21301

- A (1) KE2 Temp + Valve controller (pn21393 – controller only)
- B (1)10’ pressure transducer
- C (1) temperature sensor – 45”
- D (1) temperature sensor – 10’
- E (4) self-tapping mounting screws
- F(1) sensor ziptie
- G(1) screwdriver
- H(2) screws for high voltage shield
Supplies List
Truck stock items are required to install the controller:
- conduit between the controller & evaporator
- (2) conduit connectors (straight or elbow as required)
- (4) high voltage wires (matched to LLS/compressor contactor & the controller load)
- wire labeling (numbers colors etc
- additional wire ties
- 18 gauge twisted shielded pair (if extending sensor wires)
- Cat5e (if adding communication)
- foam insulation (if running wires outside the space)
- silicone (for sealing any box penetrations)
Complete Instructions

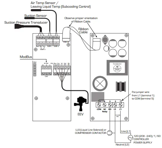
Wiring Diagram

Alternate Wiring Method

Basic Menu: “Out of Box” or if Superheat (SHt)
| Setpoint | Description | Range | Default | |
| CtL | Control Type – EEV+Temp, EEV Only, EEPR, EHGBP, Subcool | SHt, SH, EPr, HGb, SUb | SHt | |
| Edt (Expansion device type) | Valve Type: Mechanical (tHr), KE2- HSV (HS), KE2-RSV (rS), SEI, SER, Carel (CrL), Custom (CUS) | tHr, HS, rS, SEi ,SEr CrL, CUS* | rS | |
| Only if CUS is used for Edt (valve type) | Sr | Step Rate | 30 – 400 | 30 |
| SFS | Steps Full Stroke | 200- 6400 | 500 | |
| Ub | Motor Type | Uni-(unipolar), bi (bipolar) | Unipolar | |
| Only if inP (input) is Pt under Advanced Menu | rFg | Refrigerant Type | See Refrigerant List below | 404 |
| SSP | Superheat Setpoint** | 5ºF (2.8K) to 50ºF (28K) | 8°F (4.4K) | |
| tS | Temperature Setpoint | -50°F (-45°C) to 100°F (38°C) | 35°F (9.7°C) | |
| AdF | Air Temperature Differential | 1°F (0.5K) to 30°F (17K) | 2°F (1.1K) | |
| CSH | Compressor Starts/Hour Maximum | 5 (Off)*** to 10 | 6 | |
| dPd | Defrost Per Day | 0 to 12, CUS* | 4 | |
| Only if dPd (Defrosts per Day) is CUS | tOd | Time of Day | 00:00 to 23:59 | 12:00 |
| d1 to d12 | Start time of Defrost #1 – #12 | 00 – 23 | diS (disabled) | |
| dFt | Defrost Time | 6 min to 720 min | 45 min | |
* Selecting CUS (custom) unlocks additional Setpoints.
** Min. superheat in Subcool control.
*** Selecting fewer than 5 compressor starts per hour results in the starts per hour feature being turned off. The compressor will then function on temperature only.
The display will show room temp (rtp), superheat (SH), sution pressure (PrS) or leaving liquid temp (LLT) depending on control type and setup.
Indicator lights

- Red light – Critical alarm (system is NOT running).
- Yellow light – Non-critical alarm (system running).
- Green light – Liquid Line Solenoid (LLS) relay energized.
- Green blinking – Waiting on min. run or min. off timer to energize/de-energize LLS relay.
- Access Setpoint mode by pressing and holding
until (CtL ontrol type) displays on the screen - Use
and
to advance through available setpoints. - Press
to view the current setting. - Press
to move between digits to accelerate the changes. - Use
and
to change the setpoint - Press
and hold to confirm each setpoint change - Press back to escape.
Service Call Saver- Post Defrost Indicator
The display will switch between room temp and dEF after a defrost. The controller will refrigerate as normal, and dEF will clear automatically.
For a complete list of setpoints and descriptions see Q.3.49.
Footnotes
- Not shown if in EEPR, EHGBP, SH, or SUb control, and input is pressure.
- Only shown if SUb control is selected.
- Only shown if SH, SHt, or SUb control is selected.
- Only if SH, SHt, or SUb and Pt control is selected .
- Only shown if input is pressure for EEPR or EHGBP
- Only shown if in SH, SHt, or SUB control and tt selected.
- P ress & hold ENTER for 3 seconds to activate.
- Press BACK button to return to normal operation.
- Press ENTER to enter manual valve control, & to adjust, and press BACK to exit.
Alarm List

Refrigerant List
| Refrigerant | Abbreviation |
| R-22 | R22 |
| R-134a | 134 |
| R-404A | 404 |
| R-407A | 40A |
| R-407C | 40C |
| R-410A | 410 |
| R-717 | 717 |
| R-422A | 42A |
| R-422D | 42d |
| R-507 | 507 |
| Refrigerant | Abbreviation |
| R-448A | 448 |
| R-449A | 449 |
| R-450A | 450 |
| R-438A | 438 |
| R-408A | 408 |
| R-409A | 409 |
| R-407F | 407 |
| R-744 | 744 |
| R-513A | 513 |
| R-458A | 458 |
© Copyright 2021 KE2 Therm Solutions, Inc., Washington, Missouri 63090 Q.3.66 June 2021 supersedes all prior publications.
KE2 Therm Solutions
12 Chamber Drive . Washington, MO 63090 1.888.337.3358 . www.ke2therm.com




















