KE2 PN 20611 Temp Air Defrost Conense

For Medium Temperature Applications with Air Defrost Condensed Quick Start Guide PN 20611
Complete Instructions Locations
Visit: http://ke2therm.com/product/ke2-temp-defrost/ and click the Link to Literature button
What’s in the Kit
The following parts are included:
- (1) KE2 Temp + Air Defrost controller
- (1) temperature sensor – 45”
- (1) sensor ziptie
- (1) liquid tight cord grip
- (4) self-tapping mounting screws (2) screws for high voltage shield (1) programming sticker
Supplies List
The accessories required for the controller to work are supplied. However, some truck stock items may be needed. See the following list.
- conduit to go between the controller & evaporator
- 18 gauge twisted shielded pair (if extending sensor wires)
- (2) conduit connectors (straight or elbow as required)
- Cat5e or cable rated for RS-485 communication (if adding communication)
- (4) high voltage wires (matched to the load of the liquid line solenoid/ compressor and the controller.)
- wire labeling (numbers, colors, etc.)
- additional wire

- Access Setpoint mode by pressing and holding ENTER until tS (temperature setpoint) displays on the screen.
- Use up and DOWN to scroll through available setpoints.
- Press ENTER o view the current setting.
Use UP and DOWN to change the setpoint Press ENTER o move between the digits to accelerate the changes. - Press and hold ENTER o confirm each setpoint change.
- Press BACK o escape.
Setpoints

For a complete list of setpoints and descriptions see Q.3.20.
Basic Setpoints
| Setpoint | Description | Minimum | Default | Maximum |
| tS | Temperature Setpoint | -50°F (-45°C) | 35°F | 100°F (38°C) |
| diF | Differential | 1°F (1K) | 2°F | 30°F (17K) |
| CSH | Max. Comp. Starts/Hr. | 5 (Off)* | 6 | 10 |
| dPd | Defrost Per Day | 0 | 6 | 12, CUS** |
| dFt | Defrost Time | 0 min | 15 min | 720 min |
| HAO | High Alarm Offset | 1°F (1K) | 5°F | 10°F (6K) |
| LAO | Low Alarm Offset | 1°F (1K) | 3°F | 10°F (6K) |
| tAd | Temp Alarm Delay | 1 min | 90 min | 180 min |
| Adr | Mod Bus Address | 1 | 1 | 247 |
| Unt | Units for temp display | FAH | FAH | CEL |
*Selecting fewer than 5 compressor starts per hour results in the starts per hour feature being turned off. The compressor will then function on temperature only.
** Selecting CUS (custom) unlocks additional Setpoints. See Advanced Setpoints table.
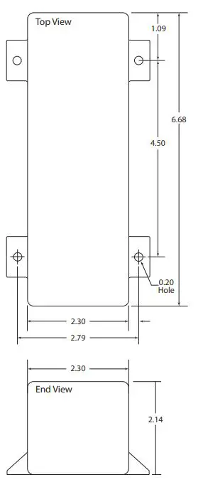
Dimensions – Inches
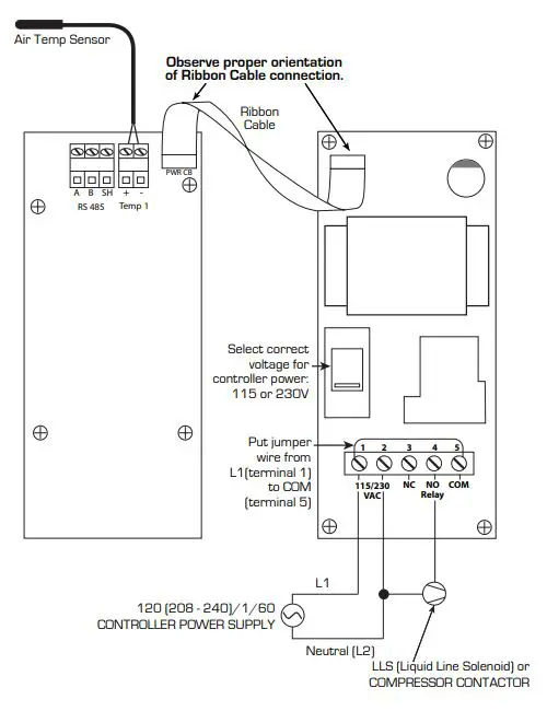
Wiring Diagram


Wiring Diagram

















