KE2 20611 Air Defrost 
Installation Manual
Parts List
The following parts are included in the KE2 Temp + Defrost kit:
- KE2 Temp + Defrost controller
- temperature sensor – 45”
- self-tapping mounting screws
- liquid tight cord grip
- sensor ziptie
- programming sticker
- screws for high voltage shield
- high voltage shield
Supplies List
All of the accessories required for the controller to work are supplied, however, standard truck stock items are required to install the controller.
A list is provided below:
- conduit to go between the controller & evaporator
conduit connectors (straight or elbow as required) - high voltage wires matched to the load of the liquid line solenoid/compressor and the controller. wire labeling (numbers, colors, etc.) additional wire ties 18 gauge twisted shielded pair (if extending sensor wires) foam insulation (if running wires outside the space) silicone (for sealing any box penetrations) Cat5e cable (if setting up communications)
Select Mounting Location
The KE2 Temp is designed for a wide range of applications; therefore there are many potential installation locations. Breaking down the installation location by application provides the most helpful reference.
- Under counter Evaporator cabinet
- Outside controlled space
- Walk-in Evaporator cabinet
- Adjacent to entrance
- Side-by-side Above door
Remote Monitoring, Control, Alarm Notifications
The KE2 Temp includes RS-485 Modbus communications and can be accessed remotely using the Alarms KE2 Edge Manager (KE2 EM). See page 4 for additional details.
Service Call Saver – Post Defrost Indicator
To eliminate unnecessary service calls, the KE2 Temp + Defrost alerts the user when it is coming out of a defrost cycle using the onboard display. The display alternates between dEF and the actual temperature measured by the air sensor. This continues until the temperature has reached setpoint, or for the amount of time set by dFt (Defrost Time) whichever is shorter
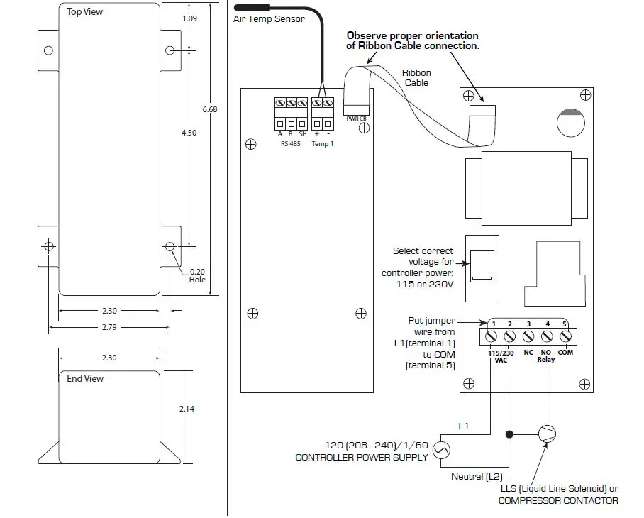
Wiring the Controller
The KE2 Temp was designed with simplicity in mind. The controller accepts 120V / 208-240V to power the controller and 12V – 240V solenoid voltage via the liquid line solenoid relay through the lower conduit connection. The temperature sensor and communication wires are attached via the upper conduit connector..When wiring the controller first remove the display by loos-ening the four corner screws. The display is connected to the lower board by a short ribbon cable.
Caution: The board may be damaged if excessive force is used when removing the cover.After the four screws have been detached from the lower sec-tion, the cover may be gently moved to the side. 
Next remove the high voltage protective cover. There are two screws holding it in place. 
With the high voltage cover removed, the two screw terminal connectors can be seen. The red 2-position connector is the controller’s power supply. The voltage selector switch should be positioned to match the voltage supplied.
Connect line (L1) to the left most terminal position (1) and neutral (L2) to terminal position (2).
The liquid line solenoid (LLS) relay accepts a variety of input voltages and is not required to match the controller’s input. See table for relay ratings. The relay uses the 3-position screw terminal to make the connection on the board. It may control the liquid line solenoid or act as a pilot relay for the compressor contactor. The controller will be breaking one leg of power to the LLS.
If solenoid will use the same voltage as controller, one leg of incoming power supply (L1) for the liquid line solenoid should be connected to the common terminal of the liquid line solenoid relay (5). The other leg of incoming power (L2) for the solenoid should be connected directly to one of the solenoid leads (not shown). The remaining lead for the solenoid should be connected to the NO (normally open) terminal of the liquid line solenoid relay (4).
Proper wiring practices must be followed. Local wiring codes take precedence over any information in this bulletin.Replace high voltage shield after wiring is completed.Low Voltage Connections Temperature sens The temperature sensor terminal is located on the cover’s circuit board and is permanently attached. The temperature sensor input consists of the right two terminals. Although the terminals are labeled ‘+’ and ‘ – ‘ the sensor is not polarized and may be connected in either orientation.The sensor should be fed through the top conduit connection using liquid tight cord and before being attached to the board. If Modbus communication is being used, a water tight type conduit may be used instead.
- Outputs:Relay Single Pole
- Double Throw
- Normally Open Normally Closed
- 120V 240V 120V 240V
- FLA 12A 12A 10A 10A
- Resistive 20A 20A 20A 20A
- Pilot Duty 800VA 720VA 290VA 360VA
Low Voltage Connections
Temperature sensor – The temperature sensor terminal is located on the cover’s circuit board and is permanently attached. The temperature sensor input consists of the right two terminals. Although the terminals are labeled ‘+’ and ‘ – ‘ the sensor is not polarized and may be connected in either orientation. The sensor should be fed through the top conduit connection using liquid tight cord and before being attached to the board. If Modbus communication is being used, a water tight type conduit may be used instead.
Communications Wiring
To enable communications, a wired connection to the Alarms KE2 Edge Manager (KE2 EM) accessory is required. Unless cable specified for RS-485 communications is available, Cat5e is recommended. Separate the white & blue pair from the rest of the pairs and wire to the controller.Connect ‘A’ on the controller to ‘A’ on the KE2 EM. Similarly, connect ‘B’ on the controller to ‘B’ on the KE2 EM. If adding multiple controllers, daisy chain to the next controller. Change the address setpoint (Adr) for each controller in the daisy chain. Each controller in the daisy chain must have a different address. See page 7) for in-structions to change setpoints.
Accessing the KE2 Temp on a Local Area Network
After setup, the KE2 EM provides immediate local access to the KE2 Temp via Wi-Fi. More information on the KE2 EM is found in bulletins Q.5.42 and Q.5.62.
Accessing the KE2 Temp on the Internet
When used with the KE2 EM, the KE2 Temp can be accessed remotely through the KE2 Smart Access portal, anywhere Internet service is available. So, there’s no need to worry about your refrigerated products overnight, during holidays, or vacations. Just go online and see, or setup the email/text alarm alerts feature for instant notification of system issues. More information on KE2 Smart Access is found in bulletin Q.1.34 and A.1.76.
Webpage View
From the Webpage you can monitor temperatures, relay status and alarms, as well as make changes to setpoints, and manually control the system.

Programming the Controller
Many applications of the KE2 Temp + Air Defrost can use the controller’s preset defrosts per day. This automatically spaces the defrosts throughout the day, based on the number of defrost cycles selected. The user has the ability to change the number of defrost cycles performed by changing the Defrost per Day setpoint from 0 to 12. For more specific applications, the KE2 Temp has the option to schedule each individual defrost at a specific time of day.KE2
Temp + Air Defrost Basic Navigation
Understanding the KE2 Temp + Air Defrost’s menu structure will simplify configuration. Figure 1 shows the basic button functions, as well as a list of basic setpoints.
Low Battery Indicator
Blinking red light indicates the Real Time Clock battery needs to be replaced.
Alarms
When amber LED is lit: SSA = Shorted Sensor Alarm OSA = Open Sensor Alarm HtA = High Temp Alarm LtA = Low Temp Alarm Only visible if CUS (custom) is selected for dPd (Defrost per day) See page 7 for detailed setup instructions.
- dFt = Defrost Time
- HAO = High Alarm Offset
- LAO = Low Alarm Offset
- tAd = Temp Alarm Delay
- Adr = Mod Bus Address
- Unt = Units for temp display (FAH or CEL)
Service Call Saver – Post Defrost Indicator
To eliminate unnecessary/unwarranted service calls, the KE2 Temp + Defrost alerts the user when it is coming out of a defrost cycle using the onboard display. The display alternates between dEF and the actual temperature measured by the air sensor. This continues until the temperature has reached setpoint, or for the amount of time set by dFt (Defrost Time) whichever is shorter.
Basic Setpoints
| Setpoint | Description | Minimum | Default | Maximum |
| tS | Temperature Setpoint | -50°F (-45°C) | 35°F | 100°F (38°C) |
| diF | Differential | 1°F (1K) | 2°F | 30°F (17K) |
| CSH | Maximum Compressor Starts/Hour | 5 (Off)* | 6 | 10 |
| dPd | Defrost Per Day | 0 | 6 | 12, CUS** |
| dFt | Defrost Time | 0 min | 15 min | 720 min |
| HAO | High Alarm Offset | 1°F (1K) | 5°F | 10°F (6K) |
| LAO | Low Alarm Offset | 1°F (1K) | 3°F | 10°F (6K) |
| tAd | Temp Alarm Delay | 1 min | 90 min | 180 min |
| Adr | Mod Bus Address | 1 | 1 | 247 |
| Unt | Units for temp display | FAH | FAH | CEL |
Selecting fewer than 5 compressor starts per hour results in the starts per hour feature being turned off. The compressor will then function on
temperature only.
Selecting CUS (custom) unlocks additional Setpoints. See Advanced Setpoints table.
Advanced Setpoints – includes setpoints only visible when CUS (custom) is selected under dPd (defrosts per day)
| Setpoint | Description | Minimum | Default | Maximum | |
| tS | Temperature Setpoint | -50°F (-45°C) | 35°F | 100°F (38°C) | |
| diF | Differential | 1°F (1K) | 2°F | 30°F (17K) | |
| CSH | Maximum Compressor Starts/Hour | 5 (Off)* | 6 | 10 | |
| dPd | Defrost Per Day | 0 | 6 | 12, CUS | |
| d12 | Start time of Defrost #12 | 00 | dis (disabled) | 23,dis (disabled) | |
| d11 | Start time of Defrost #11 | 00 | dis | 23,dis | |
| d10 | Start time of Defrost #10 | 00 | dis | 23,dis | |
| d9 | Start time of Defrost #9 | 00 | dis | 23,dis | |
| d8 | Start time of Defrost #8 | 00 | dis | 23,dis | |
| d7 | Start time of Defrost #7 | 00 | dis | 23,dis | |
| d6 | Start time of Defrost #6 | 00 | dis | 23,dis | |
| d5 | Start time of Defrost #5 | 00 | dis | 23,dis | |
| d4 | Start time of Defrost #4 | 00 | dis | 23,dis | |
| d3 | Start time of Defrost #3 | 00 | dis | 23,dis | |
| d2 | Start time of Defrost #2 | 00 | dis | 23,dis | |
| d1 | Start time of Defrost #1 | 00 | dis | 23,dis | |
| tod | Time of Day | 0.0 | 12.0 | 23.5 | |
| dFt | Defrost Time | 0 min | 15 min | 720 min | |
| HAO | High Alarm Offset | 1°F (1K) | 5°F | 10°F (6K) | |
| LAO | Low Alarm Offset | 1°F (1K) | 3°F | 10°F (6K) | |
| tAd | Temp Alarm Delay | 1 min | 90 min | 180 min | |
| Adr | Mod Bus Address | 1 | 1 | 247 | |
| Unt | Units for temp display | FAH | FAH | CEL | |
Selecting fewer than 5 compressor starts per hour results in the starts per hour feature being turned off. The compressor will then function on temperature only.
Custom Defrost Setup
The following steps will guide you through the setup of the KE2 Temp’s custom defrost feature.
Abbreviations:
- CUS = custom
- d1 = custom defrost 1
- diS = disabled
- dpd = defrosts per day
- ts = temperature
- setpoint tod = time of day

- STEP 1 Press and hold the ENTER button, tS is displayed on the LEDs

- STEP 2 Press the up arrow until dPd is displayed,

- then press ENTER , 6 (default) will be displayed.

- STEP 3 Press the up arrow until CUS is displayed.

- Press and hold the ENTER button for 3 seconds until the dPd is displayed.

- STEP 4 Press the up arrow until tod (time of day) is displayed,

- then press ENTER Use the up arrow and down arrow to set the time.Note: The time is displayed in military time (24-hr clock) The 1st 2 digits are the hour. The minutes are after the decimal. Since there are only 3 digits, the time will be set to the nearest 10 minutes. See exam-ples below.
Examples:8:10 am would be 8.1 on the controller’s display
- 4:32 pm would be 16.3 on the controller’s display.

- After the time is set, press and hold the ENTER button for 3 seconds, until tod is displayed

- STEP 5 Press the up arrow to display Defrost 1 (d1).

- To set the first defrost, press the ENTER button. diS (disabled) will be displayed.

- Use the down arrow to set the de-frost time. Note: Defrost times may only be set on the hour. Example:2:0a0 am would be 2

- Once the correct time is displayed, press and hold the ENTER button until d1 is displayed.

- STEP 6 Repeat steps as necessary for d2 to d12.

- STEP 7 Press the BACK button to save settings, and return to the main screen (room temp will be displayed).










Examples:8:10 am would be 8.1 on the controller’s display

























