

USER’S MANUAL
SPINNING BIKE
FH10005RB
Dear Customer,
Please read this instruction very carefully before using this item. You will find important information regarding safety of your spinner bike.
IMPORTANT SAFETY NOTICE
Note the following precaution before assembling or operating the machine.
- Keep children and pets away from the Spinning Bike at all times. DO NOT leave unattended children in the same room with the machine.
- Handicapped or disabled persons should not use the Spinning Bike without the presence of a qualified health professional of a qualified health professional or physician.
- If the user experiences dizziness, nausea, chest pain, or any other abnormal symptoms, STOP the workout at once. CONSULT A PHYSICIAN IMMEDIATELY.
- Before beginning training, remove all within a radius of 2 meters from the machine.
DO NOT place any sharp objects around the Spinning Bike. - Position the Spinning Bike on a clear, level surface away from water and moisture.
Place mat under the unit to help keep the machine stable and to protect flooring. - Use the Spinning Bike only for its intended use as described in this manual. DO
NOT use any other accessories not recommended by the manufacturer. - Assemble the machine exactly as the descriptions in the instruction manual.
- Check all bolts and other connections before using the machine for the first time and ensure that the trainer is in the safe condition.
- Hold a routine inspection of the equipment. Pay special attention to components which are the most susceptible to wear off, i.e. connecting points and wheels. The defective components should be replaced immediately. The safety level of this equipment can only be maintained by doing so. Please don’t use the Spinning Bike until it is repaired well.
- NEVER operate the Spinning Bike if it is not functioning properly.
- This machine can be used for only one person’s training at a time.
- Do not use abrasive cleaning articles to clean the machine. Remove drops of sweat from the machine immediately after finishing training.
- Always wear appropriate workout clothing when exercising. Running or aerobic shoes are also required.
- Before exercising, always do stretching first.
- The power of the machine increases as the speed increases, and vice versa. The machine is equipped with adjustable knob, which can adjust the resistance.
WARNING: BEFORE BEGINNING THIS OR ANY EXERCISE PROGRAM, CONSULT YOUR PHYSICIAN FIR S T. THIS IS ESPECIALLY IMPORTANT FOR INDIVIDUALS OVER THE AGE OF 35 OR PERSONS WITH PRE-EXISTING HEALTH PROBLEMS. READ ALL INSTRUCTIONS BEFORE USING THE SPINNING BIKE. WE ASSUMES NO RESPONSIBILITY FOR PERSONAL INJURY OR PROPERTY DAMAGE CAUSED BY IMPROPER USE.
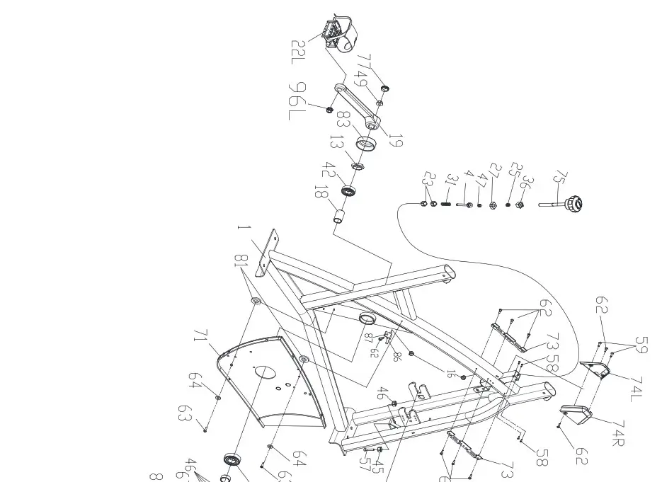
EXPLODED-VIEW & PARTS LIST:



PARTS LIST
| No | DESCRIPTION | SPECIFICATION | Q’TY | UNIT |
| I | MAIN FRAME | WELDMENT | 1 | PC |
| 2 | CONNECTING PLATE ASSEMBLY | WELDMENT | 1 | PC |
| 3 | MAGNET HOLDER | WELDMENT | 1 | PC |
| 4 | BRAKE POLE | WELDMENT | 1 | PC |
| 5 | FRONT STABILIZER | WELDMENT | 1 | PC |
| 6 | REAR STABILIZER | WELDMENT | 1 | PC |
| 7 | SEAT POST | WELDMENT | 1 | PC |
| 8 | HANDLE BAR | WELDMENT | 1 | PC |
| 9 | HANDLEBAR POST | WELDMENT | 1 | PC |
| 10 | VERTICAL SEAT POST | WELDMENT | 1 | PC |
| 11 | BELT WHEEL HOLDER | WELDMENT | 1 | PC |
| 12 | METAL PLATE | WELDMENT | 2 | PCS |
| 13 | FIXING NUT | φ28*M20*1 | 1 | PC |
| 14 | CASING | φ18*(p1O*10 | 2 | PCS |
| 15 | END CAP | 40*20*1.5 | 2 | PCS |
| 16 | PLASTIC PLUG | φ14*14 | 3 | PCS |
| 17 | BELT | 5PK | 1 | PC |
| 18 | LONG FIXING TUBE | φ25*920.5*41.1 | 1 | PC |
| 19 | LEFT CRANK | 170*27 | 1 | PC |
| 20 | RIGHT CRANK | 170*27 | 1 | PC |
| 21 | SPRING ADJUSTMENT KNOB | φ57*66 | 2 | PC |
| 22 | PEDAL | JD-301 9/16″ | 1 | SET |
| 23 | CASING PIPE | 20.6*20.6*16 | 2 | PC |
| 24 | SHORT FIXING TUBE | φ25*20.05*9 | 1 | PC |
| 25 | SPRING | φ15.5*(p1.5X15 | 1 | PC |
| 26 | BELT PULLEY | φ200*24 | 1 | PC |
| 27 | NUT | 20*20*t8(M10) | 2 | PCS |
| 28 | FLAT WASHER | φ32*φ8.2*2 | 1 | PC |
| 29 | AXIS | φ20*168 | 1 | PC |
| 30 | FLYWHEEL | φ463*65 18KG | 1 | PC |
| 31 | SPRING | φ2.0*52 | 1 | PC |
| 32 | MAGNET | 30*15*10 | 7 | PCS |
| 33 | HANDLEBAR COVER | 115*89*75 | 1 | PC |
| 34 | STOPPER | φ38*43/(M8X25) | 4 | PCS |
| 35 | LOCKING KNOB | PE+Q235/T52*47 | 1 | PC |
| 36 | BRAKE TUBE PLUG | 25*25*27 | 1 | PC |
| 37 | PRESS ROLLOR | φ43*28 | 1 | PC |
| 38 | FLYWHEEL SHAFT | φ16*φ12*156 | 1 | PC |
| 39 | END CAP | 70*30*1.5 | 4 | PCS |
| 40 | FIXING BOLT | M6*57012 | 1 | PC |
| 41 | BEARING 6001ZZ | 6001ZZ(C&U) | 4 | PCS |
| 42 | BEARING 6004ZZ | 6004ZZ | 2 | PCS |
| 43 | NUT | GB/T 41-2000 M6 | 2 | PCS |
| 44 | DOMED NUT | GB/T 802-1988 M8 | 4 | PCS |
| 45 | NUT | GB/T 41-2000 M8 | 1 | PC |
| 46 | LOCK NUT M8 | GB/T 889.1-2000 M8 | 8 | PCS |
| 47 | LOCK NUT MIO | GB/T 889.1-2000 MIO | 1 | PC |
| 48 | FIXING NUT | MI2X1.25 | 1 | PC |
| 49 | FLANGE NUT | MIO*1.25 | 2 | PCS |
| 50 | FIXING NUT | M12X1.25 | 2 | PCS |
| 51 | BOLT M6*10 | GB/T 70.1-2000 M6*10 | 2 | PCS |
| 52 | BOLT M8*I0 | GB/T 70.2-2000 M8*10 | 1 | PC |
| 53 | BOLT M8*15 | GB/T 70.2-2000 M8*15 | 4 | PCS |
| 54 | BOLT | GB/T 70.3-2000 M8*18 | 4 | PCS |
| 55 | BOLT | GB/T 5780-2000 M8*40 | 2 | PCS |
| 56 | CARRIAGE BOLT | GB/T 12-1988 M8*42 | 4 | PCS |
| 57 | SCREW | GB/T 70.1-2000 M8*45 | 1 | PC |
| 58 | SCREW | ST2.9*9.5 | 4 | PCS |
| 59 | SCREW | GB/T 845-1985 ST4.2*13 | 2 | PCS |
| 60 | SCREW | GB/T 845-1985 ST4.2*16 | 10 | PCS |
| 61 | SCREW | GB/T 845-1985 ST4.2*19 | 2 | PCS |
| 62 | SCREW I | GB/T 15856.1-2002 ST4.2X16 | 11 | PCS |
| 63 | SCREW 2 | GB/T 15856.1-2002 ST4.2X19 | 2 | PCS |
| 64 | FLAT WASHER 05 | GB/T 95-2002 5 | 2 | PCS |
| 65 | FLAT WASHER 06 | GB/T 95-2002 6 | 2 | PCS |
| 66 | FLAT WASHER 08 | GB/T 95-2002 8 | 7 | PCS |
| 67 | SPRING WASHER | GB/T 859-1987 8 | 8 | PCS |
| 68 | WASHER | GB894.1 010 | 1 | PC |
| 69 | FLAT WASHER 012 | GB/T95-2002 12 | 1 | PC |
| 70 | OUTER CHAIN COVER | 743*283*75 | 1 | PC |
| 71 | INNER CHAIN COVER | 462*276*15 | 1 | PC |
| 72 | FLYWHEEL COVER | 361*148*153 | 1 | PC |
| 73 | PLASTIC BRACKET | 155*I1*18 | 2 | PCS |
| 74 | BRAKE COVER | 95.8* I 6.9*72.7 | 1 | PC |
| 75 | BRAKE KNOB | MI0*100 | 1 | PC |
| 76 | WHEEL | φ5O*23 | 2 | PCS |
| 77 | CRANK END CAP | φ23*7.5 | 2 | PCS |
| 78 | END CAP | φ25*1.5 | 2 | PCS |
| 79 | FOAM GRIP | φ23φ29*465 | 2 | PCS |
| 80 | SEAT | DD-2681 | 1 | PC |
| 81 | CASING | φ20*tp10.1*3 | 2 | PCS |
| 82 | PLASTIC SLEEVE | 50*25*1.5 60*30*1.5 | 2 | PCS |
| 83 | CRANK COVER | φ56*28 | 1 | PC |
| 84 | COMPUTER HOLDER | 70*55MM | 1 | PC |
| 85 | COMPUTER | HS-6065 | 1 | PC |
| 86 | SENSOR | SR-212 | 1 | PC |
| 87 | THE FIXED FRAME | LTF8163 | 1 | PC |
| 88 | MAGNET | c-02Z | 1 | PC |
| 89 | PULSE SENSOR | 700mm | 1 | PC |
| 90 | PULSE SENSING LINE | 2 | PCS | |
| 91 | SENSING LINE | 850mm | 1 | PC |
| 92 | CROSSHEAD SPANNER | S=13,14,15 | 1 | PC |
| 93 | INNER HEXAGON SPANNER | 6# (86X35) | 1 | PC |
| 94 | SPANNER | S=10, 13 | 1 | PC |
| 95 | WRENCH | 83 (151X43.5) | 1 | PC |
| 96L | LOCK NUT | Lock Nut 9/16″-LH | 1 | PC |
| 96R | LOCK NUT | Lock Nut 9/16″ | 1 | PC |
ASSEMBLY INSTRUCTION:
- PREPARATION:
A. Before assembling make sure that you will have enough space around the item.
B. Use the present tooling for assembling.
C. Before assembling please check whether all needed parts are available (at the above of this instruction sheet you will find an explosion drawing with all single parts (marked with numbers) which this item consists of. - ASSEMBLY INSTRUCTION:
FIG.1:
Attach the Front Stabilizer (pt.5) to the Main Frame (pt.1) using two sets of 08 Flat Washers (pt.66), M8 Domed Nut (pt.44) and M8*45 Carriage bolt (pt56). Attach the Rear Stabilizer (pt.6) to the Main Frame (pt.1) using two sets of 08 Flat Washers (pt.66), M8 Domed Nut (pt.44) and M8*45 Carriage bolt (pt56).
FIG.2:
Insert the Vertical Seat Post (pt.10) into the seat post housing on the main frame (pt.1). Adjust Vertical Seat Post (pt.10) at a expect height, take the Adjustment Knob (pt21) lock it into the Main Frame (pt1) to fix the Vertical Seat Post (pt.10), make sure the knob pin inserts into the hole on the post.
Attach the Seat (pt80) onto the Seat post (pt7), lock tightly the 2 nuts below the seat to fix it.
Release the Adjustment Knob (pt35) is able to adjust the position of the Seat, Lock it back tightly to fix the Seat Post (pt7)
FIG.3:
Insert the Handlebar Post (pt.9) into the handlebar post housing on the Main Frame (pt1). Adjust it at a expect height, take the Adjustment Knob (pt21) lock it tightly into the Main Frame (pt1) to fix the Handlebar Post (pt09),make sure the knob pin inserts into the hole on the post.
Then fix the Handlebar (pt.8) and the Computer Holder (pt.84) and computer (pt.85) with 4 sets of @8 the Spring Washer (pt.67) and Mé8g*15 the Bolt (pt.53).
Connect the computer wires A1 and A2 together.
ATTENTION: YOU SHOULD FIX THE HANDLEBAR TIGHTLY
FIG.4:
The Pedals (pt.22 L & pt.22 R) are marked “L” and “R” – Left and Right. Connect them to their appropriate crank arms. The right crank arm is on the right-hand side of the cycle as you sit on it.
Note that the Right pedal should be threaded on clockwise and the Left pedal anticlockwise.
A.) Adjusting the Tension:
Increasing or decreasing the tension allows you to add variety to your workout sessions by adjusting the resistance level of the bike. To increase tension and increase resistance (requiring more strength to pedal), turn the Emergency
Brake & Tension Control Knob (#75) to the right.
To decrease tension and increase resistance (requiring less strength to pedal), turn the Emergency Brake & Tension Control Knob (#75) to the /eft.B.) Using the Emergency
Brake Function:
The same knob that allows you to adjust the tension of the bike also doubles as the Emergency Brake. Use this safety feature in any situation where you would need to get off the bike and/or stop the bike’s flywheel.
To use the Emergency Brake function in any situation you would need it in, firmly press down on the Emergency Brake & Brake Control Knob (#75).
ADJUSTMENT
- To adjust the seat height, slacken the spring knob on the vertical post stem on the main frame and pull back the knob. Position the vertical seat post for the desired height so that holes are aligned, then release the knob and retighten it.
- To move the seat forward in the direction of the handlebar or backwards away from it, loosen the adjusting knob and washer and pull the knob back. Slide horizontal seat post into desired position. Align holes and then retighten the adjusting knob.
- To adjust the handlebar height, slacken the spring knob and pull both knobs back. Slide the handlebar post along the housing on the main frame to the desired height and, with the holes aligned correctly, tighten the spring adjusting knob.
EXERCISE INSTRUCTIONS
Using your SPINNING BIKE provides you with several benefits, it will improve your physical fitness, tone muscle and in conjunction with calorie controlled diet help you lose weight.
- The Warm-Up Phase
This stage helps get the blood flowing around the body and the muscles working properly. It will also reduce the risk of cramp and muscle injury. It is advisable to do a few stretching exercises as shown below. Each stretch should be held for approximately 30 seconds, do not force or jerk your muscles into a stretch – if it hurts, STOP.
- The Exercise Phase
This is the stage where you put the effort in. After regular use , the muscles in your legs will become Stronger. Work to your but it is very important to maintain a steady tempo throughout. The rate of work should be sufficient to raise your heart beat into the target zone shown on the graph below.
This stage should last for a minimum of 12 minutes though most people start at about 15-20 minutes.
This stage is to let your Cardio-vascular System and muscles wind down. This 1s a repeat of the warm up exercise e.g. reduce your tempo, continue for approximately 5 minutes. The stretching exercises should now be repeated, again remembering not to force or jerk your muscles into the stretch. As you get fitter you may need to train longer and harder. It is advisable to train at least three times a week, and if possible space your workouts evenly throughout the week.
MUSCLE TONING
To tone muscle while on your SPINNING BIKE you will need to have the resistance set quite high. This will put more strain on our leg muscles and may mean you cannot train for as long as you would like. If you are also trying to improve your fitness you need to alter your training program. You should train as normal during the warm-up and cool-down phases, but towards the end of the exercise phase you should increase resistance, making your legs work-harden than normal. You may have to reduce your speed to keep your heart rate in the target zone.
WEIGHT LOSS
The important factor here is the amount of effort you put in. The harder and longer you work the more calories you will burn. Effectively this is the same as if you were training to improve your fitness, the difference is the goal.
USE
The tension control knob allows you to alter the resistance of the pedals. A high resistance makes it more difficult to pedal, a low resistance makes it easier. For the best results set the tension while the bike is in use.

With your inspiring rating, COSTWAY will be more consistent to offer you EASY SHOPPING EXPERIENCE, GOOD PRODUCTS and EFFICIENT SERVICE!
US office: Fontana
UK office: Ipswich
DE office: FDS GmbH, Neuer Höltigbaum 36, 22143 Hamburg, Deutschland
CA office : Unité 1, 45 Rue de Quarterman, Guelph, Ontario, Canada
![]() |
FIG.1:
FIG.2:
FIG.3:
FIG.4:
A.) Adjusting the Tension:
Brake Function:
This stage should last for a minimum of 12 minutes though most people start at about 15-20 minutes.


















