

USER’S MANUAL
FAN EXERCISE BIKE
SP37621BK
THIS INSTRUCTION BOOKLET CONTAINS IMPORTANT SAFETY INFORMATION. PLEASE READ ANO KEEP FOR FUTURE REFERENCE
Before You Start
Please read all instructions carefully.
Retain instructions for future reference.
Separate and count all parts and hardware.
Read through each step carefully and follow the proper order.
We recommend that, where possible, all items are assembled near to the area in which they will be placed in use, to avoid moving the product unnecessarily once assembled.
Always place the product on a flat, steady, and stable surface.
Keep all small parts and packaging materials for this product away from babies and children as they potentially pose a serious choking hazard.
IMPORTANT!
Please read all instructions carefully before using this product. Retain this manual for future reference.
The specifications of this product may vary slightly from the illustrations and are subject to change without notice.
IMPORTANT SAFETY NOTICE
PRECAUTIONS
BE SURE TO READ THE ENTIRE MANUAL BEFORE YOU ASSEMBLE OR OPERATE YOUR MACHINE. IN PARTICULAR, NOTE THE FOLLOWING SAFETY PRECAUTIONS:
- Choking Hazard: Contains small parts. Keep away from children.
- BEFORE starting any fitness or strength program, consult with your physician or health official. This will ensure that you engage in the proper strength or fitness program for your age and physical condition.
- Consider your physical condition before training and do not overexert
- Wear appropriate clothing that will not get caught on the unit while operating.
- Stop exercising if you begin to feel unwell or in pain.
- Make sure the unit is put together correctly, all screws are tightened appropriately, and handlebars are secure.
- Inspect the unit before every use. If the unit looks broken In any way, discontinue use and discard it immediately.
- Make sure the unit Is on a dry, flat surface before using. Do not use where oxygen is being administered or where aerosol products are being used.
- Before beginning training, remove all objects within a radius of 2 meters from the unit.
- Do not overload the unit.
- Do not attempt to modify or access the internal body components as this may cause injury. Do not insert any object or body parts into any
- Recommended for indoor use only. Do not use in humid or wet
- This product is not a toy. Use within adult supervision.
- Do not use this product for anything other than its intended use.
- Always warm-up/stretch before starting exercise.
- Always use care and caution when getting on and off the unit.
- ALWAYS wait until the pedals have come to a complete stop before taking your feet off of the pedals or dismounting. Do not stand or climb on the handlebars.
- Always keep hands away from moving parts.
- NEVER overexert yourself or work to exhaustion. If you feel faint dizzy, short of breath, or if you have chest or other pains, STOP IMMEDIATELY! Consult your physician before using the equipment again.
- Please ensure that the unit is wiped down after each use to keep it
- If any problems arise affecting the performance of the unit please contact customer service immediately. Always ensure that parts that undergo wear are checked regularly.
THIS SAFETY INFORMATION AND USER’S MANUAL DO NOT REPLACE THE NEED TO BE ALERT AND TO USE COMMON SENSE WHEN USING EXERCISE EQUIPMENT!
- Do not allow more than one person to use the product at the same
- High speed rotating pedal may cause damage, keep the pedal speed
- Do not adjust seat position beyond the ‘MAX’ line and ensure the knob is
WARNING: BEFORE BEGINNING ANY EXERCISE PROGRAM, CONSULT YOUR PHYSICIAN. THIS IS ESPECIALLY IMPORTANT FOR INDIVIDUALS OVER THE AGE OF 35 OR PERSONS WITH PRE-EXISTING HEALTH PROBLEMS. READ ALL INSTRUCTIONS BEFORE USING ANY FITNESS EQUIPMENT.
SAVE THESE INSTRUCTIONS.
Maximum user’s weight: 110KG I 242.5LBS
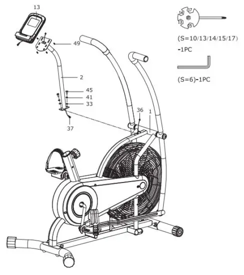
EXPLODED VIEW

PARTS LIST
| Parts NO. | Description | QTY | Parts NO. | Description | QTY |
| 1 | Mainframe | 1 | 28 | Alloy bushing | 2 |
| 2 | Console support post | 1 | 29 | Flat washer D17.1x4p32x2.5 | 2 |
| 3 | Seat post | 1 | 30 | Bearing | 2 |
| 4 | Seat slider | 1 | 31 | Alloy sleeve | 2 |
| 5 | Swing arm | 2 | 32 | Hex bolt MI3x50 | 2 |
| 61/R | Handlebar | 1/1 | 33 | Flat washer D8xcp16x1.5 | 4 |
| 71/R | Connecting arm | 1/1 | 34 | Nylon nut M8 | 2 |
| 8 | Pop-pin knob | 1 | 35 | Round plug | 4 |
| 9 | Front stabilizer | 1 | 36 | Sensor wire | 1 |
| 10 | Rear stabilizer | 1 | 37 | Extension sensor wire | 1 |
| 111/R | Pedal | 1pc | 38 | Long shaft | 1 |
| 12 | Front end cap | 2 | 39 | Plastic bushing | 6 |
| 13 | Console | 1 | 40 | Flat washer D1Oxrp25x2 | 2 |
| 14 | Crank arm | 1 | 41 | Spring washer D8 | 6 |
| 15 | Rear end cap | 2 | 42 | Allen bolt M10x20 | 2 |
| 16 | Seat | 1 | 43 | Allen bolt M8x1S | 4 |
| 17 | Oval end cap | 2 | 44 | Arc washer D8x1.5xcp20xR25 | 4 |
| 18 | Flat washer D8xip28x2 | 1 | 45 | Allen bolt M8x35 | 2 |
| 19 | Plum knob nut | 1 | 46 | Spring washer D10 | 2 |
| 20 | Carriage bolt MI0x1.57 | 4 | 47 | 0-shaped washer | 2 |
| 21 | Hex bolt M6xL45 | 2 | 48 | Foam grip | 2 |
| 22 | Transport wheel | 2 | 49 | Phillips screw | 4 |
| 23 | Nylon nut M6 | 2 | 50 | Waved washer 017 | 2 |
| 24 | Arc washer 4910×1.5xtp25xR28 | 4 | 51 | Nut cap | 4 |
| 25 | Atom nut M10 | 4 | 52 | Spacer | 2 |
| 26L/R | Nylon nut | 1pt | 53L/R | Chain cover | 1pc |
| 27 | Spring washer 012 | 2 | 54L/R | Fan wheel guard | 1pc |
NOTE
Most of the listed assembly hardware has been packaged separately, but some hardware items have been preinstalled in the identified assembly parts. In these instances, simply remove and reinstall the hardware as the assembly is required. Please refer to the individual assembly steps and make note of all preinstalled hardware.
ASSEMBLY INSTRUCTION
- Prior to assembly, remove components from the box and verify that all the listed parts were supplied.
- Take time to review the manual and familiarize yourself with the entire assembly process before proceeding.
- Given the weight of the equipment, we recommend that two or more people be involved in assembly, and have assistance accordingly. This Is especially convenient when assembling multiple parts or moving the equipment.
Assembly Tip: It is always helpful to pre-stage the items needed for each assembly step.
STEP 1:
Lock the Front stabilizer (9) and Rear stabilizer (10) onto the Mainframe (1) accordingly with the Carriage bolts (20), Arc washers (24), and Acorn nuts (25).


STEP 2:
- Slide the Long shaft (38) into Mainframe (1) and center it, then attach the Swingarms (5) onto the Long shaft (38) with the Allen bolt (42), Spring washer (46), Flat washer (40), D-shaped washer (47) and Waved washer (50) as shown. (DO NOT Tighten Yet.)
- Attach the Connecting arm (7L/R) to the Swingarms (5) by using the Hex bolt (32), Flat washers (33), and Nylon nut (34). (DO NOT Tighten )
- Remove Nylon nut (26L), Spring washer (27), Alloy bushing (28), Flat washer (29), and Spacer (52) from left Pedal (11L). Slide Connecting arm (7L)(with the mounted Bearing (30)), Spacer (52), Flat washer (29), and Alloy bushing (28) on the Pedal (11L) by order, and then screw the Pedal (11L) COUNTERCLOCKWISE into the left Crank arm (14), secured with Spring washer (27) & Nylon nut (26L) as shown. Follow the same way for the Right side.
Make Sure the Pedals are securely locked during exercise to avoid any damage to the threads of Pedals or Cranks.
NOTE
Both pedals are labeled L FOR LEFT and R FOR RIGHT (View from Rider’s position). To tighten turn the Left pedal COUNTERCLOCKWISE and the Right pedal CLOCKWISE. - Secure above mentioned Allen bolts (42), Hex bolts (32) & Nylon nuts (34), and then put on the Nut caps (51) as shown.


STEP 3:
Lock the Handlebar (6L/R) onto the Swing arm (5) with the Allen bolts (43), Spring washers (41), and Arc washers (44) as shown.

STEP 4:
- Connect the Sensor wire (36) to the Extension sensor wire (37), and then lock the Console support post (2) onto the Mainframe (1) with Allen bolts (45), and Spring washers (41), and Flat washers (33).
- Connect the wire from the Console (13) with the Extension sensor wire (37), and lock the Console (13) onto the Console support post (2) with the Phillips screws (49) as shown.

STEP 5:
- Unscrew and pull out the Pop-pin knob (8), then insert the Seat post (3) into the Mainframe (1), adjust to the desired height and align the holes, and secured it with the Pop-pin knob (8) tightly. (NOTE: DO NOT adjust Seat height beyond the “MAX” mark on the Seat post, ensure the Pop-pin knob is properly seated before use.) Attach the Seat slider (4) onto the Seat post (3) and adjust to the desired distance, secured with the Plum knob nut (19) and flat washer (18).
- Place the Seat (16) onto the Seat slider (4) and lock by tightening the Seat nuts on both sides evenly with a wrench. (Ensure Seat is secure before use.)

OPERATION
- Seat Adjustment
Proper seat height ensures maximum exercise efficiency and comfort while reducing the risk of injury.
- Place one pedal in the down position, and center the ball of your foot over the center of the pedal. Your leg should be slightly bent at the knee.
If your leg is too straight or your foot cannot touch the pedal, you will need to lower the seat. If your leg is too bent, you will need to raise the seat. - Dismount the bike, unscrew the adjustment knob on the saddle post and pull out the locking pin.
Lower or raise the seat to the desired height. Allow the locking pin to engage and fully tighten in place.
- Lower Body Workout
Once you are in position and sitting comfortably, slowly begin pedaling with your arms relaxed at your sides or with your hands resting on the handgrips as the arm levers move.
Pedal at an easy pace until you feel secure and comfortable.
To increase the air resistance and workload, increase your pedaling speed.
- Lower and Upper Body Workout
For a complete body workout, grasp the handgrips with palms down. Push and pull the arm levers as you pedal, keeping elbows low and next to your body.
To exercise all the muscle groups In your arms, vary your hand position on the grips.
CONSOLE INSTRUCTION MANUAL
FUNCTIONAL BUTTON:
MODE – Press it to select functions.
- Hold it for S seconds to convert KM/H or Mile/H
SET – To set the value of time, distance and calories, when not in SCAN mode.
RESET – Press to reset time, distance and calories. - Hold it for 3 seconds to reset time, distance, and calories.
FUNCTION AND OPERATIONS:
- SCAN: Press the MODE button until “SCAN” appears, monitor will rotate through the following functions: time, calories, speed, distance, and total distance. Each display will hold for 4 seconds.
- TIME(TMR): Count the total time from exercise from start to end.
- SPEED(SPD): Display current speed.
- DISTANCE(DST): Count the distance from exercise from start to end.
- CALORIES(CAL): Count the total calories from exercise from start to end.
- TOTAL DISTANCE(ODO): Count the total distance after installing the batteries.
- AUTO ON/OFF & AUTO START/STOP Without any signal for 4 minutes, the power will turn off automatically.
When the wheel is in motion or pressing the button, the monitor is in action. - The functions of time, distance, and calorie can be set to countdown, if any of the above values go to zero, the computer will alarm for 5 seconds.
Press MODE to select the function, then press SET to adjust the value.
SPECIFICATIONS:
| FUNCTION | AUTO-SCAN | Every 4 seconds |
| TIME(TMR) | 0:0099:59 (minutes:seconds) | |
| CURRENT SPEED(SPD) | The maximum pick-up signal is 999.9KM/H or Mlle/H | |
| TRIP DISTANCE(DST) | 0,4999.9KM or Mlles | |
| CALORIES(CAL) | 0-9999ca1 | |
| TOTAL DISTANCE(000) | 0-999.9KM or Miles | |
| BATTERY TYPE | 2PC5 of SIZE-AM or UM-4 | |
| OPERATING TEMPERATURE | 32°F-104°F (000.40°C) | |
| STORAGE TEMPERATURE | 14°F-140°F (-10°C-60°C) | |
REPLACE BATTERIES
- Remove the battery cover from the Console and remove old batteries from the battery compartment.
- Install new batteries according to polarity indicated on the battery Reinstall the battery cover.
BATTERY WARNINGS
Do not mix old and new batteries. Insert batteries using the correct polarity. Do not short-circuit the supply terminal.
Remove batteries when not in use for extended periods. Do not dispose of batteries in a fire- they may leak or explode. Always use, replace, and recharge (If applicable) under adult supervision.
USING YOUR BIKE
Using your bike will provide you with several benefits. It will help you improve your physical fitness, tone your muscles, keep in conjunction with a calorie-controlled diet, and lose weight.
WARM–UP PHASE
The purpose of warming up is to prepare your body for exercise and to minimize injuries. Warm up for two to five minutes before strength training or aerobic exercising. Perform activities that raise your heart rate and warm the working muscles. Activities may include brisk walking, jogging, jumping jacks, jump rope, and running In place.
STRETCHING
Stretching while your muscles are warm after a proper warm-up and again after your strength or aerobic training session, is very important. Muscles stretch more easily at these times because of their elevated temperature, which greatly reduces the risk of injury. Stretches should be held for 15 to 30 seconds.
DO NOT BOUNCE.
Remember always to check with your physician before starting any exercise program.
EXERCISE PHASE
This is the stage where you put the effort in. After regular use, the muscles in your legs will become more flexible. Work at your own pace and be sure to maintain a steady tempo throughout. The rate of work should be sufficient to raise your heartbeat into the target zone shown on the graph.

COOL-DOWN PHASE
The purpose of cooling down is to return the body to its normal or near-normal, resting state at the end of each exercise session. A proper cool-down slowly lowers your heart rate and allows blood to return to the heart.
![]()
Please give us a chance to make it right and do better!
Contact our friendly customer service department for help first.
Replacements for missing or damaged parts will be shipped ASAP!
office: Fontana
office: Ipswich

Contact Us!
| Do NOT return this item. Contact our friendly customer service department for help first. | UK:[email protected] AU:[email protected] |


















