
CCS/CCHS-24
Indoor Ceiling Mount
Colored Lens Series
Features
- Tamperproof field selectable candela settings of 15, 30,75, 95, and 115
- Lens color available: amber, blue, green, and red.
- Super-Slide® Bracket – Ease of supervision testing
- Checkmate® – Instant voltage verification
- Synchronize strobe and/or horn with AVSM module
- Switch selection for high or low dBA
- Switch selection for 2400Hz or mechanical tone
- Switch selection for continuous or temporal 3 tone
- Tamperproof re-entrant style grill
- Surface mount with the CLNGBB (Ceiling Surface Mount Back Box)
- Silence audible while visual appliance remains flashing
(for use in accepted jurisdictions) - Product includes a 5 year warranty


S3247 7135-0328:0211
7135-0328:0205
Application
The Potter CCS/CCHS Colored Lens Series are indoor ceiling mount strobe or horn/strobe combinations that offer dependable audible and visual signals for warning and emergency notification. Applications include emergency communication, severe weather, emergency response and many more.
Description
The CCS/CCHS Colored Lens Series are 24VDC appliances available in lens colors of amber, blue, green, and red. The Colored Lens series offers tamperproof field selectable options of 15, 30, 75, 95, and 115 candela. They have a minimal operating current and a minimum flash rate of 1 Hz within the listed voltage range. The strobes can be synced using a Gentex sync protocol or the AVSM Sync Module.
The CCS/CCHS Colored Lens Series is shipped with a die-cast 4″ mounting plate which incorporates the popular Super-Slide® feature that allows the installer to easily test for supervision. The product also features a locking mechanism that secures the product to the bracket without showing any screws. The Colored Lens Series also features the patented Checkmate®- Instant Voltage Verification Feature which allows the installer to check the voltage without removing the signal.
Product Listings
- ANSI/UL 464 and 1638
- CSFM 7135-0328:0205 (CCHS Series)
- CSFM 7135-0328:0211 (CCS Series)
Technical Specifications
| Operating Voltage | Nominal 24VDC (16-33VDC) |
| Environmental Limitations | 32°F – 120°F (0° – 49°C) Indoor Only |
| Dimensions | 6” H x 2.6” W |
| Wiring Connections | Terminals accept 18 – 12 AWG |
| Mounting | Surface mount with CLNGBB |
| Shipping Weight | 1.15 lbs. |
CCS Series Colored Lens Strobe, Selectable Candela | |||
| Model Number | Stock Number | Lens Color | Body Color |
CCS-24AR | 4890108 | Amber | Red |
| CCS-24AW | 4890109 | Amber | Off-White |
CCS-24BR | 4890110 | Blue | Red |
| CCS-24BW | 4890111 | Blue | Off-White |
CCS-24GR | 4890112 | Green | Red |
| CCS-24GW | 4890113 | Green | Off-White |
CCS-24RR | 4890114 | Red | Red |
| CCS-24RW | 4890115 | Red | Off-White |
UL Max Strobe Current Ratings (24VDC Regulated) | ||
| Candela | Amber Lens | Blue, Gree, and Red Lens |
15cd | 124 mA | 124mA |
| 30cd | 124mA | 124mA |
60cd | 212mA | 139mA |
| 75cd | 283mA | 205mA |
110cd | 313mA | 212mA |
For unfiltered FWR ratings, see installation manual.
CCHS Series Colored Lens Horn Strobe, Selectable Candela | |||||
| Model Number | Stock Number | Lens Color | Body Color | Reverberant dBA at 10’, per ANSI/UL 464 | In Anechoic Room dBA at 10’ |
CCHS-24AR | 4890128 | Amber | Red | 81-86 | 90 |
| CCHS-24AW | 4890129 | Amber | Off-White | 81-86 | 90 |
CCHS-24BR | 4890130 | Blue | Red | 81-86 | 90 |
| CCHS-24BW | 4890131 | Blue | Off-White | 81-86 | 90 |
CCHS-24GR | 4890132 | Green | Red | 81-86 | 90 |
| CCHS-24GW | 4890133 | Green | Off-White | 81-86 | 90 |
CCHS-24RR | 4890134 | Red | Red | 81-86 | 90 |
| CCHS-24RW | 4890135 | Red | Off-White | 81-86 | 90 |
Horn Decibel and Current Ratings | |||
| Horn Setting | Minimum dBA at 10’, Per UL 464 (HIGH) | Minimum dBA at 10’, Per UL 464 (LOW) | Regulated 24VDC Max. Operating Current, at High Setting (mA) |
Temporal 3 2400Hz | 83 | 75 | 23 |
| Temporal 3 Mechanical | 81 | 73* | 22 |
Continuous 2400Hz | 86 | 78 | 23 |
| Continuous Mechanical | 84 | 76 | 22 |
*Operating the horn in this mode at this voltage will result in not meeting the minimum ANSI/UL 464 reverberant sound level required for public mode fire protection service. These settings are acceptable only for private mode fire alarm use. Use the high dBA setting for public mode application.
- The sound output for the temporal 3 tone is rated lower since the time the horn is off is averaged into the sound output rating. While the horn is producing a tone in the temporal 3 mode, its sound pressure is the same as continuous mode.
- Potter does not recommend using a coded or pulsing signal circuit with any of our strobe products.
Mounting Super Slide®

- Slide Onto Bracket
- Insert Locking Screw
- Snap Cover Over Assembly
Checkmate® Instant Voltage Verification Switch Locations

The access holes are provided in the back of the terminal block to allow the voltage to be measured directly without removing the device. Typically this would be done at the end of the line to confirm design criteria. Most measurments will be taken using the S+ and S- locations although access is provided to other locations. Switch positions 1 and 2 in the down position to select isolated horn and strobe power inputs. Switch 3 selects between temporal or non-temporal tone. Up is temporal. Switch 4 selects between mechanical or high frequency tone. Up is mechanical. Switch 5 selects between high or low dBA. Up is dBA.
NOTE: CARE SHOULD BE TAKEN TO NOT SHORT THE TEST PROBES
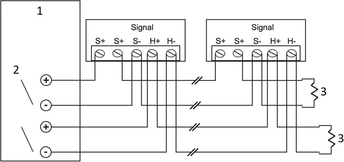
Wiring Diagrams


- UL Listed Control Panel
- Supervised Signal Circuit
- END OF LINE RESISTER
NOTES:
- All strobes are designed to flash as specified with continuous applied voltage. Strobes should not be used on coded or pulsing signaling circuits. The AVSM control module or Gentex synchronization protocol is permitted to synchronize the strobe, horn and/or mute the horn.
- FOR SYNCHRONIZATION WIRING INFORMATION, REFERENCE AVSM CONTROL MODULE DATA SHEET (8830050) AND/OR AVSM CONTROL MODULE MANUAL FOR SYNCHRONIZATION MODULE WIRING DIAGRAMS. AVSM CONTROL MODULE DATA SHEET AND MANUAL CAN BE OBTAINED AT http://pottersignal.com OR CALL POTTER ELECTRIC AT 1-800-325-3936.
Architect and Engineering Specifications
The audible and/or visible signal shall be Potter Colored Lens Series or approved equal and shall be listed by Underwriters Laboratories Inc. per ANSI/UL 1638 and ANSI/UL 464 and shall have compliance with the polar dispersion requirements of ANSI/UL 1971. The notification appliance shall also be listed with the California State Fire Marshal (CSFM).
The notification appliance (combination audible/visible) shall produce a peak sound output of 90 dBA or greater as measured in an an echoic chamber. The signaling appliance shall also have the capability to silence the audible signal while leaving the visible signal energized with the use of a single pair of power wires. Additionally, the user shall be able to select either continuous or temporal tone output with the temporal signal having the ability to be synchronized.
Unit shall be capable of being installed so that any unauthorized attempt to change the candela setting will result in a trouble signal at the fire alarm control panel.
The audible/visible and visible signaling appliance shall also maintain a minimum flash rate of 1Hz or up to 2 Hz regardless of power input voltage. The appliance shall have an operating current of 124mA or less at 24 VDC for the 15Cd strobe circuit.
The appliance shall be polarized to allow for electrical supervision of the system wiring. The unit shall be provided with a mounting bracket with terminals with barriers for input/output wiring and be able to mount to a single gang or double gang box or double workbox without the use of an adapter plate. The unit shall have an input voltage range of 16-33 volts with either direct current of full wave rectified power for 24 volt models.
The appliance shall be capable of testing supervision without disconnecting wires, verify voltage without removing the unit and be capable of mounting to a surface back box.
Potter Electric Signal Company, LLC • St. Louis, MO • Tech Support: 866-956-1211 / Customer Service: 866-572-3005 • www.pottersignal.com
![]()
8830052 – REV B • 10/14



















