BAST-321HP-BW2
Wi-Fi BACnet®/IP Heat Pump Thermostat
BASstat
Installation Guide
BAST-321HP-BW2 Wi-Fi BACnet IP Heat Pump Thermostat
The BASstat series of BACnet-compliant communicating thermostats provide effortless integration into BACnet/IP networks using a Wi-Fi connection. These thermostats are suited for heating, cooling, and ventilation with binary output control for single and 2-stage compressor heat pumps with or without 3 stage auxiliary heat. Adaptive control algorithm applied to multi-stage on/off control saves energy and ensures comfort for the occupants. Three sensing options are available: built in temperature sensor, input for a remote temperature sensor, or temperature override network command from Building Automation System. Reversing valve (O/B) logic is configurable. Occupancy status can be set from thermostat buttons, a wired ESI input, or over the BACnet network. Thermostat buttons can be locked to prevent tampering. Digital display with graphical icons is easy to read and understand. Numerous icons indicate parameters such as: Active Mode, Cooling stage 1 or 2, Heating stage 1, 2 or 3, Ventilation Only, Fan Active, Occupied/Unoccupied state, and a Clock icon to indicate Short Cycle Delay or Max Cycles per hour active waiting state. Two control types are available: Cooling and Heating with Auto-changeover (default) and Cooling or Heating with Manual-changeover.
Electrical (Class 2 Circuits Only)
| INPUT | AC only |
| Voltage (±10%): | 24 V |
| Power: | 5 VA |
| Frequency: | 47-63 Hz |
Environmental
| Operating temperature: | 0°C to 50°C |
| Storage temperature: | –10°C to +60°C |
| Relative humidity: | 5–95%, non-condensing |
| Functional | Wi-Fi |
| Physical Layer: | 802.11b/g/n |
| Wi-Fi range: | 150ft. as defined by the standard (depending on obstructions) 54Mbps max data rate |
Installation
The BASstat requires 24 VAC while drawing no more than 5 VA of power. The recommended conductor size is 16–18 AWG or up to 1.5mm² wires.
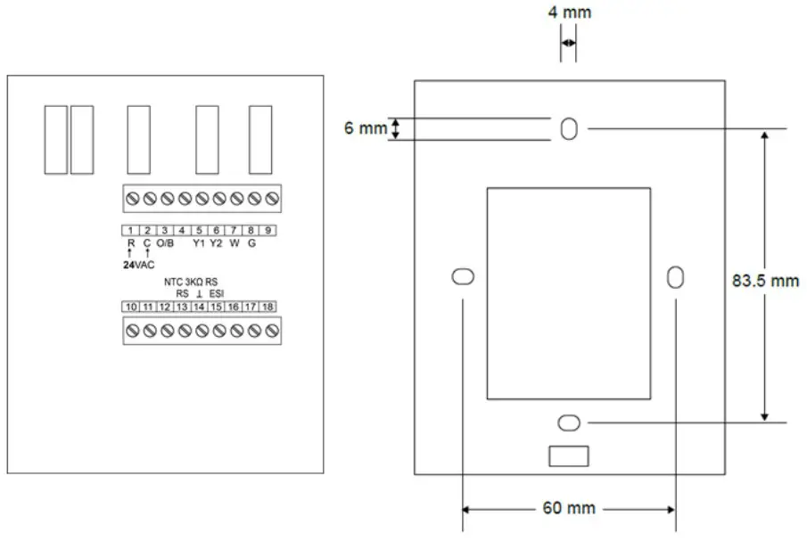
WARNING: Internally, this device utilizes a half-wave rectifier and therefore can only share the same AC power source with other half-wave rectified devices. Sharing AC power with full-wave rectified devices is NOT recommended. Devices powered from a common AC source could be damaged if a mix of half-wave and full-wave rectified devices exists. BASstat mounts directly onto wall, panel, standard 65×65mm junction box (hole pitch 60 mm) or standard 2×4 inch vertical junction box (hole pitch 83.5 mm). To mount on electric box, separate back plate from the controller by loosening the screw. Align the mounting holes of the back plate to the screw holes of the electric box. Fix the back plate to the electric box using screws. Suggested screws for use are Phillips wide “truss head” or “washer head” screws #6-32 x ¾” (20mm). Wire the controller and mount on top of back plate. Secure by tightening the mount screw at the bottom.
WARNING: DO NOT let the back-mount screw heads rise above the back plate or it may touch the circuit board and cause a short.
BACnet/IP Wi-Fi communication requires connecting to the thermostat as an access point for initial configuration. A Wi-Fi enabled laptop/computer or smart portable device can discover the BASstat initially as a Wi-Fi access point with SSID “WiFi- 122B-xxxx” and no passphrase by default (simply click to connect to Access Point). The digits “xxxx” in “122Bxxxx” are the last 4 digits of the thermostat’s Wi-Fi chip MAC address found written on the back side. This can assist when multiple Wi-Fi stats are installed (outlined in image below). Once connected to the thermostat, open its web page by typing 192.168.0.1 with admin for username and no password. Web page will be presented for network configuration. After initial connection, the Wi-Fi mode in the thermostat can be changed to Infrastructure, and the local Wi-Fi network configuration can be entered and stored. A reboot of the thermostat is required. Thanks to its EEPROM, the BASstat will store configuration in the event of power loss.
If configuration fails or the thermostat needs to be configured to use a different Wi-Fi access point, the thermostat must be reset and reconfigured. Reset will restore all values to default and can be selected from Engineering Menu (rSt). 
Mechanical

Operation Overview
A unique Device Instance number throughout the entire BACnet network is required to distinguish the device from all other BACnet devices. When more than one BASstat is installed on the same network, their Device Instance numbers must be configured prior to connecting to the BACnet/IP network, or BACnet communication will fail due to a duplicate instance.
Device instance can be modified in Engineering Menu items (dEVH) – high bytes – and (dEVL) – low bytes; Device Instance = (dEVH)*1000+(dEVL). To enter the Engineering Menu, press the UP and DOWN buttons simultaneously for 5 seconds. Use the UP and DOWN buttons to navigate through the menu and change menu item values. Use the MODE button to enter a menu item and accept/confirm a selected value. To exit the Engineering Menu, navigate to menu item (End) and press MODE. The menu will also exit automatically 10 seconds after the last button is pressed.
The BASstat has a built-in space temperature sensor with provision for remote wired 3kΩ NTC thermistor sensor, or temperature value can be sent by another device over the BACnet network. Two control types are available: Cooling and Heating with Auto-changeover and Cooling or Heating with Manual-changeover. These control types are selectable from Engineering Menu (tyPE) or BACnet object MSV7. The default control type is Cooling and Heating with Auto-changeover. User-side comfort control is accomplished with six buttons – mode (Heat, Cool, or Ventilation – dependent on control type chosen from Engineering Menu (tyPE) or BACnet object MSV7), fan, raise, lower, set, and power. There are also options to lock select buttons or all buttons on the thermostat. A large LCD display indicates setpoint, space temperature, and current mode of operation using graphical icons. By default, the BASstat thermostat will not provide Fan output signal when in Heat Mode since most HVAC comfort systems provide their own Fan control signal based on a delay after a call for heating. This can be configured from Engineering Menu item (F-Ht) or BACnet object BV15 with a default value of 0. To enable fan output for heating, set this value to 1.
Reset settings can be performed from Engineering Menu item (rSt) which will reset all parameters including communication (MAC and Device Instance) and all control algorithm values back to factory-programmed defaults.
For complete datasheet and details on BASstat, support, or compliance information, please download our BASstat User Manual and Data Sheet at: https://www.ccontrols.com/basautomation/basstat.php
Free BACnet Discovery Tool for configuration: https://www.ccontrols.com/sd/bdt.htm
Contemporary Control Systems, Inc. reserves the right to make changes in the specifications of the product described within this manual at any time without notice and without obligation of Contemporary Control Systems, Inc. to notify any person of such revision or change.

TD150945-0IA



















