CHAMPION 201083 8500w dual fuel electric start generator

GENERATOR PARTS DIAGRAM

GENERATOR PARTS LIST
# | Part Number | Description | Qty |
1 | 100712815 | LPG Hose With Regulator, 2m x 3/8″ QC | 1 |
2 | 100713896-0001 | Screw M5 x 16 | 3 |
3 | 100163911 | Rubber Cover, LPG Regulator | 1 |
4 | 100011264-0002 | Flange Bolt M6 x 16 | 4 |
5 | 100726129-0001 | Control Panel Assembly, See Figure G | 1 |
6 | 100714096 | LPG Regulator | 1 |
7 | 100110283 | Clamp Ø17 | 3 |
8 | 100712236 | Hose, LPG, Regulator to Fuel Valve | 1 |
9 | 100090871 | Clamp Ø9.7 x 8 | 2 |
10 | 100093250-0002 | Self-tapping Screw ST4.8 x 20 | 4 |
11 | 100062546 | Wire Clip B | 1 |
12 | 100010954-0002 | Screw M5 x 12 | 2 |
13 | 100163344 | Fuel Valve | 1 |
14 | 100714686 | Clamp 2 | 2 |
15 | 100718279 | Tube, Fuel, Ø4 x Ø10 x 310 | 1 |
16 | 100005138 | Clamp Ø9.5 x 8 | 1 |
17 | 100000658 | Clamp | 3 |
18 | 100010439-0001 | Washer Ø6.5 x 2 x Ø25 | 4 |
19 | 100011268-0002 | Flange Bolt M6 x 25 | 5 |
20 | 100712240 | DC Wire Harness, Engine | 1 |
21 | 100734658 | Fuel Tank Assembly, See Figure F | 1 |
22 | 100011311-0005 | Flange Bolt M8 x 16 | 2 |
23 | 100163910-0001 | Air Guide, Muffler | 1 |
24 | 100156769 | CO Module | 1 |
25 | 100733016 | Muffler Assembly | 1 |
26 | 100000667 | Clamp Ø8 x 8 | 1 |
27 | 100011422-0004 | Flange Nut M8 | 2 |
28 | 100728060 | Frame Assembly, See Figure H | 1 |
29 | 100009983 | Grounding Wire | 1 |
30 | 100011025-0001 | Lock Washer Ø6, Toothed | 1 |
31 | 100010886-0004 | Spring Washer Ø6 | 2 |
32 | 100011421-0003 | Flange Nut M6 | 1 |
33 | 100010920-0002 | Flat Washer Ø6 | 2 |
34 | 100010828-0002 | Butterfly Type Nut M6 | 1 |
35 | 100712241 | DC Wire Harness, Battery | 1 |
36 | 100021409 | Battery, 12V 14Ah | 1 |
37 | 100021362-0003 | Fixing Bolt, Battery | 2 |
38 | 100021372-0017 | Pressing Plate, Battery, 184 mm | 1 |
39 | 100011452-0003 | Lock Nut M6, Flange | 2 |
40 | 100018704 | Rubber Plug | 1 |
41 | 100005148 | Calmp 1, Ø8 | 2 |
42 | 100712242 | Tube, Vent, 200mm | 1 |
43 | 100716905 | Tube, Vent, 855mm | 1 |
44 | 100005130 | Clamp Ø9 x 8 | 1 |
45 | 100008945 | Carbon Canister, 650cc | 1 |
46 | 100011261-0004 | Flange Bolt M6 x 12, GB5789 | 3 |
47 | 100008675-0001 | Bracket, Carbon Canister Mounting | 1 |
48 | 100716369 | Insulator, Carbon Canister | 1 |
49 | 100006941 | Gasket, Exhaust Pipe | 1 |
50 | 100724958 | Muffler Assembly | 1 |
51 | 100714387 | Muffler Guard | 1 |
52 | 100097575-0001 | Flange Bolt M6 x 10 | 15 |
53 | 100714398 | Spark Arrester | 1 |
54 | 100147110-0002 | Flange Bolt M4 x 8 | 4 |
55 | 100731805 | Muffler | 1 |
56 | 100728168 | Alternator Assembly, See Figure E | 1 |
57 | 1ZC7DFS03 | Engine, 459cc, See Figure B | 1 |
ENGINE PARTS DIAGRAM

ENGINE PARTS PART LIST
# | Part Number | Description | Qty |
1 | 100011264-0003 | Flange Bolt M6 x 16, GB5789 | 7 |
2 | 100002337 | Cylinder Head Cover | 1 |
3 | 100715570 | Breather Tube | 1 |
4 | 100055922 | Gasket, Cylinder Head Cover | 1 |
5 | 100002470 | Flange Bolt M10 x 1.25 x 87 | 4 |
6 | 100727937 | Cylinder Head Assembly – See Figure C | 1 |
7 | 100711174-0001 | Crankcase | 1 |
8 | 100141250 | Vent, Engine Fan | 1 |
9 | 100011248-0003 | Flange Bolt M5 x 10 | 1 |
10 | 100011451-0003 | Flange Nut M5 | 6 |
11 | 100010430 | Washer Ø6 x 1 x Ø12 | 6 |
12 | 100060808 | Clamp | 2 |
13 | 100000667 | Clamp Ø8 × 8 | 1 |
14 | 100011565-0001 | Flange Bolt M6 x 10, GB16674.1 | 3 |
15 | 100010920-0002 | Washer Ø6 | 3 |
16 | 100715836-0001 | Recoil Starter, Black | 1 |
17 | 100055977-0018 | Fan Cover, Yellow | 1 |
18 | 100021032 | Bracket, Air Cleaner Support | 1 |
19 | 100011460-0001 | Flange Nut M16 x 1.5 | 1 |
20 | 100007562 | Pulley, Starter | 1 |
21 | 100732996 | Carburetor Assembly – See Figure D | 1 |
22 | 100097517 | Flywheel | 1 |
23 | 100011213-0001 | Flange Bolt M6 x 8 | 1 |
24 | 100009463 | Pressing Plate | 1 |
25 | 100009405 | Ignition Coil | 1 |
26 | 100713891 | Sleeve, Fuel Hose, Ø20 x 150 | 1 |
27 | 100011269-0003 | Bolt M6 x 28 | 4 |
28 | 100730943 | Ignition Module | 1 |
29 | 100017649 | Oil Seal Ø35 x Ø52 x 7 | 1 |
30 | 100712978 | Air Filter Assembly | 1 |
31 | 100714346 | Air Filter Base | 1 |
32 | 100714345 | Air Filter Clip | 2 |
33 | 100714344 | Air Filter Separator | 1 |
34 | 100714343 | Gasket, Air Filter Cover | 1 |
35 | 100713882 | Air Filter Element | 1 |
36 | 100714350 | Air Filter Cover | 1 |
37 | 100011452-0003 | Lock Nut M6, Flange | 3 |
38 | 100007097 | Air Guide, Lower | 1 |
39 | 100011260-0005 | Flange Bolt M6 x 10 | 1 |
40 | 100010275 | Drain Bolt, M12 x 1.5 x 15 | 2 |
41 | 100010467 | Washer Ø12 x 1.5 x Ø15 | 2 |
42 | 100159468-0001 | Clamp, Fuel Hose | 1 |
43 | 100713889 | Tube, Fuel, Ø9 x Ø17 x 410 | 1 |
44 | 100007043 | Fan, Engine Cooling | 1 |
45 | 100010562 | Dowel Pin Ø12 x 20 | 2 |
46 | 100149152 | Push Rod | 2 |
47 | 100149154 | Lifter, Valve | 2 |
48 | 100003265 | Piston Ring Set | 1 |
49 | 100003168 | 1st Piston Ring | 1 |
50 | 100003210 | 2nd Piston Ring | 1 |
51 | 100003295 | Oil Ring | 1 |
52 | 100003225 | Circlip, Wrist Pin | 2 |
53 | 100030224 | Piston | 1 |
54 | 100003132 | Wrist Pin | 1 |
55 | 100719493 | Connecting Rod Assembly | 1 |
56 | 100003432 | Bolt, Connecting Rod | 2 |
57 | 100094024 | Oil Level Sensor | 1 |
58 | 100711963 | Crankshaft | 1 |
59 | 100711980 | Camshaft | 1 |
60 | 100010521-0001 | Washer Ø16.2 x 0.3 x Ø24 | 1 |
61 | 100010789 | Bearing TM6207E – P64 | 1 |
62 | 100714134 | Gasket, Crankcase Cover | 1 |
63 | 100010549 | Dowel Pin Ø8 x 12 | 2 |
64 | 100712041 | Cover, Crankcase | 1 |
65 | 100011323-0001 | Flange Bolt M8 x 38 | 9 |
66 | 100017653 | Oil Seal Ø35 x Ø52 x 7, Spiral Grain | 1 |
67 | 100004129-0008 | Oil Dipstick | 1 |
68 | 100008305 | Gear, Governor | 1 |
69 | 100010742 | Bearing TM6202 – P63 | 2 |
70 | 100150211 | Balance Shaft | 1 |
71 | 100011320-0002 | Flange Bolt M8 x 35 | 2 |
72 | 100713757 | Starter | 1 |
73 | 100715161 | Air Guide, Engine Fan | 1 |
74 | 100011261-0004 | Flange Bolt M6 x 12, GB5789 | 8 |
75 | 100717724 | Spring, Governor | 1 |
76 | 100007927 | Spring, Throttle Return | 1 |
77 | 100007958 | Rod, Governor | 1 |
78 | 100008428 | Arm, Governor | 1 |
79 | 100007989 | Cotter, Governor Shaft | 1 |
80 | 100017631 | Oil Seal Ø8 x Ø14 x 4 | 1 |
81 | 100010518-0001 | Washer Ø8 x0.8 x Ø20 | 1 |
82 | 100007980 | Governor Shaft | 1 |
CYLINDER HEAD DIAGRAM

CYLINDER HEAD PART LIST
# | Part Number | Description | Qty |
1 | 100149155 | Rocker Arm Assembly | 2 |
2 | 100004474 | Guide Plate, Push Rod | 1 |
3 | 100004589 | Retainer, Valve | 2 |
4 | 100004576 | Valve Collet | 4 |
5 | 100004516 | Valve Spring Seat, Upper | 2 |
6 | 100067633 | Spring, Valve | 2 |
7 | 100004602 | Oil Seal, Intake Valve | 1 |
8 | 100004575 | Valve Spring Seat, Lower | 2 |
9 | 100010389 | Stud Bolt M8 x 35 | 2 |
10 | 100009378 | Spark Plug F6RTC | 1 |
11 | 100719490 | Exhaust Valve | 1 |
12 | 100715291 | Cylinder Head | 1 |
13 | 100010364 | Stud Bolt M6-8 x 104 | 2 |
14 | 100719491 | Intake Valve | 1 |
15 | 100150209 | Gasket, Cylinder Head | 1 |
CARBURETOR DIAGRAM

CARBURETOR PART LIST
# | Part Number | Description | Qty |
1 | 100076230 | Gasket, Insulator | 1 |
2 | 100005618 | Insulator, Carburetor | 1 |
3 | 100076228 | Gasket, Carburetor | 1 |
4 | 100713991 | Carburetor Assembly | 1 |
5 | 100005720 | Fuel Bowl O-Ring | 1 |
6 | 100073693 | Main Jet, Standard, #114 | 1 |
7 | 100125928 | Main Jet, Altitude 1000-3000m, #112 | / |
| 100130186 | O-Ring, Solenoid Valve Base | 1 | |
8 | 100130185 | O-Ring, Solenoid Valve | 1 |
9 | 100076229 | Gasket, Air Filter Base | 1 |
10 | 100005138 | Clamp Ø9.5 x 8 | 1 |
11 | 100713890 | Fuel Tube, Ø4 x Ø10 x 480 | 1 |
12 | 100718072 | Solenoid Valve | 1 |
ALTERNATOR DIAGRAM

ALTERNATOR PART LIST
# | Part Number | Description | Qty |
1 | 100011570-0007 | Big Flange Bolt M6 x 12 | 1 |
2 | 100018662-0001 | Cover, End Housing, Yellow | 1 |
3 | 100011250-0002 | Flange Bolt M5 x 14 | 2 |
4 | 100020167 | Support, End Cover | 1 |
5 | 100011252-0001 | Flange Bolt M5 x 18 | 7 |
6 | 100018640 | AVR | 1 |
7 | 100018595 | Carbon Brush Assembly | 1 |
8 | 100000563 | Cable Ties, L=85 mm | 1 |
9 | 100009985 | Grounding Wire 1 | 1 |
10 | 100010885-0004 | Spring Washer Ø5 | 3 |
11 | 100010919-0002 | Flat Washer Ø5 | 1 |
12 | 100011305-0001 | Flange Bolt M6 x 200 | 4 |
13 | 100011400-0001 | Flange Bolt M10 x 1.25 x 285 | 1 |
14 | 100010888-0002 | Spring Washer Ø10 | 1 |
15 | 100010905-0001 | Washer Ø10 | 1 |
16 | 100011414-0001 | Flange Bolt M5 x 229 | 2 |
17 | 100011419-0001 | Flange Nut M5 | 2 |
18 | 100724466 | Alternator Assembly, Al, Ø204 x 160 mm | 1 |
19 | 100018701 | Terminal Block | 1 |
20 | 100725617 | End Housing | 1 |
21 | 100715326 | Stator Cover, 152.5 mm | 1 |
22 | 100727878 | Stator Assembly, Al, Ø204 x 160 mm | 1 |
23 | 100727879 | Rotor Assembly, Al, Ø119 x 160 mm | 1 |
24 | 100007025 | Cooling Fan | 1 |
FUEL TANK PART DIAGRAM

FUEL TANK PART LIST
# | Part Number | Description | Qty |
1 | 100098838 | Fuel Filter Assembly | 1 |
2 | 100714393 | Fuel Gauge | 1 |
3 | 100008968 | Reversal Valve | 1 |
4 | 100714399-0001 | Fuel Tank, 29.1L, Yellow | 1 |
5 | 100032369 | Vibration Mounting, Fuel Tank | 4 |
6 | 100021118 | Bushing, Ø12 x Ø9 x 13 | 4 |
7 | 100142004 | Fuel Tank Cap | 1 |
CONTROL PANEL PART DIAGRAM

CONTROL PANEL PART LIST
# | Part Number | Description | Qty |
1 | 100160006 | Control Panel Housing | 1 |
2 | 100726127 | Control Panel | 1 |
3 | 100730999 | Intelligauge, INT1OF | 1 |
4 | 100714233 | Switch, Red, Engine | 1 |
5 | 100020005 | Receptacle L5-30R | 1 |
6 | 100020021 | Receptacle L14-30R | 1 |
7 | 100052461-0001 | Receptacle 5-20R, GFCI Duplex | 2 |
8 | 100120180 | Breaker Cover | 4 |
9 | 100731573 | Receptacle Cover, L5-30R | 1 |
10 | 100731571 | Receptacle Cover, L14-30R | 1 |
11 | 100731574 | Receptacle Cover, 5-20R, Duplex | 2 |
12 | 100713001 | Control Module, Solenoid Valve | 1 |
13 | 100724627 | Charger Module | 1 |
14 | 100728387 | OVF Module | 1 |
15 | 100727088 | 35 Amp Circuit Breaker, Flip Pole | 1 |
16 | 100019751 | 30 Amp Circuit Breaker, Push Button | 2 |
17 | 100019754 | 20 Amp Circuit Breaker, Push Button | 2 |
18 | 100726128 | Wire Harness Assembly | 1 |
FRAME PART DIAGRAM

FRAME PART LIST
| # | Part Number | Description | Qty |
1 | 100726120-0001 | Frame | 1 |
2 | 100031984 | Vibration Mount 2 | 2 |
3 | 100068992 | Vibration Mount 1 | 2 |
4 | 100011453-0003 | Lock Nut M8, Flange | 4 |
5 | 100712243-0001 | Cover, Wheel, Yellow | 2 |
6 | 100011064-0001 | Roll Pin Ø16 x 100 | 2 |
7 | 100163346-0001 | 9.5 In. Wheel, Yellow | 2 |
8 | 100023414-0002 | R-pin | 2 |
9 | 100011456-0003 | Flange Nut M10 x 1.25 | 4 |
10 | 100021029-0001 | Heat Shield | 1 |
11 | 100009075 | Rubber Damper | 1 |
12 | 100011381-0002 | Flange Bolt M10 x 1.25 x 40 | 4 |
13 | 100095857-0005 | Flange Bolt M4 x 18 | 2 |
14 | 100011047-0003 | Roll Pin Ø8 x 40 | 2 |
15 | 100714685-0001 | R-pin, R5 | 2 |
16 | 100078853 | Damping Pad, Handle | 2 |
17 | 100160069-0001 | Handle | 1 |
18 | 100711157 | Grip, Handle | 1 |
19 | 100011330-0001 | Flange Bolt M8 x 48 | 4 |
20 | 100163347-0001 | Support Leg Assembly | 2 |
21 | 100011452-0003 | Lock Nut M6, Flange | 2 |
22 | 100711874-0001 | Support Leg | 2 |
23 | 100068623-0001 | Stop Block | 2 |
24 | 100058956 | Vibration Mount, Support Leg | 2 |
25 | 100011266-0004 | Flange Bolt M6 x 20 | 2 |
26 | 100011453-0002 | Flange Nut M8, GB6177.1 | 4 |
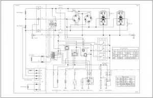
WIRING DIAGRAM

![]() | To order replacement parts please visit: shop.championpowerequipment.com or call 1-877-338-0999. |





















