ELATION Sixpar 200IP Lighting Stage Light Unit

©2022 ELATION PROFESSIONAL all rights reserved. Information, specifications, diagrams, images, and instructions herein are subject to change without notice. ELATION PROFESSIONAL logo and identifying product names and numbers herein are trademarks of ELATION PROFESSIONAL. Copyright protection claimed includes all forms and matters of copyrightable materials and information now allowed by statutory or judicial law or hereinafter granted. Product names used in this document may be trademarks or registered trademarks of their respective companies and are hereby acknowledged. All non-ELATION brands and product names are trademarks or registered trademarks of their respective companies.
ELATION PROFESSIONAL and all affiliated companies hereby disclaim any and all liabilities for property, equipment, building, and electrical damages, injuries to any persons, and direct or indirect economic loss associated with the use or reliance of any information contained within this document, and/or as a result of the improper, unsafe, insufficient and negligent assembly, installation, rigging, and operation of this product.
Elation Professional USA | 6122 S. Eastern Ave. | Los Angeles, CA. 90040 323-582-3322 | 323-832-9142 fax | www.elationlighting.com | [email protected]
Elation Professional B.V. | Junostraat 2 | 6468 EW Kerkrade, The Netherlands +31 45 546 85 66 | +31 45 546 85 96 fax | www.elationlighting.eu | [email protected]
Elation Professional Mexico | AV Santa Ana 30 | Parque Industrial Lerma, Lerma, Mexico 52000 +52 (728) 282-7070
DOCUMENT VERSION
![]() | Due to additional product features and/or enhancements, an updated version of this document may be available online. Please scan the QR Code with your mobile device or visit www.elationlighting.com for the latest revision/update of this manual, before installation and/or programming. |
| Date | Document Version | Software Version ≥ | DMX Channel Modes | Notes |
| 2/2015 | 1 | ≥1.03 | 6/7/8/12 | Initial Release |
| 09/2020 | 2 | ≥1.19 | N/C | Updated Format |
| 10/2021 | 3 | N/C | N/C | Updated Introduction |
| 12/2021 | 4 | N/C | N/C | Updated Format |
| 02/21/2022 | 5 | N/C | N/C | Updated System Menu, added RDM |
GENERAL INFORMATION
INTRODUCTION
Please read and understand the instructions in this manual carefully and thoroughly before attempting to operate this device. These instructions contain important safety and use information.
IP65 RATED
An IP rated lighting fixture is one, which is commonly installed in outdoor environments and has been designed with an enclosure that effectively protects the ingress (entry) of external foreign objects such as dust and water. The International Protection (IP) rating system is commonly expressed as “IP” (Ingress Protection) followed by two numbers (i.e. IP65) where the numbers define the degree of protection. The first digit (Foreign Bodies Protection) indicates the extent of protection against particles entering the fixture and the second digit (Water Protection) indicates the extent of protection against water entering the fixture. An IP65 rated lighting fixture is one, which has been designed and tested to protect against the ingress of dust (6) and low-pressure water jets from any direction (5).
MARINE COASTAL ENVIRONMENT INSTALLATIONS Please note that although this fixture is IP rated, the fixture is not suitable for marine/or coastal environment installations. Installing this fixture in a marine and/or coastal environment may cause corrosion and/or excessive wear to the interior and/or exterior components of the fixture. Damages and/or performance issues resulting from installation in a marine and/ or coastal environment will void the manufacturers warranty and will not be subject to any warranty claims and/or repairs.
Ensure all connections and end caps are properly sealed with a non-conductive dielectric grease (available at most electrical suppliers) to prevent water ingress/condensation and/ or corrosion.
OPTIONAL CORROSION-RESISTANT COATING
Optional Corrosion-Resistant Coatings may be available for this fixture. Please consult your Elation Professional sales representative for details.
UNPACKING
Every device has been thoroughly tested and has been shipped in perfect operating condition. Carefully check the shipping carton for damage that may have occurred during shipping. If the carton is damaged, carefully inspect the device for damage, and be sure all accessories necessary to install and operate the device have arrived intact. In the event damage has been found or parts are missing, please contact our customer support team for further instructions. Please do not return this device to your dealer without first contacting customer support. Please do not discard the shipping carton in the trash. Please recycle whenever possible.
BOX CONTENTS
- Male Edison to IP Female Power Cable 6,6 ft. (2m)
- Male 5pin XLR to IP Female DMX Input Cable 3.3 ft (1m)
- Female 5pin XLR to IP Male DMX Output Cable 3.3 ft (1m)
- Manual & Warranty Card
CUSTOMER SUPPORT
Contact ELATION Service for any product related service and support needs. Also visit forums.elationlighting.com with questions, comments or suggestions.
ELATION SERVICE USA – Monday – Friday 8:00am to 4:30pm PST 323-582-3322 | Fax 323-832-9142 | [email protected]
ELATION SERVICE EUROPE – Monday – Friday 08:30 to 17:00 CET +31 45 546 85 63 | Fax +31 45 546 85 96 | [email protected]
REPLACEMENT PARTS
please visit parts.elationlighting.com
WARR ANTY RETURNS (USA ONLY)
A. Elation Professional hereby warrants, to the original purchaser, Elation Professional products to be free of manufacturing defects in material and workmanship for a period of two years (730 days), and Elation Professional product rechargeable batteries to be free of manufacturing defects in material and workmanship for a period of six months (180 days), from the original date of purchase. This warranty excludes discharge lamps and all product accessories. This warranty shall be valid only if the product is purchased within the United States of America, including possessions and territories. It is the owner’s responsibility to establish the date and place of purchase by acceptable evidence, at the time service is sought.
B. For warranty service, send the product only to the Elation Professional factory. All shipping charges must be pre-paid. If the requested repairs or service (including parts replacement) are within the terms of this warranty, Elation Professional will pay return shipping charges only to a designated point within the United States. If any product is sent, it must be shipped in its original package and packaging material. No accessories should be shipped with the product. If any accessories are shipped with the product, Elation Professional shall have no liability what-so-ever for loss and/or damage to any such accessories, nor for the safe return thereof.
C. This warranty is void if the product serial number and/or labels are altered or removed; if the product is modified in any manner which Elation Professional concludes, after inspection, affects the reliability of the product; if the product has been repaired or serviced by anyone other than the Elation Professional factory unless prior written authorization was issued to purchaser by Elation Professional; if the product is damaged because not properly maintained as set forth in the product instructions, guidelines and/or user manual.
D. This is not a service contract, and this warranty does not include any maintenance, cleaning or periodic check-up. During the periods as specified above, Elation Professional will replace defective parts at its expense, and will absorb all expenses for warranty service and repair labor by reason of defects in material or workmanship. The sole responsibility of Elation Professional under this warranty shall be limited to the repair of the product, or replacement thereof, including parts, at the sole discretion of Elation Professional. All products covered by this warranty were manufactured after January 1, 1990, and bare identifying marks to that effect.
E. Elation Professional reserves the right to make changes in design and/or performance improvements upon its products without any obligation to include these changes in any products theretofore manufactured.
F. No warranty, whether expressed or implied, is given or made with respect to any accessory supplied with the products described above. Except to the extent prohibited by applicable law, all implied warranties made by Elation Professional in connection with this product, including warranties of merchantability or fitness, are limited in duration to the warranty periods set forth above. And no warranties, whether expressed or implied, including warranties of merchantability or fitness, shall apply to this product after said periods have expired. The consumer’s and/or dealer’s sole remedy shall be such repair or replacement as is expressly provided above; and under no circumstances shall Elation Professional be liable for any loss and/or damage, direct and/or consequential, arising out of the use of, and/or the inability to use, this product.
G. This warranty is the only written warranty applicable to Elation Professional products and supersedes all prior warranties and written descriptions of warranty terms and conditions heretofore published.
WARRANTY RETURNS
All returned service items whether under warranty or not, must be freight pre-paid and accompany a return authorization (R.A.) number. The R.A. number must be clearly written on the outside of the return package. A brief description of the problem as well as the R.A. number must also be written down on a piece of paper and included in the shipping container. If the unit is under warranty, you must provide a copy of your proof of purchase invoice. Items returned without a R.A. number clearly marked on the outside of the package will be refused and returned at customer’s expense. You may obtain a R.A. number by contacting customer support.
SAFETY GUIDELINES
This fixture is a sophisticated piece of electronic equipment. To guarantee a smooth operation, it is important to follow all instructions and guidelines in this manual. Elation Professional is not responsible for injury and/or damages resulting from the misuse of this fixture due to the disregard of the information printed in this manual. Only qualified and/or certified personnel should perform installation of this fixture and only the original rigging parts (omega brackets) included with this fixture should be used for installation. Any modifications to the fixture and/ or the included mounting hardware will void the original manufactures warranty and increase the risk of damage and/or personal injury.
![]() | PROTECTION CLASS 1 – FIXTURE MUST BE PROPERLY GROUNDED. |
![]() | THERE ARE NO USER SERVICEABLE PARTS INSIDE THIS UNIT. DO NOT ATTEMPT ANY REPAIRS YOURSELF; DOING SO WILL VOID YOUR MANUFACTURER’S WARRANTY. DAMAGES RESULTING FROM MODIFICATIONS TO THIS FIXTURE AND/OR THE DISREGARD OF SAFETY INSTRUCTIONS AND GUIDELINES IN THIS MANUAL VOID THE MANUFACTURE’S WARRANTY AND ARE NOT SUBJECT TO ANY WARRANTY CLAIMS AND/OR REPAIRS |
![]() | DO NOT PLUG FIXTURE INTO A DIMMER PACK! NEVER OPEN THIS FIXTURE WHILE IN USE! UNPLUG POWER BEFORE SERVICING FIXTURE! NEVER TOUCH FIXTURE DURING OPERATION, AS IT MAY BE HOT! KEEP FLAMMABLE MATERIALS AWAY FROM FIXTURE! |
![]() | NEVER LOOK DIRECTLY INTO THE LIGHT SOURCE! RETINA INJURY RISK – MAY INDUCE BLINDNESS! SENSITIVE PERSONS MAY SUFFER AN EPILEPTIC SHOCK! |
![]() | MINIMUM DISTANCE TO OBJECTS/SURFACES MUST BE 65.6 FEET (20 METERS) MAXIMUM TEMP OF EXTERNAL SURFACE 212° F (100°C) MINIMUM DISTANCE OF INFLAMMABLE MATERIALS FROM THE SURFACE 1.6 FEET (0.5 METER) |
SAFETY GUIDELINES
RISK GROUP 3 – RISK OF EXPOSURE TO ULTRAVIOLET UV RADIATION! FIXTURE EMITS HIGH INTENSITY WAVELENGTH OF ULTRAVIOLET UV LIGHT FROM THE UV LED. WEAR PROPER EYE AND SKIN PROTECTION. AVOID PROLONGED PERIODS OF EXPOSURE TO UV LED. AVOID WEARING WHITE COLOR CLOTHING AND/OR USING UV PAINTS ON SKIN. AVOID DIRECT EYE AND/OR SKIN EXPOSURE AT DISTANCES LESS THAN 11 FEET (3.3m).
DO NOT OPERATE FIXTURE WITH DAMAGED/MISSING EXTERNAL COVERS. DO NOT LOOK DIRECTLY INTO THE UV LIGHT AND/OR VIEW UV LIGHT DIRECTLY WITH OPTICAL INSTRUMENTS THAT MAY CONCENTRATE THE LIGHT/ RADIATION OUTPUT. INDIVIDUALS SUFFERING FROM A RANGE OF EYE CONDITIONS, SUNLIGHT EXPOSURE DIS-ORDERS, OR INDIVIDUALS USING PHOTOSENSITIVE MEDICATION, MAY RECEIVE DISCOMFORT IF EXPOSED TO THE ULTRAVIOLET UV LIGHT EMITTED FROM THE UV LED.
DO NOT TOUCH the fixture housing during operation. Turn OFF the power and allow approximately 15 minutes for the fixture to cool down before serving.
DO NOT shake fixture, avoid brute force when installing and/or operating fixture.
DO NOT operate fixture if the power cord is frayed, crimped, damaged and/or if any of the power cord connectors are damaged and do not insert into the fixture securely with ease. NEVER force a power cord connector into the fixture. If the power cord or any of its connectors are damaged, replace it immediately with a new one of similar power rating.
DO NOT block any air ventilation slots.
All fan and air inlets must remain clean and never blocked.
Allow approx. 6″ (15cm) between fixture and other devices or a wall for proper cooling.
Always disconnect fixture from main power source before performing any type of service and/or cleaning procedure. Only handle the power cord by the plug end,
During the initial operation of this fixture, a light smoke or smell may emit from the interior of the fixture. This is a normal process and is caused by excess paint in the interior of the casing burning off from the heat associated with the lamp and will decrease gradually over time.
Consistent operational breaks will ensure fixture will function properly for many years.
ONLY use the original packaging and materials to transport the fixture in for service.
OVERVIEW

TORQUE SETTINGS FOR SCREWS

The hex-head screws holding either the panels or the base MUST be tightened with a torque wrench (not included). TORQUE SETTING = 11 lbf-in. (12.7kgf-cm)* * lbf-in = Pound Force Inches | kgf-cm = Kilogram Force Centimeters
CAUTION! DO NOT OVER TORQUE SCREWS AS THIS CAN CAUSE LEAKAGE ISSUES!
TO CONFIRM THE IP65 INTEGRITY AFTER A LAMP REPLACEMENT, TEST FIXTURE USING THE ELATION IP TESTER. CONTACT ELATION SERVICE FOR MORE DETAILS.
INSTALLATION GUIDELINES
![]() | FLAMMABLE MATERIAL WARNING Keep fixture minimum 5.0 feet (1.5m) away from flammable materials and/or pyrotechnics. |
![]() | ELECTRICAL CONNECTIONS A qualified electrician should be used for all electrical connections and/or installations. |
![]() | USE CAUTION WHEN POWER LINKING OTHER MODEL FIXTURES AS THE POWER CONSUMPTION OF OTHER MODEL FIXTURES MAY EXCEED THE MAX POWER OUTPUT ON THIS FIXTURE. CHECK SILK SCREEN FOR MAX AMPS. |
![]() | MINIMUM DISTANCE TO OBJECTS/SURFACES MUST BE 1.6 FOOT (0.5 METERS) |
![]() | MINIMUM DISTANCE OF INFLAMMABLE MATERIALS FROM THE SURFACE 1.6 FEET (0.5 METER) |
![]() | MAXIMUM AMBIENT TEMPERATURE 113°F (45°C) |
![]() | DO NOT INSTALL THE FIXTURE IF YOU ARE NOT QUALIFIED TO DO SO! |
Fixture MUST be installed following all local, national, and country commercial electrical and construction codes and regulations.
Before rigging/mounting the fixture to any metal truss/structure or placing the fixture on any surface, a professional equipment installer MUST be consulted to determine if the metal truss/ structure or surface is properly certified to safely hold the combined weight of the fixture, clamps, cables, and accessories.
Overhead rigging requires extensive experience, including, amongst others, calculating working load limits, installation material being used, and periodic safety inspection of all installation material and the fixture. If you lack these qualifications, do not attempt the installation yourself. Improper installation can result in bodily injury.
Fixture ambient operating temperature range is 14° to 113°F. (-10° to 45°C)
Do not use the fixture under or above this temperature.
Fixture should be installed in areas outside walking paths, seating areas, or away from areas were unauthorized personnel might reach the fixture by hand.
NEVER stand directly below the fixture when rigging, removing or servicing. Overhead fixture installation must always be secured with a secondary safety attachment, such as an appropriately rated safety cable.
Allow approximately 10 minutes for the fixture to cool down before serving. 10
MOUNTING THE FIXTURE ON A TRUSS USING CLAMP
When mounting the fixture to a truss, be sure to secure an appropriately rate professional grade rigging clamp (not included) to the closed dual yokes using an M10 screw fitted through the center hole of the closed dual yokes. The dual yokes of the fixture provides a rigging point for a SAFETY CABLE (not included). Be sure to only use one of the designated rigging points for the safety cable and never secure a safety cable to a carrying handle.
SAFETY CABLE
ALWAYS ATTACH AN APPROPRIATELY RATED SAFETY CABLE WHENEVER INSTALLING THIS FIXTURE IN A SUSPENDED ENVIRONMENT TO ENSURE THE FIXTURE WILL NOT FALL IF THE CLAMP FAILS.

RIGGING
Overhead rigging requires extensive experience, including among others calculating working load limits, installation material being used, and periodic safety inspection of all installation material and the fixture. If you lack these qualifications, do not attempt the installation yourself. Improper installation can result in bodily injury.

POWER AND DATA CABLES
TO MAINTAIN THE IP65 RATING INTEGRITY OF THE FIXTURE, ALL CABLES MUST BE RUN TOWARDS THE GROUND TO PREVENT WATER ACCUMULATION AROUND THE CONNECTIONS.
REMOTE DEVICE MANAGEMENT (RDM)
NOTE: In order for RDM to work properly, RDM enabled equipment must be used throughout the entire system, including DMX data splitters and wireless systems.
Remote Device Management (RDM) is a protocol that sits on top of the DMX512 data standard for lighting, allowing the DMX systems of the fixtures to be modified and monitored remotely. This protocol is ideal for instances in which a unit is installed in a location that is not easily accessible.
With RDM, the DMX512 system becomes bi-directional, allowing a compatible RDM enabled controller to send out a signal to devices on the wire, as well as allowing the fixture to respond (known as a GET command). The controller can then use its SET command to modify settings that would typically have to be changed or viewed directly via the unit’s display screen, including the DMX Address, DMX Channel Mode, and Temperature Sensors.
Please be aware that not all RDM devices support all RDM features, and therefore it is important to check beforehand to ensure that the equipment that you are considering includes all of the features that you require.
The following parameters are accessible in RDM on this device:
MANUFACTURER |
MANUFACTURER ID |
| DEVICE ID |
MODEL ID |
DMX START ADDRESS |
DMX PERSONALITY |
| DMX SLOTS |
| SOFTWARE VERSION |
DMX SETUP
DMX-512
DMX is short for Digital Multiplex. This is a universal protocol used by most lighting and controller manufactures as a form of communication between intelligent fixtures and controllers. DMX allows all makes and models of different manufactures to be linked together and operate from a single controller. This is possible as long as all the fixtures and the controller are DMX compliant. A DMX controller sends the DMX data instructions to the fixture allowing the user to control the different aspects of an intelligent light. DMX data is sent out as serial data that travels from fixture to fixture via data “IN” and data “OUT” XLR terminals located on the fixtures (most controllers will only have output jacks).
DMX LINKING
To ensure proper DMX data transmission, always use the SIXPARTM series IP rated DMX cables listed in the OPTIONAL ACCESSORIES section at the end of this manual. When using several DMX fixtures try to use the shortest cable path possible. Never split a DMX line with a “Y” style connector. The order in which the fixtures are connected in a DMX line does not influence the DMX addressing. For example; a fixture assigned a starting DMX address of 1 may be placed anywhere in the DMX chain, at the beginning, at the end, or anywhere in the middle. The DMX controller knows to send data assigned to address 1 to that fixture no matter where it is located in the DMX chain. The SIXPAR 200IPTM can be controlled via DMX-512 protocol and the DMX address is set via the control menu.
DMX Cable REQUIREMENTS (For DMX and Primary/Secondary Operation)
Your fixture and your DMX controller require a standard 3pin or 5pin XLR connector for data input and data output. Also, remember that a DMX line must be daisy chained and cannot be split.
DMX-512 CONTROLLER CONNECTION
Connect the provided XLR cable to the female XLR output of your controller and the other side to the male XLR input of the SIXPAR 200IPTM . The diagram below illustrates a typical DMX-512 connection when the fixture is in the 12 Channel Mode. You can chain multiple panels together through serial linking. Always be sure daisy chain your in and out data connections, never split or “Y” your DMX connections.

DMX-512 CONNECTION WITH DMX TERMINATOR

A DMX terminator should be used in all DMX lines especially in longer runs. The use of a terminator may avoid erratic behavior in your DMX line. A terminator is a 120 ohm 1/4 watt resistor that is connected between pins 2 and 3 of a male XLR connector (DATA + and DATA -). This fixture is inserted in the female XLR connector of the last fixture in your daisy chain to terminate the line. Using a line terminator will decrease the possibilities of erratic behavior. Use the SIXPARTM DMX Terminator End Cap listed in the OPTIONAL ACCESSORIES section at the end of this manual.
DMX ADDRESSING
All fixtures should be given a DMX starting address when using a DMX controller, so the correct fixture responds to the correct control signal. This digital starting address is the channel number from which the fixture starts to “listen” to the digital control information sent out from the DMX controller. The allocation of this starting DMX address is achieved by setting the correct DMX address on the digital display located on the back of the fixture. The same starting address can be set for all fixtures or a group of fixtures, or set different address for each individual fixture.
Be advised that setting all fixtures to the same DMX address will subsequently control all fixtures in the same fashion, in other words, changing the settings of one channel will affect all the fixtures simultaneously.
If a different DMX address is set for each fixture, each unit will start to “listen” to the channel number you have set, based on the quantity of control channels (DMX channels) of each fixture. That means changing the settings of one channel will only affect the selected fixture.
In the case of the SIXPAR 200IPTM, when in the 12 Channel Mode you should set the starting DMX address of the first unit to 1, the second unit to 13 (1 + 12), the third unit to 25 (13 + 12), and so on.
Note: During start-up the SIXPAR 200IPTM will automatically detect whether a DMX data signal is being received or not. If the fixture is not receiving a DMX signal please check the following:
– The 3pin or 5pin XLR input plug (cable with DMX signal from controller) is not connected or is not inserted completely into the DMX input jack of the fixture.
– The DMX controller is switched off or defective.
– The DMX cable or connector is defective.
– A DMX terminator has been inserted into the last fixture in your DMX chain
The SIXPAR 200IP™ comes with an easy to navigate system menu. The next sections will cover how to access each menu function.
LCD CONTROL PANEL DISPLAY
The (4) button control panel (see image below) located on back of the fixture allows you to access the main menu and make all necessary adjustments to the SIXPAR 200IP™.
During normal operation, pressing the MODE button will navigate through the different function menus. Once you reach a desired menu, press the ENTER button to select that menu. The variable field that can be adjusted within the selected menu will begin to flash. Using the UP or DOWN buttons, adjust the field until the desired value is displayed. For example, the CHANNEL CH: menu variable field can be set to 06, 07, 08, or 12. Pressing the ENTER button once will confirm your selected value. Exit at any time without making any adjustments by pressing the MODE button.

INFORMATION DISPLAYED DURING INITIAL POWER ON
When the fixture is initially powered ON, the display shows the following information:
LCD CONTROL PANEL LOCKOUT
When the Display ON menu is set to OFF1, the LCD display will turn OFF after 30 seconds and
the (4) button Control Panel will be LOCKED. To unlock the (4) button LCD control panel, press
and hold the MODE button for 5 seconds.
ELATION SIXPAR 200IP | ||
| Supports Software Versions: ≥ 1.19 | ||
| MAIN MENU | OPTIONS / VALUES (Default Settings in BOLD) | DESCRIPTION |
| Channel | CH: 06, 07, 08, 12 | DMX Channel Mode |
| DMX Mode | ADDR: 001 ~ 512 | DMX Address Setting |
| Secondary Mode | SECONDARY MODE | Set Fixture A secondary Unit |
| Display On | ON | LCD Display Always ON |
| OFF | LCD Display OFF after 30 Seconds | |
| OFF1 | LCD Display OFF after 30 Seconds and LOCKED | |
| Internal Programs | 1.MANUAL | Manual Color Adjustment |
| R00-99 | Adjust RED Brightness (00-99) | |
| G00-99 | Adjust GREEN Brightness (00-99) | |
| B00-99 | Adjust BLUE Brightness (00-99) | |
| W00-99 | Adjust WHITE Brightness (00-99) | |
| A00-99 | Adjust AMBER Brightness (00-99) | |
| U00-99 | Adjust UV Brightness (00-99) | |
| S00-99 | Adjust STROBE SPEED 00 SLOW (0.1Hz) – 99 FAST (20Hz) | |
| 2.CHANGE | 30 Color Chase Macro | |
| SP01-99 | Adjust SPEED 01 SLOW – 99 FAST | |
| S00-99 | Adjust STROBE SPEED 00 SLOW (0.1Hz) – 99 FAST (20Hz) | |
| 3.CHANG6 | 6 Color Chase Macro | |
| SP01-99 | Adjust SPEED 01 SLOW – 99 FAST | |
| S00-99 | Adjust STROBE SPEED 00 SLOW (0.1Hz) – 99 FAST (20Hz) | |
| 4.FADE | Color Fade Macro | |
| SP01-99 | Adjust SPEED 01 SLOW 99 – FAST | |
| S00-99 | Adjust STROBE SPEED 00 SLOW (0.1Hz) – 99 FAST (20Hz) | |
| DimCurve | Standard, Stage, TV, Architec, Theatre | Set Dimming Curve |
| No DMX | Blackout | No Output |
| Hold | Hold Last Setting | |
| Fade | Fade | |
DIMMER MODE


DMX TRAITS: CHANNEL FUNCTIONS & VALUES
| |||||
Supports Software Versions: ≥ 1.19 | |||||
Features subject to change without notice | |||||
| MODE/CHANNEL | VALUE | FUNCTION | |||
| 6CH | 7CH | 8CH | 12CH | ||
| 1 | 1 | 1 | 1 | Red: | |
| 0-255 | Red (0-100%) | ||||
| 2 | 2 | 2 | 2 | Green: | |
| 0-255 | Green (0-100%) | ||||
| 3 | 3 | 3 | 3 | Blue: | |
| 0-255 | Blue (0-100%) | ||||
| 4 | 4 | 4 | 4 | White: | |
| 0-255 | White (0-100%) | ||||
| 5 | 5 | 5 | 5 | Amber: | |
| 0-255 | Amber (0-100%) | ||||
| 6 | 6 | 6 | 6 | U.V.: | |
| 0-255 | U.V. (0-100%) | ||||
| 7 | 7 | 7 | Master Dimmer: | ||
| 0-255 | Dimmer (0-100%) | ||||
| 8 | 8 | STROBE: | |||
| 0-31 | LED OFF (NO STROBE) | ||||
| 32-95 | Strobe Effect SLOW to FAST | ||||
| 96-127 | LED ON (NO STROBE | ||||
| 128-159 | Strobe Pulse Effect in Sequence SLOW to FAST | ||||
| 160-191 | LED ON (NO STROBE) | ||||
| 192-223 | Random Strobe Effect SLOW to FAST | ||||
| 224-255 | LED ON (NO STROBE) | ||||
| 9 | COLOR MACROS | ||||
| 0-3 | OFF | ||||
| 4-7 | RED | ||||
| 8-11 | GREEN | ||||
| 12-15 | BLUE | ||||
| 16-19 | WHITE | ||||
| 20-23 | AMBER | ||||
| 24-27 | UV | ||||
| 28-31 | RED + GREEN | ||||
| 32-35 | RED + BLUE | ||||
| 36-39 | RED + BLUE | ||||
| 40-43 | RED + AMBER | ||||
| 44-47 | RED + UV | ||||
| 48-51 | GREEN + BLUE | ||||
| 52-55 | GREEN + WHITE | ||||
| 56-59 | GREEN + AMBER | ||||
| 60-63 | GREEN + UV | ||||
| 64-67 | BLUE + WHITE | ||||
| 68-71 | BLUE + AMBER | ||||
| 72-75 | BLUE + UV | ||||
| 76-79 | WHITE + AMBER | ||||
| 80-83 | WHITE + UV | ||||
| 84-87 | AMBER + UV | ||||
| 88-91 | RED + GREEN + BLUE | ||||
| 92-95 | RED + GREEN + WHITE | ||||
| 96-99 | RED + GREEN + AMBER | ||||
| 100-103 | RED + GREEN + UV | ||||
| 104-107 | RED + BLUE + WHITE | ||||
| 108-111 | RED + BLUE + AMBER | ||||
| 112-115 | RED + BLUE + UV | ||||
| |||||
Supports Software Versions: ≥ 1.19 | |||||
Features subject to change without notice | |||||
MODE/CHANNEL | VALUE | FUNCTION | |||
| 6CH | 7CH | 8CH | 12CH | ||
| 9 | |||||
| 116-119 | RED + WHITE + AMBER | ||||
| 120-123 | RED + WHITE + UV | ||||
| 124-127 | RED + AMBER + UV | ||||
| 128-131 | GREEN + BLUE + WHITE | ||||
| 132-135 | GREEN + BLUE + AMBER | ||||
| 136-139 | GREEN + BLUE + UV | ||||
| 140-143 | GREEN + WHITE + AMBER | ||||
| 144-147 | GREEN + WHITE + UV | ||||
| 148-151 | GREEN + AMBER + UV | ||||
| 152-155 | BLUE + WHITE + AMBER | ||||
| 156-159 | BLUE + WHITE + UV | ||||
| 160-163 | BLUE + AMBER + UV | ||||
| 164-167 | WHITE + AMBER + UV | ||||
| 168-171 | RED +GREEN + BLUE + WHITE | ||||
| 172-175 | RED + GREEN + BLUE + AMBER | ||||
| 176-179 | RED + GREEN + BLUE + UV | ||||
| 180-183 | RED + GREEN + WHITE + AMBER | ||||
| 184-187 | RED + GREEN + WHITE + UV | ||||
| 188-191 | RED + GREEN + AMBER + UV | ||||
| 192-195 | RED + BLUE + WHITE + AMBER | ||||
| 196-199 | RED + BLUE + WHITE + UV | ||||
| 200-203 | RED + BLUE + AMBER + UV | ||||
| 204-207 | RED + WHITE + AMBER + UV | ||||
| 208-211 | GREEN + BLUE + WHITE + AMBER | ||||
| 212-215 | GREEN + BLUE + WHITE + UV | ||||
| 216-219 | GREEN + BLUE + AMBER + UV | ||||
| 220-223 | GREEN + WHITE + AMBER + UV | ||||
| 224-227 | BLUE + WHITE + AMBER + UV | ||||
| 228-231 | RED + GREEN + BLUE + WHITE + AMBER | ||||
| 232-235 | RED + GREEN + BLUE + WHITE + UV | ||||
| 236-239 | RED + GREEN + BLUE + AMBER + UV | ||||
| 240-243 | RED + GREEN + WHITE + AMBER + UV | ||||
| 244-247 | RED + BLUE + WHITE + AMBER + UV | ||||
| 248-251 | GREEN + BLUE + WHITE + AMBER + UV | ||||
| 252-255 | RED + GREEN + BLUE + WHITE + AMBER + UV | ||||
| 10 | COLOR CHASE MACROS | ||||
| 0-20 | NO FUNCTION | ||||
| 21-40 | 30 COLOR CHASE | ||||
| 41-60 | 6 COLOR CHASE | ||||
| 61-80 | COLOR FADE CHASE | ||||
| 81-255 | NO FUNCTION | ||||
| 11 | COLOR CHASE MACROS SPEED | ||||
| 0-255 | CHASE SPEED OF CHANNEL 10-SLOW TO FAST | ||||
| 12 | DIMMING MODES | ||||
| 0-20 | STANDARD | ||||
| 21-40 | STAGE | ||||
| 41-60 | TV | ||||
| 61-80 | ARCHITECTURAL | ||||
| 81-100 | THEATER | ||||
| 101-255 | NO FUNCTION | ||||
MAINTENANCE GUIDELINES
DISCONNECT POWER BEFORE PERFORMING ANY MAINTENANCE!
CLEANING
Frequent cleaning is recommended to insure proper function, optimized light output, and an extended life. The frequency of cleaning depends on the environment in which the fixture operates: damp, smoky or particularly dirty environments can cause greater accumulation of dirt on the fixture’s optics. Clean the external lens surface at least every 20 days with a soft cloth to avoid dirt/debris accumulation. NEVER use alcohol, solvents, or ammonia-based cleaners.
MAINTENANCE
Regular inspections are recommended to insure proper function and extended life. There are no user serviceable parts inside this fixture, please refer all other service issues to an authorized Elation service technician. Should you need any spare parts, please order genuine parts from an authorized Elation dealer. Please refer to the following points during routine inspections:
- A detailed electric check by an approved electrical engineer every three months, to make
sure the circuit contacts are in good condition and prevent overheating. - Be sure all screws and fasteners are securely tightened at all times. Lose screws may fall
out during normal operation resulting in damage or injury as larger parts could fall. - Check for any deformations on the housing, color lenses, rigging hardware and rigging
points (ceiling, suspension, trussing). Deformations in the housing could allow for dust to enter into the fixture. Damaged rigging points or unsecured rigging could cause the fixture to fall and seriously injure a person(s). - Electric power supply cables must not show any damage, material fatigue or sediments.
- NEVER remove the ground prong from the power cable.
SPECIFICATIONS
SOURCE
(12) 12W 6-in-1 RGBAW+UV LEDs
100,000 Hour Average LED Life*
*LED Life may vary depending on several factors including but not limited to:
Environmental Conditions, Power/Voltage, Usage Patterns (On-Off Cycling), Control, and Dimming.
PHOTOMETRIC DATA
22,250 LUX 2.067 FC @3.3’ (1m) (15° Full ON)
EFFECTS
Electronic Strobe
Color and Chase Macros
Electronic Dimming: 0% – 100%
5 Variable Dimming Curve Modes
CONTROL / CONNECTIONS
(4) DMX Channel Modes (6 / 7 / 8 / 12)
(4) Button Touch Control Panel
LCD Menu Display
IP DMX In/Out
IP Power In/Out
With Wired Digital Communication Network
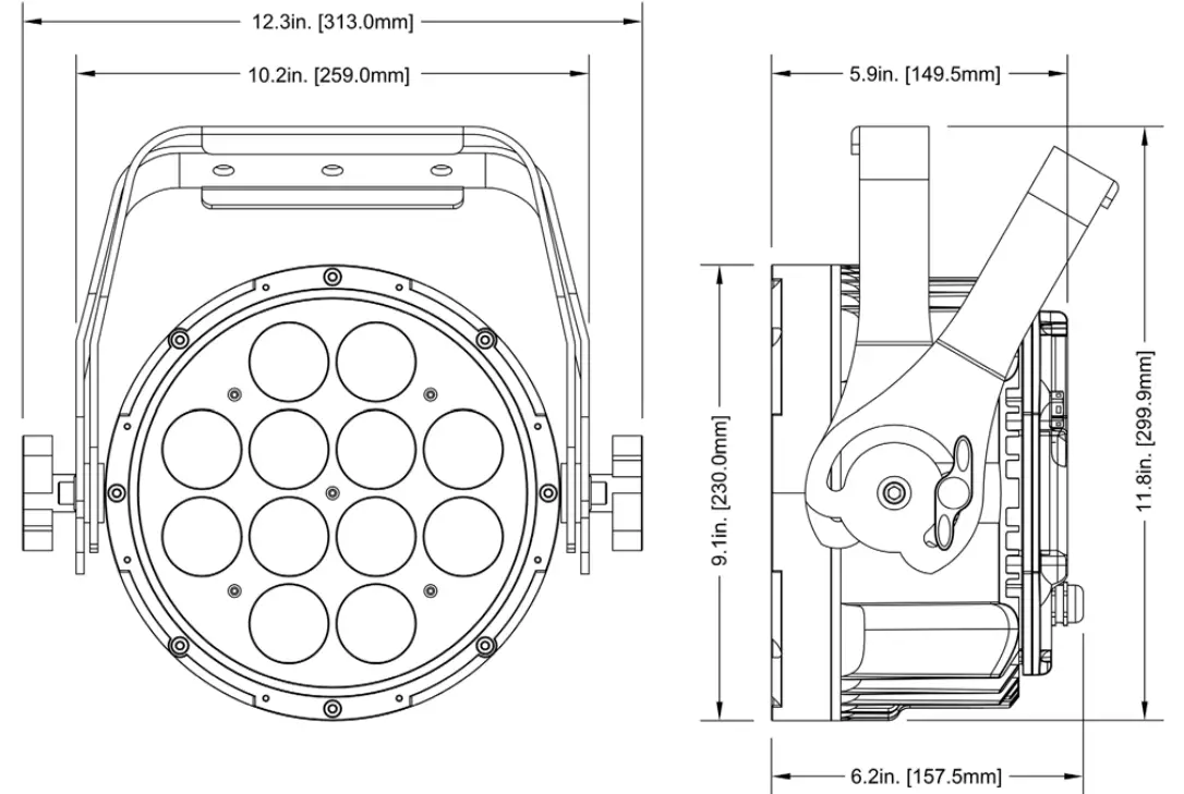
SIZE / WEIGHT
Length: 12.3” (313mm)
Width: 6.2” (157mm)
Vertical Height: 11.8” (300mm)
Weight: 12.6 lbs. (5.7 kg)
ELECTRICAL / THERMAL
AC 110-250V – 50/60Hz
89W Max Power Consumption
Power Linking: 12pcs @110V / 25pcs @240V
5°F to 113°F (-15°C to 45°C)
UV Wavelength: 395nm
APPROVALS / RATINGS
CE | cETLus | IP65
INCLUDED ITEMS
Male Edison to IP Female Power Cable 6,6 ft. (2m) (16AWG)
Male 5pin XLR to IP Female DMX Input Cable 3.3 ft (1m) 24AWG)
Female 5pin XLR to IP Male DMX Output Cable 3.3 ft (1m) 24AWG)
FIRMWARE UPDATES
Current Version: V1.19
Click HERE for software updates
Specifications and documentation subject to change without notice.
PHOTOMETRIC DATA

DIMENSIONS
*Drawings not to scale. Specifications and improvements in the design of this unit and this manual are subject to change without notice.

OPTIONAL ACCESSORIES
| ORDER CODE | ITEM |
| SIXPAR0300/GFH | Gel Frame Holder Kit |
| SIXPAR/BD300 | Barn Door |
| NOTE: Gel Frame Holder Kit required to attach Barn Door. (Sold separately) | |
| SIXPAR/2MDLC | 6.6 ft. (2m) IP Data Link Cable |
| SIXPAR/2MPLC | 6.6 ft. (2m) IP Power Link Cable |
| SIXPAR/3MDLC | 9.8 ft. (3m) IP Data Link Cable |
| SIXPAR/3MDLC | 9.8 ft. (3m) IP Power Link Cable |
| SIXPAR/5MDLC *SPECIAL ORDER* | 16.4 ft. (5m) IP Data Link Cable |
| SIXPAR/5MPLC *SPECIAL ORDER* | 16.4 ft. (5m) IP Power Link Cable |
| SIXPAR/10MDLC *SPECIAL ORDER* | 32.8 ft. (10m) IP Data Link Cable |
| SIXPAR/10MPLC *SPECIAL ORDER* | 32.8 ft. (10m) IP Power Link Cable |
| SIXPAR/20MDLC *SPECIAL ORDER* | 65.6 ft. (20m) IP Data Link Cable |
| SIXPAR/20MPLC *SPECIAL ORDER* | S65.6 ft. (20m) IP Power Link Cable |
| SIXPAR/DIAC | Data IN IP Adapter Cable |
| SIXPAR/DOAC | Data OUT IP Adapter Cable |
| SIXPAR/PIAC | Power IN IP Adapter Cable |
| SIXPAR/POAC | Power OUT IP Adapter Cable |
| SIXPAR/TERMINATOR | DMX Terminator End Cap |
FCC STATEMENT
This device complies with Part 15 of the FCC Rules. Operation is subject to the following two conditions: (1) this device may not cause harmful interference, and (2) this device must accept any interference received, including interference that may cause undesired operation. FCC RADIO
FREQUENCY INTERFERENCE WARNINGS & INSTRUCTIONS
This product has been tested and found to comply with the limits as per Part 15 of the FCC Rules. These limits are designed to provide reasonable protection against harmful interference in a residential installation. This device uses and can radiate radio frequency energy and, if not installed and used in accordance with the included instructions, may cause harmful interference to radio communications. However, there is no guarantee that interference will not occur in a particular installation. If this device does cause harmful interference to radio or television reception, which can be deter- mined by turning the device off and on, the user is encouraged to try to correct the interference by one or more of the following methods:
- Reorient or relocate the device.
- Increase the separation between the device and the receiver.
- Connect the device to an electrical outlet on a circuit different from which the radio
receiver is connected. - Consult the dealer or an experienced radio/TV technician for help.
Energy Saving Matters (EuP 2009/125/EC)
Saving electric energy is a key to help protecting the environment. Please turn off all electrical products when they are not in use. To avoid power consumption in idle mode, disconnect all electrical equipment from power when not in use. Thank you!





















