belangerh2o QUA90CMB Bathtub/Shower Faucet with Pressure Balanced Valve Instruction Manual
Included


No | Description | Part Piece |
| 1 | Handle kit | FCKTS2045MB |
2 | Allen screw | 923001 |
| 3 | Trim Cap | FCDEC4007MB |
4 | Trim sleeve | FCDEC5005MB |
| 5 | Plate screw | FC94680-7A |
6 | Face plate with seal joint | FCDEC7026MB |
| 7 | Threaded Sleeve | N/A |
8 | Handle adapter | 9ACOO8CAP |
| 9 | Ceramic cartridge | FC9ACOO8C |
10 | Check /stop valves kit | FC9100005 |
| 11 | Shower flange | FCDEC3020MB |
12 | Shower arm | B29-106MB |
| 13 | Shower head | FCSPS3005MB |
14 | Slip-on diverter spout | FCSPS6010MB |
| 15 | Screw cover plate with o-ring | FCDEC7028MB |
CARE INSTRUCTIONS
Rinse the product with clear water.
Dry the product with a soft cloth.
DO NOT:
Use abrasive cleansers, cloths, or paper towels. Use any cleaning agents containing acid, polish, wax, alcohol, ammonia, bleach, solvent or any other corrosive or harsh chemical cleansers.
IMPORTANT
Bélanger recommends using a professional plumber for all installation and repair. Please inform yourself about the Canadian Plumbing Code’s regulations and your local municipality plumbing codes before installation. The Canadian Plumbing Code requires the installation of surge arresting devices to eliminate water hammering. ALLOW AN ADEQUATE OPENING IN ORDER TO EASILY ACCESS CONNECTIONS OR OTHER PLUMBING DEVICES FOR MAINTENANCE OR REPAIR.
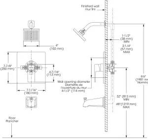
Technical drawing
QUA90CMB

RECOMMENDED TOOLS




Included
Thread seal tape
** Apply Bélanger thread seal tape on threaded connections.
The model shown in the installation steps may differ from the one in box however the connection type and installation steps are the same.
Installation steps
Rough


Trim


Shower

Spout

- We insist on using copper pipe to connect the valve to the spout and to the shower head. PEX pipe adaptors can cause flow restriction, thus creating a back flow to the showerhead.
Warranty
For warranty and to register your product: belanger-upt.com
Customer Service
Monday to Friday:
8 a.m. – 4:30 p.m. E.S.T.
Tel: 1-800-361-5960
Fax : 1-888-533-8313
[email protected]
Replacement parts are available on order






















