AIRZONE GSAZNA01 Smart Air Conditioner

THE SMART AIR CONDITIONING

Airzone Integrated Zoning Systems
What is an Airzone Integrated Zoning System?
Traditional Ducted HVAC
The operation of a traditional ducted HVAC system is based on the control of several rooms as one single zone, maintaining its temperature in a comfort range.
Nevertheless, this type of system may present several disadvantages such as:
- It is not possible to control the energy supply for each zone individually.
- Except for the control zone (where a single thermostat is installed), the remaining zones, even when installed correctly, might not be able to maintain the proper comfort range.
Every zone in a building has specific requirements, depending on its use, schedule and occupancy, as well as its typology, orientation, insulations, etc. Because of this, it seems appropriate to be able to adapt HVAC system operation depending on the requirements of each zone in each moment.

Integrated Zoning System
An Airzone Integrated Zoning System transforms a traditional ducted HVAC system into a multizone system, basing its operation on two main factors:
- Optimization of the HVAC system’s energy use.
- Providing the highest thermal comfort range to every zone.
Integrated zoning systems allow for increased energy savings as well as lower initial costs. This happens by means of the communications between Inverter units and the zoning system, as well as through efficiency algorithms.

![]() | It permits to individually control the temperature of every zone conditioned by the same ducted indoor unit. This occurs thanks to the communications that exist between the sensors installed on each zone and the motorized elements installed on ducts. Because of this, it allows the system to cover only the thermal load of those zones where both thermal demand and occupancy exists. |
Zoning Systems
The Integrated Zoning System developed by Airzone regulates the air flow supplied to each air-conditioned zone, and may satisfy the thermal needs of each one of them. In addition, it includes several efficiency algorithms which by controlling Inverter heat pumps (operation mode, set point temperature, fan speed, etc.) optimizes energy use.
% Comfort

% of time in comfort
With Airzone Integrated Zoning System
Without Airzone Integrated Zoning System
% Efficiency

Comfort-driven profile
Efficiency-driven profile
Both compared with a ducted unit without integrated zoning system.
What is Airzone VAF?
Airzone VAF is an Integrated Zoning System specially designed for Inverter and VRF systems. Airzone VAF system provides a seamlessly integrated zoning solution for Inverter/VRF heat pump installations. It only requires connecting two wires.
The cornerstone of this system is the communications gateway, a device that manages the communication between the integrated zoning system and heat pump Inverter units, increasing both comfort and energy savings. The heat pump and integrated zoning system will work as one thanks to the Airzone Communication Gateway.
All the zones information is gathered to determine the most efficient operation of the heat pump equipment.
It sets the following parameters according to the zones status:
- The operation mode
- The heat pump set-point temperature
- The ventilation speed
Due to these features, Airzone VAF does not require any bypass damper, making it the most efficient zoning solution for HVAC installations.
Algorithms and Integration
Q-Adapt
Q-Adapt is an algorithm that automatically selects the fan speed of the zoned indoor units depending on the number of zones calling for demand.
This algorithm adapts the control system to the application of the installations and the air flow demand of each zone.
This adaptation is carried out by assigning a weight (percentage) to each zone of the installation, which is mainly suitable for complex ducted installations with numerous zones.
Eco User Mode
Eco User Mode utilizes several algorithms orientated to the improvement of the HVAC systems which offers numerous benefits both to the technician and the end user.

It improves the energy efficiency
The Airzone Blueface thermostat allows users to quickly adjust the temperature at which the HVAC system is operating and also to regulate it depending on their requirements.
In addition, the end user will be able to, by means of the Blueface thermostat, adjust the set point temperature of every room in order to optimize the energy savings.
Dynamic control of the set-point temperature of the Inverter/VRF indoor unit
Eco User Mode range in Inverter units

PLR: Partial Load Ratio (demanded capacity / total capacity).
PLF: Partial Load Factor (EER’= EER · PLF).
In order to obtain the highest energy efficiency of Inverter indoor units, it is essential to manage them to run at a partial load regime (peak efficiency) as long as possible. By modifying the set-point temperature in relation to the return air temperature, it is possible to vary the Partial Load Ratio (PLR) of the compressor and, therefore, its efficiency.
Eco User Mode algorithms are dynamically adjusted in order to provide the necessary comfort level for users maintaining the PLR and, the highest efficiency.
BMS Integration
The Airzone Cloud HUB Webserver module provides Cloud connectivity and BMS/IT integration to the Airzone systems. Stay always in control of your HVAC systems anytime, anywhere.
- Controls up to 32 Airzone systems.
- Ethernet port for access to Airzone Cloud and BACnet IP.
- RS845 port for BACnet MS/TP and Modbus.
- Wi-Fi 2.4 GHz/5 GHz connectivity for Airzone Cloud access.
- Bluetooth Low Energy (BLE) connectivity for Airzone systems configuration.
- Local and Cloud API connectivity.
- Voice assistants (Google Home and Amazon Alexa) compatible.


HVAC Manufacturers

BMS Control Systems

IoT Control Systems

Commercial Applications
Case study
Within the commercial sector, VRF technology can provide the most efficient solution, featuring a single cassette or split as indoor unit for each zone in a building. Nevertheless, this type of installation might present several limitations such as:
- Oversized
indoor units - Refrigerant
pipes length and refrigerant quantity - Noncompliance with
ASHRAE 15 & 34 / B-52 Standards - Costly
maintenance


By implementing a combination of ducted indoor units and Airzone VAF into a VRF Installation, all these challenges could be overcome as illustrated in this example.
- 15% reduction in installed thermal power
- 49.5% reduction in pipes length
- 27.5% reduction in refrigerant charge
- Compliance with ASHRAE 15 & 34/ B-52 standards


The case study, consisting of eight Offices and an IT Room has been calculated using two different options (VRF Installation with individual indoor units and VRF Installation with ducted and individual indoor units).
By implementing a combination of an Airzone VAF system and ducted indoor units to a VRF system, a user creates a system that optimizes efficiency.
*According to ASHRAE 15 & 34/B-52, lowest allowed volume of a room crossed by a refrigerant pipe has been reduced from 1819.1 ft3 to 1319.8 ft3.
VRF Ducted Units
| ZONE | AREA (FT2) | REQUIRED CAPACITY (BTUH) | I.U. MODEL ST. SOLUTION | REQUIRED CAPACITY (BTUH) | I.U. MODEL AZ SOLUTION | INSTALLED CAPACITY (BTUH) |
| Office 1 | 164.2 | 6,252.1 | XXX-08 | 8,000.0 | XXX-48 | 48000 |
| Office 2 | 184.6 | 7,025.9 | XXX-08 | 8,000.0 | ||
| Office 3 | 216.7 | 8,250.2 | XXX-08 | 8,000.0 | ||
| Office 4 | 156.9 | 5,973.7 | XXX-08 | 8,000.0 | ||
| Office 5 | 194.9 | 7,419.0 | XXX-08 | 8,000.0 | ||
| Office 6 | 175.7 | 6,690.2 | XXX-08 | 8,000.0 | ||
| Office 7 | 246.0 | 9,363.9 | XXX-12 | 12,000.0 | ||
| IT Room | 199.4 | 7,591.0 | XXX-08 | 8,000.0 | XXX-08 | 8,000 |
| Office 8 | 308.5 | 11,742.7 | XXX-12 | 12,000.0 | XXX-12 | 12,000 |
| TOTAL | 70,308.7 | 80,000.0 | 68,000.0 |

| Part number | Description | Units | |
| 1 | AZVAFCB2 [XXX] | Airzone VAF Control board with [XXX] communication region 2 | 3 |
| 2 | AZVAFBLUEFACECB | Airzone VAF wired Blueface principal controller white | 3 |
| 3 | AZVAFLITERB | Airzone VAF wireless Lite controller white | 3 |
| 4 | AZVAFDAMPER [XX] C | Airzone VAF [XX] wired intelligent round damper | 3 |
| 5 | AZVAFDAMPER [XX] R | Airzone VAF [XX] wireless intelligent round damper | 3 |
| 6 | AZX6WSPBAC | Webserver HUB Airzone – BACnet | 1 |
Replace [XXX] with the code corresponding to the brand:
- DAI: Daikin
- HAI: Haier
- HI2: Hitachi RAD
- LGE: LG
- MHI: Mitsubishi Heavy
- SAM: Samsung
- FUJ: Fujitsu
- HIT: Hitachi RPI
- KAY: Kaysun
- MEL: Mitsubishi Electric
- PAN: Panasonic
- TOS: Toshiba
VRF Ducted and Ductless Units
| ZONE | AREA (FT2) | REQUIRE CAPACITY (BTUH) | I.U. MODEL ST. SOLUTION | REQUIRED CAPACITY (BTUH) | I.U. MODEL AZ SOLUTION | INSTALLED CAPACITY (BTUH) |
| Office 1 | 164.2 | 6,252.1 | XXX-08 | 8,000.0 | XXX-48 | 48000 |
| Office 2 | 184.6 | 7,025.9 | XXX-08 | 8,000.0 | ||
| Office 3 | 216.7 | 8,250.2 | XXX-08 | 8,000.0 | ||
| Office 4 | 156.9 | 5,973.7 | XXX-08 | 8,000.0 | ||
| Office 5 | 194.9 | 7,419.0 | XXX-08 | 8,000.0 | ||
| Office 6 | 175.7 | 6,690.2 | XXX-08 | 8,000.0 | ||
| Office 7 | 246.0 | 9,363.9 | XXX-12 | 12,000.0 | ||
| IT Room | 199.4 | 7,591.0 | XXX-08 | 8,000.0 | XXX-08 | 8,000 |
| Office 8 | 308.5 | 11,742.7 | XXX-12 | 12,000.0 | XXX-12 | 12,000 |
| TOTAL | 70,308.7 | 80,000.0 | 68,000.0 |

| Part number | Description | Units | |
| 1 | AZVAFCB2 [XXX] | Airzone VAF Control board with [XXX] communication region 2 | 1 |
| 2 | AZVAFBLUEFACECB | Airzone VAF wired Blueface principal controller white | 2 |
| 3 | AZVAFTHINKCB | Airzone VAF wired Think controller white | 1 |
| 4 | AZVAFLITECB | Airzone VAF wired Lite controller white | 1 |
| 5 | AZVAFDAMPER[XX] C | Airzone VAF [XX] wired intelligent round damper | 3 |
| 6 | AZVAFZMO [XXX] C | Airzone VAF wired zone module with [XXX] communication | 1 |
| 7 | AZX6WSPBAC | Webserver HUB Airzone – BACnet | 1 |
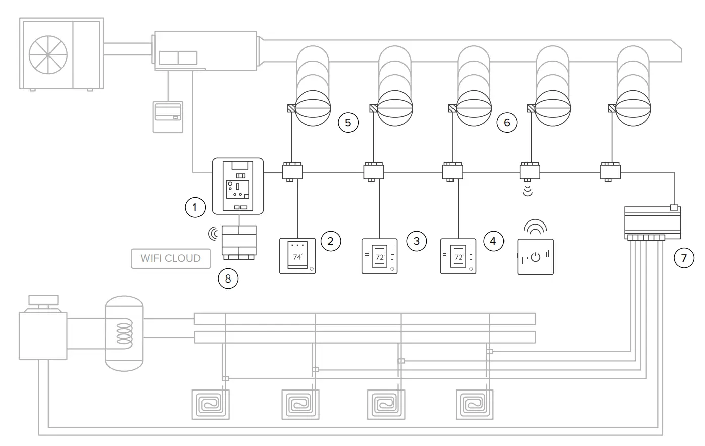
Single-family Application
Single-family · DX + Zone supplemental heat

The following system is composed of an Inverter air conditioning ducted indoor unit (with a capacity of 45,000 BTUh) and floor radiant elements produced by a boiler. Four rooms will be equipped with air conditioning and radiant heating and one room (Restroom) only with radiant heating.
Airzone VAF allows for integrated zoning control of the entire installation: Inverter Air Conditioning Unit using motorized dampers and supplemental heating elements controlled by the solenoid valves of the heating installation.

| ZONE | AREA (FT2) | THERMAL LOAD (BTUH) | INDOOR UNIT MODEL | AIRFLOW (CFM) | AZ MOTORIZED DAMPER MODEL |
| Living Room | 645.9 | 24,546.4 |
XXX-42 | 797.9 | 2×10” |
| Bureau | 280.8 | 10,671.7 | 346.9 | 8” | |
| Kitchen | 140.3 | 5,331.7 | 173.3 | 6” | |
| Hall | 133.4 | 5,070.1 | 164.8 | 6” | |
| Restroom | 78.7 | 2,994.0 | – | – | – |

| Part number | Description | Units | |
| 1 | AZVAFCB2 [XXX] | Airzone VAF Control board with [XXX] communication region 2 | 1 |
| 2 | AZVAFBLUEFACECB | Airzone VAF wired Blueface principal controller white | 2 |
| 3 | AZVAFTHINKCB | Airzone VAF wired Think controller white | 1 |
| 4 | AZVAFLITERB | Airzone VAF wireless Lite controller white | 1 |
| 5 | AZVAFDAMPER [XX] C | Airzone VAF [XX] wired intelligent round damper | 4 |
| 6 | AZVAFDAMPER [XX] R | Airzone VAF [XX] wireless intelligent round damper | 1 |
| 7 | AZVAF5OUTPUTS | Airzone VAF relay radiant heat controle module | 1 |
| 8 | AZX6WSPHUB | Webserver HUB Airzone Cloud Ethernet – Wi-Fi | 1 |
Single-familiy · DX + Zone supplemental heat + Auxiliary heat
Oftentimes, the combination of Inverter air conditioning and zone-supplemental heat does not provide enough coverage to meet the thermal load.
In these cases, HVAC installations are complemented by auxiliary heating elements such as a electrical furnaces.

Airzone VAF allows for control of the On/Off operation of these auxiliary elements via dedicated relays placed on the VAF main controller.
The following installation, consisting of an Inverter ducted indoor units (with a capacity of 42,000 BTUh) and zonesupplemental heat elements, is complemented by an electrical furnace in order to cover the thermal load for three rooms. The three bedrooms will be provided with air conditioning, supplemental and auxiliary heating, and the two bathrooms with zone-supplemental heat only.
By using the Airzone VAF solution, it is possible control the whole installation: Air Conditioning, Radiant Heating elements and the Electrical Auxiliary Heating.

| ZONE | AREA (FT2) | THERMAL LOAD (BTUH) | INDOOR UNIT MODEL | AIRFLOW (CFM) | AZ MOTORIZED DAMPER MODEL |
| Bedroom 1 | 202.6 | 7,699.1 | XXX-42 | 264.1 | 6” |
| Bedroom 2 | 202.5 | 7,695.0 | 264.0 | 6” | |
| Bedroom 3 | 163.9 | 6,231.2 | 213.8 | 6” | |
| Restroom 1 | 166,7 | 6,335.3 | – | – | – |
| Restroom 2 | 166.7 | 6,335.3 | – | – | – |

| Part number | Description | Units | |
| 1 | AZVAFCB2 [XXX] | Airzone VAF Control board with [XXX] communication region 2 | 1 |
| 2 | AZVAFBLUEFACECB | Airzone VAF wired Blueface principal controller white | 1 |
| 3 | AZVAFTHINKCB | Airzone VAF wired Think controller white | 1 |
| 4 | AZVAFLITERB | Airzone VAF wireless Lite controller white | 1 |
| 5 | AZVAFDAMPER [XX] C | Airzone VAF [XX] wired intelligent round damper | 2 |
| 6 | AZVAFDAMPER [XX] R | Airzone VAF [XX] wireless intelligent round damper | 1 |
| 7 | AZVAF5OUTPUTS | Airzone VAF relay radiant heat controle module | 1 |
| 8 | AZX6WSPHUB | Webserver HUB Airzone Cloud Ethernet – Wi-Fi | 1 |
Customer Support
Designed & Manufactured in EU
AIRZONE NORTH AMERICA CORPORATION
1800 SW 1 ST Avenue. Miami, FL 33129
airzonecontrol.com



















