solo AL-KO 141 B petrol brushcutter

ABOUT THESE OPERATING INSTRUCTIONS
- The German version is the original operating instructions. All additional language versions are translations of the original operating instructions.
- It is essential to carefully read through these operating instructions before start-up. This is essential for safe working and trouble-free handling.
- Always safeguard these operating instructions so that they can be consulted if you need any information about the appliance.
- Only pass on the appliance to other persons together with these operating instructions.
- Comply with the safety and warning information in these operating instructions.
Legends and signal words
- DANGER!
Denotes an imminently dangerous situation which will result in fatal or serious injury if not avoided. - WARNING!
Denotes a potentially dangerous situation which can result in fatal or serious injury if not avoided. - CAUTION!
Denotes a potentially dangerous situation which can result in minor or moderate injury if not avoided. - IMPORTANT!
Denotes a situation which can result in material damage if not avoided. - NOTE
Special instructions for ease of under-standing and handling.
PRODUCT DESCRIPTION
These operating instructions describe a hand-guided trimmer with petrol engine.
Intended use
Fitted with a spool, the trimmer is only intended to cut soft grass and similar vegetation. With the blade, it can be used for mowing thicker herbaceous plants, young undergrowth and shrubs. The trimmer must be guided parallel to the ground.
NOTE: Local and national regulations in working hours, noise control and exhaust emissions can restrict the use of the appliance. Please obtain and observe the applicable information!
This appliance is intended solely for use in non-commercial applications. Any other use (as well as unauthorised conversions or add-ons) are regarded as contrary to the intended use and will result in exclusion of the warranty as well as loss of conformity (CE mark); the manufacturer will thus decline any responsibility for damage and/or injury suffered by the user or third parties.
Possible foreseeable misuse
- Do not cut any shrubs, hedges, trees or flowers.
- Do not lift the appliance off the ground during operation.
- Do not use the appliance with anything other than the OEM cutting tools (blade and cutting line).
Residual dangers
Even during correct use of the appliance, there is always a certain residual risk that cannot be excluded. Depending on the use, the following potential risks can be derived from the type and construction of the appliance:
- Throwing out of cuttings, soil and small stones
- Throwing out of cut-off parts of the cutting line
- Inhalation of cuttings particles if no breathing protection is worn.
- Damage to the hearing if no hearing protection is worn.
- Cutting injuries from reaching into the rotating cutting line
Scope of supply

The items listed here are part of the scope of supply. Check that all items are included:
- Trimmer with shaft and cutting head
- “Bike” handle
- Guard bar with line cutter
- Guard plate
(with screwed-in plastic securing bolt for guard bar) - Double carrying belt
- 2 screws Ø5 x 20 mm
- 2 screws Ø5 x 35 mm
- 3-toothed blade
- Spool
- Spark plug spanner with screwdriver
- Support pin
(for assembly of blade and spool)
Symbols on the appliance

Safety and protective devices
WARNING! Risk of injury Defective and disabled safety and protective de-vices can lead to serious injury.
- Have any defective safety and protective devices repaired.
- Never disable safety and protective devices.
Emergency stop
In an emergency, switch off the engine at the ON/OFF switch.
Guard plate
Protects the operator from contact with the rotat-ing blade or the cutting line and objects flying out.
“Bike” handle
Ensures that the feet of the operator do not get into the vicinity of the rotating blade or the cutting line.
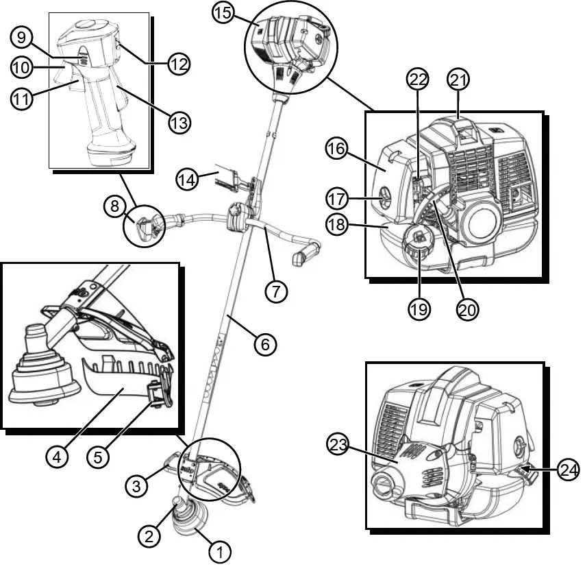
Product overview (01)
- Blade or spool
- Cutting head with bevel gear
- Guard plate with:
- Guard bar
- Line cutter
- Shaft with interior drive shaft
- “Bike” handle
- Combination handle with:
- Locking switch
- Throttle lever
- Half throttle stop
- On/Off switch for engine
- Throttle lever detent
- Carrying belt
- Engine block with:
- Air filter housing
- Air filter screw
- Fuel tank
- Cap of the fuel tank
- Starter handle
- Spark plug cover
- Choke lever
- Housing flange
- Primer

Approved cutting tools
Only the OEM cutting tools listed here may be used:
- Spool, article no. 127235
- 4-toothed blade, article no. 127239
- 3-toothed blade, article no. 127240
DANGER! Danger from cutting tools!
Non-approved cutting tools (e.g. multi-part metallic cutting tools with revolving chains and blades) and damaged cutting tools (e.g. cracks, spalling) can result in very serious inju-ries or even death.
- Use only the approved OEM cutting tools.
- Replace damaged cut-ting tools immediately.
The use of non-approved cutting tools is contrary to the intended use (see chapter 2.1 “Intended use”!
SAFETY INSTRUCTIONS
CAUTION! Danger of hearing damage
The appliance is extremely loud during operation. This can cause hearing damage to the operator and to persons and animals in the vicinity.
- Only work when wearing hearing protection.
- Maintain a safe distance to persons or animals, or switch off the appliance if persons or animals approach.
NOTE: It is essential to familiarise yourself with the operation of the appliance. In particular, learn how the appliance can be immediately stopped.
Operator
- Young people under 16 years of age and people who do not know the operating instructions are not allowed to use the appliance. Heed any country-specific safety regulations concerning the minimum age of the user.
- If you are working with such an appliance for the first time: Have the salesperson or an-other expert explain the operation of the appliance. Or at-tend a course.
- To operate the appliance, you must be rested and in good physical and mental health. If you must not exert yourself for health reasons, ask your doc-tor whether it is possible to work with this appliance.
- Do not operate the appliance if you are under the influence of alcohol, drugs or medication.
Personal protective equipment
- Wear clothing and protective equipment in accordance with the regulations in order to avoid injuries to the head and limbs, as well as to avoid hearing impairment.
- The clothing must be appropriate (tightly fitting) and must not restrict movements.
- The personal protective equipment comprises:
- Hearing protection (e.g. ear defenders, especially when working for than 2.5 hours a day)
- Protective glasses
- Sturdy working gloves, vibration and shock absorbent
- Safety boots with high-grip sole and steel toe caps
Handling of petrol and oil
DANGER! Risk of explosion and fire
An escaping petrol/air mixture can cause an explosive atmosphere. Declaration, explosion and fire can lead to serious and even fatal injuries if fuel is not handled properly.
- Do not smoke when dealing with petrol.
- Only handle petrol out of doors and never in enclosed spaces.
- It is essential to heed the code of conduct stated below.
- Only transport and store petrol and oil in containers approved for that purpose. Ensure that children have no access to stored petrol and oil.
- In order to avoid ground contamination (environmental protection) when filling, ensure that no petrol or oil enters the soil. Use a funnel for filling.
- Never fill the appliance in enclosed spaces. Petrol vapours may gather at ground level, and thereby result in a deflagration or even an explosion.
- Immediately wipe any spilled petrol off the appliance and the ground. Allow textiles used to wipe off petrol to dry in a well-ventilated place before disposing of them. Otherwise, sudden self-ignition may occur.
- If petrol has been spilled, petrol vapours occur. For this reason, do not start the appliance at the same location but at least 3 m away.
- Avoid skin contact with mineral oil products. Do not inhale petrol vapours. When filling, always wear protective gloves. Change and clean protective clothing regularly.
- Ensure that your clothing does not come into contact with petrol. If petrol has got onto your clothing, change it immediately.
- Never fill the appliance while the engine is running or hot.
Safety in the workplace
- Only operate the appliance out of doors and never in enclosed spaces.
- Only work during daylight or under very bright artificial light.
- Before working, Remove any dangerous products and objects from the working area, e.g. branches, broken glass, sharp-edged objects, pieces of metal, stones, before start-ing work.
- Make sure you are standing safely. Avoid wet, slippery ground.
- When working, move cautiously and slowly. Do not run. Watch out for obstacles.
Safety of persons, animals and property
- Use the appliance only for the purposes for which it is intended. Any non-intended use can lead to injury and property damage.
- Switch on the appliance only when there are no persons or animals in the working area.
- Maintain a safe distance to persons or animals, or switch off the appliance if persons or animals approach.
- Never direct the exhaust gas jet of the engine towards persons and animals or towards inflammable products and objects.
- Do not reach into the vacuum and vent grilles when the engine is running. Injuries can occur due to rotating appliance parts.
- Always switch off the appliance when not in use, e.g. when changing the work area, during service and maintenance, and when filling with the petrol/oil mixture.
- Immediately switch off the appliance if there is an accident in order to avoid further injuries and/or property damage.
- Never operate the appliance with worn or defective parts. Worn or defective appliance parts can cause serious injuries.
- Keep the appliance out of the reach of children.
Vibration load
WARNING!
Danger due to vibration The actual magnitude of the vibration emissions during the use of the appliance may deviate from that stated by the manufacturer. Observe the following influencing factors before or during use:
- Is the appliance being used as intended?
- Is the material being cut or processed in the proper manner?
- Is the appliance in a proper condition of use?
- Is the cutting tool properly sharpened or is the correct cutting tool installed?
- Are the handle grips and any optional vibration grips mounted, and are they firmly attached to the appliance?
- Only operate the appliance at the motor speed required for the respective work. Avoid using the maximum speed in order to reduce noise and vibrations
- The noise and vibrations of the appliance can increase due to improper use and maintenance. This leads to damage of the health. In this case, immediately switch off the appliance and have it repaired by an authorised service workshop.
- The degree of stress due to vibration depends on the work to be performed or on the use that the appliance is put to. Estimate the stress and plan appropriate work breaks. This considerably reduces stress due to vibration over the entire working time.
- Extensive use of the appliance exposes the operator to vibrations, which can lead to circulatory issues (“white fingers”). To avoid this risk, wear gloves and keep your hands warm. If any symptoms of “white fingers” occur, immediately consult a physician. These symptoms include: Numbness, loss of feeling, tingling, itching, pain, reduced muscular strength, changes in the colour or condition of the skin. Normally these conditions affect the fingers, hands or pulse. The risk increases at low temperatures..
- Take long breaks during your working day so you can recover from the noise and the vibrations. Plan your work in such a way that the use of appliances that generate strong vibrations is spread over several days.
- If you notice an unpleasant sensation or discolouration of the skin on your hands when using the appliance, stop work immediately. Take sufficient work breaks. Without sufficient breaks, a hand/arm vibration syndrome can occur.
- Minimise your risk of being exposed to vibrations. Maintain the appliance according to the instructions in the operating instructions.
- If the appliance is used frequently, contact your dealer to purchase anti-vibration accessories (e.g. handles).
- Avoid working with the appliance at temperatures below 10 °C. Define how the vibration load can be limited in a work plan.
Noise pollution
A certain level of noise exposure from this appliance is inevitable. Carry out noisy work at approved and specified time periods. Observe rest periods as necessary and restrict the duration of the work to a minimum. For your personal protection and protection of persons in the vicinity, appropriate hearing protection must be worn.
Appliance safety
- Only use the appliance under the following conditions:
- The appliance is not dirty, especially not with petrol and oil.
- The appliance show no signs of damage, especially the protective grille.
- All controls function properly.
- All accessory parts intended for the respective operating mode are fitted on the appliance.
- Do not overload the appliance. It is intended for light work in the private sector. Overload can lead to damage to the appliance.
- Never block the vacuum and ventilation grille during operation in order to avoid any overheating of the engine.
- Immediately switch off the appliance if the engine begins to vibrate abnormally or strongly. There is an appliance fault in this case.
- Never operate the appliance with worn or defective parts. Always replace defective parts with original spare parts from the manufacturer. If the appliance is operated with worn or defective parts, guarantee claims against the manufacturer are excluded.
Mounting the “Bike” handle (02)
- Unscrew and remove the fixing screw (02/1).
- Take the upper half shell (02/2) off the lower half shell (02/3).
- Insert the “Bike” handle (02/4) into the lower half shell.
- Place on the upper half shell and lightly screw in the fixing screw.
- Align the “Bike” handle in such a way that distance A is smaller than distance B (02/A, 02/B).
Note: Always guide the trimmer to the right of your body using the “Bike” handle. Both distances are correct when the middle of the cutting head coincides with the middle of the body. - Tighten the fixing screw firmly.

Installing the guard plate (03, 04) Attach the guard plate from above (03)
- Place the trimmer so that the cutting head (03/1) is pointing downwards.
- Lift the shaft (03/2) on the cutting head and push the guard plate (03/3) towards the cut-ting head up to the stop (03/a). Then set down the shaft and guard plate again.
- Tighten the fixing part (03/4) onto the guard plate with both screws (03/5) Ø5 x 20 mm. Do not tighten the screws firmly yet.

Attach the guard plate from below (04)
- Place the trimmer so that the cutting head (04/1) is pointing upwards.
- Correct the position of the guard plate (04/2) so that the drill holes (04/3) of the guard plate and fixing part (03/4) are above each other.
- Tighten the guard plate on the fixing part (03/4) from below with both screws (04/4) Ø5 x 35 mm.
- Tighten both screws (03/5) firmly.
Fitting the blade (05)

WARNING!
Danger of serious injury!The blade can become un-done during operation and cause serious injury due to a locking nut that starts to turn easily.
Immediately replace the locking nut if it becomes easy to turn.
- Place the trimmer so that the cutting head (05/1) is pointing upwards.
- Push the blade (05/2) onto the pressure fit-ting (05/3).
Note: The recess of the pressure fitting must fit perfectly into the drill hole of the blade. - Put on the pressure disk (05/4).
- Put on the rider plate (05/5).
- Check that all positioned components are centred.
- Screw the locking nut (05/6) onto the shaft, but do not tighten yet.
Note: Left-hand thread. Tighten the locking nut in an anti-clockwise direction. - Insert the support pin (05/7) to block the shaft.
- Tighten the locking nut firmly.
Note: The locking nut must be hard to turn. Replace if it is easy to turn. - Check that the blade is firm and centred. If not, correct.
- Remove the support pin again.
Installing the spool (06)
- Insert the support pin (06/1) to block the shaft.
- Put on the pressure disk (06/2).
- Put on the anti-wrap guard (06/3) with the la-belled part pointing towards the cutting head (06/4).
- Screw the spool (06/5) onto the shaft and tighten.
Note: Left-hand thread. Tighten the spool in an anti-clockwise direction. - Attach the guard bar (06/6) with integrated line cutter to the guard plate, then screw in the plastic securing bolt (06/7).
Note: The plastic securing bolt is already screwed into the guard plate on delivery. Warning: Never use the spool without the guard bar and line cutter. - Remove the support pin.
START-UP
NOTE
Inspect the appliance for damage every day before starting work, if it is dropped or is subjected to other impacts. Have any damage repaired before putting the appliance into operation.
Adjusting the carrying belt (07)
- Put on the carrying belt (see chapter 6.2 “Putting on the carrying belt (10)”, page 47).
- Hook the snap hook (07/1) into the eye (07/2) on the appliance.

Checking the length of the carrying belt
- Carry out several horizontal sweeping movements above the ground without starting the engine (07/a). The cutting head must always move above the floor at the same height.
- If not: Adjust the length of the carrying belt and repeat the sweeping movements.
Balancing the trimmer
- Release the attached trimmer. The blade or spool must stop swinging approx. 10 cm above the ground.
- If not: Hook the snap hook (07/1) into another eye (07/2) on the appliance and balance again.
Mixing and pouring in the petrol/oil mixture (08)
IMPORTANT! Danger of engine damage
Pure petrol will result in damage and complete failure of the engine. Guarantee claims against the manufacturer are excluded in this case.
Only operate the engine using the specified petrol/oil mixture ratio.
Mixing the petrol/oil to produce the mixture
The 2-stroke engine requires:
- Lead-free, fresh petrol with an octane rating of at least 90. Petrol stored for longer than 2 months will lead to deposits and malfunctions of the engine.
- High-quality synthetic oil for 2-stroke engines
Prepare a petrol/oil mixture in a ratio of 50:1 using these two constituents:
- Pour the petrol and 2-stroke oil into a fuel mixing bottle (quantities, see table, depending on the size of the fuel mixing bottle).
- Close the fuel mixing bottle and shake vigorously several times so that the petrol and oil can mix thoroughly.
Pouring in the petrol/oil mixture (08)
- Switch off the engine.
- Place the appliance on a level, horizontal surface. The cap of the fuel tank must be facing upwards.
- Wipe the fuel tank cap (08/1), the fuel tank (08/2) and the surrounding appliance parts clean so that no dirt can get into the fuel tank when the petrol/oil mixture is poured in.
- Open the fuel tank cap slowly so the pressurised petrol/air mixture can slowly escape from the fuel tank into the atmosphere. Leave the cap hanging on the fuel tank.
- Insert a funnel (08/3) into the filler neck (08/4) of the fuel tank.
- Pour the prepared petrol/oil mixture from the fuel mixing bottle (08/5) into the fuel tank up to the lower edge of the filler neck, but not higher.
- Remove the funnel and screw on the cap fin-ger-tight.
- Wipe any spilled petrol/oil mixture off the appliance and the surface.
OPERATION
Turning the “Bike” handle (09)
The “Bike” handle (09/1) can be turned on the shaft (09/2) to increase the operating comfort:
- Normal position: The “Bike” handle is at a right angle, e.g. 90° to the shaft (09/A).
- Turned position: The “Bike” handle can be turned from 90° to 29° (09/B). The maximum rotation is achieved when both markings (09/3) coincide.
Note: Never turn the “Bike” handle smaller than 29° when trimming or mowing! - Transport position: The “Bike” handle can be turned until it touches the shaft (09/C).

Putting on the carrying belt (10)
Follow the figure (10) to put on the carrying belt.
- Always use the carrying belt during work.
- Only attach the appliance after the engine has been started and is running in idle.
Operating the engine (11)
DANGER! Risk of poisoning
The engine exhaust gases contain carbon monoxide that can kill a person within a few minutes.
- Operate the engine only outdoors, never in a closed room.
- Do not inhale the engine exhaust gases.
- Switch off the engine if you feel nauseous, dizzy or weak when using this appliance. Immediately consult a doctor.

Starting the engine
Before starting
Place the trimmer level and free of obstacles on the ground. The cutting tool must not be touching any objects or the ground.
When starting
- Do not stand on the shaft to avoid damage to the shaft and/or the drive shaft inside the shaft.
- Make sure you are standing securely and hold the trimmer firmly at the housing flange.
Positions of the choke lever

Cold start
If the engine is cold, i.e. if it has not been in use for more than 5 minutes, a “cold start” is carried out.
- Switch on the On/Off switch (11/1).
- Setting the throttle lever:
- Press and hold the locking switch (11/2).
- Press the throttle lever (11/3) and throttle lever detent (11/4) at the same time.
- Release the locking switch. The throttle lever engages at half throttle.
- Move the choke lever (11/5) to CHOKE.
- Briefly and firmly press the primer (11/6) ap-prox. 7 to 10 times.
- Starting the engine:
- Press the appliance firmly onto the ground with one hand.
- With the other hand, pull the starter handle (11/7), first carefully and slowly until resistance is felt, and then firmly and quickly upwards until resistance is felt again (approx. 1 arm length).
- Allow the starter rope to coil up again, but without releasing the starter handle.
- Repeat the previous step several times until the engine starts, but stalls again.
- Moving the choke lever to RUN:
- Press the appliance firmly onto the ground with one hand.
- With the other hand, pull the starter handle (11/7), first carefully and slowly until resistance is felt, and then firmly and quickly upwards until resistance is felt again (approx. 1 arm length).
- Allow the starter rope to coil up again, but without releasing the starter handle.
- Repeat the previous step several times until the engine starts and runs smoothly.
- Allow the engine to warm up for a few minutes.
- Press the throttle lever briefly to disengage the half-throttle lever detent. The engine runs at idle speed.
Note: Press the throttle lever again if the engine no longer runs smoothly.
Warm start
If the engine is still warm from use, i.e. shortly after it was switched off, a “warm start” is carried out. The choke is not used here.
- Switch on the On/Off switch (11/1).
- Check that choke lever (11/5) is in the RUN position.
- Press the appliance firmly onto the ground with one hand.
- With the other hand, pull the starter handle (11/7), first carefully and slowly until resistance is felt, and then firmly and quickly upwards until resistance is felt again (approx. 1 arm length).
- Allow the starter rope to coil up again, but without releasing the starter handle.
- Press the throttle lever briefly to disengage the half-throttle lever detent. The engine runs at idle speed.
Note: Press the throttle lever again if the engine no longer runs smoothly.
Stopping the engine
- Release the throttle lever (11/2) so that the engine runs at idle speed.
- Switch off the On/Off switch (11/1).
- Wait until the cutting tool has come to a complete standstill.
Prolonging the cutting line during operation (12)
The cutting line shortens during operation and frays out.
- Allow the engine to run at full speed.
- Tap (12/a) the spool (12/1) on the lawn from time to time. This unwinds a piece of new cutting line from the spool and cuts off the used end of the cutting line (12/2).
WORKING BEHAVIOUR AND WORKING TECHNIQUE
- Make sure you are standing securely.
- Ensure the correct working posture via correct setting of the carrying belt.
- Never work on a smooth, slippery hill or slope.
- When working on a slope, always stand be-low the cutting tool.
- Always allow the engine to run in the upper-speed range during trimming and mowing, as the trimmer then cuts best.
If the blade or cutting line are blocked:
Thick vegetation, young trees or growth can block the blade and bring it to a stop. High grass can cause the cutting line to jam.
- Avoiding blockages:
- Observe the direction in which the growth inclines and cut from the opposite side.
- Cut long grass in several passes. Always proceed from top to bottom.
- In the event of a blockage:
- Switch off the engine immediately and hold the appliance in the air so that the blade does not jump or break and the engine s not damaged.
Trimming
- Guide the cutter head in a smooth horizontal, arc-shaped movement from one side to the other.
- Hold the cutter head parallel to the ground at all times.
- Keep the appliance away from delicate plants.
Trimming at fences and foundations
Guide the appliance slowly and carefully so that the cutting line does not come into contact with solid obstacles.
NOTE: Trimming around brick walls, foundations, fences and trees results in increased cutting line wear.
Trimming around tree trunks
- Guide the appliance slowly and carefully around tree trunks so that the cutting line does not touch the tree bark.
- Trim from left to right around tree trunks.
- Cut grass and weeds with the tip of the cutting line and hold the cutter head with a slight forward angle.
Mowing
- Guide the cutter head in a smooth horizontal, arc-shaped movement from one side to the other.
- Hold the cutter head parallel to the ground at all times.
- Long grass should be mown in several pass-es. Always proceed from top to bottom.
- The appliance cuts best at very high speed. Therefore, do not overload the appliance by cutting long grass.
Mowing with the spool
- Tilt the cutter head at an angle of 30° to the right to mow with the tip of the cutting line. Walk forwards slowly.
- Do not move the appliance directly against hard obstacles (e.g. walls), but mow side-ways. This protects the cutting line.
Mowing with the blade
- It is essential to use the carrying belt.
- Check the correct fitting of the blade prior to mowing.
- Do not use weed cutting blades for cutting undergrowth and young trees.
CAUTION! Risk of injury due to kickback.
If the blade touches firm obstacles, a kickback can occur.
Do not mow close to firm obstacles with the blade.
TRANSPORT
Transporting the appliance between two working areas
- Switch off the engine.
- Hold the trimmer firmly by the carrying belt and the “Bike” handle.
- Walk carefully to the next working area. Take care not to endanger persons or animals.
Transporting the appliance in a vehicle
- If possible: Empty the fuel tank by allowing the engine to run.
- Switch off the engine.
- Put the transport protection onto the blade.
- Ensure that the appliance cannot tip over while driving to prevent the petrol/oil mixture from running out:
- Place the appliance on the floor of the vehicle so that the fuel tank cap is facing upwards. The fuel tank must be securely closed.
- Fix the appliance to the floor of the vehicle.
STORAGE
If you are not going to use the appliance for longer than 2 – 3 months, the following work is necessary to avoid any damage:
- Empty the fuel tank:
- Allow the engine to run until it stops itself. Then there is no longer any petrol/oil mixture in the fuel tank and in the carburettor and deposits cannot form.
- Cleaning the appliance:
- Wipe the entire appliance and accessory parts with a cleaning rag. Do not use petrol or other solvents.
- Remove any dirt from all appliance openings (including cooling openings for the engine).
- Oiling the cylinder:
- Allow the device to cool down completely.
- Pull off the spark plug connector and un-screw the spark plug (see chapter 10.5 “Maintaining the spark plug (16)”, page 53).
- Drop a little oil into the spark plug opening.
- Slowly pull on the starter handle so the piston moves and the oil is distributed in the cylinder.
- Screw in the spark plug again tightly and push on the spark plug connector.
- Put the transport protection onto the blade.
- Store the machine in a cool, dry place.
CAUTION! Risk of injury
If the appliance is accessible to children and unauthorised persons during storage, this can result in injury.
- Only store the appliance with the blade guard fit-ted.
- Keep the appliance out of reach of children.
MAINTENANCE AND CARE
DANGER! Risk of injury or death due to improper maintenance
Maintenance work carried out by unqualified persons and the use of non-ap-proved spare parts can result in serious injuries and even death during operation of the appliance.
- Do not remove or deactivate any safety installations.
- Use only approved OEM spare parts.
- Ensure through regular and proper maintenance that the appliance is in a clean and functional condition at all times.
CAUTION! Risk of injury
Sharp-edged and moving appliance parts can lead to injury.
Always wear protective gloves during maintenance, care and cleaning work.
Proper maintenance and care is necessary to ensure the functionality and safety of the appliance. Note the following points:
- Only carry out maintenance and care work if you have the necessary knowledge and tools.
- Wait until the engine has cooled down completely.
- Only replace any worn or defective appliance parts with original spare parts from the manufacturer.
- Do not carry out any maintenance and care work that is not described in these instructions for use. Instruct an authorise service workshop to do this work. Any infringements will invalidate the manufacturer’s warranty.
The intervals for the maintenance and care work mentioned here can be found in the maintenance schedule (see chapter 10.8 “Maintenance schedule”, page 55).
Use only the approved cutting tools (see chapter 2.8 “Approved cutting tools”, page 39)!
Cleaning the guard plate
Clean the guard plate and cutter head with cutting tool to remove residues of grass and dirt after every use. Grass residues will result in over-loading and damage of the engine, the drive shaft and the gearbox in the cutter head.
1. Switch off the engine.
2. Remove residues of grass and dirt using a stick or screwdriver and brush.
Cleaning/replacing the air filter (13)
IMPORTANT! Danger of engine dam-age
Operation of the engine without air filter will result in serious engine damage!
- Never operate the appliance without air filter.
- Clean the air filter at regular intervals.
- Replace a damaged air filter.
- Dismantling the air filter:
- Loosen the air filter screw (13/1) until the air filter housing (13/2) is loose.
- Pull off the air filter housing.
- Pull the filter sponge (13/3) from the frame (13/4).
- Cleaning the filter sponge (13/3):
- Squeeze out the filter sponge, then wash out with soap and water. Do not use pet-rol or other solvents!
- Allow the filter sponge to dry thoroughly until it contains no more water. A wet fil-ter can make the engine difficult to start.
- Clean the air filter housing thoroughly us-ing a cloth.
- Replacing the filter sponge (13/3):
- Replace the filter sponge if it is no longer elastic or falls apart.
- Fitting the air filter:
- Push the filter sponge (13/3) onto the frame (13/4).
- Push on the air filter housing (13/2) and hold in place.
- Screw in the air filter screw (13/1) until the air filter housing is tight.
Checking/replacing fuel filter (14)
The felt-like fuel filter is located in the fuel tank and is plugged onto the vacuum head. If the fuel filter becomes hard, dirty or clogged, less petrol flows to the engine. In this case, the fuel filter must be replaced.
It is recommended that an authorised service workshop carries out this work.
- Preparing the appliance:
- To empty the fuel tank: Allow the engine to run until it stops itself.
- Place the appliance on a level, horizontal surface. The cap (14/1) of the fuel tank (14/2) must be facing upwards.
- Wipe the fuel tank cap, the fuel tank and the surrounding appliance parts clean so that no dirt can get into the fuel tank.
- Checking/replacing the fuel filter:
- Unscrew the cap (14/1) of the fuel tank (14/2). Leave the cap hanging on the fuel tank.
- Use a wire hook to pull the intake head (14/3) out of the fuel tank.
- Inspect the fuel filter (14/4). If the felt has become hard, dirty or clogged: Pull off the fuel filter and push a new fuel filter onto the intake head.
- Push the intake head into the fuel tank again.
- Mix and pour in the petrol/oil mixture (see chapter 5.2 “Mixing and pouring in the petrol/oil mixture (08)”, page 47).
Adjusting Bowden cables (15)
WARNING! Rotating cutting tool. Serious injury can be caused by the rotating cutting tool.
- Only adjust the Bowden cables with the motor switched off.
- Only perform the function test when the trimmer is horizontal.
The Bowden cables of the trimmer were correctly set by the manufacturer. If the position of the
“Bike” handle is changed significantly, this can result in extension of the Bowden cable, leading to a problem with the throttle lever function. This means the cutting tool does not stop after the engine has been started and the half-throttle lock unlocked.
- Turn the set screw (15/1) to shorten or lengthen the Bowden cable (15/2).
- Briefly press start engine as well as the throttle lever for the half throttle lock to engage.(see chapter 6.3.1 “Starting the engine”, page 48).
- Check that the cutting tool comes to a stand-still. If not: Repeat the setting.
Maintaining the spark plug (16)
- Removing the spark plug:
- Remove the spark plug connector (16/1).
- Unscrew the spark plug (16/3) using a spark plug spanner (16/2).
- Assessing the condition of the spark plug:
- If the spark plug is reddish-brown: The engine is working correctly and the spark plug is in order. If necessary: Carefully brush the spark plug clean using a fine wire brush (16/4).
- If the spark plug is sooty, oily, encrusted, melted or bridged: The spark plug is defective. Replace the spark plug with a new spark plug. Use the specified spark plug type (see chapter 11 “Technical da-ta”, page 56).
- If, after a short period of operation, the spark plug is defective again, the engine and the carburettor settings must be checked by an authorised service workshop.
- Check the electrode spacing:
- Use a feeler gauge (16/5) to check that the electrode gap (16/6) is 0.6 – 0.7 mm. If not, carefully tap the electrodes closer together or carefully bend them apart.
- If the specified interval is reached or the spark plug is defective:
- Replace the spark plug with a new spark plug. Use the specified spark plug type (see technical data).
- Installing the spark plug:
- Ensure the spark plug seal ring (16/7) is on the spark plug.
- Screw in the spark plug again by hand and tighten using the spark plug spanner (torque 12 – 15 Nm).
- Push on the spark plug connector again firmly.

Greasing the gear of the cutting head (17)
- Place the trimmer on the floor so that the right side of the cutting head (17/1) points upwards.
- Unscrew the filling screw (17/2) and remove the sealing ring (17/3).
- Squeeze in some gear grease (126632 high-performance gear grease).
- Screw in the filling screw including sealing ring.
Sharpening line cutter (18)
- Loosen the mounting screws (18/1).
- Clamp the line cutter (18/2) in a vice and sharpen it using a file. File in one direction only.
- Attach the line cutter to the guard plate (18/3) again using the mounting screws. Tighten the mounting screws firmly.

Maintenance schedule
The following jobs are allowed to be carried out by the user independently. All other maintenance, service and repair work must be carried out in an authorised service workshop.


NOTE
It may be necessary to shorten the maintenance intervals compared to those stated in the table above in case of severe loading and at high temperatures.
TECHNICAL DATA


HELP IN CASE OF MALFUNCTION


AFTER-SALES / SERVICE
In the event of questions of warranty, repair or spare parts, please contact your nearest AL-KO Service Centre.
These can be found on the Internet at: www.al-ko.com/service-contacts
GUARANTEE
We will resolve any material or manufacturing faults on the appliance during the legal warranty period for claims relating to faults, in accordance with our choice either to repair or replace. The legal warranty period is determined by the legislation of the country in which the appliance was purchased.
Our warranty promise applies only if:
- These operating instructions are heeded
- The appliance is handled correctly
- Original spare parts have been used
The warranty becomes void in the case of:
- Unauthorised repair attempts
- Unauthorised technical modifications
- Non-intended use
The guarantee excludes:
- Paint damage that can be attributed to normal wear and tear
- Wear parts that are marked with a frame xxxxxx (x) on the spare parts card
- Internal combustion engines (these are covered by the guarantee provisions of the corresponding engine manufacturers)
The guarantee period commences with purchase by the first end user. The date on the proof of pur-chase is decisive. In the event of a guarantee claim, please take this guarantee declaration and the original proof of purchase, and contact your dealer or the nearest authorised customer service centre. This statement does not affect the purchaser’s statutory claims for defects against the vendor.
EU DECLARATION OF CONFORMITY
We hereby declare that this product in its marketed form conforms to the requirements of the harmonised EU Directives, EU safety standards and product-specific standards.

















