USER MANUAL
I MIX 46CH
IMPORTANT SAFETY SYMBOLS
Use only with the cart, stand, tripod, bracket, or table specified by the manufacturer, or sold with the apparatus. When a cart is used, use caution when moving the cart/apparatus combination to avoid injury from tip-over.
The symbol is used to indicate that some hazardous live terminals are involved within this apparatus, even under normal operating conditions, which may be sufficient to constitute the risk of electric shock or death.
The symbol is used in the service documentation to indicate that a specific component shall be replaced only by the component specified in that documentation for safety reasons.
Protective grounding terminal
Alternating current/voltage ON: Denotes the apparatus is turned on
Hazardous live terminal OFF Denotes the apparatus is turned off.
WARNING: Describes precautions that should be observed to prevent the danger of injury or death to the operator.
CAUTION: Describes precautions that should be observed to prevent the danger of the apparatus.
IMPORTANT SAFETY INSTRUCTIONS
* Read these instructions.
+ Keep these instructions.
* Heed all warnings.
+ Follow all instructions.
+ Water & Moisture
The apparatus should be protected from moisture and rain, and can not use near water, for example near a bathtub, kitchen sink or swimming pool, etc.
+ Heat
The apparatus should be located away from the heat source such as radiators, stoves, or other appliances that produce heat.
* Ventilation
Do not block areas of ventilation opening. Failure to do could result in fire. Always install in accordance with the manufacturer’s instructions.
* Object and Liquid Entry Objects do not fall into and liquids are not spilled into the inside of the apparatus for safety.
* Power Cord and Plug
Protect the power cord from being walked on or pinched particularly at plugs, convenience receptacles, and the point where they exit from the apparatus.
Do not defeat the safety purpose of the polarized or grounding-type plug. A polarized plug has two blades one wider than the other. A grounding-type plug has two blades and a third grounding prong. The wide blade or the third prong is provided for your safety.
If the provided plug does not fit into your outlet, refer to an electrician for replacement.
* Power Supply
The apparatus should be connected to the power supply only of the type as marked on the apparatus or described in the manual. Failure to do could result in damage to the product and possibly the user.
Unplug this apparatus during lightning storms or when unused for long periods of time.
Where the MAINS plug or an appliance coupler is used as the disconnect device, the disconnect device shall remain readily operable.
Fuse
To prevent the risk of fire and damaging the unit, please use only of the recommended fuse type as described in the manual. Before replacing the fuse, make sure the unit turned off and disconnected from the AC outlet.
– Electrical Connection
Improper electrical wiring may invalidate the product war- ranty.
Cleaning
Clean only with a dry cloth. Do not use any solvents such as benzol or alcohol.
Servicing
Do not implement any servicing other than those means described in the manual. Refer all servicing to qualified service personnel only.
Only use accessories/attachments or parts recommended by the manufacturer.
Introduction:
Thank you for purchasing the compact mixer which features a universal voltage of 100-240V, and a compression function of each mic channel to keep crystal clear sound during performance.
The mixer can play music via SD card/USB/Bluetooth. The mic sound or music of line in can be recorded to SD card/USB to suit for the requirement of solo or band performance or conference recording.
Application:
Suitable for applications in PA systems or indoor recording, e.g. Movie/TV/music recording in theatre/dancing hall/bar/conference hall, etc;
Function
- 12CH MIC/line and 2CH stereo inputs;
- Compression function of mic channels (0-9dB);
- Built-in USB/SD card/Bluetooth playing/recording function;
- 48V phantom power for condenser mic;
- Built-in 16 program DSP with adjustable delay for wonderful effect;
- Main outputs with 2X8 accurate meter to monitor output level;
- Universal voltage 100V-240V;
- MP3 interface can connect with PC for playback;
| A. Channel
| 1. Gain control It adjusts input signal level to balance the S/N ratio and dynamic range. To get the best effect, adjust this knob: make PEAK LED flashes sometimes to avoid channel distortion. Mic input gain range: 6~50dB, line in gainrange: +10~ -34. 2. COMP: It adjusts channel compression. Turn clockwise to increase the compression ratio and the gain will adjust automatically. 3. HPF It turns on/off the HPF with an 18 dB octave to activate the 80 Hz LF filter. You can also use it to reduce mains hum noise or stage mic noise. 4. EQ control Hi: when you set it to the max, the 12KHz frequency level boosts +15dB. To min, and the 12KHz frequency level cuts -15dB. MID: when you set it to the max, 2.5KHz frequency level boosts +15dB. To min, and the 2.5KHz frequency level cuts -150B. LOW: when you set it to the max, the 45Hz frequency level boosts +15dB. To min, and the 45Hz frequency level cuts -15dB 5. AUX-DSP These two knobs are used to the level of the signal sent to AUX-DSP BUS, and then to external DSP, or to the built-in OSP module. DSP knob can also adjust the channel level. 6. PAN Set it to the middle position, then the sound image will be in the middle of the stage. It can also adjust the left/right output signal. 7.PFL Each channel is designed with a PFL button, press this button to send the signal from the channel input to headphones. 8. PEAK LED When the signal reaches the level of clipping level deducted 3dB, PEAK LED lights up red. 9. MUTE & LED Each channel is designed with the MUTE button. Press it to mute the channel. The mute LED lights up. 10. FADER It adjusts the level of the channel signal which is sent to the main mix out. Note: set the unused faders to a minimum position. |
![]() | Stereo channel 1. -10/+4 sensitivity switch |
OUTPUT AND REAR PANEL
- MIC/LINE CHANNEL
Balanced XLR input connector (1: ground; 2: hot; 3: cold).low noise mic pre-amp and phantom power, 45dB gain and >100 dB S/N ratio. The phantom power is used for condenser mic.
If you use dynamic mic,please turn off phantom power first. These channels are designed with 1/4inch TRS bal/unbal line in connectors to connect with keyboard, electric drum, DSP, etc. - Stereo channel input
Unbalanced connectors. If the signal input is from LEFT/MONO, the signal outputs from L/R main mix outputs. If signal inputs from the RIGHT connector, signal outputs from R main mix output.
This connector can be connected to a keyboard, electric drum, DSP, etc. - AUX SENDS
1/4″ phone jacks to send a signal from AUX BUS to external equipment, e.g. Effect equipment or stage monitor, etc; - DSP output
1/4″ phone jack to output DSP signal and the level is controlled by channel DSP. - AUX RETURNS input
Stereo 1/4″ phone jacks to return effect equipment stereo signal to Main Mix. Or you can use the AUX RETURN knob to adjust the volume. The input AUX signal will be sent to MAIN MIX. - PLAYBACK
Unable RCA and 3.5 connectors to an input signal from CD player/computer, etc; - RECORD
Unable to RCA connector to the output signal to recording equipment. - MAIN MIX output
Bal XLR connector. The level is adjusted by the Main Mix fader. - CTRL ROOM output
1/4” phone jacks send a Control Room signal to monitor the speaker cabinet. - POWER socket
It is designed with a fuse to connect with the mains. Please replace the fuse with the same type and rating. - POWER swtich
It turns on/off the mixer. - Footswitch
Used to connect external footswitch to control effects.

- +48V phantom power switch/red when on It is used for condenser mic operation. Please set all faders to a minimum before turning on the switch to protect speaker cabinets.
- Stereo return
It adjusts stereo return signal level. - AUX send
It adjusts aux send level. - PLAYBACK
It adjusts the playback signal level. - CTRLMP PHONES
It adjusts the phone signal level. - PLAYBACK switch
Press the switch to send signal to monitor and phones. - MAIN MIX switch
Press the switch to send MAIN signal to monitor and phones. - Phone output
This connector send a signal to phones. - DSP ON switch
Press this switch to start the DSP operation and LED lights up green. - DSP fader
It adjusts the DSP signal level. - PARAMETER
It adjusts the delay time. - PROGRAM
Prg# Description Parameter 1 1 Small Hall Rev Time 0.9sec-3.5sec 2 Large Hall Rev Time 1.5sec-8.6sec 3 Small Room Rev Time 0.28sec-0.82sec 4 Bright Room Rev Time 0.36sec-1.38sec 5 Thin Plate Rev Time 0.44sec-1.54sec 6 Large Plate Rev Time 0.72sec-10sec 7 Spring Reverb Rev Time 0.4sec-2.3sec 8 Multi-tap Delay Delay Time 0-680ms 9 Analog Delay Delay Time 0-680ms 10 Chorus Verb Rev Time 0.56sec-3.5sec 11 STEREO CHORUS Rate 0.58Hz-6Hz 12 Flanger Rate 0.58Hz-4.35Hz 13 Phaser Rate 0.58Hz-11Hz 14 Gated Reverb Gate Time 0.25sec-0.78sec 15 Flange Verb Rev Time 0.34sec-2sec 16 Vocal Echo Delay Time 0-400ms - OWER LED
- PEAK LED
- THE MAIN OUTPUT LEVEL LED
- MAIN MIX fader It adjusts the MAIN MIX output level.
SD/USB/BLUETOOTH
- MODE
Press this button to select mode: SD card, USB, Bluetooth, recording.
a) SD/USB mode: insert SD card/USB to play music directly.
b) Bluetooth mode: press the button to select Bluetooth, then match the Bluetooth, then play music.
c) Recording mode: press the button to select recording mode. Input signal from mic or line, then press play button to record.
The LCD displays a recording symbol flashing. - Play/pause button
- Stop button
- Repeat button
- Previous button
- Next button
- Sd card connector for playback and recording
- USB interface to connect with PC for playback and recording
SD card/USB details
Loop Functions
1 = play one chosen track on loop (repeat). Note: in this mode, individual tracks cannot be selected.
F = play all tracks within the same folder on your SD card or USB drive in sequence on loop (repeat).
R = shuffle – plays all tracks randomly no loop (no repeat)
A= plays all tracks in sequence on loop (repeat)
Selecting and playing individual tracks from a USB or SD card.
Press and hold the PLAY/PAUSE button.
Use the forward/back buttons to select the required track.
Release the PLAY/PAUSE button.
Your selected track will now be used and paused and will play when the PLAY/PAUSE button is pressed again.
Useful tips for getting the most out of your playback facility during a live performance :
Record a track with no sound on it, say 30 seconds long. Call this track ‘001 – Silence’ and make sure it’s always the first track in your file. The reason to do this, is to allow you sufficient time when inserting your memory stick to allow you to enter the play/pause track cueing facility without accidentally playing a track. You can then select the track want to leave the player in PAUSE ready for the performance.
Add a few seconds (up to about 30 seconds) of no sound (quiet) to the end of all of your recorded tracks.
The player will automatically play the next track in sequence if you have multiple tracks, so adding this quiet section to your tracks allows you time to stop your player and cue your next track, to avoid the player going into an unwanted track installation
- There should be no obstacles before the speaker cabinet. You had better put the speaker cabinet on a speaker stand.
- Use professional devices to suspend or install the speaker cabinets to avoid hurt.
- Use the high-quality cable to ensure the best tone.
- Please match the right power and impedance of the power amplifier and speaker cabinet.
- Do not point the microphone to the speaker cabinet to avoid feedback.

Bal/unbal mode of TRS/XLR connectors
1/4″TRS or XLR connector bal/unbal modes; please refer to below:
1/4″ connector
Connection
The supplied 1/4” TRS and XLR connector to connect with pro audio equipment; please refer to below:
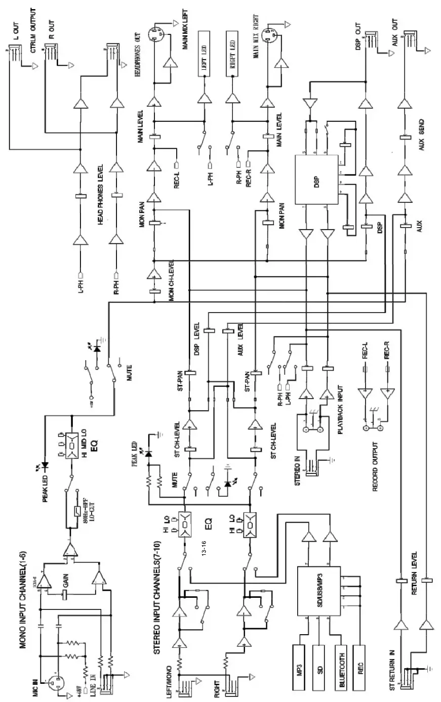
Block Diagram
Specifications
| Mono input | |
| Mic input | Bal input |
| Frequency response | 10 Hz to 30 kHz, +/-3 dB |
| THD(THD&N) | 0.03% at +4 dBu, 22Hz-20kHz A-weighted |
| Compression | GAIN:0-9dB,THRESHOLD: 20dB415dB |
| S/N ratio | (SNR)115 dB |
| Line in | Bal input |
| Frequency response | 10 Hz to 30kHz, +/-3 dB |
| THD(THD&N) | 0.005% at+4 dBu, 22Hz-20kHz A-weightde |
| Max gain | 75 dBu MIC INPUT MAIN OUTPUT |
| Stereo input channel | |
| Line in | Bal/unbal |
| Frequency response | 10 Hz to 55 kHz, +/-3 dB |
| THD(THD&N) | 0.005% at +4 dBu, 22Hz-20kHz A-weighted |
| Impedance | |
| Mic input | 1.4 kOhm |
| Line in | 10 kOhm |
| Other inputs | 10 kOhm or more |
| Recording output | 1 kOhm |
| Other outputs | 120 Ohm |
| Mono EQ | |
| HI | +/-15 dB @12 kHz |
| MID | +/-15 dB @2.5 kHz |
| LOW | +/-15 dB ©45 Hz |
| Low cut filter | 80 Hz, 18 dB/Oct. |
| Stereo EQ | |
| HI | +/-15 dB @12 kHz |
| LOW | +/-15 dB @60 Hz |
| DSP | A/D & D/A converter sample frequency 24-Bit, 16 programs |
| Main mix | |
| Noise (BUS noise) | Fader OdB,all input channel knobs set to minimum, EQ knobs set to middle,:-100dBu(reference:+4dBu) |
| Max output | |
| Bal: +27dBu; unbal: +22dBu 1/4″ connector | |
| AUX: +22 dBu | |
| DSP: +22dBu | |
| Power supply | 100-240 VAC-50/60 Hz |
| Dimension(D*W*H)mm | 16CH: 525x363X97 |
| Net weight | 16CH: 8.3KG |





















