OWNER MANUAL
MANUALE UTENTE
F 16XR
MIXING CONSOLES
HIGH PERFORMANCE PROFESSIONAL COMPACT LIVE MIXER
MIXER PROFESSIONALE LIVE COMPATTO AD ALTE PRESTAZIONI
SAFETY PRECAUTIONS
Before connecting and using this product, read the instructions provided in this manual carefully and keep it for future reference.
This manual is an integral part of the product and it must accompany it even in the case of changes of ownership so that the new owner is aware of the method of installation and use and all safety warnings. Incorrect installation and use of the product shall relieve RCF S.p.A. of any and all liability.
CAUTION: To prevent the risk of flames or electric shock, do not ever expose this product to rain or humidity.
Warning
- All warnings, in particular those relating to safety, must be read with special attention, as they contain important information.
- MAIN SUPPLY FROM THE MAINS
– The supply voltage of the device is sufficiently high to constitute a risk of electric shock to persons: never install or connect the device with the power supply cable plugged into the mains.
– Before powering this product, make sure that all connections are correct and that the voltage of your mains supply matches the value on the device data plate; if this is not the case, please contact an RCF dealer.
– The metal parts of the device are earthed via the power supply cable.
– A device with CLASS I construction must be connected to the mains socket with a protective earthing connection.
– Make sure that the power supply cable of the device cannot be stepped on or crushed by objects, to make sure it remains intact and in perfect working order.
– To avoid the risk of electric shock, never open the device: there are no parts that can be used by the user inside. - Do not allow objects or liquids to penetrate the product, as this may cause a short circuit. The device must not be exposed to
dripping or splashing water; no naked flame sources (e.g. lighted candles) and no objects filled with liquid (e.g. vases) must be
placed on top of the device. - Do not perform any work/modifications/repairs except for those expressly described in this manual. Contact an authorized service center or highly qualified personnel when:
– the device is not working (or is working abnormally);
– the power supply cable has been seriously damaged;
– objects or liquids have penetrated the device;
– the device has undergone major knocks.
IMPORTANT - If this product is not used for long periods of time, unplug the power supply cable from the mains.
- If the product releases abnormal odors or smoke, turn off the power immediately and unplug the power supply cable.
- Do not connect this product to other devices and accessories not envisaged. Do not try to hang this product using elements that are not designed or suitable for this purpose. To avoid the risk of falling, do not stack multiple units of this product unless this option is expressly specified in the instruction manual.
- RCF S.p.A. strongly recommends that the installation of this product be carried out only by professional qualified installers (or specialized installation companies) able to do it properly and to certify an installation in accordance with the applicable regulations in force. The entire audio system must comply with the applicable rules and regulations regarding electrical systems.
- Stands and Carts
Where envisaged, the product should only be used on carts or stands recommended by the manufacturer. The device-stand / device-cart assembly should be moved with the utmost care. Sudden stops, excessive pushing force, and uneven or tilted floors could cause the assembly to overturn. - Hearing loss
Exposure to high sound levels can cause permanent hearing loss. The sound pressure level dangerous to one‘s hearing varies greatly from one person to another and depends on the duration of exposure. To avoid potentially dangerous exposure to high sound pressure levels, anyone who is exposed to these levels must use adequate protection; when a transducer capable of producing high sound levels is in use, earplugs or protective headsets must be worn. See the technical instruction data to find
out the maximum sound pressure levels that the speakers are capable of producing. - Place the product away from heat sources and ensure adequate air circulation all around.
- Do not overload this product for extended periods of time.
- Never force the controls (buttons, knobs, etc.).
- Do not use solvents, alcohol, petrol, or other volatile substances to clean the external parts of the unit; use a dry cloth.
- Do not point microphones near and in front of the speakers, so as to avoid any feedback (“Larsen effect”).
NOTE ON CABLES FOR AUDIO SIGNALS
To prevent the occurrence of noise on the cables that carry signals from the microphones or on the line (for example 0 dB), use only screened cables and avoid laying them in the vicinity of:
– equipment that produces strong electromagnetic fields;
– cables from the power mains;
– speaker lines.
RCF S.p.A. thank you for buying this product, which was made in order to ensure reliability and high performance.
INFORMATION ON THE DEVICE
Thank you for purchasing an RCF mixing console.
F 16XR is a versatile audio mixer equipped with all the tools needed for accurately processing multiple audio signals from a variety of sources.
CLEAR SOUND
RCF mixing console devices combine RCF’s professional “sound culture” heritage with innovative design and dedicated manufacturing. RCF mixing consoles produce clear sound, accurate sound dynamics, and extreme versatility of use by passionate audio professionals. RCF mixing consoles are designed to match perfectly with RCF active speakers.
RELIABILITY
All RCF mixing consoles undergo four extensive instrumental quality tests during construction. A listening test is carried out at the end of production followed by a final quality control inspection to locate any visible defects, such as scratches or dents. The process guarantees outstanding reliability making sure that the device you have purchased is of the highest quality.
DESIGN
The unique design of RCF mixing consoles is an example of typically Italian RCF flair and creativity. RCF mixing consoles combine modern, excellent ergonomic design. In addition to their striking appearance, the original side profile of the mixers makes them easy to grasp securely.
DESCRIPTION AND MAIN CHARACTERISTICS
F 16XR is a versatile analog audio mixer, equipped with all the tools required for the accurate processing of multiple audio signals from different sources.
F 16XR provides an internal PRO DSP FX: the DSP unit offers 16 predefined effects presets: 10 reverbs, 3 delays, and 3 modulation effects.
F 16XR AUDIO INPUTS
– CHANNELS 1 to 10: Microphone or Line inputs with separate XLR and TRS jack connectors, three-band EQ with semiparametric Mid. band.
– CHANNELS 9/10 and 11/12: STEREO inputs for LINE level stereo signals (double TRS jack) with three-band equalizer.
– CHANNELS 13/14 and 15/16: STEREO inputs for LINE level stereo signals (RCA or double TRS jack) with a three-band equalizer.
F 16XR AUDIO OUTPUTS
– MAIN MIX main stereo output with XLR male connectors (balanced) and TRS jack.
– CONTROL ROOM OUTPUT with TRS balanced jack-out connectors.
– 4 AUX OUTPUTS on the back panel (Balanced TRS jack).
– 4 BUSSES OUTPUTS on the back panel (Balanced TRS jack).
– 1 FOOTSWITCH jack socket (TS jack) for foot control for the activation or deactivation of effects return.
– 1 phone headphone output (1/4” stereo jack).
– USB audio port for stereo recording and playback to/from the dedicated computer.
– Internal PSU 100 V – 240 V, 50-60 Hz, 40 W.
PHYSICAL SPECIFICATIONS
– Dimensions: L = 480 mm, W = 400 mm, H = 110 mm
– Weight: 6,4 Kg
FRONT PANEL

REAR PANEL

FRONT PANEL FUNCTIONS
[1] MIC INPUTS
RCF F 16XR provides 10 mono Mic inputs via XLR connectors. The Balanced XLR Microphone preamp input supports sources with a gain range from 0 dB to -50 dB (see section [11] of this manual). All the F 16XR’s MIC-LINE inputs are supplied with an 80 Hz Hi-pass filter. Enable the 80 Hz Hi-Pass filter when using a voice microphone to reduce low-frequency pop, bump and rumble noises (see section [11] of this manual). +48 V Phantom Power is provided for the Mic input: 1 to 8. Enable the Phantom power in presence of Condenser and Electret Microphones or in the event of D.I. box usage (see section [10] of this manual).
[2] LINE INPUTS
Line inputs TRS jack from 1 to 8 support line signals with a gain of +20 dB to -30 dB (see section [11] of this manual).

| [3] LINE INPUT 6 Line Input 6 adds the selectable Hi-Z input feature. The Hi-Z input is very useful when connecting low-level musical instruments like Electric or Acoustic Guitars or Bass Guitars with a passive pick-up. | ![]() |
| [4] STEREO INPUTS 9/10 AND 11/12 TRS jacks 9/10 and 11/12 provide stereo inputs for line sources. Note that MONO sources can be connected to jack inputs 9 and 11 (see section [12] of this manual). | ![]() |
| [5] STEREO INPUTS 13/14 AND 15/16 RCA and TRS jacks 13/14 and 15/16 provide stereo inputs for line sources. Note that MONO sources can be connected to jack inputs 13 and 15 (see section [13] of this manual). | ![]() |
| [6] FOOTSWITCH This TS jack connector allows the use of MOMENTARY switches or foot pedals to MUTE and UN-MUTE the audio coming from the internal FX return. When the FX is muted via footswitch the red LED near the MUTE button of the FX RET fader lights up (see the section [33] of this manual). In this state, the effect can be unmuted both by pressing the FX MUTE button or the FOOTSWITCH again. | ![]() |
| [7] PHONES OUTPUT Connect headphones here to listen to the MAIN MIX or PFL signals. Set the PHONES LEVEL control ([26]) to a minimum (-∞) before connection, and wear headphones to avoid hearing loss. | ![]() |
| [8] MAIN OUTPUTS These XLR male connectors provide +4 dB balanced audio output coming from MAIN MIX. Connect your main speaker system to XLRs, named L and R. The audio level of MAIN MIX OUT L and R is controlled by the dedicated MAIN MIX fader (see section [35] of this manual). L and R XLR MAIN MIX outputs are replicated with L and R TRS jack. | ![]() |
| [9] CTRL ROOM OUTPUT Connect to Control Room Output Balanced jacks a pair of studio monitors as a local listening system. The audio level of the CTRL ROOM output is controlled by the dedicated CONTROL ROOM potentiometer on the front panel (see section [24] of this manual). | ![]() |
| [10] PHANTOM POWER +48 V CH1/6 SWITCH Dedicated to the Mic input this switch allows the +48 V Phantom Power to the Mic input: 1-8 to be enabled. Enabling of the Phantom power is necessary only in the presence of Condenser and Electret Microphones or in case of D.I. boxes usage. | ![]() |
[11] CHANNEL 1 TO 8 GAIN
MIC input (XLR). These controls permit the gain for MIC input to be set with a range from 0 dB to -50 dB. If the LINE INPUT (TRS jack) is in use the gain range permitted is from +20 dB to -30 dB. All the F 16XR’s MIC-LINE inputs are supplied with an 80 Hz Hi-pass filter. Enable the 80 Hz Hi-Pass filter when using a microphone for voice to reduce low-frequency pop, bump and rumble noises.

| [12] CHANNEL 9/10 AND 11/12 GAIN MIC input (XLR). These controls permit the gain for MIC input to be set with a range from 0 dB to -50 dB. Corresponding LINE INPUT (TRS jack) has a fixed input level gain. | ![]() |
| [13] CHANNEL 13/14 AND 15/16 GAIN STEREO LINE INPUT (TRS jack). The controls allow a gain range control from +20 dB to -30 dB. | ![]() |
| [14] IN USB – IN 15/16 BUTTON USB IN determines that the stereo audio channels played from an external computer connected to the USB ports are routed to the stereo channel 15/16. When the button is in the upper position (not pressed) the audio coming from LINE INPUT 15/16 is routed to MAIN MIX; If the USB IN button is pressed the audio coming from an external computer is routed to the stereo channel 15/16; in this instance, the USB audio substitutes the analog audio input and takes advantage of all the features provided by the stereo channel such as EQs, AUX send, BAL, and fader control. | ![]() |
| [15] LEVEL METER This 12 LED elements level meter allows you to control the Main Mix output level. Keep the output level below the “CLIP” indication to avoid overloaded signals that can cause distortion. | ![]() |
[16] COMPRESSORS
Input channels 1 to 6 are provided with intuitive and powerful single-control dynamic compressors. With thresholds and ratio parameters properly designed the F 16XR’s compressors allow even the most dynamically demanding signals to be controlled.

[17] EQ (MONO CHANNELS)
All the F 16XR’s mono channels and stereo channels 5/6 and 7/8 are provided with a sophisticated and precise 3-band EQ. Low-frequency control sets in at 100 Hz with a gain of +/-15 dB and a shelving curve. Hi, frequency control sets in at 10 kHz with a gain of +/-15 dB and shelving curve. Mid-frequency control provides a frequency selection between 100 Hz to 8 kHz with a gain of +/-15 dB and a bell curve.

[18] EQ (STEREO CHANNELS)
Stereo channels 9/10, 11/12, 13/14, and 15/16 are provided with precise 3-band EQ. Low-frequency control sets in at 100 Hz with a gain of +/-15 dB and a shelving curve. Hi, frequency control sets in at 10 kHz with a gain of +/-15 dB and shelving curve. Mid-frequency control sets in at 1250 Hz with a gain of +/-15 dB and a bell curve.

[19] PRO DSP FX
F 16XR is equipped with an internal 16 preset FX board.
Rotating the encoder allows selection between 16 great sounding effects:
| 01. SMALL HALL 02. LARGE HALL 03. SMALL ROOM 04. BRIGHT ROOM | 05. THIN PLATE 06. PLATE 07. SPRING REVERB 08. MULTITAP DELAY | 09. ANALOG DELAY 10. CHORUS VERB 11. STEREO CHORUS 12. FLANGER | 13. PHASER 14. GATED REVERB 15. FLANGER REVERB 16. VOCAL ECHO |
Select one of these effects presets to enrich your sound.

| [20] PFL ACTIVE LED This LED lights up when one or more PFL buttons are pressed. | ![]() |
[21] AUX1 – FX/AUX4
Each channel of the F 16XR mixer is provided with 4 auxiliary sends; the AUX1 and AUX2 are PRE fader send.
AUX3 is a POST or PRE fader send depending on the position of the AUX3 PRE/POST button ([25]). When the selection is pre-fader (button pressed) AUX3 takes the signal from the channel independently from the fader position; when the selection is post-fader (button unpressed) the AUX3 takes the signal subjected to the fader position. FX/AUX4 send is always post-fader.
FX/AUX4 send to feed to the internal PRO DSP FX board. The signal present in the FX/AUX4 send is also routed to the AUX4 OUTPUT jack present on the back panel (see section [39] of this manual).

| [22] FX TO AUX This sends allows for routing the signal present in the FX return channel to AUX1, AUX2 and AUX3 send. | ![]() |
| [23] AUX1 TO FX/AUX4 MASTER KNOBS These potentiometers control the master level of the auxiliary and send AUX1 to AUX FX/4. The PFL button, when pressed, allows listening to the signal present in the single aux out, through speakers connected to the CTRL ROOM OUTPUT (see section [9] this manual) or through headphones connected to PHONES OUTPUT (see section [7]). | ![]() |
| [24] CTRL ROOM LEVEL KNOB This is the level control of the signal routed to CTRL ROOM OUTPUT. During the mixer’s normal use the MAIN MIX signal is routed to this output; when one or more PFL buttons are pressed the PFL bus signal will be routed to CTRL ROOM OUTPUT and PHONES OUTPUT. | ![]() |
| [25] AUX3 PRE/POST BUTTON This button allows selection of the AUX3 position, pre-fader or post-fader. See section [21] of this manual. | ![]() |
| [26] PHONES LEVEL This knob controls the level of the PHONES OUTPUT [7]. Set the PHONES LEVEL control to a minimum (-∞) before connecting and wear headphones to avoid hearing loss. | ![]() |
| [27] MONITOR SECTION The MONITOR SECTION provides two “TO CTRL ROOM” buttons: the upper one selects the audio path to listen on speakers connected to CTRL ROOM OUTPUT; L/R audio path, when in the upper position, or the BUSSES audio path, when pressed. The lower one determines which pair of BUSSES to listen to BUS 1/2 when in the upper position or BUS 3/4 when pressed. | ![]() |
[28] PAN
These controls allow positioning of the signal present in the mono channel in the stereo image of the MAIN MIX.

| [29] PAN/BAL The control works as PAN when the channel is used in MONO configuration (XLR MIC INPUT) defining the position of the signal into the stereo image of the stereo MAIN MIX. BAL (Balance) control allows balancing of the position of the stereo channel (TRS jack line stereo input) into the stereo image of the MAIN MIX. | ![]() |
| [30] BAL These controls characteristic of stereo channels allow balancing of the position of a stereo channel into the stereo image of the MAIN MIX. | ![]() |
[31] MONO CHANNELS FADERS SECTION
This section allows the level of the MONO input channels from 1 to 8 to be controlled, and their routing to the output. Each one of the faders has several control buttons. MUTE button when pressed inhibits the signal to flow to the output bus or main mix paths. The PFL button allows listening to the signal present on the channel through speakers connected to the CTRL ROOM OUTPUT (see section [9] of this manual) or through headphones connected to PHONES OUTPUT (see section [7]). MAIN and BUS 1/2 and BUS 3/4 buttons positioned on the right side of each fader allow the signal to be routed respectively to MAIN MIX and/or STEREO BUS 1/2 and /or STEREO BUS 3/4.

[32] STEREO CHANNELS FADER SECTION
This section allows the level of the STEREO input channels from 9/10 to 15/16 to be controlled, and their routing to the output. Each one of the faders has several control buttons. MUTE button when pressed inhibits the signal to flow to the output bus or main mix paths. The PFL button allows listening to the signal present on the channel through speakers connected to the CTRL ROOM OUTPUT (see section [9] of this manual) or through headphones connected to PHONES OUTPUT (see section [7]).
MAIN and BUS 1/2 and BUS 3/4 buttons positioned on the right side of each fader allow the signal to be routed respectively to MAIN MIX and/or STEREO BUS 1/2 and /or STEREO BUS 3/4.

| [33] FX RET FADER This fader controls the level of the signal coming from the internal PRO DSP FX. MUTE button, when pressed, inhibits the signal to flow to the output bus or main mix paths. The PFL button allows listening to the signal present on the channel through speakers connected to the CTRL ROOM OUTPUT (see section [9] of the back panel description) or through headphones connected to PHONES OUTPUT (see section [7]). MAIN, BUS 1/2 and BUS 3/4 buttons positioned on the right side of the fader allow the signal to be routed respectively to MAIN MIX and/or STEREO BUS 1/2, and/or STEREO BUS 3/4. | ![]() |
| [34] BUS 1/2, BUS 3/4 FADER The faders BUS 1/2 and BUS 3/4 control the level of the stereo bus out. BUS 1/2 and BUS 3/4 can be fed by each one of the input channels to create stereo audio groups routed to the physical BUS OUTPUTS (see section [40]). The MUTE button, when pressed, inhibits the signal flow to the BUS output or main mix paths. The MAIN button positioned close to the BUS faders routes the BUS to the MAIN MIX. The PFL button, when pressed, allows listening to the signal present in BUS through speakers connected to the CTRL ROOM OUTPUT (see section [9] of this manual) or through headphones connected to PHONES OUTPUT (see section [7] of this manual). | ![]() |
| [35] MAIN MIX FADER The MAIN MIX Fader controls the level of the MAIN MIX output. | ![]() |
| [36] POWER SWITCH Use this switch to turn on and off your F 16XR mixer. | ![]() |
| [37] POWER SUPPLY INLET Connect here the power cord provided. The internal power supply accepts power from 100 V to 240 V AC 50-60 Hz. | ![]() |
| [38] USB TYPE B PORT Use this to connect your computer for audio stereo recording of the MAIN MIX signal and audio stereo playback. The computer connection does not require any driver and allows the recording and reproduction of PCM audio at 44.1/48.0 kHz – 16 Bit. The audio signal coming from a computer connected to the USB port could be reproduced through Channel 11/12 audio path (see section [14] of this manual). | ![]() |
| [39] AUX OUTPUTS These TRS jack connectors provide +4 dB balanced audio output coming from auxiliary sends. Connect your stage monitors or external effects input here. | ![]() |
| [40] BUS OUTPUTS These four balanced TRS jacks perform +4 dB audio out coming from BUSSES 1/2 and 3/4. The audio levels of BUSSES 1/2 and 3/4 are controlled by the dedicated fader located on the front panel (see section [34] of this manual). | ![]() |
CONNECTORS
1/4” JACK CONNECTOR

SUGGESTED CONFIGURATION


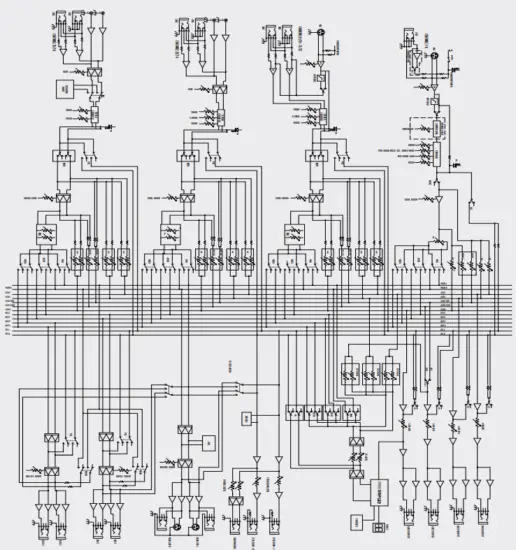
E12 BLOCK DIAGRAM / SCHEMA A BLOCCHI

SPECIFICATIONS / SPECIFICHE
| SPECIFICATIONS | RCF F 16XR |
Mono input Channels
| Microphone inputs | 10 XLR Balanced |
| Frequency response | 20 Hz – 20 kHz, +/- 1 dB |
| Distortion (THD+N) | <0,003% at +0 dB, 20 Hz – 20 kHz |
| Sensitivity range | 0 dB to -50 dB |
| Max input | +20 dBu |
| Mic input impedance | 14 kΩ unbalanced |
| Phantom Power | +48 V |
| Low cut | 80 Hz |
| Line input | 8 TRS jack balanced |
| Frequency response | 20 Hz – 20 kHz, +/- 1 dB |
| Distortion (THD+N) | <0,003% at +0 dB, 20 Hz – 20 kHz |
| Sensitivity range | 20 dB to -30 dB |
| Max input | +40 dBu |
| Line input impedance | 21 kΩ unbalanced |
Stereo Input Channels
| Line input | 4 pairs TRS jack balanced and 2 pairs RCA unbalanced |
| Frequency response | 20 Hz – 20 kHz, +/- 1 dB |
| Distortion (THD+N) | <0,003% at +0 dB, 20 Hz – 20 kHz |
| Sensitivity range | 20 dB to -30 dB |
| Line input impedance | 15 kΩ unbalanced |
Mono Channels EQ
| High | +/-15 dB @ 10 kHz Shelving |
| Mid | +/-15 dB @ Freq. sel. from 100Hz to 8kHz – Bell |
| Low | +/-15 dB @ 100 Hz Shelving |
Stereo Channels EQ
| High | +/-15 dB @ 10 kHz Shelving |
| Mid | +/-15 dB @ 1,250 kHz Bell |
| Low | +/-15 dB @ 100 Hz Shelving |
DSP Section
| DSP Processing | 20/27 bit digital signal |
| A/D and D/A converters | 24 bit |
| Type of effects | 4 algorithms: reverb, chorus, delay, flanger – 16 presets |
| Footswitch | TS jack (for effect return mute and unmute) |
Outputs
| Main Output | 1 pair of XLR male and 1 pair of TRS jacks |
| Max Main Mix Output Level | +28 dBu |
| Aux Output | 4 TRS jacks |
| Max Aux Output Level | +28 dBu |
| Stereo Bus 1/2 Output | 2 TRS jacks |
| Max Bus Output Level | +28 dBu |
| Stereo Bus 3/4 Output | 4 TRS jacks |
| Max Bus Output Level | +28 dBu |
| Ctrl Room | 1 pair of TRS jacks |
| Phones Output | 1 Stereo jack |
Power Supply
Internal Universal Power
| Main Voltage | 100 V – 240 V AC, 50 – 60 Hz |
| Power Consumption | 30 W |
| Weight | 6,4 kg |
| Dimensions | L 480 mm, W 400 mm, H 100 mm |
F 16XR REARVIEW / VISTA POSTERIORE

F 16XR TOP VIEW / VISTA FRONTALE

www.rcf.it
RCF SpA: Via Raffaello, 13 – 42124 Reggio Emilia – Italy
tel. +39 0522 274411 – fax +39 0522 274484 – e-mail: [email protected]
10307625















































