STARFIRE DIRECT D-POWERGLOW-SC PowerGlow Electronic Ignition System

General Description
System Overview
- Electronic Ignition for fast & convenient fire feature lighting.
- Electronic flame sensing for instant flame safety & monitoring.
- This product is designed and assembled to comply with ANSI Z21-97.
- Operates on 12 Volts AC and complies with NEC 2014 Article 680.
- This product may be installed within 5 feet of pool water.
- Operates with a hot surface ignition system with robust construction and a reliable ignition source.
- Potted electronics for moisture resistance and reliable operation.
- Pilot burner wires are made of high-temperature material to withstand temperatures up to 450 degrees centigrade (UL 5335/5107).
- Internal electronics are CSA Certified to Z 21.20-2014.
- Operating temperatures are between -20 F to 185 F.
- Weatherproof stainless-steel construction with waterproof connectors.
Product Contents
- Pilot Assembly ( Pilot Burner, lgnitor, Sensor Hood )
- Ignition Control Box
- Heat Shield
- Heat Shield Jam Nut
- Air Mixer
- Transformer ( 120 VACI 12VAC)

Product Dimensions
All measurements are in inches. 
WARNING
Before installing this product, read and follow all warning notices and instructions provided. Failure to do so may result in serious injury, property damage and/or death. For additional free copies of these instructions, visit our website at starfiredirect.com
DANGER: ELECTRICAL SHOCK OR ELECTROCUTION
- This product must be installed by a licensed or certified electrician in accordance with the National Electrical Code® and applicable local codes and ordinances. In Canada, the Canadian Electrical Code and all applicable local codes and ordinances must be adhered to. Improper installation will create an electrical hazard, which could result in injury, property damage, and/or death.
- This product is only available for 12-volt AC power. For supply connections, use only an isolating low voltage power supply with ungrounded output evaluated and listed by a nationally recognized testing laboratory.
- This product must be installed and serviced by a contractor or qualified installer who is licensed and/or certified within the jurisdiction where the product will reside. In the event no such state or local requirement exists, the installer or maintainer must be a qualified professional with sufficient experience in the installation and maintenance of gas appliances. Prior to installation, read and follow all warning notices and instructions provided with this product. Failure to do so may result in property damage, personal injury, and/or death.
- Improper installation and/or operation may result in exposure to carbon monoxide and flue gases which can cause serious injury, property damage, and/or death. For installations in the vicinity of occupied/living areas, Starfire Direct strongly recommends the installation of carbon monoxide detectors within reach of this appliance and in any adjacent occupied spaces. Improper installation and/or operation will void the warranty.
WARNING
DO NOT STORE OR USE GASOLINE OR OTHER FLAMMABLE VAPORS AND LIQUIDS WITHIN THE VICINITY OF THIS OR ANY OTHER APPLIANCE
WHAT TO DO IF YOU SMELL GAS
- Immediately switch off main gas supply.
- Do not try to light any appliance.
- Do not touch any electrical switch; do not use any phone near unit.
- Immediately remove yourself from the area, call your gas supplier and follow their instructions.
- If you cannot reach your gas supplier, call the fire department.
- Installation and service must be performed by a qualified installer, service agency or gas supplier.
CALIFORNIA PROPOSITION 65
This product can expose you to Chromium, which is known in the state of California to cause cancer, birth defects or other reproductive harm. (For more information, go to: www.p65warnings.ca.gov)
WARNING
- The appliance/system may produce carbon monoxide which has no odor. Using this appliance/system in an enclosed space such as a motor home, camper, car, or home may result in death.
- Starfire Direct utilizes CSA-certified compo-
nents. Installation must conform to local codes, National Fuel Gas Code ANSI Z223.1/NFPA and/o National Fuel Gas Code. - The appliance should be serviced annually by c professional gas technician certified in the United States by the National Fireplace Institute (NFI). Any parts that require replacement should be replaced only by a certified service professional using parts recommended by the manufacturer.
- The appliance/system may produce carbon monoxide which has no odor. Using this appliance/system in an enclosed space such as a motor home, camper, car, or home may result in death.
- Do not alter any component or design of this unit as it may alter the operation.
- The fire feature is not intended for cooking. Do not place anything on or in the fire feature.
- Never use fire feature in windy conditions.
- Do not reach across or touch hot surfaces or open flames.
WARNING
- Do not ignite fire feature when media (rocks/glass) is wet. Doing so may cause media to crack and burst.
- It is important to inspect the fire feature before every use. Make sure there are no obstructions or combustible materials on or near the unit.
- Wipe down the fire feature surface before every use and immediately clean any spills or messes on or around it.
- Consistently check hoses and fittings for cracks, abrasions, and leaks (at least once a month).
- Always keep children and animals away from the fire feature.
- Use a designated fire pit or barbecue cover when not in use.
LOCATING A NFI CERTIFIED INSTALLER
Planning and installing gas fire features and their electrical systems requires considerable technical knowledge and skill. Numerous decisions from proper floor protection to appliance sizing and placement to venting system compatibility and height should be made with the assistance of a knowledgeable professional. While NFI Certification in itself is not a license or a quarantee of competence, it is an excellent indication of professional commitment and training. Working with a NFI Certified Specialist can help ensure that your fire feature and venting systems are planned and installed with the proper attention tosafety and performance. They should also know local codes, safety guidelines, regulations, and clearance requirements for your area or at least have the resources to find them. If your having trouble finding a professional or worried about finding a qualified one, a great website to checkout is is the National Fireplace Institute’s Homeowner Resources page. You can find a professional that is certified to work with your type of setup.
Installation Details
Gas Requirements
If this item was purchased with a fire feature, it should be installed upon arrival. All hardware will need to be checked for proper tightness after transportation. Refer to the corresponding section below for set-up on your unit. All fire features must have clearance to combustible surface of 4ft on sides & 6ft from the top. Refer to the sections below according to the gas type used.
Initial Setup
PLEASE NOTE: All gas setup and installation should be done by a licensed gas professional. All electrical/wiring setup and installation should be done by a licensed electrician/contractor. The fire feature will require both gas and electrical power. Make sure gas and electricity are turned off before installing pipes and wires.
PLEASE NOTE: Piping and fire bowl/ fire pit construction is different for natural gas and propane gas. Internal gas lines must be clean and free from any dirt, debris, or contamination.
- The gas piping and electrical conduit must be installed underground between the control panel/gas meter and the fire feature. Please consult with a gas professional for proper gas pipe and fitting sizing. Using smaller piping over long lengths will result in a diminished flame due to pressure drop/piping resistance.
- Maintain good piping practice by keeping pipe length and elbows to a minimum to eliminate unnecessary pressure drops. IMPORTANT: Corrugated flex gas lines should not be used underground as permanent piping. Rigid pipe should always be used for permanent installation.
- The gas piping must be reduced to a 3/4″ pipe at the fire feature with the means to shut off the gas supply from the gas meter.
- Install a 3/4″ to 1/2″ reducer at the fire feature “stub-out” riser. The gas and electric risers should not be more than 3″ to 4″ above the installation surface.
- Install the 1/2″ flare to 1/2″ NPT fitting into the reducer fitting/pipe. You may place a manual shut-off valve between the elbow and the reducer for future maintenance. Test gas piping for leaks.
- PLEASE NOTE: The gas and electrical connection should be located at or near the center of each fire bowl/table. For the electrical, you will need 2 wires and a ground to the appliance.
- Install wiring (14 or 16 ga.) underground between the control panel and the burner assembly. DO
NOT USE BELL OR SPRINKLER WIRE. Lower gauge wire is not capable of carrying the current
needed to operate the appliance. Follow the wiring diagram in Section 3.3. The appliance should
be wired to a switch or dry contact on the 120 VAC side of the transformer.- PLEASE NOTE: A light switch, emergency switch, relay contact, or mechanical timer should always be installed on the 120 VAC side of the transformer to operate the fire feature. The 12 VAC side may be wired as far as 50 feet away from the transformer using 14-gauge wire.
- Only place your fire feature on a level surface and ensure piping is centered, anchor if not directly on the ground.
- Take the 1/2″ flex hose (provided) and tighten to the flare fitting from the supply line. Do not kink or make a tight radius bend on the gas hose as it may restrict the flow of gas.
- There are several vents and drainage holes in the fire bowl/table which must not be blocked. The electrical and gas pipe hole is sealed such that water cannot penetrate the coping surface under the bowl and will flow freely away and out to the edges.
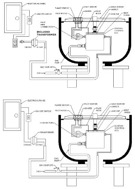
Wiring Diagram
PLEASE NOTE: All gas setup and installation should be done by a licensed gas professional. All electrical/wiring setup and installation should be done by a licensed electrician/contractor. Complete the wiring connection between the 12VAC Transformer and the white and red whites on the ignition control box.
Installation
- The Burner/pan and control will need to be connected to the gas and electrical lines coming up from the fire feature. Make sure you have the correct orifices on the pilot and the burner inlet for the gas you are using. You must use the proper orifices for natural gas or propane gas for both the
- pilot burner and the main burner. Refer to Section 3.4.2 for orifice replacement.
- Connect the flexible gas hose to the inlet flare fitting on the control box. Using a wrench, tighten the hose to the fitting to avoid gas leaks. If this fitting is not tightened correctly, it will leak and potentially ignite and can damage the control system. Connect the 12 VAC wires, from the control box to the electrical wires coming out of the conduit using wire nuts to secure connections. Link the copper ground wire to the ground/bonding lug on the control box.
- Reposition the burner and pan onto the fire feature and turn on the gas to check for leaks.
Installing a Control Box on a Non-starfire Designs Fire Feature
Be sure to use only approved burners with the Starfire Designs PowerGlow system as they have been pre-tested and rated for the input and gas designated on the control box.
- The burner pan must be cut and fitted for the pilot burner assembly in order for the main burner to ignite and operate properly. Starfire Designs burner pans already include the correct cutout.

- The main burner must have a flame port directly in front of the pilot for the ignition system to light the main burner and sense the flame.
- Turn the burner and burner pan upside down. Add thread sealer onto the burner pipe threads with particular attention to the last three threads

- Take the control box and install the heat shield onto the pipe. To do this, thread the brass pipe nut onto the burner orifice as far down as possible. Place the heat shield over the outlet pipe of the control box and thread the orifice into the outlet pipe until tight. Use a wrench on the burner orifice to tighten fully. Align the heat shield such that it fully shades the control box and tighten the brass pipe nut enough so that the heat shield will not move.

- Now, take the control box and install it onto the burner pipe, thread until fully tightened. Align the box so that the pilot hole is exposed and accessible to install the pilot assembly.
- Turn the burner pan right side up and insert pilot assembly into the pan cutout with the pilot hood slots facing the burner.
- Align the two mounting holes over the two holes on the burner plate. Using the self-drilling screws, secure thepilot burner assembly onto the burner plate.

- Turn the burner back over, exposing the control box and pilot assembly wires. Your ignition system should resemble the installation progress on the right.

- Take the flexible stainless steel flex line and secure it onto the flare fitting on the control box. Ensure it is tight, do not over tighten as it may strip the threads. Do not use pipe joint compound on flared side of fitting.
- Join the 4-pin connectors between the pilot assembly and the ignition control box. Push the connectors firmly until the latch clicks into place.

- Tighten the gas supply stainless steel whistle-free flex line hose and secure onto the 1/2″ gas flare fitting on the control box. The other end should be connected and tightened onto the 1/2″ flare fitting located at the supply pipe stub-out riser.
- Place the connected burner and burner pan back into position on the fire feature.
- Turn on the gas and test for operation. The first ignition will purge air out of the gas line. It may take a few ignitions to purge all the air from the gas line.
- Once the burner lights, turn off the unit and let it cool.
Replacing Gas Orifice
Locate the two orifices, one is at the base of the pilot burner and the other is at the end of the main burner (see pictures below). Each orifice is meant for a specific type of fuel; Natural Gas or Liquid Propane

- Turn off the electric and gas supply to the fire feature.
- Remove any fire media that is on top of the burner plate.
- Unscrew the 2 screws holding the pilot assembly in place.
- Carefully pick up the burner pan and turn it upside down.
- Unplug the 4-pin connector from the control box to the pilot assembly.
- Disconnect the flexible pilot gas hose from the control box.
- From the top of the burner plate, gently pull up the pilot assembly and remove it from the pan.
Replacing the Pilot Orifice
Pilot Head Assembly
- Disconnect the flexible gas hose from the pilot. Be careful not to put pressure on the ceramic
- flame sensor; damaging the flame sensor will render the flame sensor inoperable.
- Remove the flare fitting from the pilot assembly.
- Remove the pilot orifice from the pilot assembly and replace it with the new one.
- Hand-tighten the orifice until seated. Use a wrench to secure but do not over-tighten.
- Hand-tighten the flare fitting until snug.
- Take flexible pilot hose and tighten it onto the flare fitting. Once snug, use wrench to tighten the hose fitting.
Replacing the Burner Orifice
- Turn off the electric and gas supply to the fire feature.
- Remove any fire media that is on top of the burner pan.
- Unscrew the 2 screws holding the pilot assembly in place.
- Carefully pick up the burner pan and turn it upside down.
- Make sure the pilot assembly has been disconnected and removed.
- Using a wrench, unscrew the burner orifice from the pipe, keep a hand under the control box so that it does not fall when the orifice disengages.
- Place the removed assembly on a flat surface and hold firmly.
- Using a wrench, remove the burner orifice from the control box outlet pipe. Be careful of the heat shield as it will come off once the orifice is removed.
- Remove the jam nut from the orifice.
- Place nut onto the new orifice and thread it until it will no longer turn.
- Place pipe thread sealer onto the new orifice threads. Be sure to cover the last three threads well with the sealer
- Place the heat shield over the control box outlet pipe and begin threading the orifice into place. Tighten with a wrench until secure.
Once the orifice is tightened, there will be several threads left between the jam nut and the heat shield. With the wrench, tighten the jam nut until the heat shield is firmly secured into place.- Place pipe thread sealer onto the burner pipe.
- Place the control box outlet onto the burner pipe and turn it clockwise until tight
- Align the control box to where the pilot hole is accessible.

Replacing the Burner Orifice
- Turn the burner plate right side up. Insert the pilot connector and hose through the pilot hole on the burner pan. Ensure the slotted side of the pilot hood is facing the burner.


- Align the pilot plate mounting holes and secure the two mounting screws through the pilot plate to the burner plate.
- Turn the burner pan upside down. Take the 4-pin connector from the pilot and connect it to the matching 4 pin connector from the control box. Push firmly to make sure it clicks into place.

- Take the flexible stainless steel pilot hose and connect it to the control box fitting. Secure with a wrench but becareful not to over-tighten as it may damage the brass thread.
- Attach the gas supply flex hose to the control box gas inlet fitting and secure it with a wrench.
- Place the burner and burner pan back into position on the fire feature.
- Turn on the gas and test for operation. It may take a few tries to purge all the air from the gas line. Once the burner lights, turn off the unit and let it cool.
Operation
Level of Media Filler
Carefully spread the fire media evenly onto the burner plate, do not overfill. You may cover the burner until it is not visible but do not cover the pilot hood, see image below
Operation
Turn on the power switch to the unit. After 3 seconds, the igniter will begin to glow red. The pilot burner will then ignite and stay lit for 6 to 8 seconds until the main burner produces flames. Once the burner is lit, the igniter will turn off and the flame sensor will keep the flames going. PLEASE NOTE: Wind gusts may displace the flame away from the flame sensor causing a 7-second system to shut down and re-start the firing sequence. The system will try 3 times to light. If it still fails to ignite, it will lock out (turn off completely) and will need to be reset by turning the power off and then on again. Do not operate in rainy conditions as the flame will not operate optimally. Always turn off your system when the fire feature is not in use and never leave the fire feature unattended. It is recommended to cover your fire feature if it will be out of use for a long period of time.
Troubleshooting
If you are experiencing trouble with your fire feature, contact your installation professional to check the following:
- System does not ignite.
- Check that there is power. The circuit breaker may be tripped or turned off.
- Make sure the transformer is delivering 12 Volts AC. If not, replace the 120 VAC to 12 VAC transformer.
- Make sure transformer wires are not cut, nicked or broken.
- Check that gas is on at the supply and at the shut-off valve.
- Check that igniter turns red when the switch is on. If not, the igniter may be broken and in need of replacement.
- The igniter turns red but does not ignite the pilot burner: the orifice may be plugged and needs cleaning or replacement.
- The pilot flame ignites but the main burner does not.
- The oh Control box will need to be serviced.
- The system turns on but shuts off after a few seconds
- The ground connection may be faulty. Check the ground connection to pilot burner.
- An orifice is clean but still does not get gas.
- The gas supply may be plugged with water or other debris and will need to be vacuumed out to clear the supply pipe.
- The system turns on and stays on for a while but then turns off.
- The system may be overheating; make sure the burner plate is not overfilled with media.
- Make sure lower vents are clear.
- The system may have been shut down due to high wind pressure.
Warranty
Starfire Direct offers a 2-year limited warranty against manufacturer defects. Starfire Direct will repair or replace product which has been proven to be defective in workmanship and/or material. If the unit is confirmed defective and is not repairable by a qualified Starfire Direct representative, the unit will be replaced FOB Starfire Direct facility. The buyer must provide proof of purchase along with the date of delivery to the end-user and arrange the shipping associated with the replacement of the unit. Starfire Direct will not be responsible for any defects resulting from misuse, user error, installation error, abuse, repair, or alteration. The use of wood or fuels other than those specified for use with this unit by Starfire Direct will void the warranty immediately. Under no circumstances will Starfire Direct be liable for incidentals or consequential damage resulting from defective products. This warranty is Starfire Direct’s sole warranty. all others expressed or implied whether of merchantability. the fitness of purpose, or otherwise, are therefore disclaimed by Starfire Direct. Starfire Direct is not responsible for any injury or mishap related to misuse, abuse, improper installation or lack of judgment in choosing fire display locations.
STILL HAVE QUESTIONS?
Our Customer Service Team Members are available during normal works hours (pst) and will be waiting to help you. We will always try to get back to you as soon as possible. Please be patient as the order of calls/emails is in the order they are recieved.
- (866) 578-8538
- 42168 Remington Ave.
- Temecula, CA 92590
This manual should remain with the homeowner or parties responsible for the operation. DO NOT DISCARD INSTRUCTIONS








Once the orifice is tightened, there will be several threads left between the jam nut and the heat shield. With the wrench, tighten the jam nut until the heat shield is firmly secured into place.






















