
HORIZON Natural Draft Electronic Ignition Gas Fireplaces Instruction Manual

Natural Draft Electronic Ignition approved for the following models
SUITABLE GAS BURNER OPTION



Model Type 2: Natural Draft Electronic Ignition Gas Fireplace.
DATA PLATE: Refer to information on page 13 of this Instruction booklet in respect to gas pressure, consumption and gas type, Natural, ULPG or LPG.
Data Plate is located under the gas burner and is accessed by lifting front access panel or removing base plate.
Location Requirements
Horizon natural draft electronic ignition fireplaces are designed to be installed as a complete fireplace system. The firebox incorporates a gas burner with electronic ignition and spiggot for attaching a flue. The flue needs to run vertically and exit above the roof line. 45 degrees bends can be utilised. All Australian requirements for flues are to be observed when installing.
Ventilation Requirements:
Rooms with gas open fireplaces require as per clause 6.10.9.5 in AS/NZS5601.1:2013, one or more ventilation openings with a combined free ventilation area of not less than the equivalent cross section area of the flue cowl shall be provided for each decorative flame effect fire, and calculations based on clause 6.4.4
“THIS APPLIANCE REQUIRES FRESH AIR TO OPERATE SAFELY. THE ROOM WHERE THIS APPLIANCE IS INSTALLED MUST HAVE PERMANENT VENTILATION FROM OUTDOORS, IN ACCORDANCE WITH THE VENTILATION REQUIREMENTS OF AS/NZS 5601”
NOTE: The chimney in which the appliance is installed is not to be considered as a ventilation opening.
Before Installation
The Natural Draft Electronic Ignition (N.D.E.I.) flue system shall be installed by authorized personnel in accordance with the manufacturer’s installation instructions, local gas fitting regulations, municipal building codes, electrical wiring regulations, and any other statutory regulations. Contact your local building authorities about restrictions and installation inspections that may be required. If in doubt, contact your local dealer or Kemlan’s Head office.
IMPORTANT AUSTRALIAN CODES:
- Australian Standards AS 5601 Gas Installation
- Australian Standards AS 3000 Electrical
Important Safety Notes
- Comply with all instructions in manual including clearances to combustible material.
- Do not operate without fully assembling all components.
- All open gas fires require ventilation in the room.
- Do not connect to any other air distribution duct or system.
- An Australian approved cowl is required at flue terminal. Cowls are made from ss304 2b materials
- Refer to the table below for flue diameter and flue cowl size.
- Air movement of systems- A decorative gas log fire must not be installed where the operation of any ventilation system, fan or air blower could in any circumstances cause the air pressure to be less than atmospheric at the appliance.
- Do not block or restrict chimney.
- After installing appliance check that the flue draws well with smoke pellet.
- Kemlan recommends that all gas fires be serviced every year.
- All gas units must be fitted by a licensed gas fitter.
- It is the responsibility of the gas fitter to follow the regulations set out in the Gas Code that dictate the procedures to follow when installing a gas appliance, particularly regarding gas pipe sizing and checking of pressures.
- All Horizon gas appliances range are recommended to use Kemlan manufactured double flue system. Sizes depend on the appliance/s purchased. The active flue is manufactured using .55mm ss3o4 2B and the outer flues are manufactured using .55mm galvanised steel. All flues are 900mm long as standard.
Installation
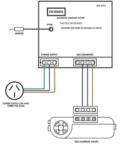
- The N.D.E.I. system is supplied with all required electrical fittings. Work needs to be undertaken by a licensed electrician if extending wiring. Wiring requires clearance of minimum 100mm to flues and fireplace body due to heat. See Wiring diagram page 15. Wiring must be positively secured away from heat source.
- An isolation switch needs to be provided if connecting within fireplace framework.
- Build frame to specifications provided. Note: 80mm clearance above fireplace and 5mm to front surface of firebox.
- Unit located on 10mm fiber cement sheeting.
- Unit and flues to be installed prior to plastering.
- Gas line run to desired position prior to plastering.
- A minimum height of 150mm from floor needs to be available for use of front fascia on firebox.
- Clearance of 25mm to vertical flue.
- Allow for a minimum flue height of 3.6m.
- All flue components to be riveted together.
- Rooms with Gas Open Fires require fresh air vents of 400sq centimetres for each Decorative Gas, Coal Fire.
- Vent (240mm x 90mm) supplied by Kemlan is required to ventilate chase to room
WARNING:
Do not use an unlined masonry chimney as the flue for this appliance
Rear clearances to combustible material
Cantilever : 0mm
Low line: 25mm
ASSEMBLY REQUIREMENTS :
LOWLINE DOUBLE SIDED MODEL SHOWN

Measurement and Specifications of N.D.E.I
Measurement and Specifications of N.D.E.I : LOWLINE



Measurement and Specifications of N.D.E.I : CANTILEVER

* FRONT AND SIDE OF FIREPLACE TO OUTSIDE EDGE OF LIP FRAME TYPICAL


FRAMING DIMENSIONS:
FRAMING DIMENSIONS: LOWLINE


FRAMING DIMENSIONS: CANTILEVER


* FRAME WIDTH

- Eyelets on the unit are supplied for attaching a turn buckle system, 6- 8mm threaded rod is required with a nut and washer either side of a sufficient supporting roof member. Alternatively, a stainless steel wire with a minimum 1mm diameter or heavier and a minimum break load of 130kg can also be used.
- Once hooks have been attached to the eyelets the turn buckle can then be simply wound up to take the tension.
- Tighten the turn buckle until both the top and bottom glass runners are parallel.
- Removable glass panel can now be placed in position allowing an even gap between glass and underside of channel.


HEAT ZONE CONVERSION


KEMLAN
INDUSTRIES
13 FRENCH
AVENUE
BRENDALE
QLD 4500
SERIAL No. xxxx
IAPMO No. GMK10737


* THIS APPLIANCE CONSISTS OF A COMPLETE ASSEMBLY WHICH INCLUDES A FIREBOX AND FABRICATED FLUE SYSTEM. PLEASE REFER TO INSTRUCTIONS FOR CLEARANCES TO COMBUSTIBLE MATERIAL, FLUE SIZES AND METHOD OF INSTALLATION.
* PRIMARILY A DECORATIVE AND NOT A HEATING APPLIANCE.
AFTER INSTALLING APPLIANCE CHECK THAT CHIMNEY DRAWS PROPERLY.
Gas Installation
- Check unit is suitable for intended gas supply.
- Note position on gas appliance on drawing specification on right hand side of appliance.
- A gas cock has to be fitted prior to gas burner to allow unit to be removed for servicing.
- If material has been installed around firebox and access panel below is not accessible the top plate can be removed to gain access by removing four screws and lifting out top plate.
- Connection is half inch BSP fitting. Cut and deburr both ends of pipe. Fit end to gas supply point and turn on for approximately 5 seconds to clear dirt and grit out of pipe. Connect into gas valve.
- Turn on the gas and check all connections for leaks using approved method for testing. Fix any leaks.
Adjusting Pressure, Pilot and Low Fire
- All settings are set to operate at nominal pressure (see data plate). Test points to measure inlet and outlet pressure are located on gas valve. Unscrew brass screw on test point pressure nipples and attach manometer and read pressures with unit running. Adjust pressure to data plate requirements.
- Check low fire if adjusted correctly.
- Note: Failure to set pressures correctly will void warranty on the unit.
Lighting Instructions
Natural Draft Electronic Ignition Fireplaces are provided with 240volt electronic ignition systems. An on/off wall switch is supplied and fitted with unit. The fireplace is switched on from wall switch. Power is then sent to valve to light pilot and main burner will then ignite from pilot. Burner is turned off by turning off wall switch. System does not have a high low burner switch.
Laying the fire – Coal & Pebble
- Evenly spread a bag of Vermiculite into the burner tray. Tray should be completely filled to the top with Vermiculite to a depth of approximately 45mm.
- Unpack the coals/pebbles contained in a clear plastic bag and lay a row of coals/pebbles on the vermiculite along the back of the burner tray leaving approximately 12-15mm between them.
- Leave spaces at the edges to allow free flow of gas.
- Place a further row of coals/pebbles directly in front of the first row but staggered so that the second row of coals are behind the gaps of the first row leaving approximately 12-15mm between the rows of each coal/pebble.
- Lay further rows of staggered coals/pebbles depending on the size of the basket grate.
- Once the bottom layer is completed, build up 2-3 tiers of coals in a honeycomb pattern to form an elongated pyramid.
- Lay the coals/pebbles so that some irregularity to the pile through which the flames may lick, is created.
- Your aim is to build “windows” into the fire through which the radiant effect may show but at the same time, not leaving such large gaps between the coals/ pebbles that excessive air may enter and “damp down” the red glow.
- After the fire has been alight for 15 minutes, you may wish to add the odd coal/pebble or even relay the fire completely. Allow to cool before touching the coals/pebbles.
- Experience will enable you to obtain a pleasing appearance with suitable heat output, but please bear in mind that it is important to maintain the general pattern described above and indicated in illustrations.
Laying the fire
Laying the fire – Coal & Pebble


Laying the fire – 850 Ceramic Log





Laying the fire – 700 Ceramic Log




Commissioning Procedure
Installed correctly the burner should not emit any fumes into the room. The following procedure should be undertaken to test that the unit is operating correctly.
- After unit has been operating for a short period a smoke match, smoke tube, carbon dioxide analyser or similar should be directed at the top opening of the unit.
- This procedure should be undertaken with the following conditions in the room:
• Open or closed windows
• Operation of extraction/exhaust fans, range hoods etc.
• Operation of other gas appliances
• Operation of optional appliance fan at any speed. - Should any spillage be detected the cause must be rectified before allowing commissioning of unit.
- Please test appliance operation before leaving.
User Instructions
- WARNING NOTE: Properly installed and operated this appliance will not leak gases. Persistent fume emission must not be tolerated.
If fume emission does exist, then the following immediate action should be taken.
A Open doors and windows to ventilate room.
B Turn the fire off.
C Check for flue blockage and clear if necessary.
D Do not attempt to relight the burner until the cause of the emission has been identified and rectified. Should assistance be required contact nearest agent.
E The gas burner is designed to work in a Kemlan
Horizon electronic power flue ignition system. Working correctly there will be no spillage. Unit should cut out if not enough draw to ensure proper functioning. - Initially the Kemlan coal fire may burn with a slightly blue flame. After approximately 20 minutes the fire will settle down and burn with a yellow flame.
- As with all gas fires your gas coal/pebble or log fire should be regularly serviced. We recommend once each year. Service information for an authorised person to follow has been set out in attached leaflet.
- PLEASE NOTE: Only logs provided by Kemlan should be used with this appliance.
- DO NOT place articles on or against this appliance.
DO NOT use or store flammable materials near this appliance.
DO NOT spray aerosols in the vicinity of this appliance whilst it is in operation.
DO NOT modify this appliance.
Primarily a decorative appliance not certified as a space heater. - The appliance is a live fuel effect product designed to operate with luminous flames and may exhibit slight carbon deposition.
- The guard is fitted to this appliance to reduce the risk of fire or injury from burns and no part of it should be permanently removed.
SERVICE – WARNING: ONLY TO BE SERVICED BY AN AUTHORISED PERSON
IMPORTANT: THIS APPLIANCE REQUIRES FRESH AIR TO OPERATE SAFELY. THE ROOM WHERE THIS APPLIANCE IS INSTALLED MUST HAVE PERMANENT VENTILATION FROM OUTDOORS, THIS VENTILATION MUST NOT BE MODIFIED.

For further service information contact Kemlan Australia
Installation Instructions Kemlan Natural Draft Electronic Ignition Gas Fireplaces
Head Office –13 French Avenue, Brendale, Queensland 4500
Telephone –PH: (07) 3490 5500
Service Instructions for Direct Ignition and Power Flue Horizon fireplaces.
POWER FLUE SERVICE INSTRUCTIONS


DIRECT IGNITION


Trouble shooting guide for Techrite ignition pack
Warning: This is a 240VAC module. All connections to the module are 240V (except ignition cable and flame sense). Ensure power is switched off before checking any connection or replacing any components.
There is a red LED (light) and a green LED (light) on the blue ignition box. If a fault occurs the sequence of the flashing red light indicates the fault. These codes are listed below.
The green light indicated the ignition box is sensing the flame.
Atmospheric Models

Fan Forced Models


Notes:
The ignition unit is polarity sensitive. If the active and neutral cables are not wired correctly, the unit will not sense a flame, the green LED will not come on. The heater will light but will turn off almost immediately as a result.
If the heater lights but the igniter keeps sparking then the unit shuts down after 3 to 5 seconds, incorrect polarity is a likely cause. The fault code on the module red LED will be 2 long and 1 short.
Before carrying out repairs, turn off the power, visually inspect all cables and connections for damage or corrosion.
On start up, once the unit has passed the self test (and pressure switch is closed on fan forced models) you should be able to hear a clunk from the gas valve as it opens. If no sound from the gas valve, check connections. If the valve clunks but no ignition, check gas supply and spark electrode.
On fan forced models, if you suspect a pressure switch fault, you can blow on the input to the switch and you should be able to hear it switch. If you have a multi meter you can check if the switch is opening and closing as pressure is applied. Be certain to turn off the power before disconnecting or checking switch!
TAIS Flash Codes
LED Flash Code Descriptions

WARRANTY FOR HORIZON MODELS
Provided the appliance has been correctly installed according to instructions, Kemlan guarantee the cost of replacing parts and the labour in connection therewith for a period of 12 months from the date of installation.
THIS WARRANTY DOES NOT COVER –
- Failure to comply with manufacturer’s operation instructions.
- Normal wear and tear or damage caused by incorrect installation.
- Any form of rust and/or corrosion to the painted finish of the heater.
- Damage caused by water ingress.
- Cost of removal of defective heater or re-installation of replacement heater.
- Failure to use fireplace components supplied by Kemlan Industries Pty Ltd.
- Cost of inspection for damaged heater.
CLAIMS –
- Should any defects occur, contact the Kemlan distributor from whom you purchased the heater.
- Under this warranty the defective parts will be repaired or replaced by Kemlan’s option, free of charge.
- The fireplace installation must comply with the relevant local statutes, ordinances, regulations and by-laws.
PLEASE COMPLETE AND RETAIN THIS SECTION FOR YOUR RECORDS
Purchased from:
Address:
Date of Purchase:
Read More About This Manual & Download PDF:


















