MSD Digital 6A and 6AL Ignition Control

ONLINE PRODUCT REGISTRATION: Register your MSD product online. Registering your product will help if there is ever a warranty issue with your product and helps the MSD R&D team create new products that you ask for! Go to www.msdperformance.com/registration.
Parts Included
1 – MSD Ignition
1 – Harness, PN 8860
1 – Main Harness
1 – Parts Bag
6AL ONLY
4 – Vibration Mounts
1 – Scr ewdriver
WARNING: During installation, disconnect the battery cables. When disconnecting the battery always remove the Negative cable first and install it last.
Note: The Carb label supplied is required to aid in passing the California Smog Check program. This label must be installed in an underhood location that is readily visible.
Note: If you’re triggering an aftermarket EFI system with the Gray wire of the MSD, see page 5 to deactivate the tach verification feature.
Important: When installing a Digital Series Ignition, timing will be affected, reset to your engine’s specifications.
OPERATION AND FEATURES
DIGITAL OPERATION
The Digital 6A and 6AL use a high speed RISC microcontroller to control the ignition’s output while constantly analyzing the various inputs such as supply voltage, trigger signals and rpm. The high speed controller can make extremely quick compensations to the output voltage, multiple spark series, timing and rpm limits while maintaining precise timing and accurate rev limiting. The circuits and controller of the MSD have been thoroughly filtered to create protection against Electro Magnetic Interference (EMI).
CAPACITIVE DISCHARGE
The Digital 6A and 6AL feature a capacitive discharge ignition design. The majority of stock ignition systems are inductive ignitions. In an inductive ignition, the coil must store and step up the voltage to maximum strength in between each firing. At higher rpm, since there is less time to charge the coil to full capacity, the voltage falls short of reaching maximum energy which results in a loss of power or top end miss.
The MSD Ignition features a capacitor which is quickly charged with 520 – 535 volts and stores it until the ignition is triggered. With the CD design, the voltage sent to the coil positive terminal is always at full power even at high rpm.
MULTIPLE SPARKS
The MSD produces full power multiple sparks for each firing of a plug. The number of multiple sparks that occur decreases as rpm increases, however the spark series always lasts for 20° of crankshaft rotation. Above 3,000 rpm there is simply not enough “time” to fire the spark plug more than once, so there is only one powerful spark.
PROTECTION
The Digital 6A and 6AL have a built in reverse polarity protection circuit. This will protect the ignition in the event of wrong connections.
LED INDICATOR
A red LED is located on the top of the MSD 6AL. It is used to monitor the current status of the 6AL ignition.
| Key power ON-engine OFF | One long flash | 6AL box is functioning Normal | Rev Limiter verification function active (ON) |
| Key power ON-engine OFF | One long flash + 5 short flashes | 6AL box is functioning Normal | Rev limiter verification function deactivated (OFF) |
| Key power ON-engine cranking | Continuous flashing | 6AL box is functioning Normal | LED flashes each time the ignition fires |
| Key power ON-engine cranking | No flashing | 6AL box is functional | Check Power, ground and crank sensor connections |
Note: When the engins is running, the LED will appear to be ON. This is normal and is due to the rapid flashing of the LED on each ignition firing event.
Note: Solid Core spark plug wires cannot be used with an MSD Ignition.
Note: Do not use digital or dial-back timing lights.
REV LIMITER
The Digital 6AL features a built-in Soft Touch Rev Control that provides a smooth and accurate rev limit by dropping the spark to individual cylinders. The Soft Touch produces a load-free rev limit that is within 1% of the selected rpm.The rpm limit is adjusted in 100 rpm increments with the sealed rotary switches under the black cover on top of the 6AL.
CYLINDER SELECT
The MSD is programmed at the factory for use on 8-cylinder engines. If you are installing it to a different engine you will have to program the Ignition. This is easily achieved through the cylinder select wire loops on the side of the ignition. Page 5 outlines setting the cylinder select.
GENERAL INFORMATION
BATTERY
The Digital 6A and 6AL will operate on any negative ground, 12 volt electrical system with a distributor. The MSD can be used with 16 volt batteries and can withstand a momentary 24 volts in case of jump starts. The Ignition will deliver full voltage with a supply of 9 – 18 volts.
If your application does not use an alternator, allow at least 15 amp/hour for every half hour of operation. The MSD uses about .9 Amps for every 1,000 rpm. If the engine is cranked with the same battery or other accessories such as an electric fuel or water pump are used, the amp/hour rating should be higher.
COILS
The Digital 6A and 6AL Ignition can be used with most stock coils and aftermarket coils designed to replace the stock coils. The line of MSD Blaster Coils are great for street and mild racing. For extended high rpm operation the Blaster HVC, PN 8252 or HVC II, PN 8253, are recommended. For more information on recommended coils, check with our Customer Service Department at (915) 855-7123.
TACHOMETERS
The MSD Ignition features a Gray Tach Output wire that provides a trigger signal for tachometers, a shift light or other add-on rpm activated devices. The Tach Output wire produces a 12 volt square wave signal with a 20% duty cycle.
Some vehicles with factory tachometers may require a Tach Adapter to operate with the MSD. For more information on Tachometers and MSD Tach Adapters, see the Tachometer Section on page 6. If your GM vehicle has an in-line filter it may cause the tach to drop to zero on acceleration. If this occurs, bypass the filter.
SPARK PLUGS AND WIRES
Spark plug wires are very important to the operation of your ignition system. A good quality, helically wound wire and proper routing are required to get the best performance from your ignition, such as the MSD 8.5mm Super Conductor Wire. Helically wound wires provide a good path for the spark to follow while keeping Electro Magnetic Interference (EMI) to a minimum. Excessive EMI, such as the amount that solid core wires produce, will interfere with the operation of the MSD. Solid Core spark plug wires cannot be used with an MSD Ignition.
Routing: Correct routing of the plug wires is also important to performance. Wires should be routed away from sharp edges and engine heat sources. If there are two wires that are next to each other in the engine’s firing order, the wires should be routed away from each other to avoid inducing a spark into the other wire. For example, in a Chevy V8, the firing order is 1-8-4-3-6-5-7-2. The #5 and #7 cylinders are next to each other in the engine and in the firing order. If the voltage from the #5 wire is induced into #7 detonation could occur and cause engine damage.
To add more heat protection to your plug wires, MSD offers Pro-Heat Guard, PN 3411. This is a glass woven and silicone coated protective sleeve that you slide over your plug wires. For extra protection of the spark plug boots, MSD offers Pro Boot Guard, PN 3412.
Spark Plugs: Choosing the correct spark plug design and heat range is important when trying to get the best performance possible. Since there are so many engine combinations and manufacturers, MSD does not recommend which plug or gap is exactly right for your application.
It is recommended to follow the engine builder or manufacturer’s specification for spark plugs. With that, you can then experiment with the plug gap to obtain the best performance. The gap of the plugs can be opened in 0.005″ increments, then tested until the best performance is obtained. MSD judges the plug gap by compression and components.
These examples are just starting points to get you going in the right direction. Every application is different and should be tested and tuned.
Welding: If you are welding on your vehicle, to avoid the chance of damage, always disconnect both Heavy Power cables of the MSD (You should also disconnect the tach ground wire too).
Distributor Cap and Rotor: It is recommended to install a new distributor cap and rotor when installing the MSD Ignition Control. The cap should be clean inside and out, especially the terminals and rotor tip. On vehicles with smaller caps, it is possible for the air inside the cap to become electrically charged causing crossfire which can result in a misfire. This can be prevented by drilling a couple vent holes in the cap. The holes should be placed between the terminals, at rotor height and face away from the intake. If your environment demands it, place a small piece of screen over the hole to act as a filter.
MOUNTING
The MSD can be mounted in the engine compartment as long as it is away from direct engine heat sources. It is not recommended to mount the unit in an enclosed area such as the glove box. When you find a suitable location to mount the unit, make sure the wires of the ignition reach their connections. Also be sure that the program dials can be accessed. Hold the Ignition in place and mark the location of the mounting holes. Use a 3/16″ bit to drill holes, install the vibration mounts and mount the ignition.
WIRING
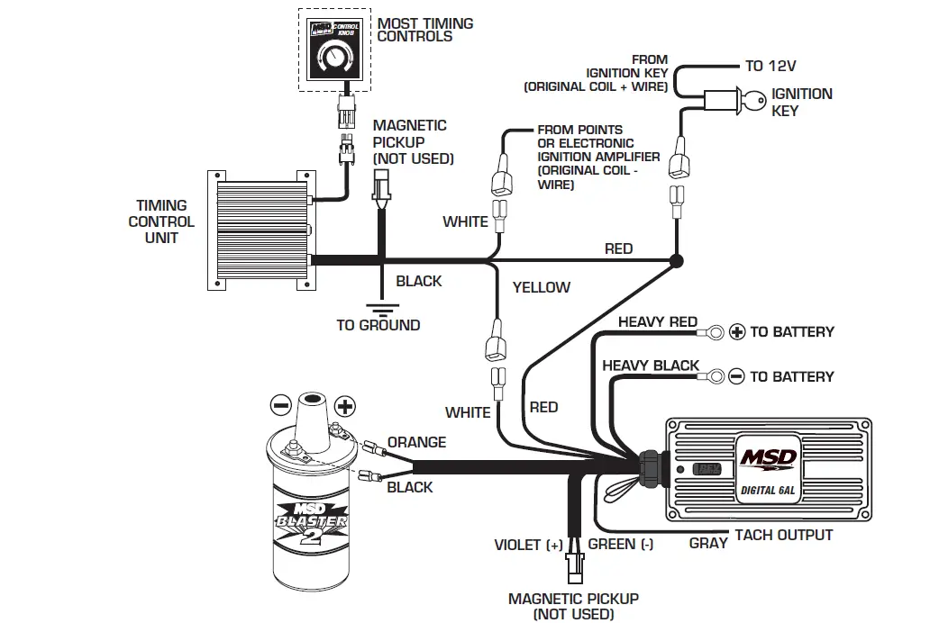
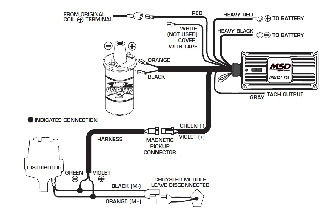
The Digital 6A and 6AL use a main wiring harness that connects to the ignition through a sealed and locked connection.
| Power Leads | These are the two heavy 12 gauge wires and are responsible for getting direct battery voltage to the ignition. The Ignition is load protected from reverse battery connections. |
| Heavy Red | This wire connects directly to the battery positive (+) terminal or a positive battery junction such as the starter solenoid. Note: Do not connect to the alternator. |
| Heavy Black | This wire connects to a good ground, either at the battery negative (-) terminal or to the engine. |
| Red | This wire is responsible for turning the MSD On and Off. Connects to a switched 12 volt source such as the ignition key or switch. (Max current draw of .250 mA.) |
| Orange | This wire connects to the coil positive (+) terminal. This is the ONLY wire that makes electrical contact with the positive coil terminal. |
| Black | This wire connects to the coil negative (-) terminal. This is the ONLY wire that makes electrical contact with the negative coil terminal. |
| Trigger There are two circuits that can be used to trigger the MSD Ignition; a Wires Points circuit (the White wire) and a Magnetic Pickup circuit (the Green and Violet wires). Only one circuit will be used at a time. | |
| White | This wire is used to connect to breaker points, electronic ignition amplifier output or to the Yellow wire of an MSD Timing Accessory. When this wire is used, the Magnetic Pickup connector is not used. |
| Violet and Green (Magnetic Pickup Connector) | These wires are routed together in one harness as the magnetic pickup connector. The connector plugs directly into an MSD distributor or crank trigger. It will also connect to aftermarket pickups. The Violet wire is positive (+) and the Green wire is negative (-). When these wires are used, the White wire is not. |
| Accessories | |
| Gray | Tach output wire. Connects to the tachometer trigger wire or other rpm activated device. |
| Red Loop Blue Loop | These are the cylinder-select wire loops. Cut one loop for even-fire 6-cylinders, two loops for 4-cylinders. |
GENERAL WIRING INFORMATION
Wire Length: All of the wires of the MSD Ignition may be shortened as long as quality connectors are used or soldered in place. To lengthen the wires, use one size bigger gauge wire (12 gauge for the power leads and 16 gauge for the other wires) with the proper connections. All connections must be soldered and sealed.
Grounds: A poor ground connection can cause many frustrating problems. When a wire is specified to go to ground, it should be connected to the battery negative terminal, engine block or chassis. There should always be a ground strap between the engine and the chassis. Always securely connect the ground wire to a clean, paint free metal surface.
Ballast Resistor: If your vehicle has a ballast resistor in-line with the coil wiring, it is recommended to bypass it.
Routing Wires: The MSD wires should be routed away from direct heat sources such as exhaust manifolds and headers and any sharp edges. The trigger wires should be routed separate from the other wires and spark plug wires. It is best if they are routed along a ground plane such as the block or firewall which creates an electrical shield. The magnetic pickup wires should always be routed separately and should be twisted together to help reduce extraneous interference.
PROGRAMMING
CYLINDER SELECT
The MSD is programmed for operation on 8-cylinder engines. If installing the Ignition on a different style engine, the number of cylinders will need to be selected by cutting the cylinder select wire loops as shown in Figure 1.
REV LIMITER
The rev limiter can be set from 2,000 to 11,000 rpm. To adjust the rev limiter of the Digital 6AL, remove the black cover next to the LED by prying up with the supplied screwdriver. The dial on the left is for 1,000 rpm increments, on the right is for 100 rpm increments.
For a rev limiter in the 10,000 range, set the dials as they would be for any other RPM but the left dial will use ‘0’. To set the rev limiter to 11,000 rpm, put the left dial to ‘1’ and the right dial to ‘0’. Setting both rotary dials to ‘1’ will activate a special function explained below.
Note: The engine can be running as you make adjustments to the rev limiter function.
REV LIMITER VERIFICATION
The MSD Digital 6AL has an optional built-in Rev Limiter Verification feature. When the key is in the On position (not cranking or running), an rpm signal is sent to the tachometer 100’s to verify the unit’s rev limit setting. With this function users 1,000’s can be sure of their rev limit settings before each drive. This feature is not activated from the factory. To enable this feature, follow the procedure below.
Note: It is important to note that this feature should not be used with EFI systems. When activated, an rpm signal is sent to the tachometer. With an aftermarket EFI system, could activate the injectors causing a flooding situation.
Enable Rev Limit Verification
- With the ignition switch in the off position, ground the Gray tach output wire.
- With the Gray wire connected to ground, turn on power to the ignition without starting the engine.
- Hold the Gray tach output wire to ground for seven seconds. (AT LEAST five seconds.)
- Release the wire from ground before ten seconds have passed.
- To confirm the process has worked, cycle turn the key On. The tachometer should sweep to the rpm limit set on the ignition.
As soon as this process is complete the feature will be activated. The Digital 6AL uses the red LED to help indicate when an adequate amount of time has passed to release the Gray tach wire. The LED will turn on after the wire has been grounded for five seconds and will turn off at the 10 second mark. To deactivate the feature again, repeat the same process.
Playback Tach: If you use a playback tach, be sure to check the high rpm value prior to turning the key to the On position. When the key is in the On position, the rev limit will be displayed and may override the tach memory.
PRESTART CHECKLIST
- The only wires connected to the coil terminals are the MSD Orange to coil positive and Black to coil negative.
- The small Red wire of the MSD is connected to a switched 12 volt source.
- The MSD power leads are connected directly to the battery positive and negative terminals.
- The battery is connected and fully charged if not using an alternator.
- The engine is equipped with at least one ground strap to the chassis.
- If you are installing on a 4 or 6-cylinder engine, confirm the programming loops have been modified, see page 5.
TROUBLESHOOTING
Every MSD Ignition undergoes numerous quality control checks including a four hour burn-in test. If you experience a problem with your MSD, our research has shown that the majority of problems are due to improper installation or poor connections.
The Troubleshooting section has several checks and tests you can perform to ensure proper installation and operation of the MSD. If you have any questions concerning your MSD, call our Customer Support Department at (915) 855-7123, 7 – 5 mountain time.
LED
The LED will flash for every trigger signal from the distributor or crank trigger. You can take advantage of this when statically setting the timing when false triggering the box to troubleshoot. Also, when the engine is not running, the LED will be On when the key is in the On position.
TACH/FUEL ADAPTERS
If your tachometer does not operate correctly or if you experience a no-run situation with your foreign vehicle you probably need an MSD Tach Adapter. The chart in Figure 4 lists common tachometers and if an Adapter is necessary.
NO RUN ON FOREIGN VEHICLES
Some foreign vehicles with fuel injection systems may require an MSD Tach/Fuel Injection Adapter to run with an MSD 6 Series Ignition. This is because many of these systems use the same trigger source to operate the MSD, the tachometer and the fuel injection. This results in a voltage signal that is too low to accurately trigger the fuel injection. To fix this, an MSD Tach Adapter, PN 8910, will remedy the problem on the majority of vehicles. If the PN 8910 does not fix the problem, the PN 8910-EIS will be required.
Note: Toyotas and Ford Probes will require the PN 8910-EIS Adapter.
INOPERATIVE TACHOMETERS
If your tachometer fails to operate with the MSD installed you may need an MSD Tach Adapter. Before getting an Adapter, try connecting your tachometer trigger wire to the Gray tach wire of the MSD. This output produces a 12 volt, square wave (see page 2). If the tach still does not operate, you will need a Tach Adapter. There are two Tach Adapters:
PN 8920: If you are using the Magnetic Pickup connector (Green and Violet wires) to trigger the MSD, you will need the PN 8920.
PN 8910: If your tachometer was triggered from the coil negative terminal (voltage trigger) and you are using the White wire to trigger the MSD you will need the PN 8910.
BALLAST RESISTOR
If you have a current trigger tach (originally coil positive) and use the White wire of the MSD, you can purchase a Chrysler Dual Ballast Resistor (used from 1973 – 1976) and wire it as shown in Figure 5.
ENGINE RUN-ON
If your engine continues to run even when the ignition is turned Off you are experiencing engine Run-On. This usually only occurs on older vehicles with an external voltage regulator. Because the MSD receives power directly from the battery, it does not require much current to keep the unit energized. If you are experiencing run-on, it is due to a small amount of voltage going through the charging lamp indicator and feeding the small Red wire even if the key is turned off.
Early Ford and GM: To solve the Run-On problem, a Diode is supplied with the MSD in the parts bag. By installing this Diode in-line of the wire that goes to the Charging indicator, the voltage is kept from entering the MSD. Figure 6 shows the proper installation for early Ford and GM vehicles.
Note: Diodes are used to allow voltage to flow only one way. Make sure the Diode is installed facing the proper direction (as shown in Figure 6).
Ford: Install the Diode in-line to the wire going to the “1” terminal.
GM: Install the Diode in-line to the wire going to terminal #4. GM: 1973 – 1983 with Delcotron Alternators.
GM: Delcotron Alternators use an internal voltage regulator. Install the Diode in-line on the smallest wire exiting the alternator (Figure 7). It is usually a Brown wire.
Most other applications: On other applications where engine Run-On is experienced, a Resistor can be put in-line to the MSD’s small Red wire (Figure 8). This resistor will keep voltage from leaking through to the MSD unit.
MISSES AND INTERMITTENT PROBLEMS
Experience at the races has shown that if your engine is experiencing a miss or hesitation at higher rpm, it is usually not directly ignition. Most probable causes include faulty wiring, a coil or plug wire failure, arcing from the cap or boot plug to ground or spark ionization inside the cap. Several items to inspect are:
- Always inspect the plug wires at the cap and at the plug for a tight connection and visually inspect for cuts, abrasions or burns.
- Inspect the Primary Coil Wire connections. Because the MSD is a Capacitive Discharge ignition and it receives a direct 12-volt source from the battery, there will not be any voltage at the Coil Positive (+) terminal even with the key turned On. During cranking or while the engine is running, the very high voltage will be present and no test equipment should be connected.
WARNING: Do not touch the coil terminals during cranking or while the engine is running. - Make sure that the battery is fully charged and the connections are clean and tight. If you are not running an alternator this is an imperative check. If the battery voltage falls below 9 volts during a race, the MSD output voltage will drop and the current draw will increase.
- Is the engine running lean? Inspect the spark plugs and complete fuel system.
- Inspect all wiring connections for corrosion or damage. Remember to always use proper connections followed by soldering and seal the connections completely.

If everything checks positive, use the following procedure to test the ignition for spark. MSD also offers an Ignition Tester, PN 8998 or PN 8996. This tool allows you to check your complete ignition system while it is in the car as well as the operation of rpm limits, activated switches and shift lights.
CHECKING FOR SPARK
If triggering the ignition with the White wire:
- Make sure the ignition switch is in the “Off” position.
- Remove the coil wire from the distributor cap and set the terminal approximately 1/2″ from ground.
- Disconnect the MSD White trigger wire from the distributor.
- Turn the ignition to the On position. Do not crank the engine.
- Tap the White wire to ground several times. Each time you pull the wire from ground, a spark should jump from the coil wire to ground. If spark is present, the ignition is working properly. If there is no spark skip to step 6.
If triggering with the Magnetic Pickup:
- Make sure the ignition switch is in the “Off” position.
- Remove the coil wire from the distributor cap and set the terminal approximately 1/2″ from ground.
- Disconnect the MSD magnetic pickup wires from the distributor.
- Turn the ignition to the On position. Do not crank the engine.
- With a small jumper wire, short the MSD’s Green and Violet magnetic pickup wires together several times. Each time you break this short, a spark should jump from the coil wire to ground. If spark is present, the ignition is working properly. If there is no spark skip to step 6.
- If there is no spark:
- `Inspect all of the wiring.
- Substitute another coil and repeat the test. If there is now spark, the coil is at fault.
- If there is still no spark, check to make sure there are 12 volts on the small Red wire from the MSD when the key is in the On position. If 12 volts are not present, find another switched 12 volt source and repeat the test.
- If, after following the test procedures and inspecting all of the wiring, there is still no spark, the MSD Ignition is in need of repair. See the Warranty and Service section for information.
The following wiring diagrams illustrate numerous installations on different vehicles and applications. If you experience difficulties when installing your MSD, contact our Customer Support Department at (915) 855-7123 (7 – 5 Mountain time) or e-mail us at: [email protected]
INSTALLATION INSTRUCTIONS
MSD SYSTEMS Installing to Points/Amplifier Style Ignition.
NOTE: On dual-point setups, it is recommended to remove the trailing set of points.
NOTE: A ballast Resistor is not necessary.
NOTE: Remove the coil terminal wires. The negative wire connects to MSD White. The positive wire connects to MSD Red. The MSD Orange connects to the coil positive terminal, Black connects to the coil negative terminal.
MSD SYSTEMS Installing to an MSD Distributor/Crank Trigger.
MSD SYSTEMS Installing to an MSD Ready-to-Run Distributor.
NOTE: If your Ready-to-Run Distributor has a rev limiter, set it to Zero.
MSD SYSTEMS With an MSD Timing Control (points or amplifier).

GM IGNITIONS Wiring a Dual Connector Coil.
NOTE: MSD offers a direct plug in harness, PN 8876, for this coil.
NOTE: Cut and splice the two pink wires (coil positive) together and connect to orange wire of MSD. Cut and splice the two white wires (coil negative) together and connect to the white of MSD. If the vehicle is not equipped with a factory tach, there will only be one white wire.
GM IGNITIONS Wiring the 1996 and up single connector coil without harness. 
NOTE: MSD offers a direct plug-in harness, PN 8877, that makes this a splice-free installation.
NOTE: The coil connector is labeled A-B-C. The wire in the A port is positive (pink). The wires in B and C are coil-negative wires, color will vary by application.
GM IGNITIONS Wiring with an MSD Wiring Harness.
GM IGNITIONS GM Large Cap HEI Distributors

There are three different large-cap HEI distributors. To identify which of the following diagrams fit your specific application, remove the distributor cap and rotor and locate the ignition module at the base of the distributor. Count the number of terminals on both ends of the module and follow the corresponding diagram. GM used 4, 5, and 7-pin modules in these distributors.
NOTE: Some 5-pin models may experience hesitation or stall on deceleration. If this occurs, contact MSD Tech Line for the required bolt-in diode to correct the problem. MSD Tech Line (915) 855-7123.
GM IGNITIONS Wiring an HEI 4-pin Module (Magnetic Pickup Trigger).
NOTE: The GM Ignition Module and condenser are removed and replaced with the supplied PN 8861 Harness.
GM IGNITIONS Wiring an HEI 5 or 7-pin Module (Amplifier Trigger).
NOTE: Some 5-pin models may experience a hesitation or stall on deceleration. If this occurs, contact MSD Tech Line for the required bolt-in diode to correct the problem. MSD Tech Line (915) 855-7123.
FORD IGNITIONS Wiring a Ford DuraSpark using White Wire Trigger.
FORD IGNITIONS Wiring a Ford DuraSpark using Magnetic Pickup Trigger.

FORD IGNITIONS Wiring a Ford TFI with Harness, PN 8874.

NOTE: If not using the TFI Harness, refer to the DuraSpark wiring diagram on page 15 (top diagram).
CHRYSLER IGNITIONS Wiring a Chrysler Electronic Ignition using Magnetic Pickup Trigger.
CHRYSLER IGNITIONS Wiring a Late Model Dodge with a 2-pin connector.
NOTE: Original wiring must be cut. MSD offers two direct plug-in harnesses; PN 8889 for ’90-’97 and PN 8884 for ’98-’03.
MSD SYSTEMS Wiring a Complete Dual MSD Ignition Setup.
GENERAL Import Warning
NOTE: Remove the coil terminal wires. The negative wire connects to MSD White. The positive wire connects to MSD Red. The MSD Orange connects to the coil positive terminal, Black connects to the coil negative terminal.
AFTERMARKET COMPONENTS Wiring a Mallory Unilite or 9000 Series using Points Trigger.
AFTERMARKET COMPONENTS Wiring a Mallory 9000 Series using Magnetic Pickup.
AFTERMARKET COMPONENTS Wiring to a Pertronix Ignitor Kit.
Service
In case of malfunction, this MSD component will be repaired free of charge according to the terms of the warranty. When returning MSD components for warranty service, Proof of Purchase must be supplied for verification. After the warranty period has expired, repair service is based on a minimum and maximum fee.
All returns must have a Return Material Authorization (RMA) number issued to them before being returned. To obtain an RMA number please contact MSD Customer Service at 1 (888) MSD-7859 or visit our website at www.msdperformance.com/rma to automatically obtain a number and shipping information.
When returning the unit for repair, leave all wires at the length at which you have them installed. Be sure to include a detailed account of any problems experienced, and what components and accessories are installed on the vehicle. The repaired unit will be returned as soon as possible using Ground shipping methods (ground shipping is covered by warranty). For more information, call MSD at (915) 855-7123. MSD technicians are available from 7:00 a.m. to 5:00 p.m. Monday – Friday (mountain time).
Limited Warranty
MSD warrants this product to be free from defects in material and workmanship under its intended normal use*, when properly installed and purchased from an authorized MSD dealer, for a period of one year from the date of the original purchase. This warranty is void for any products purchased through auction websites. If found to be defective as mentioned above, it will be repaired or replaced at the option of MSD. Any item that is covered under this warranty will be returned free of charge using Ground shipping methods.
This shall constitute the sole remedy of the purchaser and the sole liability of MSD. To the extent permitted by law, the foregoing is exclusive and in lieu of all other warranties or representations whether expressed or implied, including any implied warranty of merchantability or fitness. In no event shall MSD or its suppliers be liable for special or consequential damages.
Intended normal use means that this item is being used as was originally intended and for the original application as sold by MSD. Any modifications to this item or if it is used on an application other than what MSD markets the product, the warranty will be void. It is the sole responsibility of the customer to determine that this item will work for the application they are intending. MSD will accept no liability for custom applications.
WWW.MSDPERFORMANCE.COM
(915) 857-5200
FAX (915) 857-3344
Download PDF: MSD Digital 6A and 6AL Ignition Control User Manual
MSD Digital 6A and 6AL Ignition Control



















