REZNOR G67BG-2 Ignition Controller Replacement Kit
Using Instructions
UNITS WITH SERIAL NUMBER PILOT CODE 62, 63, 65, 66, OR 84

- Obsolete ignition controllers shown in Figure 1 and listed in Table 1 are no longer available from their manufacturer.
Figure 1. Ignition Controllers
| Table 1. Ignition Controllers | |||||
| Obsolete | Replacement | ||||
| Pilot Code | Manufacturer’s No. | PN | Kit PN | Controller PN | Controller Description |
| 62 | G67BG-2 | 89314 | 257472 | 257009 | Recycling without lockout—cannot be used with vent damper control |
| 66 | G67BG-5 | 97782 | |||
| 63 | G67NG-2 | 89488 | 257473 | 257010 | With lockout and 1-hour retry— used with automatically-controlled vent damper |
| 65 | G770NGC-4 | 97547 | |||
| 84 | G770NHC-1 | 234012 | |||
- Refer to the installation manual provided with the heater for important safety information.
- Refer to the replacement parts manual at www.reznorhvac.com for serial number information. All serial number codes apply to original equipment only.
- Ensure that all components listed in Table 2 are available before beginning installation.
Table 2. Ignition Controller Replacement Kit Components
| Table 2. Ignition Controller Replacement Kit Components | |||
| Component | Description | Kit PN | |
| 257472 | 257473 | ||
| Component PN (Quantity) | |||
|
Ignition control assembly | Assembly, recycling without lockout | 257474 (1) | — |
| Assembly, 100% lockout, required with vent damper | — | 257475 (1) | |
| Controller (UTEC #1003-638A) | 257009 (1) | — | |
| Controller (UTEC #1003-514) | — | 257010 (1) | |
| Wire assembly, red, 24V | — | 173303 (1) | |
| Wire assembly, black, MV | 133108 (1) | ||
| Wire assembly, brown, MV/PV | 98215 (1) | ||
| Wire assembly, blue, PV | 98214 (1) | ||
| Wire assembly, green, GND BURNER | 257074 (1) | ||
| Wire assembly, brown, 24V GND | 98215 (1) | ||
| Wire assembly, red, SENSE | 257014 (1) | ||
| Wire assembly, TH (only one of these loose wires will be used) | Black | 173307 (1) | |
| Yellow | 122655 (1) | ||
| Controller mounting bracket assembly (used only on models F, FE, B, BE, RX, RG and X) | Mounting bracket | 257012 (1) | |
| Screw, mounting bracket, #10 × 3/8 | 96426 (2) | ||
| Screw | Control mounting, #8 × 3/8 | 195638 (4) | |
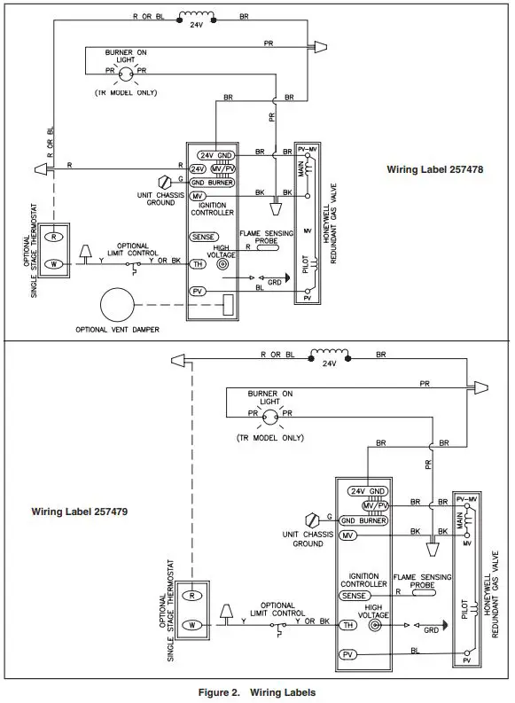
| Label | Wiring | 257479 (1) | 257478 (1) |
INSTALLATION
CAUTION: Ignition controller PN 257010 with lockout is required on a unit with a vent damper. The controller has a safety feature such that once it is used with a vent damper, it will no longer operate a unit without a vent damper.
NOTE: Minimum flame proving signal strength is 0.2 microamps.
- Turn OFF gas and electric power.
- Open cabinet and mark and disconnect spark wire from spike connector on controller.
- Leaving all other wires connected to ignition controller, disconnect other ends of wires from unit and remove ignition controller.
- For models F, FE, B, BE, RX, RG, and X, install controller mounting bracket and secure it to unit using two #10 × 3/8 mounting bracket screws.
- Position replacement ignition controller in same orientation and mark and drill four 7/64-inch holes.
- Secure replacement ignition controller to mounting bracket or to unit using four #8 × 3/8 screws.
- Refer to Table 3 for special wiring instructions.Table 3. Special Wiring Instructions
Table 3. Special Wiring Instructions Reason Step Replacing obsolete ignition controller PN 89488 or 89314
1. To connect ignitor lead to replacement controller, cut off Rajah connector (metal terminal) on spark wire. 2. Push back rubber boot and cut off terminal, cutting off no more than 1 inch of wire. 3. Remove rubber boot and push wire directly onto spike connector on controller. Replacing obsolete ignition controller on unit with automatic vent damper
1. Remove plug from controller. 2. Plug in wiring harness from vent damper. NOTE: The wiring harness electrically interlocks the vent damper to the controller. Unplugging either end results in a system shutdown. - Reconnect wires to replacement ignition controller as follows (see Figure 2)

- If unit has terminal block wiring, cut and strip ends as needed.
- NOTE: All wires are connected to the ignition controller at the factory except to the TH terminal.
- If existing wire from limit control is yellow, connect loose wire from yellow wire assembly from limit control to TH terminal. One wire from assembly will not be used.
- If existing wire from limit control is black, connect loose wire from black wire assembly from limit control to TH terminal. One wire from assembly will not be used.
- If unit has terminal block wiring, cut and strip ends as needed.
- Affix wiring label:
- Select location for wiring label near current wiring diagram on unit. Do not put label on surface that will be hot when heater is operating and do not put it over existing wiring diagram.
- Wipe selected area with clean dry cloth, peel off backing, and adhere label.
- Turn ON electric power and gas.
- Follow lighting instructions with original ignition controller to relight heater.
- Check for proper operation.
- NOTE: Keep this manual for future reference.
Specifications and illustrations subject to change without notice or incurring obligations.
Latest version of this manual is available at www.reznorhvac.com.
©2022 Nortek Global HVAC LLC, O’Fallon, MO. All rights reserved.
OPT-IGN-CNTRL (01-22) 134704-A






















