THE OUTDOOR PLUS TOP-500EIS-100-12 Smart Weather Electronic Ignition System

The Smart Weather Electronic Ignition System utilizes CSA certified components to be added to an outdoor product.
Installation must conform with local codes or, in the absence of local codes, with the National Fuel Gas Code, ANSI Z223.1 / NFPA, or International Fuel Gas Code.
The appliance, when installed, must be electrically grounded in accordance with local codes or, in the absence of local codes, with the National Electric Code, ANSI/NFPA 70, if applicable.
CALIFORNIA PROPOSITION 65
WARNING
This product can expose you to Chromium, which is known to the state of California to cause cancer and birth defects or other reproductive harm. (For more information, go to: www.p65warnings.ca.gov)
SYSTEM OVERVIEW
- Components are CSA Certified ANSI Z21.97-(2017) /CSA 2.41-(2017) certified.
- -20° to 175° temperature range.
- Durable connections designed to resist outdoor conditions.
- TC Flame-sense system.
- Hot Surface Igniter (HSI).
- LED diagnostics.
ELECTRONICS
- CSA Certified ANSI Z21.97-(2017) / CSA 2.41-(2017) certified
- 12 or 14 VAC for installations within 5 feet of water.
- 110V for installations farther than 5 feet from water.
- Potted control module to protect against moisture and damage.
- Hot Surface Ignition (HSI), provides stable burner ignition in harsh conditions.
- Thermocouple Flame Sense, fast responding and resistant to wind, moisture and corrosion.
- LED diagnostics for field service and troubleshooting.
GAS VALVE AND PILOT COMPONENTS
- All connectors are water resistant.
- Certified CSA ANSI Z21.97-(2017) / CSA 2.41-(2017) certified.
- Coils are encapsulated to protect against moisture.
- Pilot has robust flame pattern, wind resistant.
- Pilot injectors are stainless steel.
- Thermocouple is nickel plated for durability.
- Hot Surface Igniter (HSI) with protective cage.
- Hot Surface Igniter (HSI) connection is waterproof.
- The Power Wire connector is waterproof.
GAS REQUIREMENTS
FUEL TYPE
Prior to making gas connections, ensure appliance being installed is compatible with the available gas type. Check the label on the appliance to confirm appliance gas type requirement.
GAS PRESSURE
Proper input gas pressures are required for optimum appliance performance.
| GAS PRESSURE REQUIREMENTS | ||
| Pressure | Natural Gas | Propane Gas |
| Minimum | 3.5” W.C. 1/8 PSI | 8” W.C. 1/3 PSI |
| Nominal | 7” W.C. 1/4 PSI | 11” W.C. 1/3 PSI |
| Maximum | 14” W.C. 1/2 PSI | 14” W.C. 1/2 PSI |
IGNITION CONTROL SPECIFICATIONS
RECOMMENDED WIRE SIZE
Note: There are numerous electrical devices that can be used to turn the fire feature on and off. Devices such as wall switches and remote control devices that are used should be UL listed and approved devices for turning high voltage (110v electrical power) on and off.

WARNING: The 12/14V Smart Weather Electronic Ignition System operates on 12/14 Volts AC power. DO NOT attempt to power using 110 Volts AC Power! DAMAGE WILL RESULT!
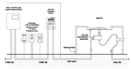
ELECTRICAL CONNECTIONS
The SWEIS is supplied with an external 12 VAC Transformer (Only 12V systems include this).
It is highly recommended to use dielectric grease or silicon to fill any and all wire nuts used in installation of the SWEIS.
ELECTRICAL REQUIREMENTS
Acceptable Input Voltages to Supplied 12 Volt AC Transformer are 110 / 120 Volt AC (Only 12V systems include the transformer) Read label on supplied transformer for proper connection information. The SWEIS has a red and a black wire protruding from it. These are the power wires. When multiple SWEIS are connected, the polarity between them must be the same. To achieve this, all of the red wires must be connected to the same wire from the transformer and all of the black wires connected to the other wire from the transformer.
THE PROVIDED TRANSFORMER IS CAPABLE OF PROVING POWER TO UP TO 4 12V SWEIS UNITS
SWEIS IGNITION CONTROL TIMING
Pre-Purge :3.25 Seconds 5 Seconds
HSI Warm-Up :20 Seconds
Trial for Ignition:10 Seconds Max
Flame Failure Response Inter-Purge : 5 Seconds
Flame Loss Recycles:15 Seconds
Flame Loss Recycles Delay :None
INSTALLATION
WARNING: Inspect all components before installation. If any parts are damaged contact your supplier. DO NOT INSTALL DAMAGED PARTS.
WARNING: RISK OF FIRE! Provide adequate clearances. Keep appliance area clear and free from combustible materials, gasoline, and other flammable vapors and liquids. (See diagram on page 11).
Only a qualified installer, service agent, or local gas supplier may install and service this product.
GAS TYPE
Before making gas connections ensure appliance being installed is compatible with the available gas type.
GAS PRESSURE
Proper input pressures are required for optimum appliance performance. Gas line sizing requirements need to be made following NFPA51.
PRESSURE REQUIREMENTS FOR APPLIANCE
(Natural Gas or Propane)
Maximum Inlet Pressure: 1/2 psi
TYPICAL PRESSURE REQUIREMENTS FOR APPLIANCE:
Minimum Inlet Pressure:
1/4 psi
Nominal Operating Inlet Pressure:
7” WC (NG) / 11” WC (LP)
GAS CONNECTION
Have the gas supply line installed in accordance with local building codes, if any. If not, follow ANSI 223.1. Installation should be done by a qualified installer approved and/or licensed as required by the locality.
Note: A listed manual gas shutoff device must be installed prior to the location of the appliance.
PILOT ASSEMBLY
The pilot is configured for natural gas. A propane gas injector is provided in the kit. Additional injector sizes are available to provide proper flame pattern. Please contact The Outdoor Plus for assistance.
STARTUP
A small amount of air will be in the gas supply lines. When first lighting appliance it will take a short time for air to purge from lines. Subsequent lighting of the appliance will not re-quire such purging. Pilot must be clear of all media.
WARNING: Check for gas leaks after installation is complete.
- Check all fittings and connections.
- Do not use open flame to check for leaks.
- Check for leaks with a commercially available, noncorrosive leak check solution.
MUST READ! BURNING MEDIA INSTALLTION
WARNING: If the information in this manual is not followed exactly, a fire or explosion may result causing property damage, personal injury, or loss of life.
WARNING: Placement of media (glass, lava, stone, etc.) MUST NOT cover the pilot assembly. DO NOT USE SAND!
DO NOT COVER PILOTS WITH SAND! USE ONLY FIRE-RATED MEDIA
CORRECT INSTALLATION
- ONLY FIRE-RATED MEDIA
- 0PAN TO HOLD MEDIA
- PROPER VENTING & CAVITY


WRONG INSTALLATION
- NO PAN TO HOLD MEDIA
- IMPROPER VENTING
- COVERS PILOT IGNITER


GAS CONNECTION
Installation or repair should be performed by a qualified service technician who is locally licensed. The appliance should be inspected before use and at least annually by a qualified technician.
DO NOT remove any decal/rating plates from the SWEIS. A gas shut off must be installed outside the exterior of the fire feature for emergency shut off and maintenance. A sediment trap is highly recommended to alleviate any problems from debris or sediment in the gas line. It is the installers responsibility to ensure the fuel supply and line are adequate to supply the maximum BTU for the burner used.
Note: a heat sheild/plate MUST be installed between the SWEIS and the burner ring to avoid over heating. The SWEIS box may now be mounted to the burner or burner & pan combination. Thread sealant must be used on all pipe thread connections. The Outdoor Plus recommends you use a 2” stainless steel nipple or longer to help protect the SWEIS from radiant heat from the burner. The SWEIS is designed to automatically close the gas valve and shut down should temperatures exceed 175° Fahrenheit. To keep the unit cool, proper ventilation and a heat sheild must be provided. The Outdoor Plus Recommends a Stainless Steel Whistle-Free Flex Hose to eliminate the noise.
PILOT ASSEMBLY CONNECTIONS
We recommend mounting the pilot on top of the burner pan and in that configuration, the pilot line, thermocouple and igniter lead should be lowered through a hole in the pan prior to connecting to the control box. The pilot comes pre-assembled from the factory, so the installer can simply connect the assembly to the main control box. The igniter has a “shaped” push on waterproof connector ensuring that is can only be connected the correct way. Push this black plastic connector parts firmly together until it locks in place. Gently tug on wires to assure connection is secure. The flexible corrugated pilot tube has a flare fitting that should be connected 1/4 turn past hand tight. Please double check to ensure the fitting is snug both into the control box and the flare connection. The thermocouple should now be connected. It screws onto the 11/32” brass fitting on the control box closest to the black connector. It should be snug, but do not over-tighten. Next, you may mount the pilot to the burner pan. The shield is designed with perforated material which you can use to secure to the pan with self tapping screws. The installer can determine the best placement for the pilot depending on the burner configuration keeping the pilot within 1” from a burner port for quick ignition. Once all connections are complete, it is highly recommended to perform a leak test. Turn on the gas supply and using gas test solution or soapy water solution, spray the gas connections on the SWEIS including the pilot connector to ensure it is leak free.
PROPER VENTING
WARNING: Venting is required to dissipate heat and any residual fuel. Failure to provide proper ventilation could result in overheating and or explosion.
Certain fire pit enclosures may require extra ventilation depending on size, material or extended use. 1 Square Inch of ventilation is REQUIRED for every 25,000 BTUs. This is especially important for propane units, as propane gas is heavier than air and can pool in the bottom of an enclosure.
ACCEPTABLE MEDIA
WARNING: Do not use any other material as media in the fire feature other than those listed below.
- Lava rock no smaller than 1/2″ average diameter.
- 1/2″ to 3/4″ Fire glass specifically designed and approved for fire features.
- Stones of man made materials (refractory) designed for fire pits.
- DO NOT USE SAND, DO NOT FILL HOLLOW AREAS.
Media used in the fire feature enhances the look of the flame and improves the fire pit performance. As gas is emitted from the burner, the media helps mix air with fuel resulting in a more uniform flame and a cleaner burn. The media will also help spread the flame across all areas of the burner resulting in faster and more even ignition. The media covering the burner should never exceed 2″. If using fire glass, we recommend you use 1/2″ diameter minimum and only cover the burner 1/2″ to 3/4″. With all media, the pilot burner MUST be left open to the air for proper ignition. When the media is placed correctly, you should see the top of the pilot burner shield. If ignition is delayed or inconsistent, you may need to remove some media from the pilot burner area. When using propane gas it is important to check for back pressure created by excessive use of media that could result in gas being forced back through the air mixer.
WARNING: Do NOT use this appliance if any part has been under water.
Immediately call a qualified service technician to inspect the appliance and to replace any part of the control system and any gas control which has been under water
OPERATION
WARNING: HOT – DO NOT TOUCH – MAY RESULT IN SEVERE BURNS
- Supervise children in same area as the appliance.
- Alert children and adults to dangers of high temperatures.
- Flammable materials should not be hung from the appliance or placed on or near the appliance.
WARNING: The appliance must be inspected before use and at least annually by a qualified service technician. Any guard or protective device removed for servicing must be replaced prior to operation. Keep the appliance area clear and free from combustible materials, gasoline and other flammable vapors and liquids.
FIRE FEATURE START UP
- Before turning appliance on, visually inspect fire feature to ensure combustible materials have not collected inside the feature which could burn once the fire feature is turned on. Be sure anyone standing near the fire feature is aware you will be turning the fire feature on before actually turning it on.
- Turn fire feature on by turning on the electrical device used to power the fire feature.
SEQUENCE OF OPERATION DURING IGNITION
When powered, indicating a call for heat, the unit will wait for Pre-Purge time. The HSI will be energized for warm up time, then the pilot gas valve will energize for Trial-for-Ignition time. The HSI will turn off after Ignition Time. If the flame is detected on the thermo-couple before the end of the trial for ignition time, the HSI will turn off. The main valve will turn on and the pilot valve will remain on until power is removed or flame signal is lost. If flame is lost, the control will turn off the gas valve, and after the flame loss recycle delay, restart the ignition sequence. If a flame is not detected during the Trial-for-Ignition time and Trials-for-Ignition remain, the pilot and HSI will turn off and wait for Inter-Purge time before starting the next ignition attempt. If a flame is detected prior to turning on the gas valve, the control will stop sequence and remain in safety shutdown until the flame signal is below minimum threshold, or drops continuously by minimum threshold value before continuing.
- Power is applied.
- Hot Surface Igniter (HSI) becomes hot and 4 seconds later the pilot gas valve opens.
- Within 10 seconds of power application pilot flame should be visible
- Within 10 seconds of pilot flame ignition, the burner (fire ring/burner bar) should ignite.
FIRE FEATURE SHUTDOWN
Turn fire feature off by turning off the electrical device used to power the fire feature.
MAINTENANCE
WARNING: Maintenance should only be performed by a qualified service technician. The appliance should be inspected before use and at least annually by a qualified service technician.
WARNING: Ensure gas and power are shut off and appliance is cool before servicing.
WARNING: Any guard or protective device removed for servicing must be replaced prior to operation.
WARNING: Keep free from constant water. Unit is not water-proof
PRIOR TO EACH USE
Inspect for debris in fire feature – remove debris prior to use.
SEMI-ANNUALLY
- Visually inspect pilot igniter for debris/insect infestation (spider webs).
- Visually inspect burner holes to ensure they are clear.
- Clean either of the above as necessary using compressed air.
ANNUALLY
- Visually inspect pilot igniter for excess corrosion due to heat and moisture.
- Turn fire feature on to ensure proper operation.
MAINTENANCE INSTRUCTIONS
REMOVAL OF DEBRIS
- Do NOT perform the maintenance until surfaces of the fire feature are cool to the touch, The Outdoor Plus recommends leaving the fire pit off for at least 1 hour prior to servicing.
- Remove any debris on or around the fire feature such as spider webs, dirt, etc. by using a dry brush or compressed air.
- Pilot debris removal: Unscrew the pilot cover from the igniter. Use a dry brush or compressed air to clean out the pilot igniter. Place the pilot cover back on with the screw, after pilot igniter is cleaned.\

HELPFUL TIPS FOR PROPER OPERATION
- Cross ventilation is REQUIRED! A minimum of 1 square inch of ventilation is required for every 25,000 BTUs on each side of the installation. Air flow is your friend!
- Media (lava rock and glass) minimum of 1/2″ and no larger than 2″ in diameter.
- Media must not cover the pilot. The pilot needs air. Avoid packing media against the pilot.
- Media must be approved by the appliance manufacturer.
- Large BTU applications (above 150,000 BTU’s) could require a large injector.
- A heat shield/Pan MUST be installed between the burner and SWEIS
- The SWEIS has a temperature safety shutoff at 175° F.
- Be sure the gas shut off valve is open.
- If using wire nuts, be sure they are weather proof and use dielectric grease on the wires.
- The unit is water resistant. NOT water proof! DO NOT PUT IN WATER OR SUBMERGE.LED DIAGNOSTIC CODES
LED DIAGNOSTIC CODES
| LED DIAGNOSTIC CODES | |
| OFF | NO POWER / INTERNAL FAULT |
| ON | NORMAL OPERATION |
| 1 FLASH | HOT START, THERMOCOUPLE HOT AT POWER UP |
| 2 FLASHES | TRIAL LOCKOUT, MAXIMUM IGNITION TRIALS EXCEEDED WITHOUT FLAME DETECTION |
| 3 FLASHES | FLAME LOSS LOCKOUT, EXCEEDED MAXIMUM LOSSES OF FLAME AFTER PROVING BURNER ON. |
| 4 FLASHES | FLAME SENSE FAULT |
| 5 FLASHES | VALVE FAULT |
| FAST FLASH | SAFETY SHUTDOWN |
WIRING GAUGE CHART


Wiring diagram-12V Electronic Ignition system

Electronic Ignition Assembly & Component Overview
Connecting A Secondary Unit
Connecting A Pan Burner With A Manifold
Clearance From Combustible
TROUBLESHOOTING
THE SWEIS IS INSTALLED BUT WHEN TURNED ON NOTHING HAPPENS:
The most common cause is an electrical wiring or power issue. Inspect all electrical connections carefully to confirm all wires from the transformer to the fire feature are connected properly. If wiring is properly connected, disconnect the wires at the fire feature and use a multimeter to confirm a minimum of 12 volts when the fire feature is turned on. If there is not a minimum of 12 volts at the fire feature, conduct the same test at the transformer to determine if the transformer is truly producing a minimum of 12 volts. If you do have a minimum of 12 volts at the fire feature contact us for further assistance.
THE SWEIS IS TURNED ON, THE IGNITER GLOWS ORANGE AND GAS CAN BE HEARD FLOWING, BUT DOES NOT IGNITE:
The two most common causes to this fault are; Air in the Gas Line or low Electrical Current to the fire feature.
Air in the Gas Line:
New gas line installations often have air trapped inside that must be removed or purged prior to installing the SWEIS. If the line has not been properly purged, it may take several cycles of turning the fire feature on and off before the all the air is purged from the gas line.
Understanding how the SWEIS operates will help you go through the purging process. When you turn on the SWEIS, the igniter will begin to glow, followed by the pilot gas valve opening 4 seconds later. During next 3 minutes the igniter will cycle on and off every 30 seconds while the pilot gas valve will remain on the entire time. Accordingly, if you are attempting to purge air from the gas line, engage the system and leave it on for approximately 3 minutes. Next turn it off and then back on. Let the system run for an additional 3 minutes. When purging air from a new gas line, you may need to cycle the power several times as described above before gas begins to flow. If at any point you smell gas and still don’t have ignition, you should attempt to light the pilot flame with a hand held lighter. If ignition occurs when you light it by hand, go to the section, see Electrical Current in column 2.
Electrical Current:
If purging the gas line does not solve the problem, the ignition failure is most likely that the igniter is not getting hot enough to light the gas. The main reason an igniter will not reach full temperature is low amperage. Electricians will commonly check the electrical power, note there are a minimum of 12 volts and think everything is fine electrically, so there must be a problem with the SWEIS. The deficiency is not in the volts but rather the amps. Amperage reaching the fire feature is dependent on the gauge wire used between the transformer and the fire feature. Our installation instructions require no less than 12 gauge wire up to 50 feet and 10 gauge for installs over 50 feet. Smaller wire size will often be the problem in ignition. Steps to check for sufficient amperage:
- CAUTION: Turn off the gas supply before proceeding.
- Utilizing clamp on ammeter, clamp the ammeter around one of the wires providing power to the SWEIS.
- Turn on the fire feature.
- Amperage should range between 1.4 to 1.6 amps initially. Four seconds after being turned on the amperage will jump to approximately 2.0 amps.
If the amperage listed previously is not present AND the wire gauge used was less than listed above, change the wiring. Otherwise contact us for further assistance.
THE FIRE FEATURE WAS TURNED OFF, BUT SMALL FLAMES CAN STILL BE SEEN FLICKERING FROM THE FIRE FEATURE.
Turn the fire feature back on, let the main burner light and then turn it off again. You may need to do this several times. Small pieces of debris in the gas line may get caught in the main or pilot valve preventing it from completely closing. This is common a new gas line. By cycling power you can often dislodge the debris. If cycling power does not rectify the problem, turn the gas off using the manual gas shutoff and contact us for further assistance.
Operation
Sequence of operation

TROUBLESHOOTING GUIDE
SEQUENCE OF OPERATION | FAULT | CHECK | RESULT | ACTION(S) |
| Power ON | No Function / No LED Indication | Check for 14V at Transformer | No or low voltage | Make sure transformer is powered. If so, replace transformer. |
| Check for 14V at Control Box | No or low voltage | Check wiring for continuity, replace if broken. | ||
| Ensure wire is <50 feet long and 12AWG minimum (smaller number is bigger wire). Replace with larger wire or shorten length. Replace with correct wiring if incorrect. | ||||
| Igniter Warm-up |
LED on, No Ignition | Check for breaks in Pilot Igniter | Broken | Replace Pilot Igniter. |
| Check Pilot Igniter wiring & Connector | Damaged or Broken | Repair. | ||
|
Trial for Ignition |
Igniter ON, does not light Control goes through all ignition attempts then enters 2 LED flash lockout |
Is pilot valve opening? |
No. Pilot gas flow | Check input gas pressure. Maximum pressure 1/2 PSI. Install regulator if higher. |
| Check voltage to pilot valve. Voltage should read >10.2VDC. Check “No or Low Voltage” above if less. | ||||
| Check pilot coil for open circuit. Replace pilot valve if open. | ||||
|
Yes. Gas flow at pilot. No ignition/low flame | Ensure air has been bled from gas line | |||
| Consult burner manufacturer for minimum gas pressure | ||||
| If natural gas, ensure pilot jet is not for LP | ||||
| Check pilot injector for clogged jet. Clean or replace. | ||||
| If pilot can be lit with a match, check igniter position and adjust, or check “No or Low Voltage” above. | ||||
|
Pilot lights but goes off at end of trial without main burner. 2 flash lockout after end of trials. Flame is not detected. | Ensure pilot flame is impinging on the thermocouple |
No | Check for clogged pilot or injector and clean. | |
| Check for correct pilot injector. (LP or NG) | ||||
| Is the thermocouple securely connected to the control box? | No | Tighten Connection | ||
| Yes | Replace Thermocouple | |||
|
Burner ON |
Units shuts down after flame detected |
LED flashing 3 times, no recycle? |
Yes | Maximum flame losses per heat cycle exceeded. Recycle power to reset. |
| Ensure pilot flame is impinging on the thermocouple and is adequately sheltered from the wind. If impingement is consistent and no wind present, replace thermocouple. | ||||
| LED flashing 4 times, no recycle? (Flame sense fault) | Yes | Turn power off for 10 seconds and back on. If persistent, replace control module. | ||
| LED flashing 5 times, no recycle? (Valve Fault) | Yes | Turn power off for 10 seconds and back on. If persistent, check “No or Low Voltage” above. If voltage is okay, replace control module. | ||
| Shuts down before main burner lights | Yes | Check “No or Low Voltage” above. | ||
| Shuts down after being on for several minutes or hours and does not re-light | Yes | Over temperature – ensure control compartment remains under 175° F. If continued operation above this temperature, life of product will be reduced. | ||
| Unit shuts down for 1 minute every 24 hours | Yes | This is normal operation for validation of safety circuitry. |
PARTS LIST & ACCESSORIES
WARRANTY
The Outdoor Plus Company (TOP) warranties fire pits against manufacturing defects that prevent safe and correct function as follows:
- Stainless Steel or Brass Burner Rings: Lifetime Warranty
- Stainless Steel Pan, Electronics, Gas Valves, Pilot Assembly: Commercial – 6 Months; Residential – 12 Months
- This commences from the date of original sale / shipment from The Outdoor Plus
- This warranty is for the parts and in-house (TOP) labor. The defective product must be sent back to TOP with a Return Merchandise Authorization (RMA) issued by TOP for that specific product and any other additional information for the nature of the defect or warrant claim
- The warranty does not cover items that have been damaged by overheating, modification, abuse, or improper storage.
- Any labor involving installation or maintenance with the unit is not covered.
- This warranty excludes claims for consequential, indirect-collateral expenses arising from the products defects or warranty recovery.
- This warranty is only applied to original purchases.



























