TOP Series Fire Pit Connection Kits and Inserts
Owner’s Manual
12V Models:
TOP-500EIS-100-12
TOP-500EIS-200-12
TOP-500EIS-300-12
![]()
TOP Series Fire Pit Connection Kits and Inserts
NOTE- 100W Transformer is only for Single Fire Bowl Installations
WARNING: FOR OUTDOOR USE ONLY
Installation and service must be performed by a qualified installer, service agency, or gas supplier.
WARNING: Do not store or use gasoline or other flammable vapors and liquids, In the vicinity of this or any other appliance.
An LP-Cylinder not connected for use shall not be stored in the vicinity of this or any other appliance.
WARNING: If the information in this manual is not followed exactly, a fire or explosion may result causing property damage, personal injury, or loss of life.
DANGER – FIRE OR EXPLOSION HAZARD
If you smell gas:
- Shut off the gas to the appliance.
- Extinguish any open flame.
- If the odor continues, leave the area immediately.
- After leaving the area, call your gas supplier or Fire department.
Failure to follow these instructions could result in fire or explosion, which could cause property damage, personal injury, or death.
INSTALLER: Leave this manual with the appliance.
CONSUMER: Retain the manual for future reference.
The Smart Weather Electronic Ignition System utilizes CSA-certified components to be added to an outdoor product.
Installation must conform with local codes or, in the absence of local codes, with the National Fuel Gas Code, ANSI Z223.1 / NFPA, or International Fuel Gas Code.
The appliance, when installed, must be electrically grounded in accordance with local codes or, in the absence of local codes, with the National Electric Code, ANSI/NFPA 70, if applicable.
CALIFORNIA PROPOSITION 65
WARNING ![]()
This product can expose you to Chromium, which is known in the state of California to cause cancer and birth defects or other reproductive harm.
(For more information, go to: www.p65warnings.ca.gov)
SYSTEM OVERVIEW
- Components are CSA Certified ANSI Z21.97-(2017)/CSA 2.41-(2017) certified.
- -20° to 175° temperature range.
- Durable connections are designed to resist outdoor conditions.
- TC Flame-sense system.
- Hot Surface Igniter (HSI).
- LED diagnostics.
ELECTRONICS
- CSA Certified ANSI Z21.97-(2017) / CSA 2.41-(2017) certified
- 12 or 14 VAC for installations within 5 feet of water.
- 110V for installations farther than 5 feet from the water.
- Potted control module to protect against moisture and damage.
- Hot Surface Ignition (HSI), provides stable burner ignition in harsh conditions.
- Thermocouple Flame Sense is fast responding and resistant to wind, moisture, and corrosion.
- LED diagnostics for field service and troubleshooting.
GAS VALVE AND PILOT COMPONENTS
- All connectors are water-resistant.
- Certified CSA ANSI Z21.97-(2017) / CSA 2.41-(2017) certified.
- Coils are encapsulated to protect against moisture.
- The pilot has a robust flame pattern and is wind resistant.
- Pilot injectors are stainless steel.
- The thermocouple is nickel plated for durability.
- Hot Surface Igniter (HSI) with a protective cage.
- The hot Surface Igniter (HSI) connection is waterproof.
- The Power Wire connector is waterproof.
GAS REQUIREMENTS
FUEL TYPE
Prior to making gas connections, ensure the appliance being installed is compatible with the available gas type. Check the label on the appliance to confirm appliance gas type requirements.
GAS PRESSURE
Proper input gas pressures are required for optimum appliance performance.
| GAS PRESSURE REQUIREMENTS | ||
| Pressure | Natural Gas | Propane Gas |
| Minimum | 3.5” W.C. 1/8 PSI | 8” W.C. 1/3 PSI |
| Nominal | 7” W.C. 1/4 PSI | 11” W.C. 1/3 PSI |
| Maximum | 14” W.C. 1/2 PSI | 14” W.C. 1/2 PSI |
IGNITION CONTROL SPECIFICATIONS
RECOMMENDED WIRE SIZE
Note: There are numerous electrical devices that can be used to turn the fire feature on and off. Devices such as wall switches and remote control devices that are used should be UL-listed and approved devices for turning high voltage (110v electrical power) on and off.
120 VAC Primary Input – 300 W Output
| Distance Feet | 2#6AWG | 2#8AWG | 2#1 0AWG | 2#1 2AWG |
| 5 ft. 10 ft. 20 ft. 30 ft. 40 ft. 50 ft. 60 ft. 70 ft. 80 ft. 90 ft. 100 ft. 110 ft. | 12 VAC 12 VAC 12 VAC 12 VAC 13 VA¢ 13 VAC 13 VAC 13 VAC 13 VAC 14 VAC 14 VAC 14 VAC | 12 VAC 12 VAC 12 VAC 13 VAC 13 VA€ 13 VAC 14VAC 14VAC 14 VAC | 12 VAC 12 VAC 13 VAC 13 VAC 14 VAC 14 VAC | 12 VAC 13 VAC 13 VAC 14 VAC |
* Length of the run to light from the transformer.
WARNING: The 12/14V Smart Weather Electronic Ignition System operates on 12/14 Volts AC power. DO NOT attempt to power using 110 Volts AC Power! DAMAGE WILL RESULT!
ELECTRICAL CONNECTIONS
The SWEIS is supplied with an external 12 VAC Transformer (Only 12V systems include this).
It is highly recommended to use dielectric grease or silicon to fill any and all wire nuts used in the installation of the SWEIS.
ELECTRICAL REQUIREMENTS
Acceptable Input Voltages to Supplied 12 Volt AC Transformers are 110 / 120 Volt AC
(Only 12V systems include the transformer)
Read the label on the supplied transformer for proper connection information.
The SWEIS has a red and a black wire protruding from it. These are the power wires. When multiple SWEIS are connected, the polarity between them must be the same. To achieve this, all of the red wires must be connected to the same wire from the transformer, and all of the black wires connected to the other wire from the transformer.
THE PROVIDED TRANSFORMER IS CAPABLE OF PROVING POWER TO UP TO 4 12V SWEIS UNITS
SWEIS IGNITION CONTROL TIMING
| Pre-Purge | 3.25 Seconds |
| HSI Warm-Up | 5 Seconds |
| Trial for Ignition | 20 Seconds |
| Flame Failure Response | 10 Seconds Max |
| Inter-Purge | 5 Seconds |
| Flame Loss Recycles | 15 Seconds |
| Flame Loss Recycles Delay | None |
INSTALLATION
WARNING: Inspect all components before installation. If any parts are damaged contact your supplier. DO NOT INSTALL DAMAGED PARTS.
WARNING: RISK OF FIRE! Provide adequate clearances. Keep appliance area clear and free from combustible materials, gasoline, and other flammable vapors and liquids. (See diagram on page 11).
Only a qualified installer, service agent, or local gas supplier may install and service this product.
GAS TYPE
Before making gas connections ensure the appliance being installed is compatible with the available gas type.
GAS PRESSURE
Proper input pressures are required for optimum appliance performance. Gas line sizing requirements need to be made following NFPA51.
PRESSURE REQUIREMENTS FOR APPLIANCE
(Natural Gas or Propane)
Maximum Inlet Pressure: 1/2 psi
TYPICAL PRESSURE REQUIREMENTS FOR APPLIANCE:
Minimum Inlet Pressure: 1/4 psi
Nominal Operating Inlet Pressure: 7” WC (NG) / 11” WC (LP)
GAS CONNECTION
Have the gas supply line installed in accordance with local building codes, if any. If not, follow ANSI 223.1. Installation should be done by a qualified installer approved and/or licensed as required by the locality.
Note: A listed manual gas shutoff device must be installed prior to the location of the appliance.
PILOT ASSEMBLY
The pilot is configured for natural gas. A propane gas injector is provided in the kit. Additional injector sizes are available to provide the proper flame pattern. Please contact The Outdoor Plus for assistance.
STARTUP
A small amount of air will be in the gas supply lines. When first lighting the appliance it will take a short time for the air to purge from the lines. Subsequent lighting of the appliance will not require such purging.
The pilot must be clear of all media.
WARNING: Check for gas leaks after installation is complete.
- Check all fittings and connections.
- Do not use an open flame to check for leaks.
- Check for leaks with a commercially available, noncorrosive leak check solution.
MUST READ! BURNING MEDIA INSTALLTION
WARNING: If the information in this manual is not followed exactly, a fire or explosion may result causing property damage, personal injury, or loss of life.
WARNING: Placement of media (glass, lava, stone, etc.) MUST NOT cover the pilot assembly. DO NOT USE SAND!
DO NOT COVER PILOTS WITH SAND!
USE ONLY FIRE-RATED MEDIA
CORRECT INSTALLATION
- ONLY FIRE-RATED MEDIA
- PAN TO HOLD MEDIA
- PROPER VENTING & CAVITY

WRONG INSTALLATION
- NO PAN TO HOLD MEDIA
- IMPROPER VENTING
- COVERS PILOT IGNITER

GAS CONNECTION
Installation or repair should be performed by a qualified service technician who is locally licensed. The appliance should be inspected before use and at least annually by a qualified technician.
DO NOT remove any decal/rating plates from the SWEIS. A gas shut-off must be installed outside the exterior of the fire feature for emergency shut-off and maintenance. A sediment trap is highly recommended to alleviate any problems from debris or sediment in the gas line. It is the responsibility of the installer to ensure the fuel supply and line are adequate to supply the maximum BTU for the burner used.
Note: a heat sheild/plate MUST be installed between the SWEIS and the burner ring to avoid overheating.
The SWEIS box may now be mounted to the burner or burner & pan combination. A thread sealant must be used on all pipe thread connections. The Outdoor Plus recommends you use a 2” stainless steel nipple or longer to help protect the SWEIS from radiant heat from the burner.
The SWEIS is designed to automatically close the gas valve and shut down should temperatures exceed 175° Fahrenheit. To keep the unit cool, proper ventilation and a heat shield must be provided.
The Outdoor Plus Recommends a Stainless Steel WhistleFree Flex Hose to eliminate noise.
PILOT ASSEMBLY CONNECTIONS
We recommend mounting the pilot on top of the burner pan and in that configuration, the pilot line, thermocouple, and igniter lead should be lowered through a hole in the pan prior to connecting to the control box. The pilot comes pre-assembled from the factory, so the installer can simply connect the assembly to the main control box. The igniter has a “shaped” push-on waterproof connector ensuring that it can only be connected the correct way. Push these black plastic connector parts firmly together until it locks in place. Gently tug on wires to assure the connection is secure. The flexible corrugated pilot tube has a flare fitting that should be connected 1/4 turn past hand tight. Please double-check to ensure the fitting is snug both into the control box and the flare connection. The thermocouple should now be connected. It screws onto the 11/32” brass fitting on the control box closest to the black connector. It should be snug but do not over-tighten.
Next, you may mount the pilot to the burner pan. The shield is designed with perforated material which you can use to secure the pan with self-tapping screws. The installer can determine the best placement for the pilot depending on the burner configuration keeping the pilot within 1” from a burner port for quick ignition. Once all connections are complete, it is highly recommended to perform a leak test. Turn on the gas supply and using gas test solution or soapy water solution, spray the gas connections on the SWEIS including the pilot connector to ensure it is leak free.
PROPER VENTING
WARNING: Venting is required to dissipate heat and any residual fuel. Failure to provide proper ventilation could result in overheating and or explosion.
Certain fire pit enclosures may require extra ventilation depending on size, material, or extended use.
1 Square Inch of ventilation is REQUIRED for every 25,000 BTUs.
This is especially important for propane units, as propane gas is heavier than air and can pool in the bottom of an enclosure.
ACCEPTABLE MEDIA
WARNING: Do not use any other material as media in the fire feature other than those listed below.
- Lava rock no smaller than 1/2″ average diameter.
- 1/2″ to 3/4″ Fire glass specifically designed and approved for fire features.
- Stones of man-made materials (refractory) designed for fire pits.
- DO NOT USE SAND, AND DO NOT FILL HOLLOW AREAS.
Media used in the fire feature enhances the look of the flame and improves the fire pit performance. As gas is emitted from the burner, the media helps mix air with fuel resulting in a more uniform flame and a cleaner burn. The media will also help spread the flame across all areas of the burner resulting in faster and more even ignition.
The media covering the burner should never exceed 2″.
If using fire glass, we recommend you use a 1/2″ diameter minimum and only cover the burner 1/2″ to 3/4″. With all media, the pilot burner MUST be left open to the air for proper ignition. When the media is placed correctly, you should see the top of the pilot burner shield. If the ignition is delayed or inconsistent, you may need to remove some media from the pilot burner area. When using propane gas it is important to check for back pressure created by excessive use of media that could result in gas being forced back through the air mixer.
WARNING: Do NOT use this appliance if any part has been underwater.
Immediately call a qualified service technician to inspect the appliance and replace any part of the control system and any gas control which has been underwater
OPERATION
WARNING: HOT – DO NOT TOUCH – MAY RESULT IN SEVERE BURNS
- Supervise children in the same area as the appliance.
- Alert children and adults to the dangers of high temperatures.
- Flammable materials should not be hung from the appliance or placed on or near the appliance.
WARNING: The appliance must be inspected before use and at least annually by a qualified service technician. Any guard or protective device removed for servicing must be replaced prior to operation. Keep the appliance area clear and free from combustible materials, gasoline, and other flammable vapors and liquids.
FIRE FEATURE START-UP
- Before turning the appliance on, visually inspect the fire feature to ensure combustible materials have not been collected inside the feature which could burn once the fire feature is turned on. Be sure anyone standing near the fire feature is aware you will be turning the fire feature on before actually turning it on.
- Turn the fire feature on by turning on the electrical device used to power the fire feature.
SEQUENCE OF OPERATION DURING IGNITION
When powered, indicating a call for heat, the unit will wait for Pre-Purge time. The HSI will be energized for warm-up time, then the pilot gas valve will energize for Trial for-Ignition time. The HSI will turn off after Ignition Time. If the flame is detected on the thermo-couple before the end of the trial for ignition time, the HSI will turn off. The main valve will turn on and the pilot valve will remain on until power is removed or the flame signal is lost. If the flame is lost, the control will turn off the gas valve, and after the flame loss recycles delay, restart the ignition sequence. If a flame is not detected during the Trial-for-Ignition time and Trials-for-Ignition remains, the pilot and HSI will turn off and wait for Inter-Purge time before starting the next ignition attempt. If a flame is detected prior to turning on the gas valve, the control will stop the sequence and remain in safety shutdown until the flame signal is below the minimum threshold, or drops continuously by the minimum threshold value before continuing.
- Power is applied.
- The hot Surface Igniter (HSI) becomes hot and 4 seconds later the pilot gas valve opens.
- Within 10 seconds of power application, the pilot flame should be visible
- Within 10 seconds of pilot flame ignition, the burner (fire ring/burner bar) should ignite.
FIRE FEATURE SHUTDOWN
Turn the fire feature off by turning off the electrical device used to power the fire feature.
MAINTENANCE
WARNING: Maintenance should only be performed by a qualified service technician. The appliance should be inspected before use and at least annually by a qualified service technician.
WARNING: Ensure gas and power are shut off and the appliance is cool before servicing.
WARNING: Any guard or protective device removed for servicing must be replaced prior to operation.
WARNING: Keep free from constant water. The unit is not water-proof
PRIOR TO EACH USE
Inspect for debris in the fire feature – remove debris prior to use.
SEMI-ANNUALLY
- Visually inspect the pilot igniter for debris/insect infestation (spider webs).
- Visually inspect burner holes to ensure they are clear.
- Clean either of the above as necessary using compressed air.
ANNUALLY
- Visually inspect the pilot igniter for excess corrosion due to heat and moisture.
- Turn the fire feature on to ensure proper operation.
MAINTENANCE INSTRUCTIONS
REMOVAL OF DEBRIS
- Do NOT perform the maintenance until the surfaces of the fire feature are cool to the touch, The Outdoor Plus recommends leaving the fire pit off for at least 1 hour prior to servicing.
- Remove any debris on or around the fire feature such as spider webs, dirt, etc. by using a dry brush or compressed air.
- Pilot debris removal: Unscrew the pilot cover from the igniter. Use a dry brush or compressed air to clean out the pilot igniter. Place the pilot cover back on with the screw, after the pilot igniter is cleaned.

HELPFUL TIPS FOR PROPER OPERATION
- Cross ventilation is REQUIRED! A minimum of 1 square inch of ventilation is required for every 25,000 BTUs on each side of the installation. Airflow is your friend!
- Media (lava rock and glass) minimum of 1/2″ and no larger than 2″ in diameter.
- The media must not cover the pilot. The pilot needs air. Avoid packing media against the pilot.
- Media must be approved by the appliance manufacturer.
- Large BTU applications (above 150,000 BTUs) could require a large injector.
- A heat shield/Pan MUST be installed between the burner and SWEIS
- The SWEIS has a temperature safety shutoff at 175° F.
- Be sure the gas shut-off valve is open.
- If using wire nuts, be sure they are weatherproof, and use dielectric grease on the wires.
- The unit is water resistant. NOT waterproof! DO NOT PUT IT IN WATER OR SUBMERGE IT.
LED DIAGNOSTIC CODES
| LED DIAGNOSTIC CODES | |
| OFF | NO POWER / INTERNAL FAULT |
| ON | NORMAL OPERATION |
| 1 FLASH | HOT START, THERMOCOUPLE HOT AT POWER UP |
| 2 FLASHES | TRIAL LOCKOUT, MAXIMUM IGNITION TRIALS EXCEEDED WITHOUT FLAME DETECTION |
| 3 FLASHES | FLAME LOSS LOCKOUT, EXCEEDED THE MAXIMUM LOSSES OF FLAME AFTER PROVING THE BURNER WAS ON. |
| 4 FLASHES | FLAME SENSE FAULT |
| 5 FLASHES | VALVE FAULT |
| FAST FLASH | SAFETY SHUTDOWN |
WIRING GAUGE CHART
120 VAC Primary Input – 300 W Output
| Distance Feet | 2#6AWG | 2#8AWG | 2#1 0AWG | 2#1 2AWG |
| 5 fl. 10 fl. 20 fl. 30 fl. 40 fl. 50 fl. 60 fl. 70 fl. 80 fl. 90 fl. 100 fl. 110 fl. | 12 VAC 12 VAC 12VAC 12 VAC 13 VAC 13VAC 13 VAC 13VAC 13 VAC 14 VAC 14 VAC 14VAC | 12 VAC 12 VAC 12 VAC 13 VAC 13 VAC 13 VAC 14 VAC 14 VAC 14 VAC | 12 VAC 12 VAC 13 VAC 13 VAC 14 VAC 14 VAC | 12 VAC 13 VAC 13 VAC 14 VAC |
Control Timing (control used in TOP-500EIS):
| Pre-Purge | 3. 25 seconds |
| HSI Warm Up | 5 seconds |
| Trial for Ignition | 10 seconds |
| Flame Failure Response | 10 seconds Max |
| Inter-Purge | 5 seconds |
| Flame Loss Recycles | 15 seconds |
| Flame Loss Recycles Delay | None |

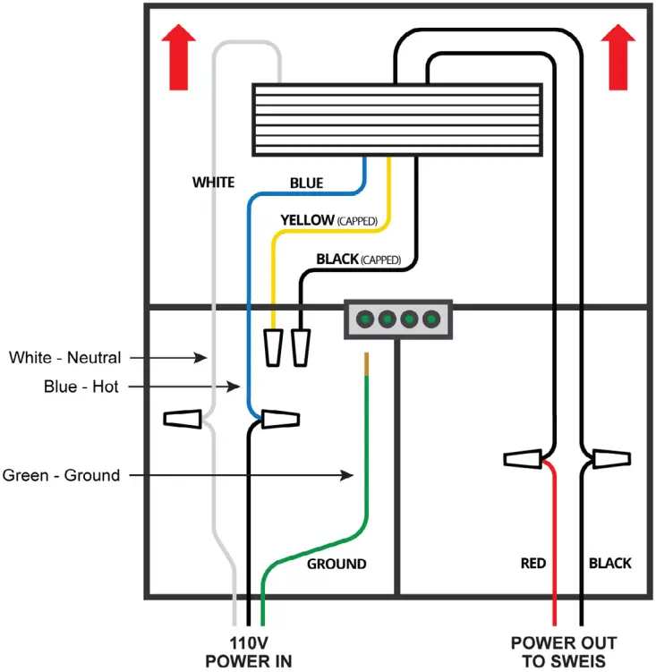
12V/13V/14V Control Panel Diagram – Supplied with all 12V Electronic Ignition Systems
WARNING – Risk of Fire or Electrical Shock
- DO NOT submerge the transformer
- DO NOT connect two or more transformers in parallel
- DO NOT use with dimmers’
- This transformer must be installed according to the National Electrical Code (NEC) and local code requirements (For US installations article 680 and for Canadian installations, section 68 of the CEC). Important: This installation must be installed by a qualified electrician and is subject to approval by the local inspection authority
- Use copper conductors only
- DO NOT exceed the maximum ratings of individual components, wiring devices, and the current carrying capacity of conductors.
- DO NOT install this equipment within 5 feet (3 meters) reach paths of water.
- May be used with certified no-niche submersible luminaires or equivalent.
- Not for use with self-contained spas or hot tubs.
- For Canadian installations, the supply circuit must be protected by a ground fault circuit interrupter.
MOUNT AT LEAST 1FT. (30 cm) ABOVE GROUND, WITH ARROWS UP
GENERAL INFO
These Safety Transformers are specifically designed to supply 12 volts to pool/spa lights, submersible fixtures, and outdoor garden lights. The built-in circuit protection will disconnect power to the transformer in case of defect or overload. These transformers are suitable for direct connection to underwater Pool and Spa lights.
Enclosure Size: 7.25″ High x 5.25″ Wide x 4.5″ Deep Mounting Brackets on Top and Bottom
Knockouts: Total of Ten 0.5″-0.75″ Combination (4) bottom, (2) right, (2) Left, (2) Back
| Model | Input 60 Hz. | Secondary Output | |
| Lamp Watts(w) | Voltage (VAC) | ||
| 100W | 120VAC | 300 Max. | 12, 13 or 14 |
| Output | 120v Input Multi-tap Primary Connection |
| 12V | Black to 12V / White to Neutral |
| 13V | Yellow to 13V / White to Neutral |
| 14V | Blue to 14V / White to Neutral |
Note: PX100 is for single bowls & PX300 is for multiple bowls
INSTALLATION
For field wiring information, please refer to the instructions attached to the inside of the front cover.
- Make sure that all unused taps (leads) are separately insulated.
- Use the following tables as a guide to determine the correct wire size.
- The voltage at lamp terminals after installation should be 12 ± 0.3 VAC.
- Voltages above 12.3 VAC at the light may cause the internal safety fuse of the transformer to switch off and on. To prevent this from happen ing follow the chart below for the correct voltage and wire gauge selection.
- Select the power source by combining Bulb wattage.
- Determine the length of cable run(s).
- Determine the wire gauge needed to deliver the necessary power.
- Connect the cable to the output tap of the transformer given in the table.
120 VAC Primary Input -100 W Output
| Distance | 6 Gauge | 8 Gauge | 10 Gauge | 12 Gauge |
| 10 ft. 20 ft. 30 ft. 40 ft. 50 ft. 60 ft. 70 ft. 80 ft. 90 ft.+ | 12 VAC 12 VAC 12 VAC 13VAC 13VAC 13VAC 13 VAC 13VAC 14 VAC | 12VAC 12VAC 13 VAC 13 VAC 13VAC 14 VAC 14 VAC 14 VAC | 12 VAC 13 VAC 13 VAC 14 VAC 14 VAC | 13 VAC 13 VAC 14 VAC |
ENSURE ALL UNUSED LEADS ARE INSULATED (CAPPED)
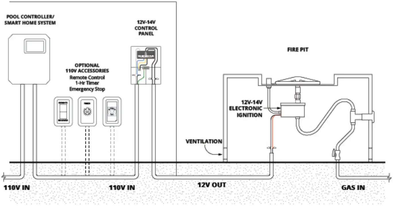
Wiring Diagram
– 12V Electronic Ignition System

Electronic Ignition Assembly & Component Overview

Connecting a Secondary Unit

Connecting a Pan and Burner with a Manifold

![]()
Clearance From Combustibles.
This diagram applies to all fire pits and fire features
Flooring
All fire pits and fire features must be installed on non-combustible flooring. If the fire feature is installed on a combustible floor, such as wood decking, noncombustible floor paneling MUST be properly installed underneath.
Installation
We suggest that our products be installed by professionals that are locally licensed by the authority having jurisdiction in gas piping.
Service
We suggest that our products be serviced by a professional certified in The US by the National Fireplace Institute (NFI) as NFI Gas Specialists

TROUBLESHOOTING
THE SWEIS IS INSTALLED BUT WHEN TURNED ON NOTHING HAPPENS:
The most common cause is an electrical wiring or power issue. Inspect all electrical connections carefully to confirm all wires from the transformer to the fire feature are connected properly. If the wiring is properly connected, disconnect the wires at the fire feature and use a multimeter to confirm a minimum of 12 volts when the fire feature is turned on. If there is not a minimum of 12 volts at the fire feature, conduct the same test at the transformer to determine if the transformer is truly producing a minimum of 12 volts. If you do have a minimum of 12 volts at the fire feature contact us for further assistance.
THE SWEIS IS TURNED ON, THE IGNITER GLOWS ORANGE, AND GAS CAN BE HEARD FLOWING BUT DOES NOT IGNITE:
The two most common causes of this fault are; Air in the Gas Line or low Electrical Current to the fire feature.
Air in the Gas Line:
New gas line installations often have air trapped inside that must be removed or purged prior to installing the SWEIS. If the line has not been properly purged, it may take several cycles of turning the fire feature on and off before all the air is purged from the gas line.
Understanding how the SWEIS operates will help you go through the purging process. When you turn on the SWEIS, the igniter will begin to glow, followed by the pilot gas valve opening 4 seconds later. During the next 3 minutes, the igniter will cycle on and off every 30 seconds while the pilot gas valve will remain on the entire time. Accordingly, if you are attempting to purge air from the gas line, engage the system and leave it on for approximately 3 minutes. Next, turn it off and then back on. Let the system run for an additional 3 minutes. When purging air from a new gas line, you may need to cycle the power several times as described above before gas begins to flow. If at any point you smell gas and still don’t have ignition, you should attempt to light the pilot flame with a handheld lighter. If ignition occurs when you light it by hand, go to the section, and see Electrical Current in column 2.
Electrical Current:
If purging the gas line does not solve the problem, the ignition failure is most likely that the igniter not getting hot enough to light the gas. The main reason an igniter will not reach full temperature is low amperage.
Electricians will commonly check the electrical power, note there are a minimum of 12 volts, and think everything is fine electrically, so there must be a problem with the SWEIS.
The deficiency is not in the volts but rather in the amps. Amperage reaching the fire feature is dependent on the gauge wire used between the transformer and the fire feature. Our installation instructions require no less than 12 gauge wire up to 50 feet and 10 gauge for installs over 50 feet. Smaller wire sizes will often be a problem in the ignition. Steps to check for sufficient amperage:
- CAUTION: Turn off the gas supply before proceeding. » Utilizing clamp-on ammeter, clamp the ammeter around one of the wires providing power to the SWEIS.
- Turn on the fire feature.
- The amperage should range between 1.4 to 1.6 amps initially. Four seconds after being turned on the amperage will jump to approximately 2.0 amps.
If the amperage listed previously is not present AND the wire gauge used was less than listed above, change the wiring. Otherwise, contact us for further assistance.
THE FIRE FEATURE WAS TURNED OFF, BUT SMALL FLAMES CAN STILL BE SEEN FLICKERING FROM THE FIRE FEATURE.
Turn the fire feature back on, let the main burner light, and then turn it off again. You may need to do this several times. Small pieces of debris in the gas line may get caught in the main or pilot valve preventing it from completely closing. This is common in a new gas line. By cycling power, you can often dislodge the debris. If cycling power does not rectify the problem, turn the gas off using the manual gas shutoff and contact us for further assistance.
OPERATION
Sequence of Operation
When powered, indicating a call for heat, the unit will wait for Pre-Purge time. The HSI will be energized for warm-up time, then the pilot gas valve will energize for Trial-for-Ignition time. The HSI will turn off after Ignition Time. If the flame is detected on the thermocouple before the end of the trial for ignition time, the HSI will turn off. The main valve will turn on and the pilot valve will remain on until power is removed or the flame signal is lost. If the flame is lost, the control will turn off the gas valve, and after the flame loss recycles delay, restart the ignition sequence. If a flame is not detected during the Trial-for-Ignition time and Trials-for-Ignition remains, the pilot and HSI will turn off and wait for Inter-Purge time before starting the next ignition attempt. If a flame is detected prior to turning on the gas valve, the control will stop sequence and remain in safety shutdown until the flame signal is be low minimum threshold, or drops continuously by minimum threshold value before continuing.

TROUBLESHOOTING GUIDE
| SEQUENCE OF OPERATION | FAULT | CHECK | RESULT | ACTION(S) |
| Power ON | No Function / No LED Indication | Check for 14V at Transformer | No or low voltage | Make sure the transformer is powered. If so, replace the transformer. |
| Check for 14V at Control Box | No or low voltage | Check to wire for continuity, and replace if broken. | ||
| Ensure the wire is <50 feet long and 12AWG minimum (the smaller number is bigger wire). Replace with a larger wire or shorten the length. Replace with correct wiring if incorrect. | ||||
| Igniter Warm-up | LED on, No Ignition | Check for breaks in Pilot Igniter | Broken | Replace Pilot Igniter. |
| Check Pilot Igniter wiring & Connector | Damaged or Broken | Repair. | ||
| Trial for Ignition | Igniter ON, does not light Control goes through all ignition attempts then enters 2 LED flash lockout | Is the pilot valve opening? | No. Pilot gas flow | Check input gas pressure. Maximum pressure 1/2 PSI. Install regulator if higher. |
| Check the voltage to the pilot valve. Voltage should read >10.2VDC. Check “No or Low Voltage” above if less. | ||||
| Check the pilot coil for an open circuit. Replace the pilot valve if open. | ||||
| Yes. Gas flow at the pilot. No ignition/ low flame | Ensure air has been bled from the gas line | |||
| Consult burner manufacturer for minimum gas pressure | ||||
| If natural gas, ensure the pilot jet is not for LP | ||||
| Check the pilot injector for the clogged jet. Clean or replace. | ||||
| If the pilot can be lit with a match, check the igniter position and adjust, or check “No or Low Voltage” above. | ||||
| Pilot lights but goes off at end of the trial without the main burner. 2 flash lockouts after the end of the trials. The flame is not detected. | Ensure the pilot flame is impinging on the thermocouple | No | Check for clogged pilot or injector and clean. | |
| Check for the correct pilot injector. (LP or NG) | ||||
| Is the thermocouple securely connected to the control box? | No | Tighten Connection | ||
| Yes | Replace Thermocouple | |||
| Burner ON | Units shut down after flame detected | LED flashing 3 times, no recycling? | Yes | Maximum flame losses per heat cycle exceeded. Recycle power to reset. |
| Ensure the pilot flame is impinging on the thermocouple and is adequately sheltered from the wind. If impingement is consistent and no wind is present, replace the thermocouple. | ||||
| LED flashing 4 times, no recycling? (Flame sense fault) | Yes | Turn the power off for 10 seconds and back on. If persistent, replace the control module. | ||
| LED flashing 5 times, no recycling? (Valve Fault) | Yes | Turn the power off for 10 seconds and back on. If persistent, check “No or Low Voltage” above. If the voltage is okay, replace the control module. | ||
| Shuts down before main burner lights | Yes | Check “No or Low Voltage” above. | ||
| Shuts down after being on for several minutes or hours and does not re-light | Yes | Over temperature – ensure the control compartment remains under 175° F. If continued operation above this temperature, the life of the product will be reduced. | ||
| The unit shuts down for 1 minute every 24 hours | Yes | This is a normal operation for the validation of safety circuitry. |
PARTS LIST & ACCESSORIES
![]() | ||
| 24″ PILOT IGNITER ASSEMBLY TOP-500PIR MINI & STANDARD CAPACITY UNITS TOP-500PIRHC HIGH CAPACITY UNITS | PILOT IGNITER COVER TOP-PIC | PILOT IGNITER GLOW PLUG TOP-PAGE |
![]() | ||
| 12V TRANSFORMER OPT-12V | BLUETOOTH CONTROLLER TOP-500BLU | PILOT ORIFICE(S) TOP-PI23 | #23 ORIFICE MINI CAPACITY UNITS TOP-PI30 | #30 ORIFICE STANDARD & HIGH CAPACITY UNITS |
WARRANTY
The Outdoor Plus Company (TOP) warranties fire pits against manufacturing defects that prevent safe and correct function as follows:
- Stainless Steel or Brass Burner Rings: Lifetime Warranty
- Stainless Steel Pan, Electronics, Gas Valves, Pilot Assembly: Commercial – 6 Months; Residential – 12 Months
- This commences from the date of the original sale/shipment from The Outdoor Plus
- This warranty is for the parts and in-house (TOP) labor. The defective product must be sent back to TOP with a Return Merchandise Authorization (RMA) issued by TOP for that specific product and any other additional information for the nature of the defect or warranty claim
- The warranty does not cover items that have been damaged by overheating, modification, abuse, or improper storage.
- Any labor involving installation or maintenance of the unit is not covered.
- This warranty excludes claims for consequential, indirect-collateral expenses arising from the product’s defects or warranty recovery.
- This warranty is only applied to original purchases.




















