



FIRE PIT MANUAL
WARNING FOR PROPANE APPLICATIONS:
The Outdoor Plus does NOT recommend using any Fire Glass, Sand, or fire media with any PROPANE Fire/Fire & Water Feature. Liquid Propane (LP) is a heavier gas than air, and applying fire glass allows the gas to pool in the fire pit enclosure and burn area which creates back pressure, this is extremely dangerous and can result in injury or death.
VENTILATION WARNING:
The Outdoor Plus REQUIRES having sufficient air flow and cross-ventilation for any fire feature installation. Venting is required to dissipate heat and any residual fuel. 1 Square Inch of cross-ventilation is REQUIRED for every 25,000 BTUs. Failure to provide proper ventilation could result in overheating, injury, death, and/or explosion.
SAFETY WARNINGS
| Do not store or use gasoline, or other flammable vapors and liquids, in the vicinity of this or any other appliance. An LP-cylinder not connected for use shall not be stored in the vicinity of this or any other appliance. |
| If you smell gas: > Shut off gas to the appliance > Extinguish any open flame > If odor continues, keep away from the appliance and immediately call your gas supplier or fire department. |
| FOR OUTDOOR USE ONLY. |
| Carbon Monoxide Hazard This appliance can produce carbon monoxide which has no odor. Using it in an enclosed space can kill you. ![]() Never use this appliance in enclosed space such as a camper, tent, car or home. |
| Improper installation, adjustment, alteration, service or maintenance can cause injury or property damage. Read the installation, operating and maintenance instructions thoroughly before installing or servicing this equipment. |
| CALIFORNIA PROP 65 WARNING: This product can expose you to chemicals including Lead and Lead Compounds, which are known to the state of California to cause cancer, and Carbon Monoxide, Lead and Lead Compounds which are known to the state of California to cause birth defects or other reproductive harm. For more information go to www.P65Warnings.ca.gov. |
| Do not use charcoal or other solid fuel in gas burning appliances. Do not use your fire pit for cooking. Do not heat any unopened glass or metal container of food in the fire pit. Pressure may build up and cause the container to burst, possibly resulting in serious personal injury or damage to the fire pit. Never use the fire pit in windy conditions. If used in a consistently windy area a windbreak will be required. Always adhere to the specified clearances listed in this manual. Never allow clothing or other flammable materials come in contact with any hot surface until it has fully cooled. Never wear loose fitting or hanging garments while using your fire pit. Fabric may ignite and result in personal injury. |
| Propane gas source to the fire pit must be regulated. Do not operate if regulator has been removed. Fire or explosion can occur. |
| While the fire pit is operating, the outside surface may reach high temperatures which may cause burns. Never leave children unattended in the area where the fire pit is being used. Close supervision of children is necessary when any appliance is used near children. Never leave the fire pit unattended when in use. When using the fire pit, do not touch the rock, fire screen, or immediate surroundings, as these areas become extremely hot and could cause burns. Do not reach over your fire pit when hot or in use. Do not store items of interest to children around or below the fire pit. Never allow children to sit or stand on any part of the fire pit. |
| In the event that a burner goes out, turn burner knobs to the full OFF position and let the gas dissipate. Do not attempt to use the fire pit until the gas has had time to dissipate. |
| Keep all electrical supply cords away from the heated areas of the fire pit. Clothing or other flammable materials should not be hung from the appliance, or placed on or near the appliance. |
GAS REQUIREMENTS
LIQUID PROPANE
Your Outdoor Plus fire pit is not provided with a propane tank. You will need to provide one. Use these specification for purchasing your propane tank:
SPECIFICATIONS
The 20 lb propane gas supply cylinder is constructed and marked in accordance with the specifications for propane gas cylinders as required by the U.S. Department of Transportation (DOT), Specifications for LP-Gas Cylinders, or the Standard for Cylinders, Spheres and Tubes for Transportation of Dangerous Goods and Commission, CAN/CSA B339, as applicable.
Manifold Pressure: For plumbed-in liquid propane installation, use a regulator.
Supply Pressure:
Natural Gas:
Minimum 3.5” W.C. / 1/8 PSI
Nominal 7.0″ W.C. / 1/4 PSI
Maximum 14.0” W.C. / 1/2 PSI
Liquid Propane:
Minimum 8.0” W.C. / 1/3 PSI
Nominal 11.0″ W.C. / 1/2 PSI
Maximum 14.0” W.C. / 1/2 PSI
Pressure Regulator: The unit must be used with the supplied gas pressure regulator and hose assembly. The regulator will control and maintain a uniform gas pressure in the manifold. The burner orifice has been sized for the gas pressure delivered by the regulator. Replacement pressure regulator and hose assemblies must be those specified in this manual.
Cylinder Specification: Any propane gas supply cylinder used with this fire pit must be approximately 12 inches in diameter and 18 inches high. The maximum fuel capacity is 20 lbs. of propane, or 5 gallons. Full cylinder weight should be approximately 38 lbs. (43.7 lbs. nominal water capacity.) Always use the cylinder dust cap on the cylinder valve outlet during transport and when the cylinder is not connected to the fire pit. The 20 lb propane gas cylinder used must include a collar to protect the cylinder valve.
Filler Valve: If you do not have an updated filler valve on your existing propane tank, you will need to purchase one at your local hardware store, as you will not be allowed to refill the tank at any filling station.
NATURAL GAS
Ensure that the service supplying the fire pit is fitted with a conveniently positioned shut off valve with easy access. The shut off valve MUST NOT be inside the appliance!
REQUIREMENTS
Always check the rating plate to make sure the gas supply you are hooking up to is the gas type the fire pit is manufactured for.
The installation of this appliance must conform with local codes or, in the absence of local codes, to the National Fuel Gas Code, ANSI Z223.1, NFPA 54; National Fuel Gas Code; Natural Gas and Propane Installation Code, CSA B149.1; or Propane Storage and Handling Code, CSA B146.2, as applicable. Natural gas connection must be performed by a licensed contractor or local gas company representative.
Ensure that the service supplying the fire pit is fitted with a conveniently positioned shut off valve with easy access.
PRESSURE TESTING
If this fire pit is installed with a fixed fuel piping system and equipped with an appliance gas pressure regulator, the fire pit and its individual shutoff valve must be disconnected from the gas supply piping system during any pressure testing of the system at test pressures in excess of 1/2 psi
The fire pit must be isolated from the gas supply piping system by closing its individual manual shutoff valve during any pressure testing of the gas supply piping system at test pressures equal to or less than 1/2 psi
SET-UP
- Place the fire pit in a desired location
- Connect the gas line:
2.1 Connection for Liquid Propane
2.2 Connection for Natural Gas - Perform a leak test
- Place the decorative stone in the fire pit
If you use natural gas, you are responsible for ensuring that a gas line is installed and safe for use. We recommend that a licensed contractor install your fire pit.
This appliance, when installed, must be electrically grounded in accordance with local codes or, in the absence of local codes, with the National Electrical Code, ANSI/NFPA 70; or the Canadian Electrical Code, CSA C22.1, if applicable.
STEP 1
PLACE THE FIRE PIT IN A DESIRED LOCATION
The Outdoor Plus fire pits are designed for outdoor use only.
Never place this appliance in a building, garage, or any other enclosed room or under a sealed overhead structure, or in any type of enclosed area such as a garage, shed, or breezeway. Keep clear of trees and shrubs.
Do not place fire pit under or near windows or vents that can be opened into your home.
Maintain sufficient distance as to not overheat any overhead combustible material such as a patio cover.
The area surrounding your fire pit should be kept clean and free from flammable liquids and other combustible materials such as mops, rags or brooms, as well as solvents, cleaning fluids, and gasoline.
Do not block the vents located near the base of your fire pit as gas may build up in case of leak and cause serious damage.
Do not locate appliance where it can get excessively wet. Do not use this appliance if any part has been underwater. Immediately call a qualified service technician to inspect the unit and to replace any part of the control system and any gas control which has been underwater.
Place your fire pit on a flat and stable surface in an outdoor location such as a patio deck.
Maintain the following clearances to combustible materials:
Sides and back 48 inches (122 cm) measured from side
Top 96 inches (244 cm) measured from hearth
Ventilation
Fresh air must be able to pass though installed vents to safeguard against residual gas accumulation. Failure to allow proper ventilation may cause fire or explosion. Place the fire pit on a solid platform such as concrete to allow air flow through vents in the bottom. The vents must never be allowed to be obstructed. (See the Clearance from Combustibles page at the end of the manual.)
Placement for Natural Gas
If you are planning to use natural gas, you may choose to locate the fire pit in a permanent location in order to hide the gas line. If you bury the gas line, you will need a gas riser about 10″ above the ground. You will also need to have a gas valve located OUTSIDE the fire pit in order to shut off gas to the fire pit.
We strongly recommend having a licensed contractor install your gas line.
STEP 2
CONNECT THE GAS LINE
Location of Gas Inlet
This applies to both liquid propane and natural gas installation.
Your fire pit will come Pre-Plumbed for the appropriate gas feature that has been ordered
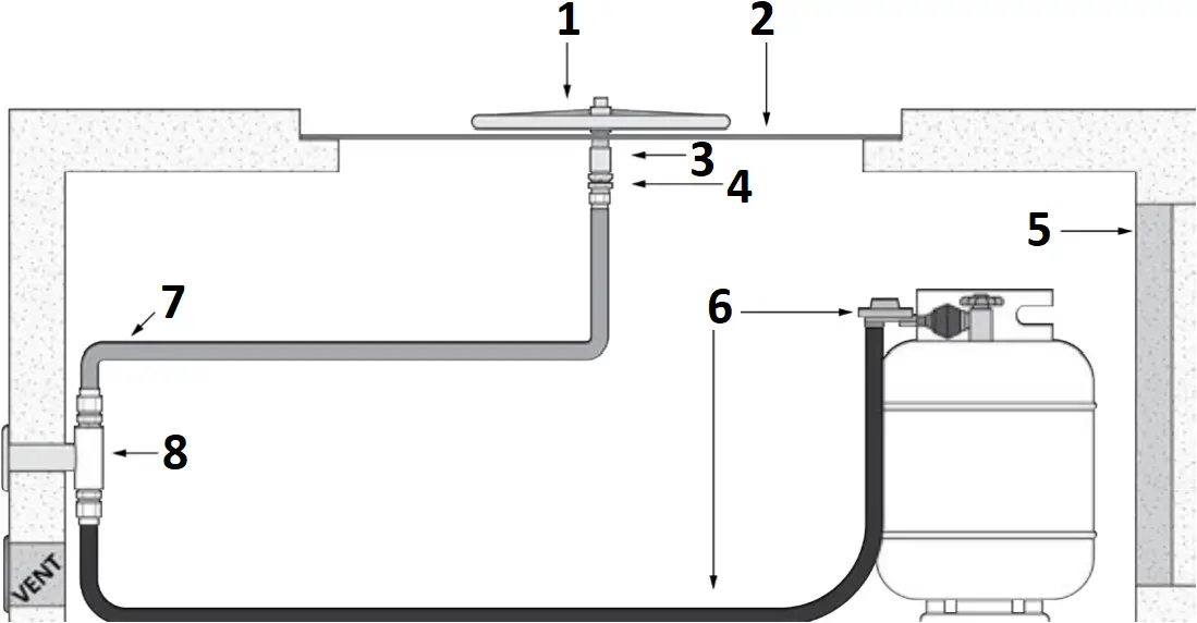
FIRE PIT – MATCH LIT IGNITION- LP

- FIRE RING
- STAINLESS STEEL FLAT PAN
- COUPLING & NIPPLE
- LP ORIFICE & AIR MIXER
- DOOR
- PROPANE TANK & REGULATOR
- WHISTLE FREE HOSE
- GAS VALVE
*This diagram is for units with access doors, NOT units without access doors. You may have to place a propane tank EXTERNALLY.
STEP 2.1
CONNECTION FOR LIQUID PROPANE
Unless you have a permanent liquid propane gas line installed, you will need to bring the black gas line under the fire pit through the ventilation. See Figure B.
For LP applications all you will have to do is connect the LP regulator to your propane tank. Please ensure you perform a leak test as items may have shifted during transit.
Before you set the burner plate in place, check the air mix fixture connected under the burner plate. The air mix fixture has six holes that regulate the amount of air that goes to the burner. When the nut is rotated forward to cover the six holes, the burner is configured for liquid propane. Make sure the air mix appears the way it does in Figure C.
Perform a leak test before you replace the burner plate. (See Step 3.)
Connect the black liquid propane hose to a gas cylinder. Use a QCC-1 propane connector with a regulator. When you connect the regulator to the tank valve, hand tighten the black QCC-1 nut clockwise. DO NOT use a wrench to tighten.


STEP 2.2
CONNECTION FOR NATURAL GAS
The Outdoor Plus fire pits are shipped from the factory equipped to burn on the gas that has been ordered.
The flex line that runs from the igniter to the burner has been connected at the factory. You will only need to connect the natural gas line from the igniter to the gas source, as shown in the Figure D.
Before you set the burner plate in place, make sure the air mix fixture is connected underneath the pan max 6″ away from an open flame. The air mix fixture is required for liquid propane but not for natural gas. (See Step 2) Make sure the flex hose is connected to the burner as shown in Figure E.
Perform a leak test before you replace the burner plate. (See Step 3)
Connect to the gas source.


- WHISTLE FREE HOSE
- GAS VALVE
- DOOR
LOCATING THE GAS LINE
Make sure the gas line is out of pathways where people may trip over it and not in areas where the hose may be subject to accidental damage. This applies to both natural gas and liquid propane gas lines.
STEP 3
PERFORM A LEAK TEST
Perform a leak test at least once a year whether the gas supply cylinder has been disconnected or not. In addition, whenever the gas cylinder is connected to the regulator or whenever any part of the gas system is disconnected or replaced, perform a leak test.
As a safety precaution, remember to always leak test your fire pit outdoors in a well-ventilated area. Never smoke or permit sources of ignition in the area while doing a leak test. Do not use a flame, such as a lighted match to test for leaks. Use a solution of soapy water.
1. Prepare a leak testing solution of soapy water by mixing in a spray bottle one part liquid soap to one part water.
2. Make sure all the control knobs are in the OFF position.
3. Turn on the gas.
4. Apply the leak-testing solution by spraying it on joints of the gas delivery system. Blowing bubbles in the soap solution indicates that a leak is present.
5. Stop a leak by tightening the loose joint or by replacing the faulty part with a replacement part recommended by the manufacturer. Do not attempt to repair the cylinder valve if it is damaged. The cylinder must be replaced.
6. Turn the control knob back to the full OFF position. If you are unable to stop a leak: Please consult a gas specialist.
8. Shut off the gas supply to the fire pit and release pressure in the hose and manifold.
9. On propane systems, remove the cylinder from the fire pit.
10. Call/consult an authorized gas appliance service technician or an liquid propane gas dealer.
Do NOT use the appliance until the leak is corrected.





STEP 4
PLACING DECORATIVE STONE
After you have completed all plumbing installation, you can fill the fire bowl with the decorative filler material.
Type of filler placement, such as lava rock, decorative stone or glass, is entirely your choice according to your preferences, but it needs to be rated for use with fire. It will not affect the operation of the fire pit in any way. You can place the filler material on the burner, but no higher than 1″ thick above the burner. Excessive filler material may impede gas flow and cause gas build-up and potentially cause an explosion.

WARNING FOR PROPANE APPLICATIONS:
The Outdoor Plus does NOT recommend using any Fire Glass, Sand, or fire media with any PROPANE Fire/Fire & Water Feature. Liquid Propane (LP) is a heavier gas than air, and applying fire glass allows the gas to pool in the fire pit enclosure and burn area which creates back pressure, this is extremely dangerous and can result in injury or death.
GAS SPECIFICATIONS
PRESSURE | NATURAL GAS | PROPANE |
| MINIMUM | 3.5° W.C. | 8.0° W.C. |
NOMINAL | 7.0° W.C. | 11.0° W.C. |
| MAXIMUM | 1/ 2 psi (14.0° W.C) | 1/2 psi (14.0° W.C) |
NG TO LP PARTS
NAME | PART NUMBER | QUANTITY |
| AIR MIX ORIFICE | OPT-232A | 1 |
LP REGULATOR HOSE | OPT-1300 | 1 |
LP TO NG PARTS
NAME | PART NUMBER | QUANTITY |
| NATURAL GAS ORIFICE | OPT-NG012 | 1 |
1/2″ 36″ WHISTLE-FREE HOSE | OPT-241 | 1 |
OPERATING THE FIRE PIT
| DO NOT USE SOLID FUEL, SUCH AS WOOD OR CHARCOAL, IN GAS FUELED FIRE PITS. |
PURGE GAS LINES
Upon completing the gas line connection, a small amount of air will be in the lines. When the first lighting the burner, it will take a few seconds for the lines to purge themselves of this air.
Once the purging is complete, the burner will light and operate as indicated in the instruction manual. Subsequent lighting of the appliance will not require purging unless the gas supply has been disconnected.
Inspect the gas hose before each use of the fire pit. If the hose shows evidence of excessive abrasion or wear or if the hose is damaged, it must be replaced before using the fire pit. Inspect the burner before each use of the appliance. If there is any evidence that the burner is damaged, it must replaced before operating. Upon completing the gas line connection, a small amount of air will be in the lines. When first lighting the burner, it will take a few minutes for the lines to purge themselves of this air. Subsequent lighting of the appliance will not require such purging. Never allow the ON / OFF valve to remain in the open position without placing a burning match on top of the burner FIRST!
You must have clear and easy access to the ON / OFF valve AFTER the appliance is installed and connected to the gas supply in order to safely turn of the burner. Make sure the burner is in place prior to using the appliance. If the burner is damaged, install a replacement burner as specified by the manufacturer.
FOR YOUR SAFETY, READ BEFORE LIGHTING.
> Before operating smell all around the appliance area for gas odors and next to the floor because some gases are heavier then air and will settle on the floor.
> Use only your hand to turn the manual gas control valve. Never use tools. If the valve will not turn by hand, do not try to repair it. Call a qualified service technician. Force or attempted repair may result in a fire or explosion.
LIGHTING INSTRUCTIONS
- Turn the ON/OFF valve located on the side of fire pit completely to the ON position.
- Make sure fuel supply (LP or NG) is properly connected and turned on at the source. This will be either the LP tank or the NG valve.
- When you hear gas flowing, using either a long stem wooden match or a butane fireplace lighter, place the flame near the burner.
- If the burner does not light, does not stay lit, or the flame is very low, shut off all gas supply and wait five minutes to allow all gas fumes to clear. Start again from step 1, making sure all gas valves are completely opened.
TURNING OFF GAS
For NG units: Turn the ON/OFF valve to the OFF position at the unit for natural gas unit, then close the valve at the NG source.
For propane units: Turn the ON/OFF valve to the OFF position at the unit and then close the valve on the propane tank.
Note:
The propane regulator in this appliance is equipped with a low flow protection device. Unless the propane cylinder valve is opened before the valve, the gas flow will be reduced resulting in a very small flame. To reset this device, shut off the valve, disconnect the hose from the cylinder to relieve the pressure, then close the propane cylinder valve.
GAS CONVERSION
If you have been using your fire pit and choose to use a different type of fuel, you can convert your fire pit to use either liquid propane or natural gas any time you wish.
Before you begin, read the gas requirement on page page 4. Fire pit owners who convert from liquid propane need to have a proper natural gas line installed, preferably by a licensed contractor.
Make sure the fire pit is cool and all gas lines have been shut off. Remove the decorative stone from the fire pit. Lift the burner plate out of the fire pit and locate the air mix connector attached to the burner.
After you have finished, set the burner plate back in place and connect to a fuel source. Perform a leak check before you use the fire pit.
FOR LIQUID PROPANE:
Liquid propane requires the air mix fixture connected to the burner.
Make sure the brass ring back is rotated back to expose the six holes in the air mix fixture. (See Figure L.)
FIGURE L
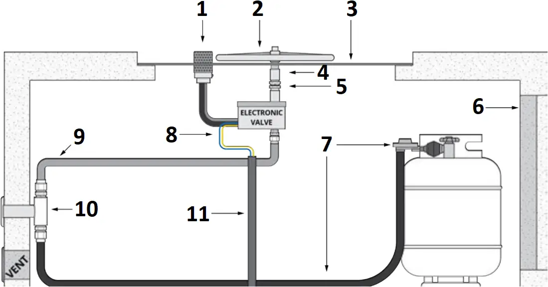
FIRE PIT – ELECTRONIC IGNITION- LP

- PILOT
- FIRE RING
- STAINLESS STEEL FLAT PAN
- COUPLING & NIPPLE
- LP ORIFICE & AIR MIXER
- DOOR
- PROPANE TANK & REGULATOR
- LOW VOLTAGE LEADS
- WHISTLE FREE HOSE
- GAS VALVE
- ELECTRICAL CONDUIT
FIRE PIT – MATCH LIT IGNITION- LP

- FIRE RING
- STAINLESS STEEL FLAT PAN
- COUPLING & NIPPLE
- LP ORIFICE & AIR MIXER
- DOOR
- PROPANE TANK & REGULATOR
- WHISTLE FREE HOSE
- GAS VALVE
*This diagram is for units with access doors, NOT units without access doors. You may have to place a propane tank EXTERNALLY.
FOR NATURAL GAS:
Remove the air mix fixture and replace it with an NG orifice.
The NG orifice is required to prevent excessive gas flow. (see Figure M.)
Attach the NG flex line to the burner with a 1/2″ adapter.
FIGURE M
FIRE PIT – ELECTRONIC IGNITION- NG

- PILOT
- FIRE RING
- STAINLESS STEEL FLAT PAN
- COUPLING & NIPPLE
- NG ORIFICE
- DOOR
- WHISTLE FREE HOSE
- ELECTRICAL CONDUIT
- LOW VOLTAGE LEADS
- GAS VALVE
FIRE PIT – MATCH LIT IGNITION- NG

- PILOT
- FIRE RING
- STAINLESS STEEL FLAT PAN
- COUPLING & NIPPLE
- NG ORIFICE
- DOOR
- WHISTLE FREE HOSE
- GAS VALVE
CLEANING, MAINTENANCE & STORAGE
CLEANING
Inspect the appliance before initial use. Clean the appliance at least annually and have it inspected by a qualified field service person.
Periodically examine the burner. If the burner is dirty, clean it with a soft wire brush. Remove any dirt or debris in this area. This will ensure long life and trouble-free operation.
The easiest way to clean the fire pit is to let it cool completely off. Spray the enclosure off with water. Note: Do NOT spray water directly onto the burner and igniter. and wipe clean with a dry cloth.
When not in use and after cooling, cover your fire pit with a full length cover. The cover will help protect your fire pit from detrimental effects of weather and environmental pollutants (see your local Outdoor Plus dealer for details).
Before placing the cover on the fire pit, make sure the unit is shut off, that the gas lines are disconnected and that the unit has had sufficient time to cool.
More frequent cleaning may be required as necessary. It is imperative the control compartment, burner and circulation air passageways of the appliance be kept clean and free.
MAINTENANCE
Periodically check the hose connecting the propane gas cylinder to ensure it is not cracked or damaged in any way. All natural gas hook-ups should be serviced and inspected only by qualified installers only.
Spiders and other insects can nest in the burners and block the gas and airflow to the burner ports. This creates a dangerous condition that can result in a fire from behind the valve panel. Inspect and clean the burners periodically.
Any guard or other protective device removed for servicing the appliance must be replaced prior to operating the appliance.
Inspect the fuel supply connection for signs of leakage (including the hose for propane models) before each use of the appliance.
Do not repair or replace any part of your fire pit. Have a qualified technician perform all service. Any repairs made by a non-approved service technician will void your warranty.
STORAGE
When your fire pit is not in use, turn off the gas at the source.
This appliance can be store indoors only if it has been disconnected from its fuel supply.
Store propane cylinders outdoors in a well-ventilated area out of reach of children. Disconnected cylinders must have threaded valve plugs tightly installed and must not be stored in a building, garage, or any other enclosed area.
To extend the life of your fire pit, protect and cover it from the elements when not in use. (See Figure N) Ensure the appliance has ample time to cool off after use and prior to installing storage cover. Damage caused to storage cover due to heat or burns are not covered by warranty.

REPLACEMENT PARTS
A complete catalog of products and replacement parts available from The Outdoor Plus can be found online at www.theoutdoorplus.com You can find a full range of products and accessories, including:
> Burners: Pan burners, H burners, fire pit rings.
> Decorative glass and ecoglass.
> Fireplaces, fire pits, fire tables, fire bowls, custom fire burners and custom pan burners.
> BBQ islands.
Custom items are always available contact us at (909) 460-5579 or send us a message at [email protected]

ONE YEAR LIMITED WARRANTY
This product is warranted to be free from defects in material and workmanship for one year from the date of purchase.
If a part proves to be defective under normal use, the part will be repaired or replaced. Our obligation under this warranty is to repair or replace defective parts at our discretion. If we determine that repair of a covered item is not feasible, we reserve the right to replace the defective merchandise with merchandise equal in value to the original purchase price. Warranty repair or replacement are the sole discretion of The Outdoor Plus and this warranty does not cover costs therein, including but not limited to: freight, removal, re-installation, etc.
There will be no charge for parts on a covered item, however, cost of labor is the responsibility of the owner. Shipping and handling charges will apply to all warranted replacement parts. The service agent may assess a reasonable travel or mileage charge per service call.
This warranty is non-transferable.
Decorative stones and decorative glass are not covered by this warranty.
This warranty is void if the fire pit has been subject to negligence, alteration, misuse, repairs, dings, dents, scratches, or incorrect and / or prohibited applications as specified in the owner’s manual. Natural gas lines must be installed by a licensed plumber only or local gas company agent.
For more information regarding the warranty please send any questions to [email protected].
CLEARANCE FROM COMBUSTIBLES
INSTALLATION
We suggest that our products be installed by professionals that are locally licensed by the authority having jurisdiction in gas piping.
FLOORING
All fire pits and fire features must be installed on noncombustible flooring. If the fire feature is installed on a combustible floor, such as wood decking, a noncombustible floor paneling MUST be properly installed underneath the fire unit.
SERVICE
We suggest that our products be serviced by a professional certified in the US by the National Fireplace Institute (NFI) as NFI Gas Specialists.


- Min. 48″ Clearance
- Min. 96″ Clearance
- Min. 12″ Clearance from the floor
- Electronic & Gas Leads
- Electronic System
- Non-Combustible Flooring
- Non-Combustible Floor Paneling
(Only when floor is combustible) - Air Vent
PHONE: (909) 460-5579 | THEOUTDOORPLUS.COM | 235 E MAIN ST. ONTARIO, CA 91761


















