Q10TRIM 10x Optical Zoom Laser Rangefinder with Tracking Gimbal Camera
![]()
Q10TRIM 10x Optical Zoom EO + IR Dual-Sensor Laser Rangefinder Object Tracking Gimbal Camera User Manual
Disclaimer and Warning
Congratulations on purchasing your new Viewpro product. Please read this entire document carefully. Failure to read or follow instructions and warnings in this document may result in damage to your Viewpro product. Disassemble the gimbal camera by user is not permitted, as which may cause the camera does not work normally.
Viewpro accepts no liability for damage, injury or any legal responsibility incurred directly or indirectly from the use of this project. The user shall observe safe and lawful practices including, but no limited to, those set forth in the manual.
Legends
Warning
Important Note
1. Product Introduction
Introduction
Q10TRIM is widely used in UAV industries of public security, electric power, fire fighting, zoom aerial photography, and other industrial applications.
In the Box
A. Standard Version
- Gimbal Camera x 1 pc
- USB to TTL Cable x 1 pc
- Copper Cylinder x 4 pcs
- Power Cable x 1 pc
- M3 Screw x 8 pcs
B. Viewport Version
- Gimbal Camera x 1 pc
- Copper Cylinder x 4 pcs
- Power Cable x 1 pc
- PWM Control Cable x 1 pc
- USB to TTL Cable x 1 pc
- TTL / S.BUS Control Cable x 1 pc
- TTL Connect Cable x 3 pcs
- Ethernet Cable x 1 pc
- M3 Screw x 8 pcs
Installation Instruction
Overview
Please ensure that there isn’t any obstacle while the motor rotating. Please remove the obstacle immediately if gimbal camera is blocked during rotation. Don’t put the infrared thermal camera towards the sun in case any burn to the camera.
Control Box Printing (Standard Version)
- PITCH YAW
- MODE ZOOM FOCUS PIC/REC MULTI
- AV
- 5V output GND
- USB
- TX RX GND
- 123
- Yellow Jumper Cap
The input voltage cannot be higher than 6S. The pin insertion interface cannot be connected with power supply. The yellow jumper cap cannot be removed.
Control Box Printing (Viewport Version)
Front Side
- PITCH YAW
- MODE ZOOM FOCUS/PPM PIC/REC MULTI
- 5V GND CVBS
- 3S-6S GND
- POWER
Left Side
- PWM
- GND CANL CANH DC5V
- GND 5V
- S.BUS TTX GND RXD TXD
- RXRX+ TXTX+
- ETHERNET
- UART & S.BUS
- CAN
Right Side
- 110
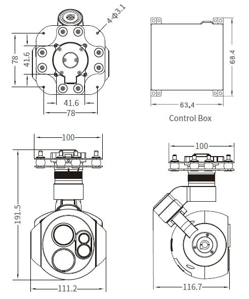
Device Dimensions (Standard Version) Unit: mm
- 62.2 3.5
- 62.2 107
- 107 116.7
- 185.8
- 111.2
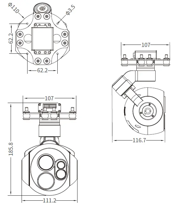
Device Dimensions (Viewport Version) Unit: mm
- 78 41.6
- 4-3.1
- 41.6 78
- 100
Control Box 100 - 191.5
- 111.2
Install Mounting Part
Front
Viewport Release Instruction
- Make sure the two white stripes indicated in the above picture are aligned with each other. (If the stripes are not aligned to each other, please pinch the connector part and turn it to left manually)
Product Usage Instructions
To use the Q10TRIM gimbal camera, follow the steps below:
- Unpack the camera and accessories from the box.
- Install the mounting part on the front of the camera as per the instructions provided in the manual.
- If you have purchased the viewport version, follow the instructions provided in the manual to release the viewport.
- Connect the power cable to a power source with a voltage of less than or equal to 6S.
- If you have purchased the viewport version, connect the Ethernet cable and TTL / S.BUS control cable to the appropriate devices.
- Turn on the camera and use the control box to adjust the pitch, yaw, zoom, focus, and other settings as per your requirements.
- Ensure that there are no obstacles while the motor is rotating. If the gimbal camera is blocked during rotation, remove the obstacle immediately to prevent damage to the camera.
- Do not point the infrared thermal camera towards the sun to avoid any burn to the camera.
If you face any issues while using the Q10TRIM gimbal camera, refer to the manual for troubleshooting steps or contact Viewpro customer support for assistance.
Disclaimer and Warning
Congratulations on purchasing your new Viewpro product. Please read this entire document carefully. Failure to read or follow instructions and warnings in this document may result in damage to your Viewpro product. Disassemble the gimbal camera by user is not permitted, as which may cause the camera does not work normally.
Viewpro accepts no liability for damage, injury or any legal responsibility incurred directly or indirectly from the use of this project. The user shall observe safe and lawful practices including, but no limited to, those set forth in the manual.
Legends
![]()
Product Introduction
Introduction
Q10TRIM is a powerful 3-axis gimbal integrated with a 10x optical zoom camera, a 25mm lens 640*480 IR thermal sensor and a 3km laser rangefinder. It supports visible optical zoom, IR thermal and visible PIP switch, IR color palette switch, photographing and video, target tracking, thermal digital zoom. When the external GPS and time input, the OSD can display angle, zoom times, target GPS location, target distance measured, real-time, tracking frame, photo and video status, also can select to turn off the OSD. It features fast focus and sensitive distance measurement. The high-precision laser rangefinder can accurately resolve the GPS location and distance of the object within 3000 meters. The 3 axis gimbal can achieve stabilization in yaw, roll and pitch. The integrated design of damping system and gimbal can greatly reduce mechanical vibration.
Q10TRIM is widely used in UAV industries of public security, electric power, fire fighting, zoom aerial photography and other industrial applications.
In the Box
![]()
![]()
![]()
![]()
Installation Instruction
Overview
![]()
- Control box
- Upper damping board
- Lower damping board
- Damping ball
- Yaw axis motor
- Roll axis motor
- TF card slot
- Pitch axis motor
- laser rangefinder
- FHD zoom camera
- Infrared thermal camera
- 3-6S power interface
- Micro HDMI interface
- Ethernet interface
- Viewport unlock button
Please ensure that there isn’t any obstacle while the motor rotating.
Please remove the obstacle immediately if gimbal camera is blocked during rotation.
Don’t put the infrared thermal camera towards the sun in case any burn to the camera
Control Box Printing (Standard Version)
![]()
- The input voltage cannot be higher than 6S.
- The pin insertion interface cannot be connected with power supply.
- The yellow jumper cap cannot be removed
Control Box Printing (Viewport Version)![]()
![]()
Device Dimensions (Standard Version) Unit: mm ![]()
Device Dimensions (Viewport Version) Unit: mm
Install Mounting Part
- Find out the arrow on the gimbal which indicating the yaw heading of the payload (i.e. the lens direction when the camera power on), and synchronize with the direction specified by the UAV.
- Fix one end of the copper cylinder on the screw hole of lower damping board, and use M3 screw to fasten it.
- According to the provided screw hole dimension you can make suitable mounting holes on the UAV mounting board, and fixes the other end of the copper cylinder on the mounting board of the UAV (Viewport version is the same).

Viewport Release Instruction ![]()
- Make sure the two white stripes indicated in above picture are aligned with each other. (If the stripes are not aligned to each other, please pinch the connector part and turn it to left manually)

- Align the white dot (unlock icon) to the red triangle (below unlock button), push the gimbal into the Viewport completely and then rotate the gimbal camera anticlockwise.

- When you hear “click” sound (when red dot is aligned to the red triangle) means the gimbal camera and Viewport has been locked.

- To unlock the Viewport, you need to press on unlock button and rotate the gimbal camera clockwise till the white dot align to the red triangle. Then pull the gimbal out from the Viewport.
Install TF Card
TF (Micro SD card): Install the TF card to the card slot (Re. 2.1 Overview). Support max 128GB. Request Class 10 (10m/s) transmission speed or higher and FAT32 or exFAT format.
- Make sure device is power off when inserting the TF card, hot plugging is not supported.
Image Output Interface
- HDMI: micro HDMI output, HD 1080P 60/50/30/25fps, 1080P 60fps as default. (Optional)
- Network: Ethernet output interface, support RTSP/RTMP/UDP/ON-VIF video streaming. Default: RTSP output, IP address: RTSP: //192.168.2.119:554, output resolution: 720P (record in 1080p), frame rate: 25fps, bit rate: 2M.
- SDI: SMA outer screw inner hole interface, 1080P 30fps output.
- AV: no AV output
Above output mode is optional, HDMI and SDI output cannot coexist at the same time. Please subject to your actual product.
When using user interface software Viewlink for network connection, the network of external device (computer) should be the IP address: 192.168.2.2 (choose the last byte among 2~254, can not be 119 same as the gimbal), subnet mask: 255.255.255.0, Default gateway: 192.168.2.1, and all firewalls of the computer must be closed. Then enter the IP address of the gimbal camera, Open Video, the video stream can be outputted.
Signal Control
PWM Control
Control the gimbal camera functions by the multiplex pulse width modulation signal outputted by PWM channel of the remote control receiver. The camera needs up to 6 control channels of PWM (to expand tracking function use up to 7 PWM channels). You can choose needed functions according to actual usage to reduce the required number of PWM channels.
PWM Connection Diagram (Connect pitch channel as example)
Connection Diagram (Standard Version)
Connection Diagram (Viewport Version)
PWM Control Operation Instruction
- Pitch (PWM Pitch channel in to control Pitch. Joystick, rotary knob or 3-gear switch on remote control are optional. 3-gear switch as example.)

- Yaw (PWM Yaw channel in to control Yaw. Joystick, rotary knob or 3-gear switch on remote control are optional. 3-gear switch as example.)

- Mode (PWM Mode channel in to adjust speed control/one key to Home position etc functions. Rotary knob or 3-gear switch on remote control are optional. 3-gear switch as example.)

- Position 1: Low speed mode, control pitch / yaw with this mode at lowest speed
- Position 2: Middle speed mode, control pitch / yaw with this mode at middle speed
- Position 3: High speed mode, control pitch / yaw with this mode at highest speed
(If it is controlled by rotary knob, the speed will change according to switch position)
Function of continuous switching:- Operate 1 time continuously and quickly, from position 2 – 3 – 2, to Home position.
- Operate 2 times continuously and quickly, from position 2 – 3 – 2 – 3, the camera lens looks vertically down.
- Operate 3 times continuously and quickly, from position 2 – 3 – 2 – 3 – 2 – 3 , to disable Follow Yaw Mode (gimbal yaw not follows by frame)
- Operate 4 times continuously and quickly, from position 2 – 3 – 2 – 3 – 2 – 3 – 2 – 3, to enable Follow Yaw Mode (gimbal yaw follows by frame)
- Zoom (PWM Zoom channel in to control Zoom. Joystick, rotary knob or 3-gear switch on remote control are optional. 3-gear switch as example.)

- Focus (PWM Focus channel is to control PIP / IR color palette switch. 3-gear switch as example.)
Switch from Position 2 to 1: Picture in Picture. EO+IR , IR+EO, EO only, IR only.
Switch from Position 2 to 3: IR color switching: white hot, black hot, pseudo color. - Pic/Rec (PWM Pic/Rec channel in to control take picture and record. Joystick, rotary knob or 3-gear switch on remote control are optional. 3-gear switch as example.)
Switch from Position 2 to 1: Take a picture- OSD display ‘REC IMG’ a second.
Switch from Position 2 to 3: Start record / repeat operation to stop record - Start record, the OSD display rec hh:mm:ss.
- Stop record, the OSD display STBY.
- OSD display ‘REC IMG’ a second.
- Multi: IR digital zoom / tracking control
Switch from Position 2 to 1: IR digital zoom, 1x~4x Switch from Position 2 to 3:- Exit the tracking, display the cross cursor. Adjust the cross cursor to lock target object and start tracking
Switch from Position 3 to 2: - Cancel tracking
- Exit the tracking, display the cross cursor. Adjust the cross cursor to lock target object and start tracking
Serial Port / TTL Control
TTL communication requirements: TTL signal is 3.3V, baud rate: 115200, data bit 8, stop bit 1, no parity, HEX send and receive.
Connection Diagram (PC – USB to TTL Cable- Gimbal Camera as example):
Connection Diagram Standard Version
Connection Diagram Viewport Version
Diagram of USB to TTL Cable:
Connect the camera to the upper computer by USB to TTL cable (Adopt connection method of TX to RX, RX to TX, GNG to GND at Dupont ends of the provided USB to TTL cable, connect to the specified TTL of the gimbal, and the USB end of the cable connect to computer).
Install Viewlink control software to test the functions directly. Users may choose to develop their own software, please contact technical support for TTL control protocol file.
ViewLink is a user interface developed by Viewpro for Viewpro gimbal cameras, you can download it from Viewpro website (www.viewpro-tech.com) or ask distributors for installation package.
Connect serial port of gimbal to pins, DO NOT connect with power supply.
The default baud rate of serial port is 115200, which can be changed according to the docking equipment.
S.BUS Control
Control the gimbal camera functions by one combining signals. Connect the external S.Bus to S.Bus port on the control box, and the external S.bus signal GND connect to the GND interface of the control box.
Wiring Diagram (Take Futaba remote control for example):
Wiring Diagram Standard Version
Wiring Diagram Viewport Version
S.Bus control mode: default S.Bus signal channel 9-15 to control gimbal camera functions (the function of channel is consistent with corresponding channel in PWM function description)
- Channel 9: Yaw Control
- Channel 10: Pitch Control
- Channel 11: Mode Control
- Channel 12: Zoom Control
- Channel 13: Focus Control
- Channel 14: Pic/Rec Control
- Channel 15: Multi Backup
![]()
- User can set the channels by setting serial command according to the actual requirement. The S.Bus channel position can be arranged in any sequence within channel 1-15 to connect with the flight controller or remote control.
- TTL control and S.bus control cannot coexist at the same time for standard version. The defualt control is TTL if no requirement. The user can set to S.bus control if needed (please contact with our technical support for the setting instruction.)
TCP control
For Viewpro gimbal cameras with Ethernet output, the default IP address is: 192.168.2.119, control port: 2000. You can send the corresponding protocol to realize TCP control after connecting.
The TCP control protocol is [Frame header: EB + command ID: 90 + data body (serial port protocol) + Checksum (CS = body checksum, checksum is calculated as a sum of all bytes of data body modulo 256)]. Or directly use UI Viewlink to control after TCP connection.
Specification
| Hardware Parameter | |
| Working voltage | 12V |
| Input voltage | 3S ~ 6S |
| Output voltage | 5V (connect with PWM) |
| Dynamic current | 1100mA @ 12V |
| Idle current | 950mA @ 12V |
| Working environment temp | -20℃ ~ +60℃ |
| Output | micro HDMI(1080P 60fps) / IP (720p) |
| Local-storage | TF card (Up to 128G, class 10, FAT32 or ex FAT format) |
| Photo storage format | JPG(1920*1080) |
| Video storage format | MP4 (1080P/720P 25fps/30fps) |
| Control method | PWM / TTL / S.BUS / TCP(IP output) |
| Gimbal Spec | |
| Mechanical Range | Pitch/Tilt: -50°~105°,Roll: ±60°, Yaw/Pan: ±300° / ±360°*N (IP output version) |
| Controllable Range | Pitch/Tilt: -45°~90°, Yaw/Pan: ±290° / ±360°*N (IP output version) |
| Vibration angle | Pitch/Roll: ±0.02°, Yaw:±0.02° |
| One-key to center | √ |
| EO Camera spec | |
| Imager Sensor | 1/3″ Panasonic CMOS Sensor |
| Total pixel | 2.48M |
| Picture quality | Full HD 1080 (1920*1080) |
| Optical zoom | 10x, f = 5.1mm ~ 51mm |
| Digital zoom | 32x |
| Angle of View (D, H, V) | D: 68°(Wide end) ~ 6.7° (Tele end) H: 54°(wide end) ~ 4.9°(tele end) V: 31°(wide end) ~ 4.0°(tele end) |
| Photo storage format | JPG(1920*1080/1280*720) |
| Video storage format | MP4 (1080P/720P 25fps/30fps) |
| Sync system | Progressive Scan |
| Sync. System Internal | Internal |
| S/N ratio | more than 50dB |
| Min illumination | Color : 0.5 lux , BW : 0.1lux Color DSS : 0.125 lux , BW DSS : 0.025 lux |
| Gain Control (AGC) | Off / On |
| White balance | Auto / One Push / Manual / Indoor / Outdoor |
| Shutter speed | 1/30(25) ~ 1/30,000 sec |
| Focus | Auto / One Push / Manual |
| Iris | 0 ~ 20 steps |
| Exposure | Mode / AGC / Shut Speed / Iris / DSS / Flickerless / Brightness / WDR/BLC / D&N |
| Defog | Yes |
| OSD | Yes |
| IR Thermal Imager Spec | |
| Focus Length | 25mm |
| Horizontal FOV | 24.6° |
| Vertical FOV | 18.5° |
| Diagonal FOV | 30.4° |
| Detective Distance (Man: 1.8×0.5m) | 735 meters |
| Recognize Distance (Man: 1.8×0.5m) | 184 meters |
| Verified Distance (Man: 1.8×0.5m) | 92 meters |
| Detective Distance (Car: 4.2×1.8m) | 2255 meters |
| Recognize Distance (Car: 4.2×1.8m) | 564 meters |
| Verified Distance (Car: 4.2×1.8m) | 282 meters |
| Working mode | Uncooled long wave (8μm~14μm) thermal imager |
| Detector pixel | 640*480 |
| Pixel size | 17μm |
| Focusing method | Athermal prime lens |
| Emissivity correction | 0.01~1 |
| NETD | ≤50mK (@25℃) |
| MRTD | ≤650mK (@characteristic frequency) |
| Image enhancement | Auto adjust image brightness and contrast ratio |
| Color palette | White, iron red, pseudo color |
| Auto Non-uniform correction | Yes (no shutter) |
| Digital zoom | 1x ~ 4x |
| Sync correct time | Yes |
| Thermometry type | Temperature bar (psudo color display) max temp, min temp, FOV center temp (Optional) |
| Temperature warning | ‘0℃~120℃ (For thermometry version only) |
| Laser Rangefinder | |
| Laser Wavelengths | 1550nm |
| Optical aperture | Transmit 13mm / Receive17 mm |
| Resolution | 0.75m |
|
Measure ability | 3000m (Typical value 1:
|
| Vehicle target measuring | 2300m (Typical value 2:
|
| Eye-safe | Class 1【Standard IEC 60825-1, Second Edition (2007-03)】 |
| Laser beam angle (Typical value) | 1.0 mrad |
| Accuracy (Typical value) | ± 0.75m |
| Accuracy (In harsh condition) | ± 2m |
| Measurement frequency | 2Hz |
| Multi-target measuring | Max.3 targets distance values returning |
| Object resolution (Typical value) | 30m |
| EO/IR Camera Object Tracking | |
| Update rate of deviation pixel | 50Hz |
| Output delay of deviation pixel | 5ms |
| Minimum object contrast | 5% |
| SNR | 4 |
| Minimum object size | 32*32 pixel |
| Maximum object size | 128*128 pixel |
| Tracking speed | ±48 pixel/frame |
| Object memory time | 100 frames (4s) |
| The mean square root values of pulse noise in the object position | < 0.5 pixel |
| Packing Information | |
| N.W. | 939g / 994g (Viewport version) |
| Product meas. | 111.2*116.7*1951.5mm (Standard Version) (Viewport version) |
| Accessories | 1pc gimbal camera device, 8pcs screws, 4pcs copper cylinders, 4pcs damping balls,1pc USB to TTL cable / Hight quality plastic box with foam cushion |
FAQ
- How to deal with whitening visible image of Q10TRIM in foggy weather?
A: Enable defogging mode. - Does Q10TRIM support taking photos during recording?
A: Yes. - How to set the storage format of Q10TRIM?
A: When the IP output resolution is set to 1280*720, the storage resolution is 1920 * 1080; Storage resolution is 1280 * 720 when the IP output resolution is set to 1920*1080; The video frame rate saved in the TF card is the same with the one set during IP output. The frame rate is 25fps or 30fps for optional. - Does Q10TRIM support simultaneous TCP control for multiple devices?
A: Yes. - How to switch the target position or the current aircraft position of OSD for Q10TRIM?
A: Send the serial command for switching. After command is sent successfully, reboot gimbal to save setting.
Display the target GPS position “AA 55 0F 31 FF”, display the current GPS position of the aircraft “AA 55 0F 30 FF”.


















