
A30TR AI 30x EO + IR Dual-Sensor Laser Rangefinder
Object Tracking Gimbal Camera
User Manual


http://www.viewprotech.com
For more details please scan the QR code or visit our website: www.viewprotech.com
Disclaimer and Warning
Congratulations on purchasing your new Viewports product. Please read this entire document carefully. Failure to read or follow instructions and warnings in this document may result in damage to your Viewport product. Disassemble the gimbal camera by user is not permitted, as which may cause the camera does not work normally.
Viewports accepts no liability for damage, injury or any legal responsibility incurred directly or indirectly from the use of this project. The user shall observe safe and lawful practices including, but no limited to, those set forth in the manual.
Legends

Warning Important Note
Product Introduction
Introduction
A30TR is a 3-axis dual-sensor AI gimbal camera with laser rangefinder, which integrated with an AI object identification and tracking module, features 30x optical zoom, 19mm 640*512 IR thermal and 1500m Laser rangefinder.
The highlight of A30TR is the AI object identification and tracking module, with which A30TR can realize car, human automatic recognition and tracking, the simultaneous detection quantity of objects are more than 10.
A30TR supports IR thermal and EO PIP switch, IR color palette switch, photographing and video, target tracking, thermal digital zoom and so on, also Geo-tagging is supported.
Features aluminum alloy housing and anti-interference, the 3 axis gimbal can achieve stabilization in yaw, roll and pitch. The integrated design of damping system can greatly reduce mechanical vibration.
A30TR is widely used in UAV industries of public security, electric power, fire fighting, disaster prevention, emergency monitoring and inspection, search and rescue, zoom aerial photography and other industrial applications.

In the Box
| Gimbal Camera x 1 pc | USB to TTL Cable x 1 pc | ||
| Copper Cylinder x 4 pcs | M3 Screw x 8 pcs | ||
| Power Cable x 1 pc |
B. Viewport VersionGimbal Camera x 1 pc ![]()
USB to TTL Cable x 1 pc ![]()
Copper Cylinder x 4 pcs ![]()
M3 Screw x 8 pcs ![]()
Power Cable x 1 pc ![]()
PWM Control Cable x 1 pc ![]()
TTL / S.BUS Control Cable x 1 pc ![]()
TTL Connect Cable x 3 pcs ![]()
Ethernet Cable x 1 pc ![]()
Installation Instruction
2.1 Overview

- Control box
- Upper damping board
- Lower damping board
- FHD zoom camera
- Infrared thermal camera
- laser rangefinder
- Damping ball
- Yaw axis motor
- Roll axis motor
- TF card slot
- Pitch axis motor
- 3-6S power interface
- Micro HDMI interface
- Ethernet interface
- Viewport unlock button
- Please ensure that there isn’t any obstacle while the motor rotating.
- Please remove the obstacle immediately if gimbal camera is blocked during rotation.
- Don’t use laser ranging against glass within 5meters.
- Don’t put the infrared thermal camera towards the sun, magma, laser, etc. in case any burn to the camera.
2.2.1 Control Box Printing (Standard Version)

- The input voltage cannot be higher than 6S.
- The pin insertion interface cannot be connected with power supply.
- The yellow jumper cap cannot be removed
2.2.2 Control Box Printing (Viewport Version)

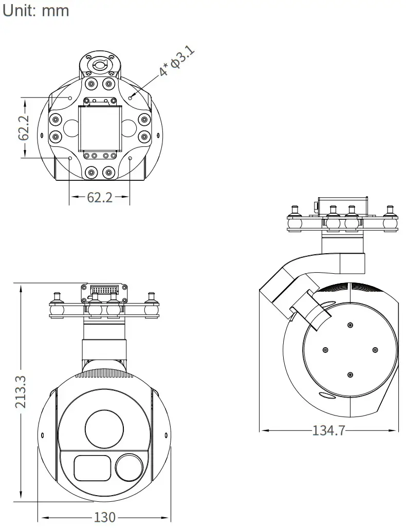
2.3 Device Dimensions (Standard Version)

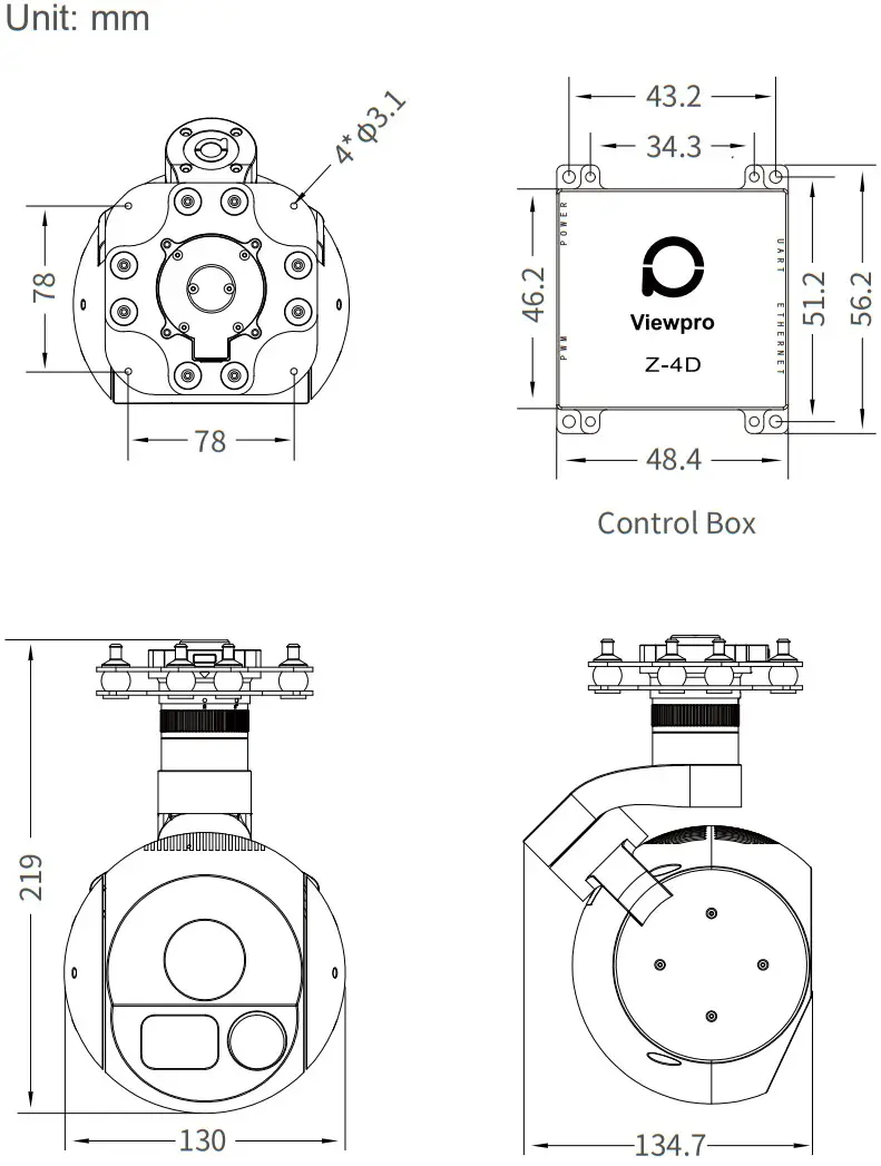
2.3 Device Dimensions (Viewport Version)

2.4 Install Mounting Part
- Find out the arrow on the gimbal which indicating the yaw heading of the payload (i.e. the lens direction when the camera power on), and synchronize with the direction specified by the UAV.
- Fix one end of the copper cylinder on the screw hole of lower damping board, and use M3 screw to fasten it.
- According to the provided screw hole dimension you can make suitable mounting holes on the UAV mounting board, and fixes the other end of the copper cylinder on the mounting board of the UAV (Viewport version is the same).

2.5 Viewport Release Instruction

- Make sure the two white stripes indicated in above picture are aligned with each other. (If the stripes are not aligned to each other, please pinch the connector part and turn it to left manually)

- Align the white dot (unlock icon) to the red triangle (below unlock button), push the gimbal into the Viewport completely and then rotate the gimbal camera anticlockwise.

- When you hear “click” sound (when red dot is aligned to the red triangle) means the gimbal camera and Viewport has been locked.

- To unlock the Viewport, you need to press on unlock button and rotate the gimbal camera clockwise till the white dot align to the red triangle. Then pull the gimbal out from the Viewport.
2.6 Install TF Card
TF (Micro SD card): Install the TF card to the card slot (Re. 2.1 Overview). Support max 128GB. Request Class 10 (10m/s) transmission speed or higher and FAT32 or exeats format.
- Make sure device is power off when inserting the TF card, hot plugging is not supported.
2.7 Image Output Interface
HDMI: Micro HDMI output, HD 1080P 60/30fps, 1080P 60fps as default. (Optional)
Ethernet: Ethernet/IP output interface, support RTSP/RTMP/UDP/ONVIF video streaming.
Default: RTSP output, IP address:
RTSP: //192.168.2.119:554, output resolution: 1080P, frame rate:
30fps, bit rate: 4M. (Optional) AV: no AV output
- Above output mode is optional. Please subject to your actual product.
- When using user interface software Viewlink for network connection, the network of external device (computer) should be the IP address: 192.168.2.2 (choose the last byte among 2~254, can not be 119 same as the gimbal), subnet mask: 255.255.255.0, Default gateway: 192.168.2.1, and all firewalls of the computer must be closed. Then enter the IP address of the gimbal camera, Open Video, the video stream can be outputted.
Signal Control
3.1 PWM Control
Control the gimbal camera functions by the multiplex pulse width modulation signal outputted by PWM channel of the remote control receiver. The camera needs up to 6 control channels of PWM (to expand tracking function use up to 7 PWM channels). You can choose needed functions according to actual usage to reduce the required number of PWM channels.
3.1.1 PWM Connection Diagram (Connect pitch channel as example)

Connection Diagram (Standard Version)

Connection Diagram (Viewport Version)
3.1.2 PWM Control Operation Instruction
- Pitch (PWM Pitch channel in to control Pitch. Joystick, rotary knob or 3-gear switch on remote control are optional. 3-gear switch as example.)
| Low Gear Pitch Up | Middle Gear Pitch Stop | High Gear Pitch Down |
2) Yaw (PWM Yaw channel in to control Yaw. Joystick, rotary knob or 3-gear switch on remote control are optional. 3-gear switch as example.)![]()
Low Gear Yaw Left Middle Gear Yaw Stop High Gear Yaw Right
3) Mode (PWM Mode channel in to adjust speed control/one key to Home position etc functions. Rotary knob or 3-gear switch on remote control are optional. 3-gear switch as example.)
| Low Gear | Middle Gear | High Gear |
Position 1: Low speed mode, control pitch / yaw with this mode at lowest speed
Position 2: Middle speed mode, control pitch / yaw with this mode at middle speed
Position 3: High speed mode, control pitch / yaw with this mode at highest speed
(If it is controlled by rotary knob, the speed will change according to switch position)
4) Function of continuous switching:
3.1) Operate 1 time continuously and quickly, from position 2 – 3, to Home position.
3.2) Operate 2 times continuously and quickly, from position 2 – 3 – 2 – 3, the camera lens looks vertically down.
3.3) Operate 3 times continuously and quickly, from position 2 – 3 – 2 – 3 – 2 – 3, to disable Follow Yaw Mode (gimbal yaw not follows by frame)
3.4) Operate 4 times continuously and quickly, from position 2 – 3 – 2 – 3 – 2 – 3 – 2 – 3, to enable Follow Yaw Mode (gimbal yaw follows by frame)
5) Zoom (PWM Zoom channel in to control Zoom. Joystick, rotary knob or 3-gear switch on remote control are optional. 3-gear switch as example.)
| Low Gear Zoom Out | Middle Gear Stop Zoom | High Gear Zoom In |
6) Focus (PWM Focus channel is to control PIP, IR color palette switch, 3-gear switch as example.)
| Low Gear PIP switch | Middle Gear | High Gear IR color palette switch |
Switch from Position 2 to 1: Picture in Picture. EO+IR , IR+EO, EO only, IR only. Switch from Position 2 to 3: IR color switching: white hot, black hot, pseudo color
7) Pic/Rec (PWM Pic/Rec channel in to control take picture and record. Joystick, rotary knob or 3-gear switch on remote control are optional. 3-gear switch as example.)![]()
Low Gear Middle Gear High Gear
Switch from Position 2 to 1: Take a picture
- OSD display ‘REC IMG’ a second.
- Switch from Position 2 to 3: Start record / repeat operation to stop record
- Start record, the OSD display rec hh:mm:ss.
- Stop record, the OSD display STBY.
8) Multi: IR digital zoom / tracking control![]()
Low Gear Middle Gear High Gear
Switch from Position 2 to 1: IR digital zoom, 1x~4x
Switch from Position 2 to 3:
- Exit the tracking, display the cross cursor. Adjust the cross cursor to lock target object and start tracking
Switch from Position 3 to 2:
- Cancel tracking
3.2 Serial Port / TTL Control
TTL communication requirements: TTL signal is 3.3V, baud rate: 115200, data bit 8, stop bit 1, no parity, HEX send and receive.
Connection Diagram (PC – USB to TTL Cable- Gimbal Camera as example):
Gimbal Camera Cable RX (White) TX RX GND TX (Green) GND (Black)

Connection Diagram Standard Version

Connection Diagram Viewport Version
Diagram of USB to TTL Cable:
Connect the camera to the upper computer by USB to TTL cable (Adopt connection method of TX to RX, RX to TX, GNG to GND at Dupont ends of the provided USB to TTL cable, connect to the specified TTL of the gimbal, and the USB end of the cable connect to computer).
Install View link control software to test the functions directly. Users may choose to develop their own software, please contact technical support for TTL control protocol file.
View Link is a user interface developed by Viewpro for Viewpro gimbal cameras, you can download it from Viewport website (www.viewprotech.com) or ask distributors for installation package.
- Connect serial port of gimbal to pins, DO NOT connect with power supply.
- The default baud rate of serial port is 115200, which can be changed according to the docking equipment.
3.3 S.BUS Control
Control the gimbal camera functions by one combining signals. Connect the external Subs to Sabu’s port on the control box, and the external Subs signal GND connect to the GND interface of the control box.
Wiring Diagram (Take Futaba remote control for example):

Wiring Diagram Standard Version

Wiring Diagram Viewport Version
Sabu’s control mode: default Sabu’s signal channel 9-15 to control gimbal camera functions (the function of channel is consistent with corresponding channel in PWM function description)
Channel 9: Yaw Control
Channel 10: Pitch Control
Channel 11: Mode Control
Channel 12: Zoom Control
Channel 13: Focus Control
Channel 14: Pic/Rec Control
Channel 15: Multi Backup
- User can set the channels by setting serial command according to the actual requirement. The Sabu’s channel position can be arranged in any sequence within channel 1-15 to connect with the flight controller or remote control.
- TTL control and Subs control cannot coexist at the same time for standard version. The default control is TTL if no requirement. The user can set to Sabu’s control if needed (please contact with our technical support for the setting instruction.)
3.4 TCP control
For Viewpro gimbal cameras with Ethernet output, the default IP address is: 192.168.2.119, control port: 2000.
You can send the corresponding protocol to realize TCP control after connecting.
The TCP control protocol is [Frame header: EB + command ID: 90 + data body (serial port protocol) + Checksum (CS = body checksum, checksum is calculated as a sum of all bytes of data body modulo 256)]. Or directly use UI View link to control after TCP connection.
3.5 Laser Rangefinder
A30TR build-in infrared (IR) laser rangefinder, can resolve the geo graphic position and distance of the object automatically after GPS signal is synced from the UAV. The target is the object in the middle point of the screen.
- A30TR default boot turn off laser range finder, can open it in View link Manually.
- If you don’t use View link, pls send below serial port commands to set the laser rangefinder:
Continuous ranging: AA 55 0D 01 FF Single Use: 55 AA DC 05 1C 20 00 39 Turn off again: AA 55 0D 00 FF - Some points might cause the distance show 0:
A. The distance is out of range (5 to 1500 meters).
B. The IR laser rangefinder can’t get distance information from reflective object (glass, water, rain) or over-inclined object.
Specification
| Hardware Parameter | |
| Working voltage | 12V |
| Input voltage | 3S ~ 6S |
| Output voltage | 5V (connect with PWM) |
| Dynamic current | 1000~1300mA @ 12V |
| Idle current | 1000mA @ 12V |
| Working environment temp | -20℃ ~ +60℃ |
| Output | micro HDMI(1080P 30/60fps) / IP (1080p/720p 30/60fps) |
| Local-storage | TF card (Up to 128G, class 10, FAT32 or ex FAT format) |
| Photo storage format | JPG(1920*1080) |
| Video storage format | MP4 (1080P 30fps/60fps) |
| Control method | PWM / TTL / S.BUS / TCP(IP output) |
| Gimbal Spec | |
| Mechanical Range | Pitch/Tilt: -60°~150°, Roll: ±45° Yaw/Pan: ±300° / ±360°*N (IP output version) |
| Controllable Range | Pitch/Tilt: -45°~90°, Yaw/Pan: ±290° / ±360°*N (IP output version) |
| Vibration angle | Pitch/Roll: ±0.02°, Yaw:±0.02° |
| One-key to center | √ |
| Camera spec | |
| Imager Sensor | SONY 1/2.8″ “Exmor R” CMOS |
| Picture quality | Full HD 1080 (1920*1080) |
| Effective pixel | 2.13MP |
| Lens optical zoom | 30x, F=4.3~129mm |
| Digital zoom | 12x (360x with optical zoom) |
| Min object distance | 10mm(wide end) to 1200mm(tele end). Default 300mm |
| Horizontal viewing angle | 1080p mode: 63.7°(wide end) ~ 2.3°(tele end) |
| Sync system | Internal |
| S/N ratio | more than 50dB |
| Min illumination | Color [email protected] |
| Exposure control | Auto, Manual, Priority mode(shutter priority & iris priority), Bright, EV compensation, Slow AE |
| Gain | Auto/Manual 0dB to 50.0dB(0 to 28 steps + 2 steep/ total 15 steps) Max. Gain Limit 10.7 dB to 50.0dB (6 to 28 steps + 2 step/ total 12 steps) |
| White balance | Auto, ATW, Indoor, Outdoor, One Push WB, Manual WB, Outdoor Auto, Sodium Vapor Lamp (Fix/Auto/Outdoor Auto) |
| Shutter speed | 1/1s to 1/10,000s, 22 steps |
| Backlight compensation | Yes |
| Aperture control | 16 steps |
| Defog | Yes |
| OSD | Yes |
| IR Thermal Imager Spec | |
| Focus Length | 19mm |
| Coating Film | DLC |
| Horizontal FOV | 22.9° |
| Vertical FOV | 18.4° |
| Diagonal FOV | 29.0° |
| Recognize Distance (Man: 1.8×0.5m) | 792 meters |
| Verified Distance (Man: 1.8×0.5m) | 198 meters |
| Detective Distance (Car: 4.2×1.8m) | 99 meters |
| Recognize Distance (Car: 4.2×1.8m) | 2428 meters |
| Recognize Distance (Car: 4.2×1.8m) | 607 meters |
| Verified Distance (Car: 4.2×1.8m) | 303 meters |
| Working mode | Uncooled long wave (8μm~14μm) thermal imager |
| Detector pixel | 640*512 |
| Pixel size | 12μm |
| Focusing method | Athermal prime lens |
| NETD | ≤[email protected] @25℃ |
| Color palette | White, iron red, pseudo color |
| Digital zoom | 1x ~ 8x |
| Sync correct time | Yes |
| EO / IR Camera Object Tracking | |
| Update rate of deviation pixel | 30Hz |
| Output delay of deviation pixel | <30ms |
| Minimum object contrast | 5% |
| SNR | 4 |
| Minimum object size | 16*16 pixel |
| Maximum object size | 256*256 pixel |
| Tracking speed | <32 pixel/frame |
| Object memory time | 100 frames |
| IR Laser Rangefinder | |
| Range | 5~1500 meters |
| Resolution | 0.5m |
| Working current | 80mA(max) |
| Light Beam | 905nm pulse laser |
| Divergent Angle | 3 mrad |
| Laser pulse frequency | 1HZ |
| Power | < 1 mW (safe for eye) |
| Ranging mode | Pulse |
| Location Resolving | Latitude and longitude of target |
| Ranefinder | Target distance measuring |
| EO Camera AI Recognition Performance | |
| Targets type | Car and human |
| Simultaneous detection quantity | ≥ 10 targets |
| Min contrast ratio | 5% |
| Min target size | 5×5 pixel |
| Car detection rate | ≥85% |
| False alarm rate | ≤10% |
| Packing Information | |
| N.W. | 1198g (Viewport version) |
| Product meas. | 130*134.7*213.3mm (Standard version) 130*134.7*219mm (Viewport version) |
| Accessories | 1pc gimbal camera device, screws, copper cylinders, damping balls,1pc USB to TTL cable / Hight quality plastic box with foam cushion |
| G.W. | 2928g |
| Package meas. | 350*300*250mm |
FAQ
– A: HDMI 1080P 60fps(default)/HDMI 1080P 30fps
– A: Yes
– A: When the IP output resolution is set to 1280*720, the storage resolution is 1920*1080; Storage resolution is 1920*1080 when the IP output resolution is set to 1920*1080;
– The video frame rate saved in the TF card is the same with the one set during IP output, 30fps and 60fps are optional.


















