WARMUP TRA-04-WH-LC Terra Smart Series Wi-Fi Thermostat

Pack Contents

Safety Information
- The thermostat must be installed by a qualified electrician. It requires a permanent 110V – 240V AC, 60Hz supply. The thermostat contains a Class A GFCI with 5mA trip level and wiring must conform to local electrical code.
- Isolate the thermostat from the mains supply throughout the installation process.
- Install the thermostat in an area with good ventilation. It should not be beside a window/door, in direct sunlight or above another heat generating device (e.g. radiator or TV).
- Ensure the distance from your router to the thermostat is not excessive. This will ensure the wireless connection is not subject to range or interference issues once installed.
- Conduits are only required where it is mandated by state or provincial code. Please refer to local electrical code for compliant applications.
- The thermostat and its packaging are not toys; do not allow children to play with them. Small components and packaging present a risk of choking or suffocation.
- The thermostat is suitable for indoor use only. It must not be exposed to moisture, vibrations, mechanical loads or temperatures outside of its rated values.
- For safety and licensing reasons, unauthorized change and/or modification of the thermostat is not permitted.
Instructions
Step 1 – Installation
- Isolate the thermostat supply from the main supply.
- Unclip the display from the power base.

- Install a 3-1/2” (89 mm) deep single gang or 2-gang box with mud ring in your preferred thermostat location. Pull wires (heater, supply and sensor) through gang box and complete terminal wiring.

Step 2 – Wiring Connections
WARNING!
The thermostat must be installed by a qualified electrician in accordance with National Electrical Code.
Wiring Connections
| LOAD L1 & L2 | Heater Load Max.15A(1800W – 120V, 3600W – 240V) |
| LINEL1 | Supply Live (120 V) |
| LINEL2 | Supply Neutral (120 V) / Supply Live (240 V) |
| P1 & PC | Probe 1 – Floor/Air Control Sensor (No Polarity)Floor or air temperature reading for scheduled control |
| P2 & PC | Probe 2 – Limit Sensor (No Polarity) |
| See Table 1.0 for thermostat use cases | |
NOTE: The function of Probe 1, and Probe 2 from Control/Limit Sensor can be swapped in settings.
Table 1.0 Thermostat Use Cases

- 2* Recommended when the thermostat is OUT of the heated room
- 5** Recommended when the thermostat is IN the heated room
NOTE: For thermostat use cases 6 & 7 an additional sensor will be required.
Wiring Diagrams
Heating loads connected to the thermostat
| Option 1 | Heating ≤ 3600W / 15A into thermostat onlyR C Snubber not required |
| RED – Hot 120V / White – Neutral | |
| Heating, RED – 240V, Yellow – 120V |
Heater earth connections should be connected to earth in line with NEC, CEC code.
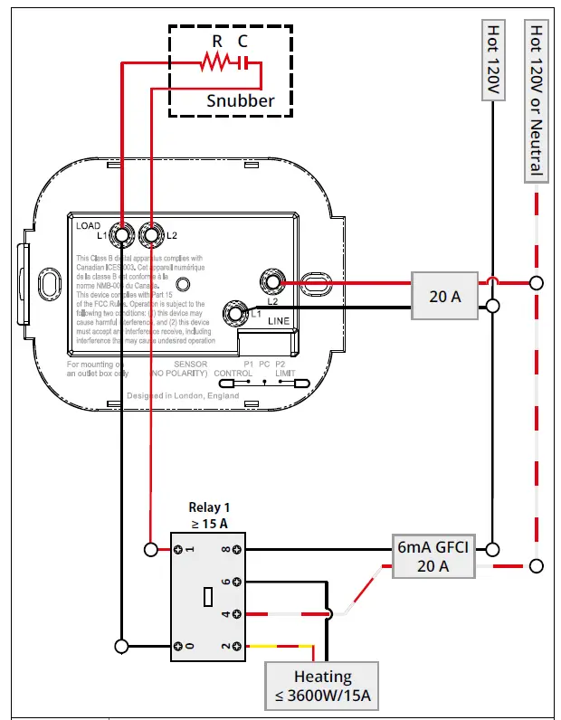
Heating loads connected to Relay-25
Option 2 Heating ≤ 3600W / 15A into external relay only R C Snubber required
RED – Hot 120V / White – Neutral
Heating, RED – 240V, Yellow – 120V
Heater earth connections should be connected to earth in line with NEC, CEC code.
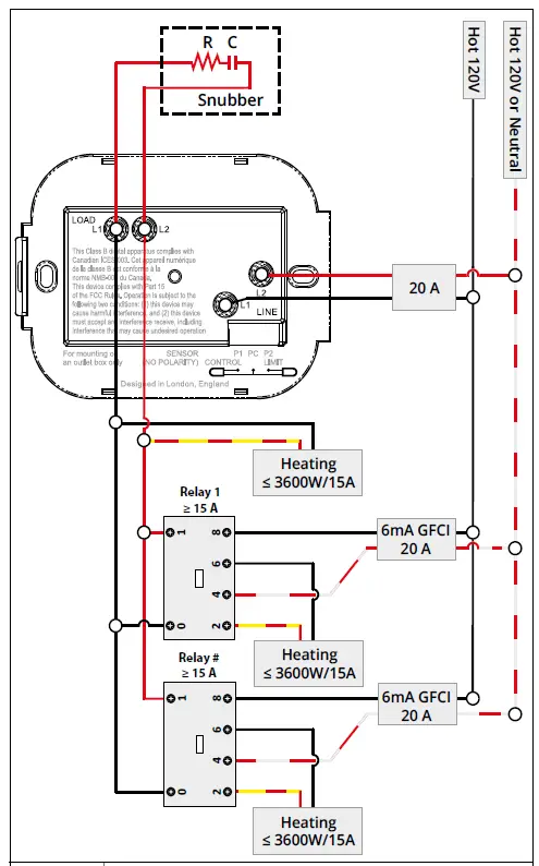
Heating loads connected to thermostat and Relay-25
Option 3
Heating ≤ 3600W / 15A into thermostat
Heating ≤ 3600W / 15A into external relay Additional relays can be added to circuit as shown R C Snubber required
RED – Hot 120V / White – Neutral
Heating, RED – 240V, Yellow – 120V
Heater earth connections should be connected to earth in line with NEC, CEC code.
Step 3 – Thermostat Mounting
- Insert fixing screws through mounting holes of the power base and tighten.
- Reattach the front housing until a “click” is heard. You can now power up the thermostat.

- Follow the on-screen icons to set up your system.

Step 4 – Initial Setup
- Download the MyHeating App.
- Open the MyHeating App and scan the QR Code on the thermostat screen protector or on the reverse of the display. Follow the instructions in the App to complete setup.

Welcome to the Terra thermostat
How to quickly change the temperature
Press
to change your target temperature. If in program mode this will set a temporary override until your next heating period. See “How to set a temporary override”.
If in manual mode this will set a fixed target temperature. See “How to set into Manual Mode”
Once the target temperature is set above current floor/air temperature the heating indicator (
) will appear in the top right hand corner.

How to quickly change mode
Mode select allows you to quickly change from manual mode, to program mode or simply switch the heating off.

Heating
How to set a program
Setting a program allows you to set comfort temperatures at set times throughout the day. Days can programmed individually, all days the same or weekdays as a block and weekends as a block, the choice is yours.

How to set into Manual Mode
Setting into manual mode allows you to set a fixed target temperature for the thermostat to achieve. The thermostat will continue to maintain this temperature until another operating mode or temperature is selected.
Sets the target temperature indefinitely.
Set the duration of the manual mode.
How to set a Temporary Override
Setting a temporary override allows you to set a target temperature which will override your current heating program until your next heating period or for a set duration.

Sets the override until next scheduled heating period.
Sets the duration of the override.
Energy Monitor
How Energy Monitor works
The thermostat learns how you use your system and how your house reacts to heating and weather. Using the MyHeating App, energy monitoring will show the amount of energy consumed over a certain time period. This will be calculated through system power multiplied by efficiency and run time. You will need to enter the power of your system, and in some cases, the efficiency. If you do not know these, speak to your installer or system manufacturer.

SmartGeo
How SmartGeo works
SmartGeo is a unique technology developed by Warmup and built into the MyHeating App that uses an advanced algorithm to understand the most efficient heat settings for your home. Working automatically; it learns your routines and location through background communication with your smartphone and lowers temperatures when you are away, only rising them up to your ideal comfort temperature in time for your arrival home. Smartgeo will operate when the thermostat is in the program or manual run modes. It is turned off by default. Use the MyHeating App to switch SmartGeo on
Settings
Date and time
Set the current date and time. Press
to begin, press
to change date/time. Press
to confirm.
Thermostat application
Swaps probe usage, 1 being the Control Sensor Probe and 2 being the Limit Sensor Probe. Press
to swap probe usage. Press
to confirm.
See Table 1.0 Thermostat Application. Press
to change application. Press
to confirm.
Change Control Sensor Probe 1 (5 & 6) type. Set between 5, 10, 12, 15, 100K sensor settings.
Change Limit Sensor Probe 2 (6 & 7) type. Set between 5, 10, 12, 15, 100K sensor settings.
Set Air limit.
Set Floor limit.
Set display brightness
Set active brightness
Day standby brightness
Night standby brightness
Change homescreen override color
Select the override color.
Open window function
The windows open detection feature is designed to switch off heating to save energy when the thermostat detects that a window or door has been opened.
Display lock
Switch display lock on.
Set display lock code.
Switch display lock off.
WiFi
WiFi Setup
Open MyHeating App and scan the QR code on the back of the thermostat display to complete WiFi setup.
Factory reset
Factory reset will erase all of your settings and restore the thermostat to factory defaults.
Notifications & Error codes
Troubleshooting
| Display is blank | Power | (Electrician Required) Electrician required to verify power is going to the thermostat and that it is correctly wired. |
| Control (5 & 6) /Internal Air sensor error | 1. Please see Table 1.0 and ensure you have selected the correct thermostat application.2. (Electrician Required) Electrician required to verify that the floor sensor has been wired correctly. If it is correctly wired the electrician will need to check the resistance of the floor sensor using a multi meter. For temperatures between 68°F – 86°F the resistance of the floor sensor should measure between 8K ohms and 12K ohms. If the electrician finds a fault, and the thermostat is in the room to be heated then it can be set into “Air Mode”. To set into “Air Mode”, see Table 1.0 Thermostat application. If “—” still remains when set into air mode the thermostat will have to be replaced. | |
| Limit Sensor Error (6 & 7) | ||
| Heating is coming on earlier than programmed times | Adaptive learning (Early start) On | Adaptive learning (Early start) will use the historic heating/cooling rates for the time of day, historic external temperatures and the forecast external temperatures, to work out the heating start time in order to reach the comfort time at the start of the comfortperiod. It will only work in Program Mode. |
| WiFi Error Symbol | WiFi not setup | 1. Download and open the MyHeating App2. Remove thermostat from the wall 3. Scan QR code on the back of the display 4. Place thermostat back on the wall and power-up 5. Thermostat will be in pairing mode for 1 minute. App should automatically connect to phone 6. Follow instructions in App |
| WiFi disconnected | Follow the step above to try and to re-connect to the WiFi Network.If the thermostat still fails to connect, see WiFi Troubleshooting. |
| Clock Icon | Time and Date not set | Connect the thermostat to a WiFi network or alternatively set the time and date from the settings menu. |
| GFCI Icon | GFCI test button | The GFCI feature is used to detect any leakage of current from your heating system. During a ground fault the two lines of the load will be cut off. Once your thermostat is installed and connected to apower supply you can test the GFCI function by increasing the set temperature until heating is on – the heat up icon ( If your test is successful you will see the GFCI error icon and you will need to hold “X” for 3 seconds in order to restore heating operation. |
| Heater error | The GFCI has tripped due to a fault in the heater.(Electrician Required) Electrician required to verify that the heater has been wired correctly. If correctly wired please conduct a resistance test and insulation resistance test on the heater to see if damage has occurred. | |
| Relay icon | Relay error | The thermostat has detected that one of the relays has FAILED.Please contact Warmup |
WiFi Troubleshooting
Before following the troubleshooting guide below please check the following:
- The password is WPA2 protected.
- The router is set to a 2.4 GHz band. (802.11 b, g, n, b/g mixed, b/g/n mixed)
NOTE: If you need to change any of the items listed above, please refer to your router manual.
Technical Specifications
| Model | RSW-XX-YY-ZZ |
| Operating Voltage | 110V – 240V AC +/-15% 50Hz/60Hz |
| Protection Class | II |
| Max. Load | 15A resistive (120 V – 1800W, 240 V – 3600W) |
| GFCI | Class A GFCI with 5mA trip level |
| Rated impulse voltage | 4000V |
| Automatic action | 100,000 |
| Disconnection means | 1B |
| Pollution degree | 2 |
| Max. Ambient Temperature | 40°C / 104°F (T40) |
| Relative Humidity | 80% |
| IP Rating | IP30 |
| Sensors | Floor/Air |
| Sensor Type | NTC10K @ 25°C |
| Operating Frequency | 2401 – 2484MHz |
| Max. Radio-Frequency Power Transmitted | 20dBm |
| Compatibility | Electric Floor Heating and Baseboard Heating |
| Standards | UL-60730-1 UL-60730-2-9 UL-943CAN/CSA-E60730-1 CAN/CSA-E60730-2-9 CAN/CSA-C22.2 No. 144.1 FCC 47 CFR Part 15, ICES-003 |
| Warranty | 12 Years |
| Approvals | ETL Intertek |
Warranty
Warmup warrants this product, to be free from defects in the workmanship or materials, under normal use and service, for a period of twelve (12) years from the date of purchase by the consumer when installed with a Warmup heater. If at any time during the warranty period the product is determined to be defective, Warmup shall repair or replace it, at Warmup’s option. If the product is defective, please either; Return it, with a bill of sale or other dated proof of purchase, to the place from which you purchased it, or Contact Warmup. Warmup will determine whether the product should be returned or replaced. The twelve (12) year warranty only applies if the product is registered with Warmup within 30 days after purchase. Registration can be completed online at www.warmup.com. This warranty does not cover removal or re-installation costs and shall not apply if it is shown by Warmup that the defect or malfunction was caused by failure to follow the instruction manuals, incorrect installation or damage which occurred while the product was in the possession of a consumer. Warmup’s sole responsibility shall be to repair or replace the product within the terms stated above. If the thermostat is installed with a non-Warmup heater a three (3) year warranty will apply. This warranty does not extend to any associated software such as apps or portals. WARMUP SHALL NOT BE LIABLE FOR ANY LOSS OR DAMAGE OF ANY KIND, INCLUDING ANY INCIDENTAL OR CONSEQUENTIAL DAMAGES RESULTING, DIRECTLY OR INDIRECTLY, FROM ANY BREACH OF ANY WARRANTY, EXPRESS OR IMPLIED, OR ANY OTHER FAILURE OF THIS PRODUCT. THIS WARRANTY IS THE ONLY EXPRESS WARRANTY WARMUP MADE ON THIS PRODUCT. THE DURATION OF ANY IMPLIED WARRANTIES, INCLUDING THE WARRANTIES OF MERCHANTABILITY AND FITNESS FOR A PARTICULAR PURPOSE, IS HEREBY LIMITED TO THE TWELVE-YEAR DURATION OF THIS WARRANTY.
This warranty does not affect your statutory rights.
Warmup Inc
www.warmup.com
[email protected]
T: (888) 927-6333
Warmup Canada
[email protected]
T: (888) 592-7687




















