MEAN WELL SPV-300-24 Switching Power Supply, 24V dc, 12.5A

Features
- Universal AC input/ Full range
- Built-in active PFC function, PF>0.95
- Protections: Short circuit/ Overload I Over voltage/ Over temperature
- Forced air cooling by built-in DC Fan
- Output voltage programmable from 20~110% by 1 ~5.5VDC external control signal
- Built-in remote ON-OFF control
- Built-in fan speed control
- Fixed switching frequency at 100KHz
- 3 years warranty
GTIN CODE
MW Search: https://www.meanwell.com/serviceGTIN.aspx
SPECIFICATION
| MODEL | SPV-300-12 | SPV-300-24 | SPV-300-48 | |
| OUTPUT | DC VOLTAGE | 12V | 24V | 48V |
| RATED CURRENT | 25A | 12.5A | 6.25A | |
| CURRENT RANGE | 0-25A | 0-12.5A | 0 – 6.25A | |
| RATED POWER | 300W | 300W | 300W | |
| RIPPLE & NOISE (max.) Note.2 | 150mVp-p | 150mVp-p | 240mVp-p | |
| VOLTAGE ADJ. RANGE | 10.8-13.2V | 20- 26.4V | 41 -52.8V | |
| VOLTAGE TOLERANCE Note.3 | ±1.0% | ±1.0% | ±1.0% | |
| LINE REGULATION | ±0.3% | ±0.2% | ±0.2% | |
| LOAD REGULATION | ±0.5% | ±0.5% | ±0.5% | |
| SETUP, RISE TIME | 800ms , 50ms/230VAC 2500ms, 50ms/115VAC at full load | |||
| HOLD UP TIME (Typ.) | 16ms/230VAC 16ms/115VAC at full load | |||
| INPUT | VOLTAGE RANGE Note.5 | 88 – 264VAC 124 – 370VDC | ||
| FREQUENCY RANGE | 47 – 63Hz | |||
| POWER FACTOR (Typ.) | PF>0.95/230VAC PF>0.98/115VAC at full load | |||
| EFFICIENCY (Typ.) | 83.5% | 85% | 86.5% | |
| AC CURRENT (Typ.) | 3.6A/115VAC 1.8A/230VAC | |||
| INRUSH CURRENT (Typ.) | 20A/115VAC 45A/230VAC | |||
| LEAKAGE CURRENT | <1mA/240VAC | |||
| PROTECTION | OVERLOAD | 105 – 135% rated output power | ||
| Protection type : Constant current limiting, recovers automatically after fault condition is removed | ||||
| OVER VOLTAGE | 13.8-16.2V | 27.6 – 32.4V | 57.6- 67.2V | |
| Protection type : Shut down o/p voltage, re-power on to recover | ||||
| OVER TEMPERATURE | Shut down o/p voltage, recovers automatically after temperature goes down | |||
| FUNCTION | REMOTE CONTROL | 4 -1 OVDC power off, <O – O.BVDC power on | ||
| OUTPUT VOLTAGE TRIM | 2.4~13.2V | 4.8- 26.4V | 9.6 – 52.BV | |
|
ENVIRONMENT | WORKING TEMP. | -20 – +65″C (Refer to “Derating Curve”) | ||
| WORKING HUMIDITY | 20 – 90% RH non-condensing | |||
| STORAGE TEMP., HUMIDITY | -40 – +85″C , 10 – 95% RH non-condensing | |||
| TEMP. COEFFICIENT | ±0 03%/°C (0 – 50°C) | |||
| SAFETY EMC (Note4) | VIBRATION | 10-500Hz, 2G 10min./1cycle, 60min. each along X, Y, Z axes | ||
| SAFETY STANDARDS | UL60950-1, TUV BS EN/EN60950-1, EAC TP TC 004 approved | |||
| WITHSTAND VOLTAGE | I/P-0/P 3KVAC 1/P-FG 2KVAC 0/P-FG 0.5KVAC | |||
| ISOLATION RESISTANCE | 1/P-0/P, 1/P-FG, O/P-FG:100M Ohms/ 500VDC I 25°C/ 70% RH | |||
| EMC EMISSION | Compliance to BS EN/EN55032 (CISPR32) Class B, BS EN/EN61000-3-2,-3, EAC TP TC 020 | |||
| EMC IMMUNITY | Compliance to BS EN/EN61000-4-2 ,3,4,5,6,8,11, BS EN/EN55024 , light industry level, EAC TP TC 020 | |||
| OTHERS | MTBF | 2116.3K hrs min. Telcordia SR-332 (Bellcore); 210.6K hrs min. MIL-HDBK-217F (25″C) | ||
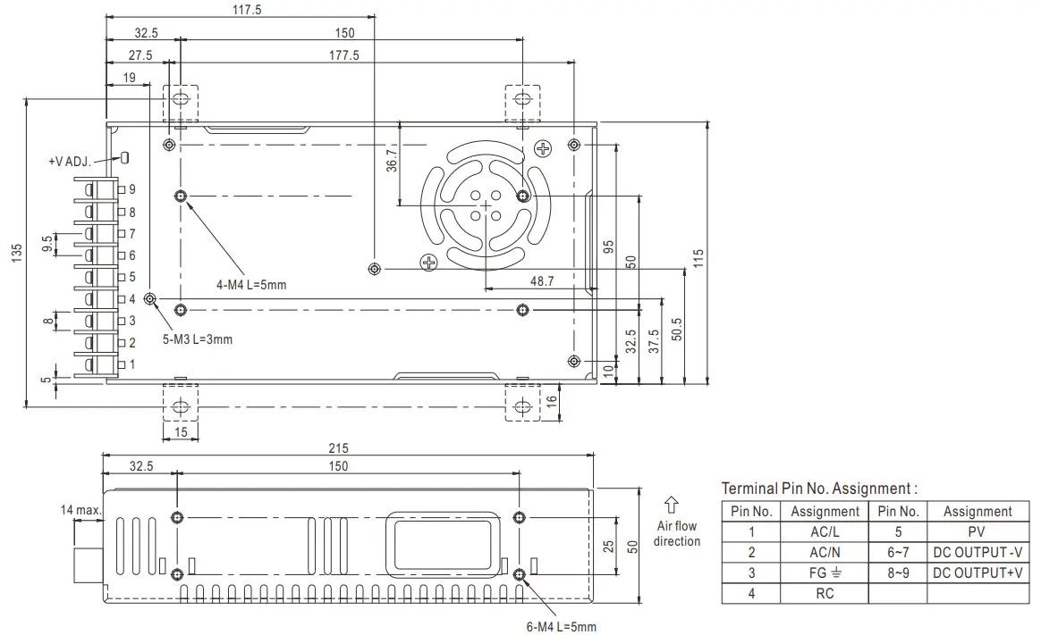
| DIMENSION | 215’115’50mm (L’W’H) | |||
| PACKING | 1.1Kg; 12pcs/14Kg/0.92CUFT | |||
| NOTE |
Product Liability Disclaimer : For detailed information, please refer to https://www.meanwell.com/serviceDisclaimer.aspx | |||
300W Single Output with PFC Function
Mechanical Specification

Block Diagram

Derating Curve

Static Characteristics

Function Manual
- External Voltage Control





















