
1-10V controller SUD12/1-10V
for universal dimmer switches
21 100 802 – 2
Eltako 1-10V Controller SUD12/1-10V For Universal Dimmer Switches
Only skilled electricians may install this electrical equipment otherwise there is the risk of fire or electric shock!
Temperature at mounting location: -20°C up to +50°C.
Storage temperature: -25°C up to +70°C.
Relative humidity: annual average value <75%.
valid for devices from production week 38/22 (see bottom side of housing)
1 NO contact not potential free 16A/250V AC and output for electronic ballast up to 40mA. Standby loss 0,5 Watt only.
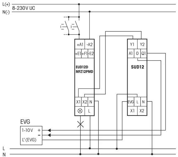
The controller SUD12 can be used in two different modes.
1-10V output
In this mode electronic ballast and transformers with a 1-10V interface up to a total control current of 40mA can be controlled when connected to an universal dimmer
switch EUD12D or MFZ12PMD.
The EUD12D or the MFZ12PMD is controlled with pushbuttons at the universal control voltage input locally or centrally. The SUD12 converts the dimmer signals from Y1/Y2 to the 1-10V output 0/Q1 for the interface.
It switches the electronic ballast and transformers with a bistable relay at the output EVG (electronic ballast). Zero passage switching to protect contacts. The switching capacity for fluorescent lamps or low voltage halogen lamps with electronicballast is up to 600VA.
By using a bistable relay coil power loss and heating is avoided even in the on mode. The switched load may not be connected to the mains before the short automatic synchronisation after installation has terminated.
At the same time a dircectly dimmable lamp can be connected to the universal dimmer switch EUD12D. Furthermore the universal dimmer switch EUD12D or MFZ12PMD can be expanded with capacity enhancers LUD12 for directly dimmable lamps as described in the operating instructions of the LUD12.
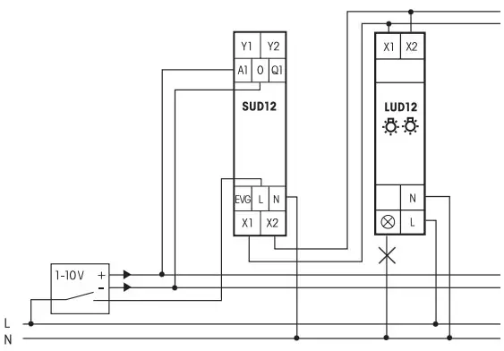
1-10V input
In this mode the output of a 1-10V controller can be converted at A1/0 into a direct dimming function when connect ed to a capacity enhancer LUD12 at terminals X1/X2. The closing opera- tion and the opening operation is also carried out externally at L of the SUD12. The rotary switch of the LUD12 must be adjusted to the setting
(additional lamps).
Further capacity enhancers LUD12 in the mode ‘increase of capacity with additional lamps’ can be connected to the controller SUD12 as described in the operating instructions of the LUD12.
A 100K potentiometer for brightness control may also be directly connected to the control input A1/0. If the input
A1/0 is disconnected the LUD12 dims to maximum brightness.
The strain relief clamps of the terminals must be closed, that means the screws must be tightened for testing the function of the device. The terminals are open ex works.
Manuals and documents in further languages
http://eltako.com/redirect/SUD12*1-10V
http://eltako.com/redirect/FAM14
Must be kept for later use!
We recommend the housing for operating instructions GBA14.
Eltako GmbH
D-70736 Fellbach
Technical Support English:
+49 711 94350025
[email protected]
eltako.com
19/2023 Subject to change without notice.


















