DIGITECH AA‐0378 Programmable Interval 12V Timer User Guide
Distributed by:
TechBrands by Electus Distribution Pty. Ltd.
320 Victoria Rd, Rydalmere
NSW 2116 Australia
Ph: 1300 738 555
Int’l: +61 2 8832 3200
Fax: 1300 738 500
www.techbrands.com
Technical Specifications
- Power Input: 12VDC
- Low current drain: <50mA when relay is on, <5mA when relay is off
- Timing accuracy: ±1% at all settings
- Dimensions: 72(L) x 65(W) x 43(H) mm
Notes
- Never get any part of the module wet.
- Never attempt to open, modify or repair any part of the module.
Instructions
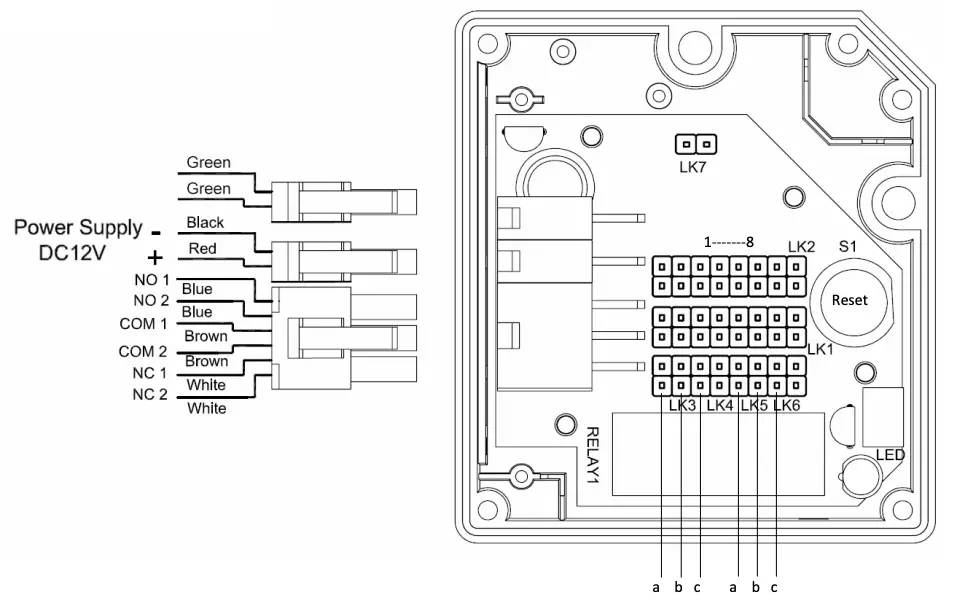
- Set the jumpers to program the timer, according to the connection diagram and jumper settings table included.
- Plug in the supplied to the module, and the black and red cables to a power supply 12V.
- Connect the device you want to switch to the NO and NC for normally open function or NC and COM for normally closed function.
- Press the reset button to restart the selected timer0 function.
Jumper Settings

Circuit Diagram


















