WAGAN 3746 12V DC Input Proline 8000 DC to AC Inverter

ABOUT THIS INVERTER
Thank you for purchasing the Proline 8000 Power Inverter by Wagan Tech®. With minimal care and proper treatment, it will provide years of reliable service. Carefully read, understand and comply with all instructions before use. Keep this manual for future reference.
This power inverter converts direct current (DC) to alternating household current (AC). This inverter operates from a DC power source only. The level of direct current allowed by this inverter varies by model. Please refer to the chart below:
| Item No� 3746 | Item No� 3746-4 | Item No� 3746-8 |
| 12V DC Input | 24V DC Input | 48V DC Input |
This inverter easily powers TV, DVD players, microwave ovens, refrigerators, and small air conditioners. It also operates at the highest efficiency (up to 90%) that results in longer run times and extended battery life compared to other inverters with this level of power output.
This inverter has the highest surge capability in its class. Superior surge capability allows the inverter to start most difficult motorized loads. Advanced microprocessor-controlled circuits run cooler and are more reliable than competing units.
GENERAL INSTRUCTIONS:
- Keep the inverter away from any direct heat source or combustible materials or gases, including fumes from flooded lead-acid batteries.
Keep well ventilated—this device generates heat. - Do not continuously operate your inverter at more than its rated output wattage.
- Incorrect battery polarity will damage the inverter and void the warranty.
- Do not connect the inverter to any other power source, including any AC power source. If using an AC load transfer switch, allow a seven-second delay before load transfer to the inverter.
- There are no user-serviceable parts inside this inverter.
WARNING – DO NOT INSTALL INVERTERS NEAR FLOODED BATTERIES
Lead-acid batteries that have vent caps produce corrosive and explosive gases Never install an inverter so that battery fumes can be drawn into the inverter Batteries should be in a separate enclosure that vents to outside air Battery gases can destroy inverter circuits and explode if ignited
LOAD CONSIDERATIONS
As an appliance motor starts, it requires a momentary surge of power called “starting load” or “peak load”. Once started, that appliance needs less power to operate. This is called the
“continuous load”. It is important to know starting loads and continuous loads of appliances that are to be powered by this inverter. Appliance power is rated in watts. This information is usually stamped or printed on most AC appliances and equipment. In some cases, a tool will be rated in amperes. To convert amps to watts, multiply AMPS × 115 (AC voltage) = WATTS. This formula yields an approximation of the continuous wattage load of that appliance.
WARNING: THE INVERTER OUTPUT CAN BE LETHAL IMPROPER USE OF THIS INVERTER MAY RESULT IN PROPERTY DAMAGE, PERSONAL INJURY, OR LOSS OF LIFE
FRONT PANEL
The Front Panel view shows the inverter’s ON/OFF Switch, Indicators, direct wiring High Output Terminals, four AC Outlets, and Remote Switch connectors.

ON/OFF Switch
This switch turns the inverter ON and OFF.
Over-Temp LED
This indicator turns RED as the inverter shuts down because of excessive temperature. Immediately turn off appliances if this occurs. Allow the inverter to cool before continuing. Internal high-speed cooling fans automatically turn on when the inverter is switched on to provide instant cooling. The inverter may overheat when it is being used in a location that does not allow for adequate ventilation.
Overload LED
This indicator turns RED as the inverter shuts down from an overload condition. Immediately turn off some appliances to reduce the load. If the continuous combined power requirement
of appliances exceeds the inverters continuous rating, the inverter will overload. Sometime an appliance with very high start-up load will cause an inverter to shut down. If battery condition and cables do not support the load, then more batteries and heavier cables may be required.
Bar Graph Displays
The inverter is equipped with two bar graph displays to monitor DC input to the inverter. These are used to help diagnose problems if they occur.
Volts Display:
The volts display is the measurement of the voltage at the DC terminals of the inverter, not actual battery voltage. During high wattage applications, the display may show a lower voltage level than the battery because of a voltage drop that can occur between the DC input cables and the battery. This voltage drop should not be greater than 0.25 to 0.5 volts, as a greater voltage will seriously reduce run time. This inverter will operate with the following input voltage range, varying by model:
#3746 — 11-15V DC Input
#3746-4 — 21-30V DC Input
#3746-8 — 42-60V DC Input
The inverter is equipped with an alarm and shut down feature based on these changes in input voltage:
| Feature: | #3746 (12V) | #3746-4 (24V) | #3746-8 (48V) |
| Alarm sounds when input voltage drops below: | 10.5V ± 0.5V DC | 21.0V ± 1.0V DC | 42.0V ± 2.0V DC |
| The inverter shuts down when input voltage drops below: | 9.5V ± 0.5V DC | 20.0V ± 1.0V DC | 40.0V ± 2.0V DC |
| The inverter shuts down when the input voltage rises above: | >15.0V DC | >30.0V DC | >60.0V DC |
During charging from a generator, solar panel or AC-powered charger the battery voltage will be higher than when it is resting. Voltages greater than allowed may cause damage to the inverter. Damage caused by excessive voltage input is not covered under the warranty.
Amps Display:
This display indicates actual DC amperes of current being drawn from the battery bank. Note that the AMPS display indicates a set range. Current less than the lowest value shown on the meter is not displayed.
AC Outlets
Each outlet will supply 15 amps, 115V AC maximum for powering appliances. Greater than 1,650 watts of continuous power from an outlet may cause damage to the inverter and cause possible injury.
High Output AC Terminals
There are three insulated terminals on the front panel of the inverter. These terminals are for connecting 115 volt AC devices that require more than 15 amps to operate. Other uses are for connection to distributed wiring that has multiple AC outlets. Any wiring that is directly connected must be 10 gauge or larger. Facing the front panel, the terminals are:
| Top | Middle | Bottom |
| Live (Black) | Neutral (White) | Ground (Green) |
NEUTRAL and GROUND are bonded inside the inverter to comply with the National Electric Code (NEC) requirement that any AC source must have a neutral to ground connection.
Remote ON/OFF Switch Connection
A supplied cable and Remote Switch assembly provide a convenient remote On/Off feature.
POWER INVERTER OUTPUT WAVEFORM
This inverter’s AC output is a modified sine wave (MSW) 115 volts AC. The comparison of a modified sine wave and household AC is shown in the figure below.

This modified sine wave has a root mean square (RMS) voltage of 115 volts. Most ordinary AC voltmeters are calibrated to read “average” voltage and assume that the AC waveform will be a pure sine wave. These meters will not correctly read MSW voltage and will display about 20 to 30 volts too low. Any multi-meter identified as “TRUE RMS” will accurately read MSW correctly.
INVERTER OUTPUT CHARACTERISTICS
The high output terminals and outlets of this inverter are wired in a similar manner to that of household wiring.
REAR PANEL
High-Speed Cooling Fan
The fan operates automatically when the internal temperature of the inverter requires cooling. Always allow free airflow. Do not block vents. Negative DC (−) Input and Positive DC (+) Input Terminals The extra-large blade terminals allow enough room to connect multiple DC cables.
Ground Terminal
This terminal is for attaching a 6 gauge insulated safety ground wire. This safety wire protects personnel if there is an unlikely failure in either the cabling or enclosure insulation. Follow the installation procedure.
PLANNING THE INVERTER SYSTEM
Any large wattage inverter system requires planning before installation. There are several steps to the planning process so the user must determine the following:
- Maximum inverter wattage required.
- Operating time (run time) is needed between battery recharges.
- Battery bank capacity in amp-hours.
- Charger requirement to charge batteries within a practical time.
- Distance between battery bank and inverter.
DETERMINING MAXIMUM APPLIANCE WATTAGE
Maximum AC appliance wattage is the first factor in planning battery and charging systems.
Some Background:
Large microwave oven specifications list cooking power (watts) and appliance power. Appliance power is the AC load the inverter has to supply.
Most other electrical tools, appliances and audio/video equipment have labels that list the unit’s power requirements in watts. If the tool or device is rated in amps, multiply the amps by 115
(115V AC) to determine the watts. For example, a power tool rated at 4 amps will draw 460 watts. Determine the wattage of each appliance you need to simultaneously operate. Add all of the appliance wattages to obtain an estimated “total watts” number. Remember to consider the startup surge that motorized appliances will cause. Do not exceed the surge rating of this inverter (16,000 watts) this can cause immediate overload shut down.
At 8,000 watts continuous output, this inverter requires a DC power supply (battery bank) that can continuously supply the following level of amps for the duration of the run time:
3746 (12V DC Input) — 800 amps @ 12V
3746-4 (24V DC Input) — 400 amps @ 24V
3746-8 (48V DC Input) — 200 amps @ 48V
SIZING THE BATTERY BANK
A battery bank is an interconnection of batteries; in this case, to provide 12 volts. To determine the minimum battery ampere-hour rating that you will need to operate appliances from the inverter and any DC appliances powered by the battery bank, follow these steps:
(The following calculations are specific to 12V systems. For 24V or 48V systems, a different calculation is required but the same principles should apply)
- List the maximum continuous wattage that an inverter has to supply.
- Estimate the number of hours each appliance will be in use between battery recharges. This will vary. For example, a typical home-use coffee maker draws 500 watts during its brew time of 5 minutes, but maintaining pot temperature only requires 100 watts. Typically, a microwave oven only operates for a few minutes. Refrigerators and air conditioners cycle on and off. Some longer operating time appliances are lamps, televisions, computers and sound systems.
- Determine the total watt-hours of energy needed by multiplying average power consumption in watts by hours of run time. For example: 1,500 watts for 10 hours = 15,000 watt-hours.
- To get an estimate of the maximum current (in amps) that a battery bank must be capable of delivering to the inverter, divide the AC load watts by ten (for 12V battery). For example, a 1,500 watt AC load will need 150 amps at 12 volts DC. This relationship holds for 12V DC inverters with 90% efficiency.
Using the 1,500 watts (or 150 amps) for 10 hours example, 150 amps are needed for 10 hours. This provides us with the basic amp-hours (Ah) of battery life that is required. Ten hours at
150 amps equal 1,500 Amp-hours (Ah). This answer is just a starting point because there are additional factors that determine actual run time. These include: ©2021 Wagan Corporation. All Rights Reserved. Wagan Tech and wagan.com are trademarks of Wagan Corporation.
- Cable gauge and length (cable losses)
- The charge level of the batteries (between use, chargers have to be able to fully charge the batteries)
- The temperature of the batteries (colder batteries provide fewer amps)
- Age and condition of the batteries (older batteries lose Ah capacity)
- Use of DC appliances
- Compliance with turning off unnecessary AC and DC loads.
DERATING THE BATTERY BANK
Most lead-acid batteries have a rating expressed in amp-hours (Ah). The most common rating of Ah is “at the 20-hour rate”.
NOTE: Despite several internet explanations, there is no relationship between cold-cranking amps (CCA) and ampere-hours (Ah).
For example; if a 20 Ah battery is discharged at a 1 amp rate, is will take 20 hours to discharge that battery. The terms “charged” and “discharged” relate to actual battery voltage. This means that the output voltage of a nominal 12-volt battery starts at 13.2 volts (fully charged) then drops to 10.6 volts (discharged). If the load on the battery causes the battery to discharge faster than the 20-hour rate, the capacity (Ah) of the battery is measurably reduced (derated). Derating is a major run time factor. The following curve can help to determine what the battery bank can deliver under load. The results are used to estimate how much additional battery capacity is needed to achieve the desired run time.
The left vertical numbers of the curve represent the percentage of the battery capacity at the 20-hour rate. In this example, the user needs a one-hour run time. If the example battery is 220 Ah (20-hour rate), and the load is 220 amps that is 100% (horizontal number) of the Ah (20-hour rate), starting at the 100% horizontal point and looking up to the curve the results are that only 56% of the battery capacity is available. This means that a higher battery capacity is required to get the desired run time: one hour. The curve also shows that a load of 200% of the 20-hour rate yields only 31% of the battery capacity. The installer must carefully plan the capacity of the battery bank or the run time may be seriously affected. To the inexperienced installer, several trial battery capacities may be required to make sure a large enough battery capacity is available to achieve the desired run time.

The curve can be applied to any lead-acid battery under load providing that it has an Ah rating at the 20-hour rate.
Continuing with the previous example, the 150 amp load will need to run for 10 hours, so we begin configuration with a 1,500 Ah battery. If the vertical is 1,500 and the horizontal is 150 amps, the percentage of load on the battery is 10%. The curve shows that the 1,500 Ah is derated to 90% of the maximum. This means that the battery will have to be 1,650 Ah for the full 10 hours run time. It is important to add some extra battery capacity because as the batteries age they will lose Ah capacity.
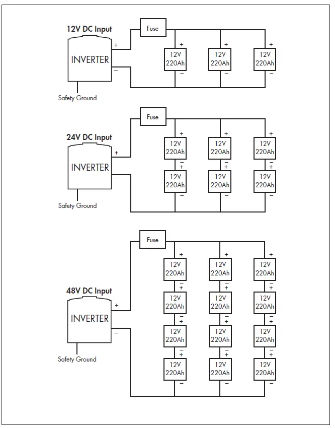
CONFIGURING THE BATTERY BANK
Twelve-volt, 220 Ah batteries were selected for these illustrations because they are generally readily available and relatively inexpensive. They are deep-cycle type and with regular recharging, they have a relatively long life. These batteries are “flooded” type; they freely vent hydrogen and oxygen while undercharging and heavy discharge. They must be vented to outside air to prevent the accumulation of explosive gases. If the batteries are to be kept in close proximity to the inverter or in a living space, use deep-cycle sealed lead-acid (SLA) batteries.
Fusing Requirements
NOTE: It is important that this 8,000-watt inverter has the correct main battery fuse added to the Positive (+) battery cable as close as possible to the battery bank’s positive terminal. ANL fuse must be located within one foot of positive battery terminal, marine installations within 8 inches. Refer to this chart for the correct size:
| #3746 (12V DC INPUT) | #3746-4 (24V DC INPUT) | #3746-8 (48V DC INPUT) |
| ANL 800 amp fuse | ANL 400 amp fuse | ANL 200 amp fuse |
The fuse amperage rating must be sized to allow simultaneous operation of all the AC appliances to be powered, allowing for the momentary high startup current requirements of inductive loads. Use the recommended fuse block (fuse holder) and fuse, or an electrical equivalent. ANL-type fuses and fuse holders are readily available from marine supply dealers.
The fuses are very important to protect equipment, batteries, and personnel. The fuses protect against battery explosion if the cables that connect to the inverter are accidentally short.
Battery Bank Diagram
The diagrams below show inverter connections to a battery bank with recommended fuse protection:

WARNING: EXPLODING BATTERIES CAN SPRAY MOLTEN LEAD, HOT SULFURIC ACID, AND PLASTIC FRAGMENTS BATTERIES THAT ARE CHARGING OR UNDER HIGH DISCHARGE RATES CAN PRODUCE EXPLOSIVE HYDROGEN GAS INTO THE SURROUNDING AREA BE SAFE—FUSE THE BATTERY BANK AND MAKE SURE THE BATTERY BANK LOCATION IS PROPERLY VENTILATED
DC Cable Gauge
Minimize cable losses by using the shortest practical length of insulated stranded copper wire. Refer to “Appendix A” at the rear of this manual for the suggested cable gauge.
INSTALLATION—CONNECTING AN INVERTER
General information
This inverter must be mounted in a dry, cool, and dust-free environment. If the installation is on a wall or bulkhead, the inverter should be mounted horizontally. Vertical mounting allows dust and objects to fall into inverter vents. Loose connections will result in a severe voltage drop that can cause damage to connectors, conductors, and insulation and can cause sparking. A reverse polarity connection will blow the fuses in the inverter and can permanently damage the inverter. Damage caused by reverse polarity will void the warranty.
All cables must be made of stranded, insulated copper wire. Measure the round trip length of the cable needed. Round trip is the distance from the negative battery bank terminal to the inverter and back to the positive terminal of the battery bank. Use a length of string and follow the route the cables will follow. Measure the length of string and then determine the correct gauge cable required for the power level and total distance. Appendix A has a table that relates cable length and gauge for your inverter. Measure all terminal stud diameters that are to be connected to cables. Obtain ring terminals that fit the cables and terminal studs. Be sure the ring terminals can carry the current required.
The holes in the blade-style terminals will accommodate bolt sizes 1/4″ through 3/8″.
GROUND TERMINAL WIRE REQUIREMENTS
Use a minimum of 6 gauge stranded wire for enclosure ground wire. Connect this to the chassis of your vehicle or to the grounding system in your boat. In a city, the ground wire can connect to a metal cold water pipe that goes underground. In remote locations, the ground wire can
be connected to an “earth ground”. This can be an attachment to a 6-foot long copper-clad metal rod driven into the ground. In the unlikely event of a short circuit, operating the inverter without proper grounding can result in electrical shock. Do not directly connect this ground to the negative terminal on the inverter.
Cable Preparation
- Strip all cable ends to allow crimping of Ring Terminals.
- Crimp appropriately sized ring terminals onto all cable ends including fuse holder cable ends.
- Connect the fuse holders to the long positive (+) cable terminals.
- Connect the fuse holders to the short positive (+) cable terminals.
- Wrap the inverter positive cable ends with insulating plastic wrap.
- Mount the fuse holders to a support structure.
- Install fuses in the fuse holders and tighten the retaining nuts.
- Install the Ground wire from the inverter enclosure to the grounding point.
WARNING:
THE PROCEDURE THAT FOLLOWS IS FOR SAFE CONNECTION TO MINIMIZE INITIAL CONNECTION SPARKING AND DAMAGE FROM UNPROTECTED BATTERY CABLE SHORTS
Making the first connection between the positive cable and the inverter’s positive terminal may cause a spark. This is normal and is a result of capacitors in the inverter starting to charge. Because of the possibility of sparking, it is extremely important that both the inverter and the battery bank be positioned away from any source of flammable fumes or gases. Failure to heed this warning can result in fire or explosion. Do not make the first positive terminal connection immediately after batteries have been charging. Allow time for the battery gasses to vent to the outside air.
Inverter to Battery Connection Procedure
- Disconnect any Remote Switch Connector from the front panel of the inverter.
- Make sure the ON/OFF switch located on the front panel of the inverter is in the OFF position.
- Install all non-fused (negative) cables from the negative battery bank terminal to the Negative (−) Terminal on the rear of the inverter.
- Tighten the retaining nuts.
- Connect all fuses and positive cable ring terminals to the positive battery bank terminal.
- Carefully tighten the retaining nuts. DO NOT SHORT THE POSITIVE BATTERY CABLE TO THE NEGATIVE OR GROUND CONNECTORS.
- At the inverter end, carefully connect it to the positive terminal. A spark is likely to result. This is normal.
- Tighten the retaining nut. BE CAREFUL; DO NOT SHORT THE POSITIVE TERMINAL TO THE GROUNDED INVERTER ENCLOSURE.
- Turn on the inverter. The battery voltage should be within the following ranges:
#3746 (12V DC) — 11-15V DC Input
#3746-4 (24V DC) — 21-30V DC Input
#3746-8 (48V DC) — 42-60V DC Input
When the voltage reading does not fall within this range, check the connections of the wires to the terminals on the power source and the inverter to make sure they are secure. Also, check the voltage of the power source. Make certain that the High Temp or Overload LED Indicators are not lit. - Turn OFF the inverter. The Overload and Over-Temp LEDs may briefly “flash”. This is normal. The audible alarm may also emit a short “chirp”. This is also normal.
- When you have confirmed that the appliance to be operated is turned off, plug the appliance into one of the AC outlets on the front panel of the inverter.
- Turn the inverter on.
Note: If an extension cord is used from the inverter to an appliance, limit the extension cord length to 50 feet or less. Make sure that the cord is properly rated to carry the appliance load. Extension cords are not to be used as permanent wiring. Instead, use High Output Terminals and NEC compliant wiring, outlets, and installation techniques.
CHARGING THE BATTERY BANK
It is not the purpose of this inverter user’s guide to provide detailed information regarding battery charging systems. However, the user should try to augment any charging system with either wind power or solar power. These can continue to operate during power outages and they also reduce recharge time.
Regular Loss of Commercial Power
If an inverter system is used during commercial power outages that occur daily, configure the charging system to replace energy during the time that commercial power is available. Replacement of battery energy always requires more than was taken from the battery (typically 130 percent). When charging your battery bank, make sure the current received by an individual battery is within its charge rating. Be sure that the battery is well vented as the area will likely have accumulations of an explosive mixture of hydrogen and oxygen. Follow all recommendations for use that are contained in the battery charger manual.
WARNING:
THERE IS A DANGER OF EXPLOSION DO NOT CONNECT OR DISCONNECT CHARGER CABLES DIRECTLY AFTER BATTERY DISCHARGE OR RECHARGE–MAKE SURE THAT THE BATTERY BANK AREA IS WELL VENTED BEFORE ATTACHING OR REMOVING CABLES.
If the flooded lead-acid batteries are used, as examples given in this document, be sure that periodic checks of battery electrolyte levels are accomplished. Follow the battery manufacturer’s instructions in keeping the electrolytes at the proper level. Be sure to use pure distilled water when replacing evaporated electrolyte liquid.
Aboard a Vessel or Vehicle
Manufacturer-supplied engine-driven alternators can usually be replaced with ones that can continuously deliver higher amperage. This should be done at the outset. Keep the batteries charging when the vessel or vehicle engine is operating. In the case of a vessel, make sure that shore power is used to recharge the batteries whenever possible.
Television and Audio Suggestions
Although all inverters are shielded and filtered to minimize signal interference, some interference with your television picture may be unavoidable, especially with weak signals. However, here are some suggestions that may improve reception.
- First, make sure that the television antenna produces a clear signal under normal operating conditions (i.e., at home plugged into a standard 110/120V AC wall outlet). Also, ensure that the antenna cable is properly shielded and of good quality.
- Change positions of the antenna cable and television power cord.
- Isolate the television, its power cord, and antenna cables from the 12-volt power source by running an extension cord from the inverter to the television set.
- Coil the television power cord or install a clamp-on ferrite choke (available from electronic parts suppliers).
Note: Some inexpensive audio systems may have a slight “buzzing” sound when operated with the inverter. This is caused by insufficient filtering in the audio system. The only solution to this problem is to get a sound system with a higher quality power supply.
TROUBLESHOOTING
PROBLEM: Low or no output voltage
©2021 Wagan Corporation. All Rights Reserved.
Wagan Tech and wagan.com are trademarks of Wagan Corporation.
| Reason | Solution |
| Poor contact with battery terminals | Clean terminals thoroughly |
| Using the incorrect type of voltmeter to test output voltage | Use true RMS reading meter |
PROBLEM: Inverter is shut down
| Reason | Solution |
| Battery voltage below rated value. | Recharge or replace the battery |
| Equipment being operated draws too much power | Cable gauge may be inadequate—use heavier cables |
| The inverter is too hot (thermal shut down mode) | Allow inverter to cool |
| Check for adequate ventilation. | |
| Reduce the load on the inverter to-rated continuous power output | |
| The unit may be defective | See warranty and call customer service |
PROBLEM: TV/audio interference
| Reason | Solution |
| Electrical interference from the inverter | Add a ferrite data line filter on to the TV power cord |
PROBLEM: Low battery alarm on all the time
| Reason | Solution |
| Input voltage below rated value. | Increase input voltage to maintain regulation. |
| Poor or weak battery condition | Recharge or replace the battery |
| Poor or loose cable connection | Inspect terminals and tighten all connections |
| Inadequate power being delivered to the inverter or excessive voltage drop | Use lower gauge wire |
| Keep wire length as short as possible |
SPECIFICATIONS
| Name | Description |
| Input | #3746 — 11V-15V DC Input #3746-4 — 21V-30V DC Input #3746-8 — 42V-60V DC Input |
| Output | 115V AC |
| Name | Description |
| Output waveform | Modified Sine Waveform |
| Continuous power | 8,000 watts |
| Surge power | 16,000 watts |
| Efficiency | 90% |
| No load current draw Switched ON Switched OFF | <1.5A DC <0.2A DC |
| Battery low alarm | 3746 — 10.5V ± 0.5V DC 3746-4 — 21.0V ± 1.0V DC 3746-8 — 42.0V ± 2.0V DC |
| Battery low shutdown | 3746 — 9.5V ± 0.5V DC 3746-4 — 20.0V ± 1.0V DC 3746-8 — 40.0V ± 2.0V DC |
| AC output sockets | 4x NEMA 5-15 USA |
| Dimensions | 19.5 x 7.8 x 6.3 in (49.5 x 19.8 x 16.0 cm) |
| Net Weight | 18.8 lbs (8.5 kg) |
Note:
All specifications are typical at nominal line, half load, and 77ºF (25ºC) unless otherwise noted. Specifications are subject to change without notice.
DISPOSAL OF INVERTER
Electronic products are known to contain materials that are toxic if improperly disposed of. Contact local authorities for disposal and recycling information.
APPENDIX A: CABLE GAUGE GUIDE
Cable recommendations are for full 8,000-watt output.
| Item Number | Total Cable Length (feet) | 6 | 8 | 10 | 12 | 14 | 16 | 18 | 20 | Fuse (Amps) |
| #3746 | Gauge (AWG) | 00×2 | 000×2 | 00×3 | 00×3 | 00×4 | 000×4 | — | — | 800 |
| #3746-4 | 0 | 0 | 00 | 000 | 0000 | 0000 | 00×2 | 00×2 | 400 | |
| #3746-8 | 6 | 6 | 4 | 4 | 2 | 2 | 2 | 2 | 200 |
For installations that are stationary or in vessels that have no grounded frame, measure and use all lengths of cable that connect the battery or battery bank to the inverter. Measure from battery positive (+) to inverter positive (+), then add battery negative (-) to inverter negative (-). Use this Total Cable Length to determine the correct cable gauge in the table in “Appendix A”.

Many inverter installations are in 12V negative-ground vehicles. It is possible to use the vehicle frame as the part of the negative (-) conductor back to the battery or battery bank. To determine the Total Cable Length in this case, add all cable lengths. Do not include the vehicle chassis. If installing in-vehicle, ground inverter to chassis. Do not ground the inverter to the negative terminal.

Limited Warranty
The WAGAN Corporation warranty is limited to products sold only in the United States.
Warranty Duration:
Product is warranted to the original purchaser for a period from the original purchase date, to be free of defects in material and workmanship. WAGAN Corporation disclaims any liability for consequential damages. In no event will WAGAN Corporation be responsible for any amount of damages beyond the amount paid for the product at retail.
Warranty Performance:
During the warranty period, a product with a defect will be replaced with a comparable model when the product is returned to WAGAN Corporation with an original store receipt. WAGAN Corporation will, at its discretion, replace or repair the defective part. The replacement product will be warranted for the balance of the original warranty period. This warranty does not extend to any units which have been used in violation of the written instructions furnished.
Warranty Disclaimers:
This warranty is in lieu of all warranties expressed or implied and no representative or person is authorized to assume any other liability in connection with the sale of our products. There shall be no claims for defects or failure of performance or product failure under any theory of tort, contract or commercial law including, but not limited to negligence, gross negligence, strict liability, breach of warranty, and breach of contract.
Returns:
WAGAN Corporation is not responsible for any item(s) returned without an official Return Authorization number (RA#). Please contact our customer service team by phone or email to obtain an RA#. You can also visit our website and chat with our team during our normal business hours. For more details and instructions on how to process a warranty claim, please read the “Returns” section under the “Contact” page on our website. WAGAN Corporation is not responsible for any shipping charges incurred in returning the item(s) back to the company for repair or replacement.
Register your product online at http://tinyurl.com/wagan-registration to be added to our email list. You will receive previews on our upcoming products, promotions, and events.
©2021
31088 San Clemente Street
Hayward, CA 94544, U.S.A.
Tel: +1.510.471.9221
U.S. & Canada Toll Free: +1.800.231.5806 customerservice@wagan.com
www.wagan.com


















