tbs electronics powersine PS1000-12 Professional DC to AC Sinewave Inverter

Before proceeding with this owner’s manual, please make sure you have carefully read the installation guide on the backside of this paper!
Powersine display and control overview

note 1 :
DC errors are too low or too high battery voltage and too high input ripple voltage. A ripple voltage error can be caused by a too small battery, too long battery cables, bad DC connections or too small battery cable wire gauge.
note 2 :
Operating in DC error mode, the inverter restarts automatically when the battery voltage returns to the normal inverter input voltage range again. If the DC error is caused by an input ripple voltage error, the inverter needs to be restarted manually. Operating in output overload or short circuit error, the inverter automatically restarts after 20 seconds. Operating in high temperature error, the inverter restarts automatically when the inverter temperature has reached a normal temperature level again. All error types are allowed maximal four times in a row within a certain time period. When more than four errors are counted within this time period, the inverter remains operating in an error mode and needs to be restarted manually.
Dipswitch settings
During step 5 of the installation sequence, you can alter the factory settings of the dipswitches to change the inverter’s functionality on a few points. The following settings can be made :

Automatic standby (ASB) mode
When the inverter is not supplying power to an appliance for a longer time, it is recommended to use the inverter in the “Auto Standby” (ASB) mode to heavily reduce the inverter’s own power consumption. In this case the power switch must be pushed in th “II” position. In the ASB mode the inverter will generate a testpulse on it’s output once per second, to check if there is a load applied. When a load is connected to the inverter output (or switched on) drawing more than approx. 10W, the inverter jumps to the continuous mode immediately, delivering power to the load. When the load is disconnected again (or switched off), after 4 seconds the inverter jumps back to the pulsed output ASB mode. This way the inverter automatically jumps to a low power mode when there is no power demand on the output.
Note that some loads like TV/video equipment (with standby mode) and alarm clocks need continuous power so that the ASB mode can not be used. With some small non compensated loads, it is possible that the inverter jumps from continuous output to pulsed output and vice versa all the time. In this case you will have to connect a small additional load to the AC output.
Acoustical alarms
To warn you before the inverter might shut down, the inverter is equipped with an acoustical alarm. There are three kinds of acoustical alarms depending on the cause of possible inverter shutdown. These alarms are related to the red LED blinking sequences mentioned in chapter 1. The following acoustical alarms are available :
- Alarm 1 One beep per second. The battery voltage has reached a too low or too high level. If the battery voltage respectively decreases or increases any further, the inverter shuts down.
- Alarm 2 Two beeps per second. The inverter will shut down soon due to an overloaded output. Note that at heavy overloads the alarm will not sound due to too fast inverter shut down.
- Alarm 3 Three beeps per second. The inverter will shut down when it’s temperature is rising another three degrees Celsius.
Alarm relay
This inverter is equipped with a potential free alarm relay. This relay will be activated when the inverter shuts down and jumps to an error mode as described in chapter 1. The alarm relay de-activates again when the error mode has been cleared and the inverter is running in normal operating mode again. On pins 1,2 and 3 of the 5 pins screw terminal located in the connection compartment, both normally closed and normally open contacts are available. Please make sure not to exceed the maximum relay contact rating of 60V and 1A to avoid damaging the relay.
Inverter load requirements
Before you connect your appliance(s) to the inverter, always check it’s maximum power consumption. Do not connect appliances to the inverter needing more than the nominal power rating of the inverter continuously. Some appliances like motors or pumps, draw large inrush currents in a startup situation. In these conditions, it is possible that the startup current exceeds the overcurrent trip level of the inverter. In this case the output voltage will shortly decrease to limit the output current of the inverter. If this overcurrent trip level is continuously exceeded, the inverter will shut down and restart within 20 seconds. In this case it is advisable to disconnect this appliance from the inverter, since it requires to much power to be driven by this inverter. The inverter will not restart automatically when it has shut down due to overloads for four times in a row. In this case, the inverter needs to be restarted manually. Note that at higher ambient temperature levels, the overload capacity of the inverter reduces.
Troubleshooting guideline
| Problem | Possible cause | Remedy |
| Inverter is not working (all indicators are off). | Power switch in OFF (0) position. | Push the power switch in the ON (I) or ASB (II) position. |
| Poor contact between the inverter’s battery wires and the battery terminals. | Clean battery terminals or inverter wire contacts. Tighten battery terminal screws. | |
| Blown inverter fuse. | The inverter has to be returned for service. | |
| Very poor battery condition. | Replace battery. | |
| ‘Battery voltage too low or too high’ error keeps on appearing. | Poor battery condition. | Replace battery or charge it first. |
| Poor connection or inadequate wiring between battery and inverter, resulting in too much voltage drop. | When extending the battery wires of the inverter make sure you use the correct wire gauge (1.5 times larger than the fixed battery wires). It’s not advisable to extend the battery wires to more than 3 meters. | |
| General failure in your electrical system (in case of no direct battery connection). | Check your electrical system or consult an electrical engineer to check it for you. | |
| Too high ripple voltage on DC input. | Check battery wire connections. Decrease battery wire length. Increase battery size. Make sure that no other equipment on the same battery is generating a high ripple voltage. | |
| ‘Output overload or short circuit’ error keeps on appearing. | Inverter is overloaded. | Make sure that the total power rating of the connected equipment is lower than the nominal inverter power rating. |
| Connected equipment causes a short circuit at the inverter’s output. | Make sure that the connected equipment is not broken or malfunctioning. Check if the AC power cord between the inverter and the connected equipment is ok. Any physical damage on the power cord can produce a short circuit. | |
| Connected equipment causes a too large inrush current. | Try to power-up connected equipment successively, and not simultaneously. Otherwise stop using the connected load, it’s not suitable to power it with this inverter. | |
| ‘High temperature error’ keeps on appearing.
Note : Do not turn off the inverter when it’s operating in an ‘High temperature error’. The inverter needs this error time to cool down. | Airflow around the inverter is obstructed. | Make sure there is at least 10 centimeters of clearance around the inverter. Remove any items placed on or over the inverter. Keep the inverter away from direct sunlight or heat producing equipment. |
| Too high ambient temperature. | Move the inverter to a cooler environment or provide additional cooling by an external fan. |
Warranty conditions
TBS Electronics (TBS) warrants this inverter to be free from defects in workmanship or materials for 24 months from the date of purchase. During this period TBS will repair the defective inverter free of charge. TBS is not responsible for any costs of the transport of this inverter. This warranty is void if the inverter has suffered any physical damage or alteration, either internally or externally, and does not cover damage arising from improper use1), attempting to operate the inverter with excessive power consumption requirements, or from use in an unsuitable environment. This warranty will not apply where the product has been misused, neglected, improperly installed or repaired by anyone other than TBS. TBS is not responsible for any loss, damage or costs arising from improper use, use in an unsuitable environment, improper installing of the inverter and inverter malfunctioning. Since TBS cannot control the use and installation (according to local regulations) of their products, the customer is always responsible for the actual use of these products. TBS products are not designed for use as cricital components in life support devices or systems, that can potentially harm humans and/or the environment. The customer is always responsible when implementing TBS products in these kind of applications. TBS does not accept any responsibility for any violation of patents or other rights of third parties, resulting from the use of the TBS product. TBS keeps the right to change product specifications without previous notice.
Examples of improper use are :
- Too high input voltage applied
- Reverse connection of battery polarity
- Mechanical stressed enclosure or internals due to harsh handling and/or incorrect packaging
- Backfeed via inverter output from external power source like public grid or generator
- Contact with any liquids or oxidation caused by condensation
Technical specifications
| Parameter | PS1000-12 | PS1400-24 | PS1600-12 | PS1800-24 | PS1800-48 |
| Output power1) Pnom | 850VA | 1000VA | 1300VA | 1400VA | 1400VA |
| P10min | 1050VA | 1450VA | 1600VA | 1800VA | 1800VA |
| Psurge | 2000VA | 2800VA | 2500VA | 3000VA | 3000VA |
| Output voltage | 230VAC±2% or 115V±2% (True sinewave) | ||||
| Output frequency | 50Hz±0.05% or 60Hz±0.05% | ||||
| Admissible cosφ of load | All loads are accepted | ||||
| Input voltage (±3%) Nom. | 12V | 24V | 12V | 24V | 48V |
| Range | 10.52) – 16V | 212) – 31V | 10.52) – 16V | 212) – 31V | 412) – 60V |
| Maximum efficiency | 92% | 92% | 92% | 92% | 96% |
| Noload power consumption3) [ASB] | < 9.6W [2.5W] | < 12W [3.5W] | < 9.6W [2.5W] | < 12W [3.5W] | < 12W [4.7W] |
| Operating temperature range | -20°C to +50°C | ||||
| ASB Threshold | Pout = 10W | ||||
| Protections against | Short circuit, overload, high temperature, AC backfeed, high/low battery voltage and high input ripple voltage | ||||
| DC input connection | 2 x 1.5 meter, 25mm2 | 2 x 1.5 meter, 35mm2 | 25mm2 | ||
| AC output connection | Screw terminals | ||||
| Enclosure size (L x W x H) | 351 x 210 x 114mm | ||||
| Total weight | 10.5kg | ||||
| Protection class | IP21 (vertical mounting) | ||||
| The inverter complies with the following standards | EN61000-6-3 (EN55022), EN61000-6-2 (EN61000-2/3/4, EN61000-4-3), LVD 73/23/EEC (EN60335-1) | ||||
Note: the given specifications are subject to change without notice.
- Measured with resistive load at 25°C ambient. Power ratings are subject to a tolerance of 4% and are decreasing as temperature rises with a rate of approx. 1.2%/°C starting from 25°C.
- Undervoltage limit is dynamic. This limit decreases with increasing load to compensate the voltage drop across cables and connections.
- Measured at nominal input voltage and 25°C.
Declaration of conformity
1689 AR Zwaag The Netherlands Declares that the following products : PRODUCT TYPE : DC to AC Sinewave inverter MODELS : PS1000-12, PS1400-24, PS1600-12, PS1800-24, RoHS Directive 2011/65/EU The above product is in conformity with the following harmonized standards : EN61000-6-3: 2011 EMC – Generic Emissions Standard EN61000-6-2: 2005 EMC – Generic Immunity Standard
- Please read this document very carefully to avoid inverter malfunction, shock and/or fire hazards!
- This document provides a brief overview of a stand alone inverter installation. For long term safe and troublefree operation, it is very important to read the owner’s manual on the rear side of this paper as well!
- Please follow the exact installation sequence as given below. Skipping one or more steps could result in inverter malfunctioning or shock and/or fire hazards!
UNPACKING
The inverter package should contain the following items :
- Inverter (incl. DC cables).
- This Installation guide / Owner’s manual.
- 2x M10 crimp terminals.
- 4x Mounting screws.
LOCATION
Prior to inverter mounting, please make sure that the mounting location meets the following requirements :
- Install the inverter in a well ventilated room.
- Avoid any contact with water or other liquids on the inverter. Do not expose the inverter to rain or moisture.
- Do not place the unit in direct sunlight or other high temperature environments. Ambient air temperature should be between 0°C and 40°C (humidity < 95% non condensing). Note that in some extreme situations the inverter’s case temperature can exceed 70°C.
- Do not obstruct the airflow around the inverter. Leave at least 10 centimeters clearance around the inverter. Do not place items on or over the inverter while it’s operating. When the inverter is running to hot, it will shut down until a safe temperature level is reached to restart the inverter.
- Never use the inverter at locations where there is gas or explosion danger.
- Do not expose the inverter to dusty environments.
- Do not install the inverter directly above the batteries. Battery gasses can cause explosions and have corrosive properties which may cause damage to the inverter.
BATTERY PRECAUTIONS
- Working in vicinity of a lead acid battery is dangerous. Batteries can generate explosive gases during operation. Never smoke or allow a spark or flame in vicinity of a battery. Provide sufficient ventilation around the battery.
- Wear eye and clothing protection. Avoid touching eyes while working near batteries. Wash your hands when done.
- If battery acid contacts skin or clothing, wash immediately with soap and water. If acid enters eye, immediately flood eye with running cold water for at least 15 minutes and get medical attention immediately.
- Be careful when using metal tools in vicinity of batteries. Dropping a metal tool onto a battery might cause a shorted battery and an explosion.
- Remove personal metal items such as rings, bracelets, necklaces, and watches when working with a battery. A battery can produce a short circuit current high enough to weld a ring or the like to metal, causing severe burns.
INVERTER

CONNECTION
WARNING
Before making any electrical connections to your inverter, carefully read all safety instructions below!
- Make sure that your complete inverter installation including all AC and DC connections, are in accordance to all locally applicable regulations.
- Operation of your inverter without proper grounding may lead to hazardous situations. Use the inverter chassis ground terminal between the fans, to connect to your central ground (vehicle chassis, grounding system of your boat etc.).
- This inverter has a floating AC output. The neutral (N) output should be connected to chassis ground (PE) to ensure proper functioning of a GFCI (Ground Fault Circuit Interrupter). Please check your local regulations for further details.
- Never remove the connection compartment panel when the battery is still connected to your inverter. Before removing the panel for service, always disconnect the battery and activate the inverter (power switch in position I) for at least 10 seconds to discharge all internal capacitors. This procedure should also be followed prior to transporting your inverter.
- To avoid inverter damage, always check if your battery voltage corresponds to the input voltage range of your inverter.
- Always install a DC fuse inline with the battery positive (+) cable, as near as possible to the battery.
- Make sure to connect the battery to the inverter using the correct polarity. The red DC cable must be connected to the positive (+) terminal, and the black DC cable to the negative (-) terminal of the battery. Exchanging these cables will damage the inverter permanently. This damage is not covered by the warranty.
- Never connect the inverter’s AC output to an external AC source. This may damage the inverter.
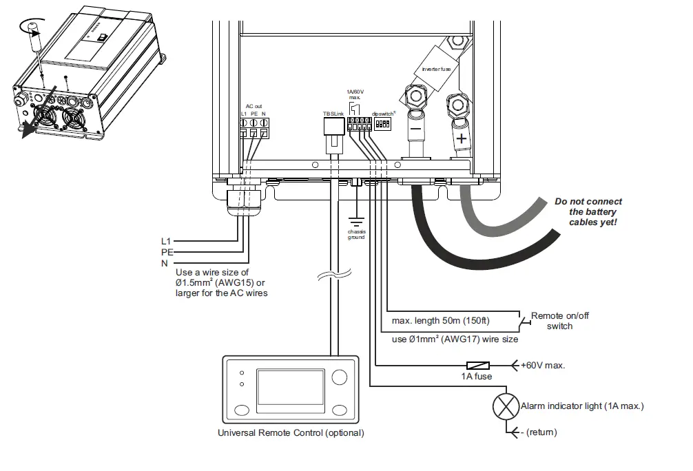
MAKING AC OUTPUT AND CONTROL CONNECTIONS

MAKING DC INPUT CONNECTIONS




















