HAMOKI HC-1 Heated Cupboard Plate Warmer

Safety Tips
WARNING!
ANY REFITTING, CHANGING, INCORRECT INSTALLATION, ADJUSTMENTS AND INCORRECT MAINTENANCE PROCEDURES CAN LEAD TO PROPERTY LOSS AND CASUALTY.
PLEASE CONTACT THE SUPPLIER IF YOU NEED TO CHANGE THE SETTINGS AND THIS DEVICE SHOULD BE HANDLED BY AUTHORIZED PROFESSIONALS ONLY THIS MACHINE MUST BE GROUNDED FOR SAFETY PURPOSES.
Structure
- BODY
- DOOR
- HANDLE
- TEMPERATURE KNOB
- POWER SWITCH
- PLUG
- MIDDLE BOARD FUNCTIONS

Installation
- The voltage used must be coordinated with the supplied voltage.
- User should install a suitable switch, fuse and tripod socket near the machine.
- The body of this machine must be grounded. Do not put any insulated objects between the body of the machine and ground to avoid any accidents.
- Before using, check whether every connection is formed, and voltage is normal.
- Do not open the door to insert or remove any dishes while the machine is working in case of an accident.
- While cleaning the machine, cut off the power first and use a wet towel with non corrosive cleaner to clean. Do not clean the machine with a water jet.
- The range of temperature is 20 to 110 ℃. The temperature can be controlled. The recommended temperature setting to use is 60 to 80 ℃.
- Do not store any flammable objects near the machine.
- The installation of this machine must be done by technician or qualified persons.
- Check if the installation of power supply is normal, and make sure the supplied voltage is coordinated with the voltage.
- Plug the machine in and turn on the power switch. The green indicator on shows the machine is on.
- Turn the temperature controller clockwise to set temperature according to your requirements.
- There are two levels in the chamber. Dishes can put on these two levels.
- Temperature can be adjusted according to different dishes. The machine should take about 35 minutes from start til the temperature gets to 80 ℃.
- When temperature gets to the setting degree, the temperature controller will cut off power automatically. When the temperature lowers than the standard degree, the temperature controller will start to heat dishes. It will repeat.
- After use, ensure the temperature controller is in the off position and turn off the switch. Unplug the machine and cut off the power supply
| NAME | SINGLE DOOR PLATE WARMER | SINGLE DOOR PLATE WARMER | DOUBLE DOOR PLATE WARMER |
| MODEL | HC-1M | HC-1 | HC-2 |
| VOLTAGE | 220~240V | 220~240V | 220~240V |
| POWER | 400W | 750W | 1200W |
| TEMPERATURE RANGE | 30~85℃ | 30~85℃ | 30~85℃ |
| DIMENSIONS | 450×405×545 | 450×485×850 | 750×510×850 |
| WEIGHT (kg) | 24 | 32 | 45.5 |
This machine is commercial machine. This equipment must be operated by trained cook or professionals.
Do not disassemble and refit it and install it at a slant.
- Do not clean the product with a water jet or soak the electric box in water while cleaning.
Before cleaning, please unplug the plug and cut off the power to avoid electrocution. - Do not use another power supply with different voltage.
- Do not use main switches that are not coordinated with safety regulations.
- Do not put heavy objects onto the machine.
- Any abnormal operation or abuse of this machine and failure to follow the guides in this manual will cause damage and malfunction.
- Handle With Care to avoid scalding.
- During operation, do not touch the machine.
- During a thunderstorm, shut off the main switch to avoid damage by lightning strike.
- Do not use hard or sharp objects to destroy the surface of the body and the panel of the machine.
- After using, please shut off the main switch
- The installation and maintenance of this machine should be done by professionals.
- If power cord is damaged, refer to supplier.
Transportation and storage:
During transportation, the machine should be careful handled. Please avoid shaking. The packaged machine should not be stored in open air. It should be put in a ventilated warehouse without caustic gas. It should not be put upside down. If it needs to be stored in open air temporarily, measures to protect against severe weather is needed.
Daily Maintenance Checks:
Before using:
Whether the machine is tilted?
Whether the power cord is old, broken or damaged?
Whether the control panel is damaged?
After using:
Whether there is strange smell?
Whether the upper and lower module plate cannot be heated at the same time? Is there any strange sounds?
Stop using if there is suspected problems in the circuit or machine. Get the machine checked and maintained by a professional as soon as possible.
Cleaning and maintenance:
- Cut off the power supply before cleaning to avoid accidents and hazards.
- Clean weekly by using a wet towel with non-corrosive cleanser to clean the lower board, surface of the body and power cord. Do not wash the machine with a water jet, in the event of water infiltration into the machine, it will destroy the electric function.
- When not in use, please turn off temperature controller and main switch.
- Please store the equipment in a ventilated storehouse without corrosive gas.
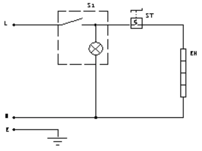
Circuit Diagram

S1-SWITCH
ST-TEMPERATURE CONTROLLER
EH-HEATING TUBE
Solid Diagram

- UPPER BOARD
- BRACKET
- CERAMIC ROW
- UPPER INSIDE BOARD
- TEMPERATURE CONTROLLER
- CONTROL PANEL
- KNOB OF TEMPERATURE CONTROLLER
- DECORATE PANEL
- SWITCH
- HEAD TIP
- HINGE
- SUPPORT THREAD
- INSULATION BOARD
- DOOR
- HANDLE
- SCREW M8×20
- SCREW M4×10
- PROTECTION BOARD OF HEATING TUBE
- HEATING TUBE
- SCREW M4×8
- NIP OF HEATING TUBE
- LOWER INSIDE BOARD
- SUPPORT BAR
- FIBERGLASS
- BOTTOM BOARD
- BLOCK BOARD
- TIE-IN OF POWER CABLE
- INNER BOARDING
- OUTER BOARDING
- FIBERGLASS PIECE
- EMPTY RIVET
Solid Diagram

- UPPER BOARD
- BRACKET
- CERAMIC ROW
- UPPER INSIDE BOARD
- TEMPERATURE CONTROLLER
- CONTROL PANEL
- KNOB OF TEMPERATURE CONTROLLER
- DECORATE PANEL
- SWITCH
- HEAD TIP
- HINGE
- SUPPORT THREAD
- INSULATION BOARD
- DOOR
- HANDLE
- SCREW M8×20
- SCREW M4×10
- PROTECTION BOARD OF HEATING TUBE
- HEATING TUBE
- SCREW M4×8
- NIP OF HEATING TUBE
- LOWER INSIDE BOARD
- SUPPORT BAR
- FIBERGLASS
- BOTTOM BOARD
- BLOCK BOARD
- TIE-IN OF POWER CABLE
- INNER BOARDING
- OUTER BOARDING
- FIBERGLASS PIECE
- EMPTY RIVET
WARRANTY
WARRANTY Hamoki Ltd warrants the original purchaser of every new product (under normal and proper use and maintenance service as specified by Hamoki Ltd and upon proper installation and start-up in accordance with the instruction packet supplied with each unit) a one year parts warranty.
Hamoki Ltd’s obligation under this warranty is limited to a period of one (1) year from the date of original installation.
WARRANTY CLAIMS:
All claims for parts must be made directly through the retailer in the first instance. All claims raised with the retailer should include:
Your name:
Model number:
Your company:
Serial number of the product:
Address: Date of purchase:
Email: Proof of purchase :
Phone:
Information supporting the alleged defect.(A video/photo)
Photo of the dataplate.
Customer Support





















