TRANE XR103 Non-Programmable Heat Pump Thermostat

Safety
WARNING
FAILURE TO READ AND FOLLOW ALL INSTRUCTIONS CAREFULLY BEFORE INSTALLING OR OPERATING THIS CONTROL COULD CAUSE PERSONAL INJURY AND/OR PROPERTY DAMAGE.
This information is intended for use by individuals possessing adequate backgrounds of electrical, mechanical, HVAC and experience. Any attempt to repair a HVAC system may result in personal injury and/or property damage. The manufacturer or seller cannot be responsible for the interpretation of this information, nor can it assume any liability in connection with its use.
LIVE ELECTRICAL COMPONENTS!
During installation, testing, servicing, and troubleshooting of this product, it may be necessary to work with live electrical components. Failure to follow all electrical safety precautions when exposed to live electrical components could result in death or serious injury. Do not use on circuits exceeding specified voltage. Higher voltage will damage control and could cause shock or fire hazard. Do not short out terminals on gas valve or primary control to test. Short or incorrect wiring will burn out thermostat and could cause personal injury and/or property damage.
CAUTION
To prevent electrical shock and/or equipment damage, disconnect electric power to system at main fuse or circuit breaker box until installation is complete. To prevent compressor and/or property damage, if the outdoor temperature is below 55°F, DO NOT operate thecooling system. Do not allow the compressor to run unless the compressor oil heaters have been operational for six hours and the system has not been operational for at least five minutes.
ATTENTION: MERCURY NOTICE
This product does not contain mercury. However, this product may replace a product that contains mercury. Mercury and products containing mercury must not be discarded in household trash. Do not touch any spilled mercury. Wearing non-absorbent gloves, clean up any spilled mercury and place in a sealed container. For proper disposal of a product containing mercury or a sealed container of spilled mercury, place it in a suitable shipping container. Refer to www.thermostat-recycle.org for location to send the product containing mercury.
Product Specifications
SPECIFICATION DESCRIPTION
- Product Models TCONT103
- Product XR 103
- Size 3-7/8” x 5-1/2” x 1-3/16” (HxWxD)
- Configurations Heat Pump
- Maximum Number of Stages 2H/1C
- Operating Temperature 32°F to 105°F (0 to +41°C) / 90% RH Non Condensing
- Shipping Temperature Range -40 to 150°F (-40 to +65°C)
- Input Power (DC) Two 1.5V AAA Alkaline
- Input Power (AC) 20-30 VAC, NEC Class ll, 50/60 HZ
- Terminal Load 1.0A terminal/1.5A combined
- Wire Usage 18 AWG
- System Modes Heating, Cooling, Off, Emergency Heat
- Fan Modes Auto, On
- Indoor Temperature Display Range 45°F to 90°F
*On every application, 24VAC loads should be reviewed to be sure the indoor unit control power transformer is adequately sized.
NOTE: Use 18-gauge color-coded thermostat cable for proper wiring. Shielded cable is not typically required. Keep this wiring at least one foot away from large inductive loads such as Electronic Air Cleaners, motors, line starters, lighting ballasts and large distribution panels. Failure to follow these wiring practices may introduce electrical interference (noise) which can cause erratic system operation. All unused thermostat wire to be grounded at indoor unit chassis ground only. Shielded cable may be required if the above wiring guidelines cannot be met. Ground only one end of the shield to the system chassis.
General Information
Overview
The 103 is a non-programmable HP 2H/1C thermostat with a digital display for use with HP applications only.
Contents
- 1-Thermostat
- 2-Phillips slotted head mounting screws
- 2-Nylon Drywall Anchors
- 1-Installation Guide / User Guide
Installation
Location
The 103 is designed for installation in climate controlled living spaces. Place the unit in a central location with good circulation. For proper temperature sensing, avoid exposing the 103 to heat radiated from lamps, sun light, fireplaces or any other radiant heat source. Avoid locations close to windows, behind doors or alcoves with poor air circulation, adjoining outside walls, or doors that lead to the outside. Select a location that prevents the 103 from being directly exposed to air currents from supply registers or ceiling fans. Mount the Control on a section of interior wall that does not contain hot or cold water pipes or duct work
Mounting / Installation
Follow these steps to mount the 103 Control to the wall.
- Turn OFF all power to heating and cooling equipment.
- If an existing thermostat is being replaced:
- Record color and terminal marking of each wire.
- Disconnect the wires from the existing thermostat being careful not to allow them to fall back into the wall.
- Remove the existing thermostat from the wall.
- Pull the cover off the thermostat body. Forcing or prying on the thermostat will cause damage to the unit.
- Move base over hole in wall and mark mounting hole locations on wall using base as template. (See Fig. 1)
- Move base out of the way. Drill mounting holes. If you are using existing mounting holes pull thermostat wire bundle through the hole in the thermostat base. Secure sub-base to the wall. Leveling is for appearance only and will not affect thermostat operation.
- Connect wires to terminal block on base using appropriate wiring diagram.
- Push excess wire into wall and plug hole with a fire resistant material (such as fiberglass insulation) to prevent drafts from affecting thermostat operation.
- Two “AAA” alkaline batteries are included in the thermostat at the factory with a battery tag to prevent power drainage.
- Remove the battery tag to engage the batteries.
Configuration

Electric/Gas Jumper (Fan Option)
If your emergency or auxiliary system will energize the blower, then jumper W906 on the thermostat base must be cut (see fig. 1). If your emergency or auxiliary heat system requires that the thermostat energize the fan circuit, do not cut jumper W906. If you are unsure of your application, contact a qualified service person.
°F or °C Selection
The factory default setting for temperature display is Fahrenheit. If you want the temperature in Celsius, clip jumper W904.
Fast or Slow Cycle Selection
The factory default setting is fast cycle, which cycles 1st stage at approximately 1.2°F and 2nd stage 0.75°F. If you prefer slow cycle, clip jump W905. The 1st stage and 2nd stage would be 1.5°F and 1.2°F respectively.
O/B Terminal Switch Selection
The O/B switch on this thermostat is factory set to “O” position. This will accommodate the majority of heat pump applications, which require the changeover relay to be energized in COOL. If the thermostat you are replacing or the heat pump being installed with this thermostat requires a “B” terminal, to energize the changeover relay in HEAT, the O/B switch must be moved to the “B” position.
Battery Location
This thermostat does not require batteries to operate. The 2 “AAA” alkaline batteries are for the thermostat to remember the configuration menu selections if AC voltage is lost. If the display shows BATT or when AC power is not present, the batteries are low and should be replaced with fresh “AAA” Energizer® alkaline batteries. For best results, replace all batteries with new premium brand alkaline batteries. To replace the batteries, install the batteries along the bottom (see fig. 2). The batteries must be installed with the positive (+) ends to the right.
Wiring Diagrams
Heat Pump with TAM Series 24V
Heat Pump with S9V2 Furnace
Heat Pump with Variable Speed Gas Furnace
Heat/Cool Package with Variable Speed Blower
Heat Pump Package with Variable Speed Blower
Heat Pump with GAT2, GAM2, TEM3, TEM4
Heat Pump with GAM5A OR TAM4 OR GAF2-36M
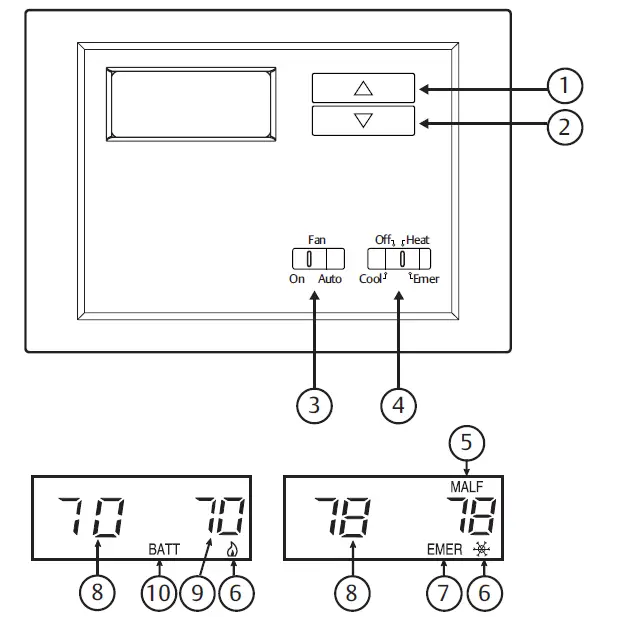
THERMOSTAT OVERVIEW
Before you begin using your thermostat, you should be familiar with its features, display and the location/operation of the thermostat buttons and switches.
Thermostat Operation
The Thermostat Buttons and Switches
- (Up arrow) Raises temperature setting.
- (Down arrow) Lowers temperature setting.
- FAN switch (ON, AUTO).
- SYSTEM switch (COOL, OFF, HEAT, EMER).
The Display - Indicates a malfunction with the system.
- Flame icon ( ) is displayed when the SYSTEM switch is in the HEAT position. Flame icon ( ) is displayed flashing when 2ndstage heat (Aux or Emergency) is energized. Snowflake icon ( ) is displayed (non-flashing) when the SYSTEM switch is in the COOL position. Snowflake and Flame icons are displayed (flashing) if the thermostat is in lockout mode to prevent the compressor from cycling too quickly.
- EMER is displayed flashing when the system switch is in EMER position.
- Displays current temperature.
- Displays currently programmed set temperature (this is blank when SYSTEM switch is in the OFF position).
- “BATT” or is displayed when 2 “AAA” batteries are low and should be replaced.

Whenever BATT or change appears in the display, new premium brand AAA alkaline batteries should be installed. If the house will be unoccupied for an extended period and BATT or change is displayed, install new batteries before leaving.
OPERATING FEATURES
NOTE: To prevent static discharge problems, touch side of thermostat to release static build-up before touching any keys. If at any time during testing your system does not operate properly, contact a qualified serviceperson.
Fan Operation
If your system does not have a G terminal connection, skip to Heating System.
- Turn on power to the system.
- Move fan switch to ON position. The blower should begin to operate.
- Move fan switch to AUTO position. The blower should stop immediately.
CAUTION: Do not allow the compressor to run unless the compressor oil heaters have been operational for 6 hours and the system has not been operational for at least 5 minutes.
Heating System
- Move SYSTEM switch to HEAT position. If the auxiliary heating system has a standing pilot, be sure to light it.
- Press to adjust thermostat setting to 1° above room temperature. The heat pump system should begin to operate. However, if the Flame icon ( ) and Snowflake icon ( ) are flashing, the compressor lockout feature is operating (see Configuration menu, item 3.)
- Adjust temperature setting to 4° above room temperature. The auxiliary heat system should begin to operate and the Flame icon ( ) will be flashing.
- Press to adjust thermostat setting below room temperature. The heating system should stop operating.
Emergency System
EMER bypasses the Heat Pump to use the heat source wired to terminal E on the thermostat. EMER is typically used when compressor operation is not desired, or you prefer back-up heat only.
- Move SYSTEM switch to EMER position. EMER will flash on the display.
- Press to adjust thermostat setting above room temperature. The Aux heating system will begin to operate. The Flame icon ( ) will display flashing to indicate that the Aux system is operating.
- Press to adjust the thermostat below room temperature. The Aux heating system should stop operating.
CAUTION: To prevent compressor and/or property damage, if the outdoor temperature is below 55°F, DO NOT operate the cooling system
Cooling System
- Move SYSTEM switch to COOL position.
- Press to adjust thermostat setting below room temperature. The blower should come on immediately on high speed, followed by cold air circulation.
- Press to adjust temperature setting above room temperature. The cooling system should stop operating.
Configuration Menu
The configuration menu allows you to set certain thermostat operating characteristics to your system or personal requirements. To enter the configuration menu, with SYSTEM switch in OFF position, hold and for at least two seconds. To exit the configuration menu, move the SYSTEM switch from the OFF position.
| Step | Press Button(s) | Displayed (Factory Default) | Press or to select: |
| 1 | Set SYSTEM switch to OFF | ||
| 2 | and for at least 2 seconds | FA (ON) | OFF |
| 3 | and momentarily | CL (ON) | OFF |
| 4 | and momentarily | 0 HI (0) | 3 LO TO 3 HI |
| 5* | and momentarily | dL (ON) | OFF |
| 6 | Move SYSTEM switch from OFF | Return to normal operation | |
- In the run mode, if the setpoint temperature is manually raised by 3°F (2°C) or more above the actual temperature with the TEMPERATURE UP key, and the fast second stage feature is enabled, FA on, the second stage will energize immediately. With FA off, second stage will not energize until the setpoint temperature is 1°F or more above actual temperature for more than ten minutes.
- Select Compressor Lockout CL OFF or ON – Selecting CL ON will cause the thermostat to wait 5 minutes before turning on the compressor if the heating and cooling system loses power. It will also wait 5 minutes minimum between cooling and heating cycles. This is intended to help protect the compressor from short cycling. Some newer compressors already have a time delay built in and do not require this feature. Your compressor manufacturer can tell you if the lockout feature is already present in their system. When the thermostat compressor time delay occurs it will flash the Snowflake and Flame Icons for about five minutes.
- Select Temperature Display Adjustment 3 LO to 3 HI – Allows you to adjust the room temperature display up to 3° higher or lower. Your thermostat was accurately calibrated at the factory but you have the option to change the display temperature to match your previous thermostat. The current or adjusted room temperature will be displayed on the left side of the display.
- Select Backlit Display – (Not available on earlier models) The display backlight improves display contrast in low lighting conditions. Selecting backlight ON will keep the light on continuously. Selecting Backlight OFF will keep the light off.
Troubleshooting
Reset Operation
If a voltage spike or static discharge blanks out the display or causes erratic thermostat operation you can reset the thermostat by pressing and at the same time when system is switched from “OFF” to “HEAT” position. This also resets the factory defaults. If the thermostat has power, has been reset and still does not function correctly contact your heating/cooling service person or place of purchase.
Batteries
For optimum performance, we recommend replacing batteries once a year with fresh “AAA” alkaline batteries.
| SYMPTOM | POSSIBLE CAUSE | CORRECTIVE ACTION |
| No Heat/ No Cool/ No Fan (common problems) | 1. Blown fuse or tripped circuit breaker. 2. Furnace power switch to OFF. 3. Furnace blower compartment door or panel loose or not properly installed. | Replace fuse or reset breaker. Turn switch to ON. Replace door panel in proper position to engage safety interlock or door switch. |
| No Heat | 1. Pilot light not lit. 2. System Switch not set to HEAT. 3. Loose connection to thermostat or system. 4. Furnace Lock-Out Condition. Heat may also be intermittent. 5. Heating system requires service or thermostat requires replacement. | Re-light pilot. Set System Switch to HEAT and raise setpoint above room temperature. Verify thermostat and system wires are securely attached. Many furnaces have safety devices that shut down when a lock-out condition occurs. If the heat works intermittently contact the furnace manufacturer or local service person for assistance. Diagnostic: Set System Switch to HEAT and raise the setpoint above room temperature. WIthin a few seconds the thermostat should make a soft click sound. This sound usually indicates the thermostat is operating properly. If the thermostat does not click, try the reset operation listed above. If the thermostat does not click after being reset contact your heating and cooling service person or place of purchase for a replacement. If the thermostat clicks, contact the furnace manufacturer or a service person to verify the heating is operating correctly. |
| No Cool | 1. System Switch not set to Cool. 2. Loose connection to thermostat or system. 3. Cooling System requires service or thermostat requires replacement. | Set System Switch to COOL and lower setpoint below room temperature. Verify thermostat and system wires are securely attached. Same procedure as diagnostic for No Heat condition except set the thermostat to COOL and lower the setpoint below the room temperature. There may be up to a five minute delay before the thermostat clicks in Cooling. |
| Heat, Cool or Fan Runs Constantly | 1. Possible short in wiring. 2. Possible short in thermostat. 3. Possible short in heat/cool/fan system. 4. Fan Switch set to Fan on. | Check each wire connection to verify they are not shorted or touching together. No bare wire should stick our from under terminal screws. Try resetting the thermostat as described above. If the condition persists the manufacturer of your system or service person can instruct you on how to test the Heat/Cool system for correct operation. If the system operates correctly, replace the thermostat. |
| Furnace (Air Conditioning) Cycles Too Fast or Too Slow (narrow or wide temperature swing) | 1. The location of the thermostat and/or the size of the Heating (Cooling) System may be influencing the cycle rate | Digital thermostats normally provide precise temperature control and may cycle faster than some older mechanical models. A faster cycle rate means the unit turns on and off more frequently but runs for a shorter time so there is no increase in energy use. If you would like to increase the cycle time, clip Jumper W-905 as mentioned in the instructions for Hydronic Heating Systems. It is not possible to shorten the cycle time. If an acceptable cycle rate is not achieved as received or by clipping W-905 contact a local service person for additional suggestions. |
| Thermostat Setting and Thermometer Disagree | 1. Thermostat thermometer setting requires adjustment. | Thermostat thermometer can be adjusted +/-3 degrees. See Temperature Display Adjustment in the Operation section. |
| Blank Display and/ or Keypad Not Responding | 1. Voltage spike or static discharge. | Use the Reset Operation listed above. |
Trane – by Trane Technologies (NYSE: TT), a global climate innovator – creates comfortable, energy efficient indoor environments for commercial and residential applications. For more information, please visit trane.com or tranetechnologies.com.
Trane has a policy of continuous data improvement and it reserves the right to change design and specifications without notice. We are committed to using environmentally conscious print practices.
© 2020 Trane 18-HD55D1-1C-EN (09 Sep 2020) Supersedes 18-HD55D1-1B-EN (31 July 2019)




















