TRANE XR102 Non-Programmable Thermostat

ALL phases of this installation must comply with NATIONAL, STATE AND LOCAL CODES
IMPORTANT — This Document is customer property and is to remain with this unit. These instructions do not cover all variations in systems or provide for every possible contingency to be met in connection with the installation. Should further information be desired or should particular problems arise which are not covered sufficiently for the purchaser’s purposes, the matter should be referred to your installing dealer or local distributor
Safety
WARNING
FAILURE TO READ AND FOLLOW ALL INSTRUCTIONS CAREFULLY BEFORE INSTALLING OR OPERATING THIS CONTROL COULD CAUSE PERSONAL INJURY AND/OR PROPERTY DAMAGE.
This information is intended for use by individuals possessing adequate backgrounds of electrical, mechanical, HVAC and experience. Any attempt to repair a HVAC system may result in personal injury and/or property damage. The manufacturer or seller cannot be responsible for the interpretation of this information, nor can it assume any liability in connection with its use.
LIVE ELECTRICAL COMPONENTS!
- During installation, testing, servicing, and troubleshooting of this product, it may be necessary to work with live electrical components. Failure to follow all electrical safety precautions when exposed to live electrical components could result in death or serious injury.
- Do not use on circuits exceeding specified voltage. Higher voltage will damage control and could cause shock or fire hazard.
- Do not short out terminals on gas valve or primary control to test. Short or incorrect wiring will burn out thermostat and could cause personal injury and/or property damage
CAUTION
- To prevent electrical shock and/or equipment damage, disconnect electric power to system at main fuse or circuit breaker box until installation is complete.
- To prevent compressor and/or property damage, if the outdoor temperature is below 55°F, DO NOT operate the cooling system. Do not allow the compressor to run unless the compressor oil heaters have been operational for six hours and the system has not been operational for at least five minutes.
ATTENTION: MERCURY NOTICE
This product does not contain mercury. However, this product may replace a product that contains mercury.
Mercury and products containing mercury must not be discarded in household trash. Do not touch any spilled mercury. Wearing nonabsorbent gloves, clean up any spilled mercury and place in a sealed container. For proper disposal of a product containing mercury or a sealed container of spilled mercury, place it in a suitable shipping container. Refer to www.thermostat-recycle.org for location to send the product containing mercury.
Product Specifications
| Product Specifications | ||
| SPECIFICATION | DESCRIPTION | |
| Product Models | TCONT102 | |
| Product | XR 102 | |
| Size | 3-7/8” x 5-1/2” x 1-3/16” (HxWxD) | |
| Configurations | Heat / Cool | |
| Maximum Number of Stages | 1H, 1C | |
| Operating Temperature | 32°F to 105°F (0 to +41°C) / 90% RH Non Condensing | |
| Shipping Temperature Range | -40°F to 150°F (-40° to 66°C) | |
| Input Power (DC) | Two 1.5V AAA Alkaline | |
| Input Power (AC) | 20 – 30 VAC, NEC Class ll, 50/60 HZ | |
| Wire Usage | 18 AWG | |
| System Modes | Heating, Cooling, Off | |
| Fan Modes | Auto, On | |
| Cooling Setpoint Temperature Range | 45°F to 90°F, 1°F resolution | |
| Heating Setpoint Temperature Range | 45°F to 90°F, 1°F resolution | |
| Temperature Display Range | 4°F to 99°F, 1°F resolution | |
| Minimum Cycle Off Time Delay | Compressor: 5 minutes, Indoor Heat; none | |
| Terminal Load | 1.0A per terminal, 1.5A maximum all terminals combined | |
| Operating Ambient | 32°F to +105°F (0° to +41°C) | |
| Shipping Temperature Range | -40°F to +150°F (-40° to +65°C) | |
| THERMOSTAT APPLICATION GUIDE | ||
| Thermostat Applications | Maximum Stages Heat/Cool | |
| Gas, Oil, Electric, (mV and 24V), Heat Only, Cool Only or Heat/Cool Systems | 1/1 | |
General Information
Overview
The 102 is a non-programmable 1H/1C thermostat with a 2’’ digital
Contents
- 1-Thermostat
- 2-Phillips slotted head mounting screws
- 2-Nylon Drywall Anchors
- 1-Installation Guide/ User Guide2-Nylon Dryw1-Installation Guide / User Guideall Anchors
Installation
Location
- The 102 is designed for installation in cimate controlled living spaces. Place the unit in a central location with good circulation.
- For proper temperature sensing, avoid exposing the 102 to heat radiated from lamps, sun light, fireplaces or any other radiant heat source.
- Avoid locations close to windows, behind doors or alcoves with poor air circulation, adjoining outside walls, or doors that lead to the outside.
- Select a location that prevents the 102 from being directly exposed to air currents from supply registers or ceiling fans.
- Mount the Control on a section of interior wall that does not contain hot or cold water pipes or duct work.

Mounting / Installation
Follow these steps to mount the 102 Control to the wall.
- Turn OFF all power to heating and cooling equipment.
- If an existing thermostat is being replaced:
- Record color and terminal marking of each wire.
- Disconnect the wires from the existing thermostat being careful not to allow them to fall back into the wall.
- Remove the existing thermostat from the wall.
- Pull the cover off the thermostat body. Forcing or prying on the thermostat will cause damage to the unit.
- Move thermostat body over hole in wall and mark mounting hole locations on wall using base as template. (See Fig. 1)
- Move base out of the way. Drill mounting holes. If you are using existing mounting holes pull thermostat wire bundle through the hole in the thermostat base. Mount sub-base to wall. Leveling is for appearance only and will not affect thermostat operation.
- Connect wires to terminal block on base using appropriate wiring diagram.
- Push excess wire into wall and plug hole with a fire resistant material (such as fiberglass insulation) to prevent drafts from affecting thermostat operation.
- Two “AAA” alkaline batteries are included in the thermostat at the factory with a battery tag to prevent power drainage.
- Remove the battery tag to engage the batteries
IMPORTANT:
- Do not exceed the specification ratings.
- All wiring must conform to local and national electrical codes and ordinances.
- This control is a precision instrument, and should be handled carefully. Rough handling or distorting components could cause the control to malfunction

Battery Replacement
To replace batteries, set system to OFF, remove thermostat cover from wall and install the batteries in the bottom of the thermostat. For best results, use a premium brand “AAA” alkaline battery. If the home is going to be unoccupied for an extended period (over 3 months) and “ ” is displayed the batteries should be replaced before leaving
CAUTION
- Replace batteries when “Change ” is displayed.
- “Change ” indicates batteries have limited remaining life.
- System will not operate with dead batteries
CAUTION
- To prevent compressor and/or property damage, if the outdoor temperature is below 55°F,
- DO NOT operate the cooling system.
- Do not allow the compressor to run unless the compressor oil heaters have been operational for 6 hours and the system has not been operational for at least 5 minutes.
Wiring Diagrams
Cooling with TAM7/TAM9 (24V Mode)
Cooling with GAF2-S
Cooling with S9V2 Furnace
NOTES:
Wire third party condensate overflow switches between Y of the thermostat and Y1 of the airflow control board
Heat Cool Package with Variable Speed Blower
NOTES:
Wire third party condensate overflow switches between Y of the thermostat and Y1 of the airflow control board.
Heat/Cool Package
Cooling with TEM6 or Variable Speed Gas Furnace
Cooling with GAT2, GAM2 & TEM3, 4
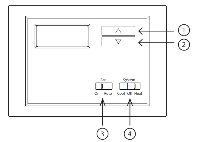
THERMOSTAT OVERVIEW
Before you begin using your thermostat, you should be familiar with its features, display and the location/operation of the thermostat buttons and switches.
THERMOSTAT OPERATION
THE THERMOSTAT BUTTONS AND SWITCHES
- (Up arrow) Raises temperature setting.
- (Down arrow) Lowers temperature setting.
- FAN switch (ON, AUTO).
- SYSTEM switch (COOL, OFF, HEAT).
THE DISPLAY
is displayed when the SYSTEM switch
is in the HEAT position.
is displayed (non-flashing) when the
- SYSTEM switch is in the COOL position.
is displayed (flashing) when the compressor is in lockout mode (5 minute minimum off time).- Displays current temperature.
- is displayed when the 2 “AAA” batteries are low and should be replaced. Nothing else will be displayed.
- Displays currently set temperature (this is blank when SYSTEM switch is in the OFF position).
Whenever
appears in the display, new premium brand AAA alkaline batteries should be installed. If the house will be unoccupied for an extended period and
is displayed, install new batteries before leaving
OPERATING FEATURES
Now that you are familiar with the thermostat buttons and display, read the following information to learn about the many features of the thermostat.
- SIMULTANEOUS HEATING/COOLING SETPOINT STORAGE — You can enter both your heating and cooling setpoints at the same time. There is no need to re-enter the thermostat at the beginning of each season.
- TEMPERATURE SETTING — Press
or
until the display shows the temperature you want. The thermostat will keep the room temperature at the selected temperature. - °F/°C CONVERTIBILITY — The factory default setting is Fahrenheit. Clipping W904 jumper on the circuit board will alter this feature to Celsius temperature setting. See the diagram on page 11.
LOW BATTERY INDICATOR — If the 2 “AAA” alkaline batteries are low and should be replaced, the display will be blank except for ![]()
When the batteries are low, pressing any button will cause the display to operate for ten seconds. After ten seconds, the display will be blank except for
. After
has been displayed for 4 weeks, the thermostat will raise the temperature 10° above your setpoint in COOL mode and drop the temperature 10° below your setpoint in HEAT mode.
TEMPERATURE DISPLAY ADJUSTMENT — Your new thermostat has been accurately set in our factory. However, if you wish, you may adjust your new thermostat temperature display to match your old thermostat. This can be accomplished (within a ±3° range) as follows:
- Press
or
at the same time for two seconds with the SYSTEM switch in OFF position. - Press
or
to adjust the displayed temperature to your desired setting - Move SYSTEM switch from OFF to exit the feature
DISPLAY BACKLIGHT — The display backlight improves display contrast in low lighting conditions. Selecting backlight ON will turn the light on for a short period of time after any button is pressed. Selecting backlight OFF (default) will keep the light off. Turn the display backlight feature ON as follows:
- Press
and
at the same time for two seconds with the SYSTEM switch in HEAT position. The display will alternately show “-L” AND “FF” (off). - Press
or
to change “FF” to “ON.” - Move SYSTEM switch to OFF to exit the feature.
TROUBLESHOOTING
Reset Operation
If a voltage spike or static discharge blanks out the display or causes erratic thermostat operation you can reset the thermostat by pressing
and
at the same tie while moving the SYSTEM switch from OFF to HEAT. This also resets the factory defaults.
If the thermostat has power, has been reset and still does not function correctly contact your heating/cooling service person or place of purchase.
Batteries
For best results, replace batteries once a year with new premium brand alkaline battery
| SYMPTOM | POSSIBLE CAUSE | CORRECTIVE ACTION |
| No Heat/ No Cool/ No Fan (common problem) | 1.) Blown fuse or tripped circuit breaker 2.) Furnace power switch to OFF 3.) Furnace blower compartment door panel loose or not properly installed | 1.) Replace fuse or reset breaker 2.) Turn switch to ON 3.) Replace door panel in proper position to engage safety interlock or door switch |
|
No Cool | 1.) System Switch not set to Cool 2.) Loose connection to thermostat or system 3.) Cooling System requires service or thermostat requires replacement | 1.) Set System Switch to Cool and lower setpoint below room temperature. 2.) Verify thermostat and system wires are securely attached. 3.) Same procedures as diagnostic for “No Heat” condition except set the thermostat to Cool and lower the setpoint below the room temperature. There may be up to a five minute delay before the thermostat clicks in Cooling. |
|
No Heat |
1.) Pilot light not lit 2.) System Switch not set to Heat 3.) Loose connection to thermostat or system 4.) Furnace Lock-Out Condition. Heat may also be intermittent. 5.) Heating System requires service or thermostat requires replacement | 1.) Re-light pilot. 2.) Set System Switch to Heat and raise the setpoint above room temperature. 3:) Verify thermostat and system wires are securely attached. 4.) Many surfaces have safety devices that shutdown when a lock-out condition occurs. If the heat works intermittently contact the furnace manufacturer or local service person for assistance. 5:) Diagnostic: Set SYSTEM Switch to HEAT and raise the setpoint above room temperature. Within a few seconds the thermostat should make a soft click sound. This sound usually indicates the thermostat is operating properly. If the thermostat does not click, try the reset operation listed below. If the thermostat does not click after being reset contact your heating and cooling service person or place of purchase for a replacement. If the thermostat clicks, contact the furnace manufacturer or a service person to verify the heating is operating correctly. |
| Heat, Cool or Fan Runs Constantly | 1.) Possible short in wiring. 2.) Possible short in thermostat. 3.) Possible short in heat/cool/fan system. 4.) FAN Switch set to Fan ON. | Check each wire connection to verify they are not shorted or touching together. No bare wire should stick out from under terminal screws. Try resetting the thermostat as described above. If the condition persists the manufacturer of your system or service person can instruct you on how to test the Heat/Cool system for correct operation. If the system operates correctly, replace the thermostat. |
| Furnace Cycles Too Fast or Too Slow (narrow or wide temperature swing) | 1.) The location of the thermostat and/or the size of the Heating System may be influencing the cycle rate. | Digital thermostats normally provide precise temperature control and may cycle faster than some older mechanical models. A faster cycle rate means the unit turns on and off more frequently but runs for a shorter time so there is no increase in energy use. If you would like to increase the cycle time, clip Jumper W-905 as for Hydronic Heating Systems. It is not possible to shorten the cycle time. If an acceptable cycle rate is not achieved as received or by clipping W-905 contact a local service person for additional suggestions. |
| Thermostat Display & Thermometer Disagree Cooling Cycles Too Fast or Too Slow (narrow or wide temperature swing) | 1. The location of the thermostat and the size of the Cooling System can influence the cycle rate. |
The cycle rate for cooling is fixed and can not be adjusted. Contact a local service person for suggestions. |
| Thermostat Setting and Thermostat Thermometer Disagree | 1. Thermostat thermometer setting requires adjustment. | The thermometer can be adjusted +/- 3 degrees. See Temperature Display Adjustment in the Operation section. |
| Blank Display and/ or Keypad Not Responding | 1. Voltage spike or static discharge. 2. Battery change required. | Replace batteries and check heat/cool system for proper operation. If a voltage spike occurs use the Reset Operation listed above. |
Trane – by Trane Technologies (NYSE: TT), a global climate innovator – creates comfortable, energy efficient indoor environments for commercial and residential applications. For more information, please visit trane.com or
tranetechnologies.com.
Trane has a policy of continuous data improvement and it reserves the right to change design and specifications without notice. We are committed to using environmentally conscious print practices. © 2020 Trane 18-HD54D1-1B-EN (09 Sept 2020)
Supersedes 18-HD54D1-1A-EN (09 Mar 2019)






















