C-LITE C-AR-A-SAL Series LED Area Light

CAUTIONS
IMPORTANT SAFEGUARDS
When using electrical equipment, basic safety precautions should always be followed including the following:
READ AND FOLLOW ALL SAFETY INSTRUCTIONS
- DANGER- Risk of shock- Disconnect power before installation.
- This luminaire must be installed in accordance with the NEC or your local electrical code. If you are not familiar with these codes and requirements, consult a qualified electrician.
- Suitable for Wet Locations.
- INSTALL PHOTOCONTROL OR SHORTING PLUG
- DO NOT SWITCH UNDER LOAD
- Class 1 wiring only.
- SUITABLE FOR OPERATION IN AMBIENT NOT EXCEEDING =50°C.
- No serviceable and replaceable parts
SAVE THESE INSTRUCTIONS FOR FUTURE REFERENCE
NOTE: Fixture will not operate without the supplied shorting cap or a 3-pin or 7-pin NEMA® photocontrol receptacle.
NOTE: Never install fixture without a shorting cap or NEMA® photocontrol installed into photocontrol receptacle.
NOTE: Dimming capabilities are accessible through the NEMA® 7-pin receptacle when used with a NEMA® 7-pin photocontrol with dimming capabilities. If dimming is accomplished using 7-pin NEMA® photocontrol, make sure dimming cord leads are capped off.
- Insert the blades on the supplied shorting cap or customer supplied NEMA® photocontrol into the slots in the photocontrol receptacle on top of the fixture,
NOTE: One blade is wider than the other two blades and must be inserted into the widest slot. Do NOT force blades into receptacle if blades are not properly aligned with slots. - Once blades are inserted into receptacle, rotate photocontrol or shorting cap approximately 1/8 turn clockwise to lock it in place.
INSTALLATION INSTRUCTIONS
SLIP FITTER MOUNTING (Requires use of C-AR-A-SAL-SF Accessory)
NOTE: Maximum tilt angle for the fixture is 45°. Fixture is not to be used as an uplight.
- Disassemble the two halves of the slip fitter by removing 10mm bolt holding halves together. Set bolt aside for later use. See Figure 1.

- Pass fixture’s cord through the fixed base and attach the fixed base to the fixture using (2) supplied 6mm Allen head machine screws. Torque screws to 70 in-lbs. See Figure 2.

- Pass fixture’s cord through the top hole in the lower fitter and out through open end of lower fitter. While gently pulling on the end of the cord, bring the fixed base and lower fitter together and partially re-tighten 10mm bolt removed in Step 1. Do NOT fully tighten bolt at this time. See Figure 3.

- Route supply leads up through 2-3/8” (60 mm) O.D. heavy wall pipe or tenon that the fixture will be mounted on.
- Splice supply leads to fixture leads per the Electrical Connections section.
NOTE: Strain relief is required for electrical connections at mounting heights of 25’ (7.6 m) and above. Knot the supply wires from the pole with the fixture cord inside the pole to provide strain relief. - Route cord and splices into open end of tenon while slipping lower fitter over 2-3/8” (60 mm) O.D. heavy wall pipe or tenon, making sure not to pinch any leads.
- Aim the fixture in the proper direction and hand tighten all four Allen head set screws against the outer wall of the tenon. Once all four screws are hand tightened, secure them by gradually tightening in an “x” pattern to 135 in-lbs (15.25 N•m).
- Tilt the fixture to the desired angle and tighten the 10mm adjustment bolt between the two halves of the fitter to 20 ft-lbs. (27 N•m) to lock the slip fitter in place.
NOTE: Do NOT tilt fixture above 45°. - Unscrew cover over CCT and wattage adjustment switches using a flat blade screwdriver. See Figure 4. Set dip switches to desired values. Reinstall cover.

NOTE: Factory settings are 40K and highest wattage.
DIRECT MOUNT ARM MOUNTING (Requires use of C-AR-A-SAL-DM Accessory)
NOTE: Maximum tilt angle for the fixture is 15°. Fixture is not to be used as an uplight.
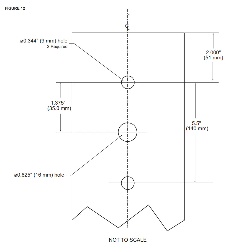
- Use the template in Figure 12 on the last page, for pole drilling if the pole is not predrilled.

NOTE: Template is not to scale. - Disassemble the fixed base from the arm by removing 10mm bolt holding the two halves of the arm together. Open the cover on the arm by removing screw. Set bolt and screw aside for later use. See Figure 5.

- Pass fixture’s cord through the fixed base and attach the fixed base to the fixture using (2) supplied 6mm Allen head machine screws. Torque screws to 70 in-lbs. See Figure 2.
- Pass fixture’s cord through the slot in the fixture side of arm and into inner chamber of the arm. While gently pulling on the end of the cord, bring the fixed base and the arm together and partially re-tighten 10mm bolt removed in Step 2. Do NOT fully tighten bolt at this time. See Figure 6.

- Remove backing plate and gasket from arm by unscrewing (2) 8mm bolts from backing plate. Set bolts, gasket, and backing plate aside. See Figure 7.

- Position backing plate inside pole with large hole in plate aligned with largest hole in pole and outer (2) holes in backing plate aligned with (2) 0.344″ diameter holes in pole.
- Thread (1) 8mm bolt through top holes in arm and pole and into top threaded hole in backing plate. Do not fully tighten bolt at this time.
NOTE: If mounting to a square pole, position radius cut gasket between arm and pole. Do not use gasket if mounting to a 4″ to 5″ diameter round pole. See Figure 8.
- Repeat STEP 7 for second 8mm bolt through lower hole in arm, gasket (if square pole), pole, and into lower threaded hole in backing plate.
- Tighten both upper and lower 8mm diameter bolts to 132 in-lbs. (15 N•m).
- Pass fixture’s cord through the large slot in arm, large hole in gasket (if square pole), pole, backing plate, and into pole. See Figure 9.

- Close arm cover and secure in place with screw removed in Step 2.
- Make wiring connections to cord leads inside pole per the Electrical Connections section.
NOTE: Strain relief is required for electrical connections at mounting heights of 25′ (7.6m) and above. Knot the supply wires from the pole with the fixture cords inside the pole to provide strain relief. - Replace pole cap.
- Tilt the fixture to the desired angle and tighten the 10mm adjustment bolt between the two halves of the knuckle to 20 ft-lbs. (27 N•m).
- Unscrew cover over CCT and wattage adjustment switches using a flat blade screwdriver. See Figure 4. Set dip switches to desired values. Reinstall cover.
NOTE: Factory settings are 40K and highest wattage.
TRUNNION MOUNTING (Requires use of C-AR-A-SAL-TR Accessory)
NOTE: Maximum tilt angle for the fixture is 45°. Fixture is not to be used as an uplight.
- Use (2) slots in trunnion to mark mounting hole locations on chosen mounting surface.
NOTE: Hole spacing is approximately 3-3/8″. - Drill (2) properly sized holes in mounting surface to allow for attachment of trunnion to mounting surface using (2) customer supplied 3/8″ (10mm) fasteners appropriate for mounting surface.
- Mount trunnion to mounting surface using (2) 3/8″ fasteners.
NOTE: Trunnion should be oriented with flat side of base facing toward the ground. See Figure 10.
- Pass the fixture’s cord through the hole in the base of the trunnion and attach the fixture to the base using (2) supplied 6mm Allen head machine screws. Torque screws to 70 in-lbs. See Figure 11.

- Make supply wire connections to cord leads in customer supplied junction box per the Electrical Connections section.
- Remove (2) Phillips screws on sides of trunnion
- Loosen (do not remove) (2) 8mm bolts on sides of trunnion.
- Tilt the fixture to the desired angle.
NOTE: Do not tilt fixture above 45°.
NOTE: Make sure tilt angle chosen is such that one of the outer holes on the side of the trunnion aligns with a hole on the inner surface of the trunnion. This will allow for the tilt locking screws removed in Step 6 to be reinstalled. - Tighten the two 8mm bolts on the side of the trunnion. Torque bolts to 132 in-lbs. (15 N•m).
- Reinstall (2) screws removed in Step 6. Torques screws to 30 in lbs. (3.5 N•m).
- Unscrew cover over CCT and wattage adjustment switches using a flat blade screwdriver. See Figure 4. Set dip switches to desired values. Reinstall cover.
NOTE: Factory settings are 40K and highest wattage.
ELECTRICAL CONNECTIONS
Fixture is equipped with universal volt driver 120-277V (ie. 120V, 208V, 240V or 277V)
PHASE TO NEUTRAL WIRING 120/277V
- Connect supply ground to fixture ground (green) lead.
- Connect supply common to fixture neutral (white) lead.
- Connect supply Vin to fixture hot (black) lead.
Tuck all wires carefully into wiring chamber ensuring that no wires are pinched.
PHASE TO PHASE WIRING 208/240V
- Connect supply ground to fixture ground (green) lead.
- Connect supply L1 (Hot) to fixture neutral (white) lead.
- Connect supply L2 (Hot) to fixture hot (black) lead.
Tuck all wires carefully into wiring chamber ensuring that no wires are pinched.
DIMMING
- Pink (-) and violet (+) leads are for 0-10V dimming systems. Cap off if not used or if dimming is being controlled through 7-pin NEMA photocontrol.
NOTE: For dimming connections, use Class 1 wiring methods only.
FCC NOTICE
CAUTION: Changes or modifications not expressly approved could void your authority to use this equipment.
This device complies with part 15 of the FCC Rules. Operation is subject to the following two conditions: (1) This device may not cause harmful interference, and (2) this device must accept any interference received, including interference that may cause undesired operation. This equipment has been tested and found to comply with the limits for a Class A digital device, pursuant to part 15 of the FCC Rules.
These limits are designed to provide reasonable protection against harmful interference when the equipment is operated in a commercial environment. This equipment generates, uses, and can radiate radio frequency energy and, if not installed and used in accordance with the instruction manual, may cause harmful interference to radio communications. Operation of this equipment in a residential area is likely to cause harmful interference in which case the user will be required to correct the interference at his own expense. CAN ICES-005 (A)/NMB-005 (A)
http://lighting.cree.com/warranty | 1 866 924-3645
































