INSTALLATION INSTRUCTIONS
C-AR-A-AL Series
CAUTIONS
IMPORTANT SAFEGUARDS
When using electrical equipment, basic safety precautions should always be followed including the following:
READ AND FOLLOW ALL SAFETY INSTRUCTIONS
- DANGER- Risk of shock- Disconnect power before installation.
DANGER – Risque de choc – Couper l’alimentation avant l’installation. - This luminaire must be installed in accordance with the NEC or your local electrical code. If you are not familiar with these codes and requirements, consult a qualified electrician.
- Suitable for Wet Locations. dspte pour les Endroits Mouiles.
- Min. 75C supply conductors.
Les fils d’alimentation 75C min. - Class 1 wiring only. Cablage de classe 1 uniquement.
- SUITABLE FOR OPERATION IN AMBIENT NOT EXCEEDING =50°C.
PEUT ETRE UTILISE A UNE TEMPERATURE AMBIANTE N’EXCEDANT PAS 50°C.
SAVE THESE INSTRUCTIONS FOR FUTURE REFERENCE
NEMA ® PHOTOCONTROL RECEPTACLE
NOTE: Fixture will not operate without the supplied shorting cap or a 3-pin or 7-pin NEMA ® photocontrol installed in NEMA ® photocontrol receptacle. NOTE: Never install fixture without a shorting cap or NEMA ® photocontrol installed into photocontrol receptacle.
NOTE: Dimming capabilities are accessible through the NEMA ® 7-pin receptacle when used with a NEMA ® 7-pin photocontrol with dimming capabilities. If dimming is accomplished using 7-pin NEMA ® photocontrol, make sure dimming cord leads are capped off.
- Insert the pins on the supplied shorting cap or customer supplied photocontrol into the slots on the photocontrol receptacle on top of the fixture, NOTE: One pin is wider than the other two pins and must be inserted into the widest slot. Do NOT force pins into receptacle if pins are not properly oriented with slots.
- Once pins are inserted into receptacle, rotate photocontrol or shorting cap approximately 1/8 turn clockwise to lock it in place.
SLIP FITTER MOUNTING
(Requires use of C-AR-A-ALSF Accessory)
NOTE: Maximum tilt angle for the fixture is 45°. Fixture is not to be used as an uplight.
- Pass (2) fixture cords through top hole in lower fitter and out through open end of lower fitter. See Figure 1.
- While gently pulling on the ends of the (2) cords, bring the two halves of fitter together and partially tighten supplied 10 mm bolt with lockwasher and flat washer on bolt to hold the two halves of fitter together. Make sure the lockwasher is positioned closest to the head of the bolt. Do not fully tighten bolt at this time.
- Route supply leads up through 2-3/8” (60 mm) O.D. heavy wall pipe or tenon that the fixture will be mounted on.
- Splice supply leads to fixture leads per the Electrical Connections section. NOTE: Strain relief is required for electrical connections at mounting heights of 25′ (7.6 m) and above. Knot the supply wires from the pole with the fixture cord inside the pole to provide strain relief.
- Route cord and splices into open end of tenon while slipping lower fitter over 2-3/8″ (60 mm) O.D. heavy wall pipe or tenon, making sure not to pinch any leads.
- Aim the fixture in the proper direction and hand tighten all four Allen head set screws against the outer wall of the tenon. Once all four screws are hand tightened, secure them by gradually tightening in an “x” pattern to 140 in-lbs (16 Nm).
- Tilt the fixture to the desired angle and tighten the 10mm adjustment bolt between the two halves of the fitter to 32.5 ft-lbs. (44 N•m) to lock the slip fitter in place.

INSTALLATION INSTRUCTIONS C-AR-A-AL Series
DIRECT MOUNT ARM MOUNTING
(Requires use of C-AR-A-ALDM Accessory)
NOTE: Maximum tilt angle for the fixture is 30°. Fixture is not to be used as an uplight.
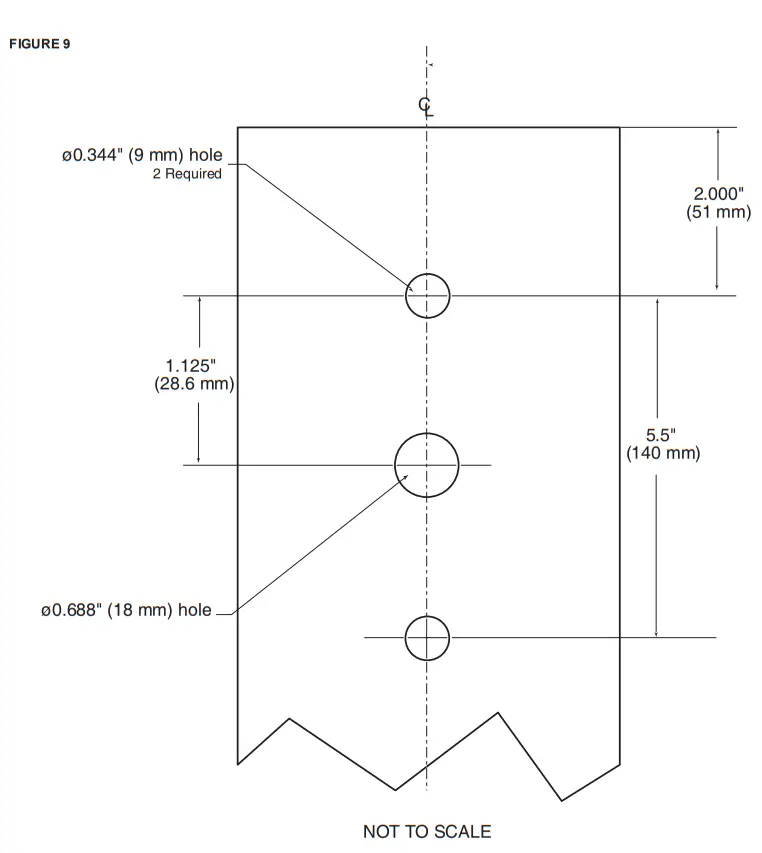
- Use the template in Figure 9 on the last page, for pole drilling if the pole is not predrilled.
NOTE: Template is not to scale. - Remove side cover plate on arm by removing (4) screws holding cover in place. Set screws and cover aside for later use. See
Figure 2 for square poles and Figure 3 for round poles.
3. If backing plate is attached to arm, remove (2) 8mm bolts and washers to free backing plate from arm. - Position backing plate inside pole with large hole in plate aligned with large hole in pole.
- Thread 8mm bolt, with lockwasher and flat washer in place, through top holes in arm and pole and into top threaded hole in backing plate. Do not fully tighten bolt at this time.
NOTE: Lockwasher must be positioned closest to bolt head.
NOTE: If mounting to a square pole, position radius cut gasket between arm and pole. See Figure 2. Do not use gasket if mounting to a 5″ to 6″ diameter round pole. See Figure 3. - Repeat STEP 5 for second 8mm bolt through lower hole in arm, gasket (if square pole), pole, and into lower hole in backing plate.
- Tighten both upper and lower bolts to 18 ft-lbs. (24.5 N•m).
- Pass (2) fixture cords through the slot in fixture side of arm and into the inner chamber of the arm.
- While gently pulling cords through slot in arm, move fixture towards arm, eventually aligning lower knuckle area with upper knuckle area.
- Partially tighten supplied 10 mm bolt with lockwasher and flat washer on bolt to hold the two halves of fitter together. Make sure the lockwasher is positioned closest to the head of the bolt. Do not fully tighten bolt at this time.
- Pass ends of cords through large hole in arm, gasket (if square pole), pole, backing plate, and into pole.
- Make wiring connections to cord leads inside pole per the Electrical Connection section.
NOTE: Strain relief is required for electrical connections at mounting heights of 25′ (7.6m) and above. Knot the supply wires from the pole with the fixture cords inside the pole to provide strain relief. - Tilt the fixture to the desired angle and tighten the 10mm adjustment bolt between the two halves of the knuckle to 32.5 ft-lbs. (44 N•m).
- Carefully replace side cover on the arm using the (4) screws removed in STEP 2. Be careful not to damage the arm gasket. Tighten screws to 20 in-lbs. (2.5 N•m) 15. Replace pole cap.
TRUNNION MOUNTING
(Requires use of C-AR-A-ALTR Accessory)
NOTE: Maximum tilt angle for the fixture is 45°. Fixture is not to be used as an uplight.
- Use keyholes slots in trunnion to mark mounting hole locations on chosen mounting surface.
- Partially thread (2) 5/16″ (8mm) fasteners appropriate for mounting surface into mounting surface at locations marked in STEP 1.
- Feed fixture cords through slot in trunnion. See Figure 4.
- While gently pulling cords through slot in trunnion, move the trunnion towards the fixture, eventually aligning the lower knuckle area with the upper knuckle area. See Figure 5 on the next page.
- Partially tighten supplied 10 mm bolt with lockwasher and flat washer on bolt to hold the two halves of fitter together. Make sure the lockwasher is positioned closest to the head of the bolt. Do not fully tighten bolt at this time.
- Bring fixture to mounting surface and insert heads of 5/16 (8mm) fasteners from STEP 2 through keyhole slots in trunnion.
- Tighten trunnion to mounting surface with (2) fasteners.
- Tilt the fixture to the desired angle and tighten the 10mm adjustment bolt between the two halves of the knuckle to 32.5 ft-lbs. (44 N•m).
- Make wiring connections to cord leads inside water tight wiring compartment (supplied by others) per the Electrical Connection section.
FIGURE 2- Square Pole
FIGURE 3- Round Pole
FIGURE 4

ELECTRICAL CONNECTIONS
Fixture is equipped with universal volt driver 120-277V (ie. 120V, 208V, 240V or 277V)
PHASE TO NEUTRAL WIRING 120/277V
- Connect supply ground to fixture ground (green) lead.
- Connect supply common to fixture neutral (white) lead.
- Connect supply Vin to fixture hot (black) lead.
Tuck all wires carefully into wiring chamber ensuring that no wires are pinched.
PHASE TO PHASE WIRING 208/240V
- Connect supply ground to fixture ground (green) lead.
- Connect supply L1 (Hot) to fixture neutral (white) lead.
- Connect supply L2 (Hot) to fixture hot (black) lead.
Tuck all wires carefully into wiring chamber ensuring that no wires are pinched.
DIMMING
- Pink (-) and violet (+) leads are for 0-10V dimming systems. Cap off if not used or if dimming is being controlled through 7-pin NEMA photocontrol.
NOTE: For dimming connections, use Class 1 wiring methods only.
FCC NOTICE
CAUTION: Changes or modifications not expressly approved could void your authority to use this equipment.
This device complies with part 15 of the FCC Rules. Operation is subject to the following two conditions: (1) This device may not cause harmful interference, and (2) this device must accept any interference received, including interference that may cause undesired operation. This equipment has been tested and found to comply with the limits for a Class A digital device, pursuant to part 15 of the FCC Rules.
These limits are designed to provide reasonable protection against harmful interference when the equipment is operated in a commercial environment. This equipment generates, uses, and can radiate radio frequency energy and, if not installed and used in accordance with the instruction manual, may cause harmful interference to radio communications. Operation of this equipment in a residential area is likely to cause harmful interference in which case the user will be required to correct the interference at his own expense.
CAN ICES-005 (A)/NMB-005 (A)
INSTALLATION INSTRUCTIONS
C-AR-A-AL Series
http://lighting.cree.com/warranty
866.924.3645


















