ALORAIR 260S Crawlspace Ventilator Fan

READ AND SAVE THESE INSTRUCTIONS
SPECIFICATIONS
VentirPro 260 / 2605

Capacity: …………………………………………… 260 CFM
Motor: …………………… 115V AC- 50/60Hz 0.25A
Thermostat: …………. ON at 50°F / OFF at 35°F
Dehumidistat: …………….. 10% – 80% RH Range
Dimensions: ……………………….. 13 ½” x 2 ½” x 9″
Mounting Plate Smallest Adjustable
Dimensions: ……………………………………… 9 ½” x 7″
VentirPro 540 / 5405

Capacity: …………………………………………… 540 CFM
Motor: …………………… 115V AC- 50/60Hz 0.51A
Thermostat: …………. ON at 50°F / OFF at 35°F
Dehumidistat: …………….. 10% – 80% RH Range
Dimensions: …………………….. 15″ x 2 %” x 10 ¼”
Mounting Plate Smallest Adjustable
Dimensions: ………………………………………… 12″ x 9″
VentirPro 720 / 7205

Capacity: …………………………………………… 720 CFM
Motors: …………………… 115V AC- 50/60Hz 0.7A
Thermostat: …………. ON at 50°F / OFF at 35°F
Dehumidistat: …………….. 10% – 80% RH Range
Dimensions: ……………………… 16 ½” x 4 ¼” x 11″
Mounting Plate Smallest Adjustable
Dimensions: …………………………….. 13 ¾” x 10 ¼”
DESCRIPTION
The AlorAir crawlspace ventilator series is designed to circulate fresh outdoor air under the house and porch. Excessive humidity in crawl Spaces is a major cause of premature decay of support columns, joists, floors and beam supports. Humidity can promote fungal growth and increase termite activity. Humidity can also cause pipes to rust, corrode and fail. Continuous operations help release radon gas, treated wood exhaust and other odors that may migrate to living areas. VentirPro 260 / 260S, VentirPro 540 / 540S, and VentirPro 720 / 720s are equipped with a humidity switch. If the relative humidity rises above a selected set value, the dehumidifier will start the fan.
IMPORTANT: All models are equipped with factory pre-installed thermostats to prevent fan operation when outdoor temperatures fall below 35°F. When the outdoor temperature rises to near 50°F, the fan will return to normal operation.
▲ Protection level: IP55. Our motor has better dust proof and water proof performance.
▲ All three crawlspace ventilators are also equipped with stainless steel insect mesh to more effectively block crawlers from entering the fan and the room. (For example, crustaceans and reptiles with bodies larger than 0.14 inches.)
PRECAUTIONS
▲ WARNING!
Crawlspace ventilator fan must be installed by qualified installers in accordance with these instructions and all local codes or, in the absence of such codes, in accordance with the latest version of the International Housing Code and the International Electrical Code. Improper installation may result in dangerous situations such as fire, electric shock, or personal injury. To significantly reduce these risks, use the device only in the manner specified by the manufacturer.
If you have any questions, please contact AlorAir. Always disconnect the crawlspace ventilator before installation and maintenance.
Note:
- For general ventilation only. Do not use to vent dangerous or explosive substances and vapors.
- Disconnect power supply before servicing or replacing fans.
- Keep fingers, tools, clothing, and other foreign material away from fan blades.
WARNING: To reduce the risk of fire or electric shock, do not use this fan with any solid state speed control equipment.
REQUIRED TOOLS
- 5/16″ Nut Driver or flathead screwdriver.
- Drill with 5/16″ masonry bit if mounting on brick or foundation block.
- Grounded electrical outlet within 6 feet of ventilator location.
INSTALLATION
Location: Install crawlspace ventilation in the crawl space behind the existing base ventilation hole. Vents should be installed a minimum of 3 feet from the corner of a building.
Note: Crawlspace fans must be installed in electrical control boxes and motors facing inside the crawlspace.
- Remove the cover of existing doors or ventilation holes around the building.
- Place the crawl space ventilator above the vent.
- If mounted on a base block or brick, mark positions at the four corners of the metal panel and drill 5/16″ holes with a masonry bit. Install wall anchors at the opening and secure the crawlspace ventilator to the wall with 4 screws.
- If installed on a mesh of wood aggregate, edge joists, or existing crawlspace vents, secure crawl space vents with screws, washers, and nuts at the four corners of the metal panel of the vent.
The installation diagram is attached below (as shown in the picture)
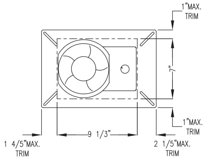
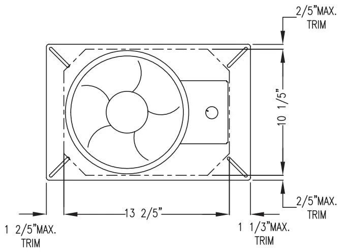
MOUNTING PLATE TRIM DIMENSIONS
If the mounting plate needs to be modified to fit the opening, the following decoration recommendations should be followed.
NOTE: Be careful when trimming the mounting plate to avoid damage to the power cord, and wear protective equipment to avoid scratches!
VentirPro 260 / 260S

VentirPro 540 I 540S

VentirPro 720 / 720S

WIRING DIAGRAM

NOTE: The above operation is only for the minimum size that needs to be cut, if any damage and failure, the company will not bear any responsibility!
FREEZE PROTECTION THERMOSTATIC ACTIVATION RANGE
▲ IMPORTANT: All models are equipped with factory pre-installed thermostats to prevent fan operation when outdoor temperatures fall below 35°F.
NOTE: The dehumidifier control will not operate if the freezer protection thermostat detects a low outdoor temperature.
FAULT DESCRIPTION
Question: What may cause the fan to stop?
Answer:
- First check whether the crawling space reaches the humidity you set or the fan shuts down due to the low outdoor temperature. If it is the above two cases, please reset your fan.
- Check whether your circuit is normal and whether the machine is properly connected to the circuit.
Question: What is the reason for the sudden noise when the fan has been in normal use?
Answer:
- Check whether there is any foreign matter inside the fan, which may cause the noise caused by impacting the wheel blade.
- Check whether the mounting plate is securely assembled. Loose screws and unstable mounting plates may cause noise.
Question: Why is the exhaust air volume obviously lower than before?
Answer:
- The air inlet or air outlet of the fan may be blocked by objects. Please check your use space and the space outside the air outlet.
- Check whether your current and voltage are in standard state.
If the above answers do not solve your problem, please contact us.
GENERAL INFORMATION
Each VentirPro crawlspace ventilator fan is electrically factory-tested prior to shipment. After unpacking, inspect the goods thoroughly for damage. The fan should turn freely and all wires and connections should be firm.
If any damage is found, immediately notify the carrier and your reseller and submit a hidden damage claim.
WARRANTY
ALORAIR TWO YEARS LIMITED WARRANTY
AlorAir warrants to the original purchaser of this product that the product will be free from defects due to faulty material or workmanship for a period of (2) years from the date of original purchase or delivery to the original purchaser, whichever is earlier.
Remedies under this warranty are limited to repairing or replacing, at our option, any product which shall, within the above stated warranty period, be returned to AlorAir at the address listed below, postage prepaid. THERE ARE NO WARRANTIES WHICH EXTEND BEYOND THE DESCRIPTION ON THE FACE HEREOF, AND ALORAIR EXPRESSLY DISCLAIMS LIABILITY FOR INCIDENTAL OR CONSEQUENTIAL DAMAGES ARISING FROM THE USE OF THIS PRODUCT.
THIS WARRANTY IS IN LIEU OF ALL OTHER EXPRESS WARRANTIES AND NO AGENT IS AUTHORIZED TO ASSUME FOR US ANY LIABILITY ADDITIONAL TO THOSE SET FORTH IN THIS LIMITED WARRANTY.
IMPLIED WARRANTIES ARE LIMITED TO THE STATED DURATION OF THIS LIMITED WARRANTY. Some states do not allow limitation on how long an implied warranty lasts, so that limitation may not apply to you. In addition, some states do not allow the exclusion or limitation of incidental or consequential damages, so that above limitation or exclusion may not apply to you. This warranty gives you specific legal rights and you may also have other rights which may vary from State to State.
Send all inquiries regarding warranty work to AlorAir.
IMPORTANT NOTICE: Keep the item’s packaging in case warranty service is required.
AlorAir Solutions INC.
Add: 14 752 Yorba Ct Chino CA 91710 US
Tel: +1 888-990-7469
Email: [email protected]


















