MGC MIX-4041 Dual Input Mini Module

ABOUT THIS MANUAL
This manual is included as a quick reference for installation. For further information on the use of this device with a FACP, please refer to the panel’s manual.
Note: This manual should be left with the owner/operator of this
equipment.
MODULE DESCRIPTION
The MIX-4041 Dual Input module is designed to operate with a listed compatible intelligent fire system control panel. The module can support one Class A or 2 Class B inputs. When configured for Class A operation, the module provides an internal EOL resistor. When configured for Class B operation, the module can monitor two independent input circuits while using only one module address. The address of each module is set using the MIX-4090 programmer tool and up to 240 units may be installed on a single loop. The module has a panel controlled red LED indicator. The LED will flash during normal operation and will become steadily on when the device is in alarm condition.
FIGURE 1 MODULE FRONT

SPECIFICATIONS
- Normal Operating Voltage: 15 to 30VDC
- Alarm Current: 3.3mA
- Standby Current: 2mA with two 22k EOL
- EOL Resistance: 22k Ohms
- Maximum Input Wiring Resistance: 150 Ohms total
- Temperature Range: 32F to 120F (0c to 49C)
- Humidity: 10% to 93% Non-condensing
- Dimensions: 1 1/4”H x 2 3/4” W x 1/2” D
- Connections: 6” pigtail wires
- Accessories: MIX-4090 Programmer
- MP-302 EOL on mounting plate
MOUNTING
Notice: You must disconnect power from the system before installing the module. If this unit is being installed in a system that is currently operational, it is necessary to inform the operator and the local authority that the system will be temporarily out of service. The MIX-4041 input mini module must be installed inside an electrical box or approved enclosure. It cannot be installed free-standing.
WIRING
Note: This device should be installed as per applicable requirements of the authorities having jurisdiction. This device shall be connected to power limited circuits only.
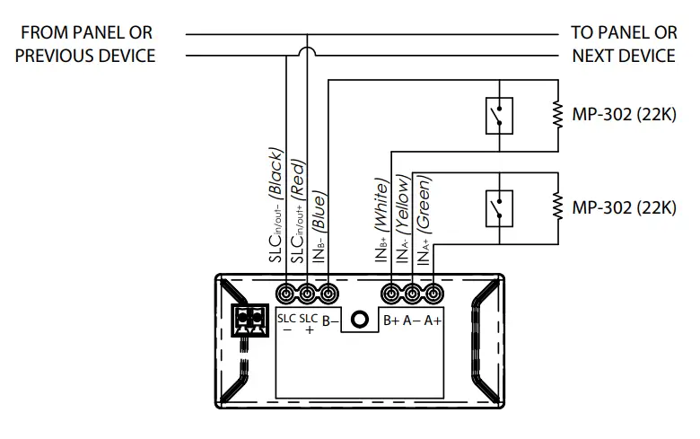
- Install the module wiring as indicated by the job drawings and appropriate wiring diagrams (see Figure 2 for an example of wring for a Class A connected device and Figure 3 for an example of Class B)
- Use the programmer tool to set the address on the module as indicated on the job drawings.
FIGURE 2 SAMPLE CLASS A WIRING:

FIGURE 3 SAMPLE CLASS B WIRING:

25 Interchange way, Vaughan Ontario. L4K 5W3 Phone: 905.660.4655; Fax: 905.660.4113 Web: www.mircom.com



















