unitronics JZ20-R31 HMI Display Unit

General Description
The products listed above are micro-PLC+HMIs, rugged programmable logic controllers that comprise built-in operating panels.
Detailed Installation Guides containing the I/O wiring diagrams for these models, technical specifications, and additional documentation are located in the Technical Library in the Unitronics website:
https://unitronicsplc.com/support-technical-library/
Alert Symbols and General Restrictions
When any of the following symbols appear, read the associated information carefully.
Symbol : Meaning : Description
Danger The identified danger causes physical and property damage.
Warning The identified danger could cause physical and property damage.
Caution Use caution.- Before using this product, the user must read and understand this document.
- All examples and diagrams are intended to aid understanding, and do not guarantee operation. Unironic accepts no responsibility for actual use of this product based on these examples.
- Please dispose of this product according to local and national standards and regulations.
- Only qualified service personnel should open this device or carry out repairs.
- Failure to comply with appropriate safety guidelines can cause severe injury or property damage.
- Do not attempt to use this device with parameters that exceed permissible levels.
- To avoid damaging the system, do not connect/disconnect the device when power is on.
Environmental Considerations
- Do not install in areas with: excessive or conductive dust, corrosive or flammable gas, moisture or rain, excessive heat, regular impact shocks or excessive vibration, in accordance with the standards given in the product’s technical specification sheet.
- Do not place in water or let water leak onto the unit.
- Do not allow debris to fall inside the unit during installation.
- Ventilation: 10mm space required between controller’s top/bottom edges & enclosure walls.
- Install at maximum distance from high-voltage cables and power equipment.
Mounting
Note that figures are for illustrative purposes only.
Dimensions

Note that for JZ20-J modules those dimensions are 7.5 mm (0.295”).
Model : Cut-out : View area
- JZ20-xxx\JZ20-J-xxx 117 x 89mm (4.606”x 3.504”) 66 x 19.2mm (2.598”x 0.755”)
Add-on modules-
Available by separate order for communication and cloning.
Integral USB Port This may be used for programming purposes.
Note: the USB port and an Add-on module cannot be physically connected at the same time.
Add-on: during installation
Add-on: after installation
Installing an Add-on module requires sufficient clearance space.

DIN-rail mounting
Snap PLC onto the DIN rail

USB Port

Panel mounting

Note: Removing the unit requires clearance space. Recommendation: approximately 40mm (1.58”)
Wiring
- Do not touch live wires.
- This equipment is designed to operate only in SELV/PELV/Class 2/Limited Power environments.
- All power supplies in the system must include double insulation. Power supply outputs must be rated as SELV/PELV/Class 2/Limited Power.
- Do not connect either the ‘Neutral or ‘Line’ signal of the 110/220VAC to device’s 0V pin.
- All wiring activities should be performed while power is OFF.
- Use over-current protection, such as a fuse or circuit breaker, to avoid excessive currents into the power supply connection point.
- Unused points should not be connected (unless otherwise specified). Ignoring this directive may damage the device.
- Double-check all wiring before turning on the power supply.
Caution
- To avoid damaging the wire, do not exceed a maximum torque of:
- Controllers offering a terminal block with pitch of 5mm: 0.5 N·m (5 kgf·cm).
- Controllers offering a terminal block with pitch of 3.81mm f 0.2 N·m (2 kgf·cm).
- Do not use tin, solder, or any substance on stripped wire that might cause the wire strand to break.
- Install at maximum distance from high-voltage cables and power equipment.
Wiring Procedure
Use crimp terminals for wiring;
- Controllers offering a terminal block with pitch of 5mm: 26-12 AWG wire (0.13 mm2 –3.31 mm2).
- Controllers offering a terminal block with pitch of 3.81mm: 26-16 AWG wire (0.13 mm2 – 1.31 mm2).
- Strip the wire to a length of 7±0.5mm (0.270–0.300“).
- Unscrew the terminal to its widest position before inserting a wire.
- Insert the wire completely into the terminal to ensure a proper connection.
- Tighten enough to keep the wire from pulling free.
Wiring Guidelines
- Use separate wiring ducts for each of the following groups:
- Group 1: Low voltage I/O and supply lines, communication lines.
- Group 2: High voltage Lines, Low voltage noisy lines like motor driver outputs.
Separate these groups by at least 10cm (4″). If this is not possible, cross the ducts at a 90˚angle.
- For proper system operation, all 0V points in the system should be connected to the system 0V supply rail.
- Product-specific documentation must be fully read and understood before performing any wiring.
Allow for voltage drop and noise interference with input lines used over an extended distance. Use wire that is properly sized for the load.
Earthing the product
To maximize system performance, avoid electromagnetic interference as follows:
- Use a metal cabinet.
- Connect the 0V and functional ground points (if exist) directly to the earth ground of the system.
- Use the shortest, less than 1m (3.3 ft.) and thickest, 2.08mm² (14AWG) min, wires possible.
UL Compliance
The following section is relevant to Unitronics’ products that are listed with the UL.
The following models: JZ20-R10,JZ20-J-R10,JZ20-R16,JZ20-J-R16,JZ20-J-R16HS, JZ20-R31,
JZ20-J-R31,JZ20-J-R31L,JZ20-T10,JZ20-J-T10,JZ20-T18,JZ20-J-T18,JZ20-J-T20HS,JZ20-T40, JZ20-J-T40,JZ20-UA24, JZ20-J-UA24, JZ20-UN20,JZ20-J-UN20, JZ20-J-ZK2. are UL listed for Ordinary Location.
UL Ordinary Location
In order to meet the UL ordinary location standard, panel-mount this device on the flat surface of Type 1 or 4 X enclosures
Panel-Mounting
For programmable controllers that can be mounted also on panel, in order to meet the UL Haz Loc standard, panel-mount this device on the flat surface of Type 1 or Type 4X enclosures.
Communication and Removable Memory Storage
When products comprise either USB communication port, SD card slot, or both, neither
the SD card slot nor the USB port are intended to be permanently connected, while the USB port is intended for programming only.
Removing / Replacing the battery
When a product has been installed with a battery, do not remove or replace the battery unless the power has been switched off, or the area is known to be non-hazardous.
Please note that it is recommended to back up all data retained in RAM, in order to avoid losing data when changing the battery while the power is switched off. Date and time information will also need to be reset after the procedure.
Inputs
This model comprises a total of 20 inputs in 3 groups.
- I0 to I15 are digital inputs. They may be wired, in a group, as either npn or pnp.
- I16 and I17 may be wired as either digital or analog inputs. These may be wired as either:
- npn digital inputs
- pnp digital inputs
- analog (voltage) inputs
In addition, 1 input may be wired as a pnp input, while the other is wired as an analog input. Note that if 1 input is wired as an npn input, the other may not be wired as an analog input.
- AN0 and AN1 are analog (current) inputs that may be wired using 2, 3, or 4 wires.
Digital Inputs, Controller’s Power Supply
Note: The inputs are arranged in two groups. You can wire one group as npn and the other as pnp, or wire both groups as npn, or as pnp. In either case, the npn/pnp pins must be connected.
Input wiring, npn (sink)

Input wiring, pnp (source)

Input wiring (I0-I15), pnp (source), (I16-I17), npn (sink)

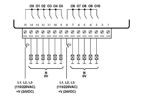
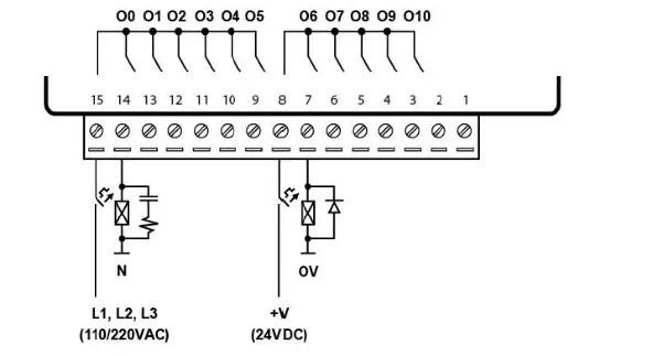
Digital Outputs
Output wiring

Increasing contact life span
To increase the life span of your contacts and protect the unit from potential damage by reverse-EMF, connect:
- A clamping diode in parallel with each inductive DC load
- An RC snubber circuit in parallel with each inductive AC load

Analog inputs
Note: Shields should be connected at the signal source.
Analog Input wiring, current (AN0-AN1)

Analog Input wiring, voltage (AN2-AN3)
Note: If either I16 or I17 is wired as an npn digital input, the remaining input may not be wired as an analog input.
Technical Specifications
Power supply
- Input voltage 24VDC
- Permissible range 20.4VDC to 28.8VDC with less than 10% ripple
- Current Consumption See Note 1
- Max. current consumption 160mA@24VDC
- Typical power consumption 2.8W
Notes:
- To calculate the actual power consumption, subtract the current for each unused relay output and LCD backlight (if unused) from the maximum current consumption value.
Max. current per element
Battery
Back-up : 7 years typical at 25°C, battery back-up for RTC and system data, including variable data.
Digital Inputs
- Number of inputs 18 (two groups) – see Notes 2 & 3
- Input type pnp (source) or npn (sink)
- Galvanic isolation None
- Nominal input voltage 24VDC
- Input voltage pnp (source) 0-5VDC for Logic ‘0’ 17-28.8VDC for Logic ‘1’
- npn (sink) 17-28.8VDC for Logic ‘0’ 0-5VDC for Logic ‘1’
Input current
Response time

- Input cable length Up to 100 meters, unshielded
- High speed inputs Specifications below apply when wired as H.S.C. See Note 4.
- Resolution 16-bit
- Frequency 10kHz maximum
- Minimum pulse width 40μs
Notes:
- Inputs I0-I15 are arranged in a single group. Via wiring, the entire group may be set to either pnp or npn.
- I16 & I17 may be wired as either digital or analog inputs, as shown in the product’s installation guide. I16 & I17 may be wired as npn, pnp, or 0-10V analog inputs. 1 input may be wired as pnp, while the other is wired as analog. If 1 input is wired as npn, the other may not be wired as analog.
- I0 and I1 can each function as either a high-speed counter or as a normal digital input. When used as a normal digital input, normal input specifications apply.
Digital Outputs
- Number of outputs 11 relay (in two groups) – See Note 5
- Output type SPST-NO (Form A)
- Isolation By relay
- Type of relay Tyco PCN-124D3MHZ or compatible
- Output current 3A maximum per output (resistive load) 8A maximum total for common
- Rated voltage 250VAC / 30VDC
- Minimum load 1mA@5VDC
- Life expectancy 100k operations at maximum load
- Response time 10mS (typical)
- Contact protection External precautions required (see Increasing Contact Life Span in the product’s Installation Guide)
Notes:
- Outputs O0-O5 share a common signal.
- Outputs O6-O10 share a common signal.
Analog Inputs
- Number of inputs 4, according to wiring as described above in Note 3
- Input range
- Input impedance

- Maximum input rating 30mA 28.8V
- Galvanic isolation None
- Conversion method Succesive approximation
- Resolution 10 or 12-bit (0 to 4095) (Via Software)
- Conversion time All analog inputs are updated every 8 PLC scans, regardless of how many inputs are actually configured.
- Precision 2%
- Status indication Yes – if an analog input deviates above the permissible range, its value will be 4096.
- Input cable length Up to 30 meters, shielded twisted pair
Display
- Type STN LCD
- Illumination backlight LED, yellow-green, software controlled (LCD backlight; enables the display to be viewed in the dark)
- Display size 2 lines, 16 characters long
- Character size 5×8 matrix, 2.95×5.55mm
Keyboard
- Number of keys
16 keys, including 10 user-labeled keys - Key type
Metal dome, sealed membrane switch - Slides
Slides may be installed in the operating panel faceplate to custom-label the keys and logo picture. An extra logo slide is included. A complete set of blank slides is available by separate order.
Program See Note 6
- Ladder code memory 48K (virtual)
- Execution time 1.5 μSec for bit operations (typical)
- Memory bits (coils) 256
- Memory integers (registers), 16 bit 256
- Timers 64
- HMI displays 60 user-designed displays available
- HMI variables 64 HMI variables are available to conditionally display text and data. List variables add up to 1.5K’s worth of HMI capacity.
Communication
- Via a built-in USB port or – Add-On module.See Note 6-9
- GSM-support SMS messages to/from 6 phone GSM numbers, up to 1K of user-designed messages. Supports Remote Access.
- MODBUS Supports MODBUS protocol, Master-Slave
- Baud rate According to add-on port module
USB
- Port type Mini-B
- Galvanic isolation No
- Specification USB 2.0 compliant; full speed
- Baud rate range 300 to 115200 bps
- Cable USB 2.0 compliant; up to 3m
Notes:
- The JZ20 built-in USB port may be used for programming. Add-on Modules are available by separate order for communication and cloning. Note that the USB port and an Add-on module cannot be physically connected at the same time
- Add-on module JZ-PRG, with 6-wires communication cable (supplied in PRG kit
- see the JZ-PRG Installation Guide) can be used:
- for programming
- to connect a modem
- Add-on module JZ-RS4 (RS232/485), with a standard 4-wire communication cable can be used:
- for programming
- to communicate with other devices (including modems/GSM)
- for RS485 networking.
- Add-on module MJ20-ET1 enables communication over 100 Mbit/s TCP/IP network:
- Programming/data exchange with Unitronics software;
- Data exchange via MODBUS TCP as Master or Slave.
Miscellaneous
- Clock (RTC)
Real-time clock functions (date and time).
Environmental
- Operating temperature 0 to 50C (32 to 122F)
- Storage temperature -20 to 60 C (-4 to 140F)
- Relative humidity (RH) 10% to 95% (non-condensing)
- Mounting method
- Panel mounted (IP65/NEMA4X)
- DIN-rail mounted (IP20/NEMA1)
Dimensions
- Size 147.5X117X46.6mm ” 5.807 ) X ” 4.606 X 1.835″). See Note 10
- Weight 300 g (10.6 oz)
Notes:
- For exact dimensions, refer to the product’s Installation Guide.
Mounting
- Panel mounting
Insert into cut-out: 117 x 89mm (WxH) 4.606”x 3.504” - DIN-rail mounting
Snap unit onto the DIN rail
The information in this document reflects products at the date of printing. Unitronics reserves the right, subject to all applicable laws, at any time, at its sole discretion, and without notice, to discontinue or change the features, designs, materials and other specifications of its products, and to either permanently or temporarily withdraw any of the forgoing from the market.
All information in this document is provided “as is” without warranty of any kind, either expressed or implied, including but not limited to any implied warranties of merchantability, fitness for a particular purpose, or non-infringement. Unitronics assumes no responsibility for errors or omissions in the information presented in this document. In no event shall Unitronics be liable for any special, incidental, indirect or consequential damages of any kind, or any damages whatsoever arising out of or in connection with the use or performance of this information.
The tradenames, trademarks, logos and service marks presented in this document, including their design, are the property of Unitronics (1989) (R”G) Ltd. or other third parties and you are not permitted to use them without the prior written consent of Unitronics or such third party as may own them






















