Beijer ELECTRONICS X2 pro 12 Series Touch Screen HMI Display

Product Information
The X2 pro 12 – B2 is an operator panel designed for human-machine communication. It comes with built-in functions such as dynamic indication, time channels, alarm and recipe handling, and displaying and controlling text. It works primarily in an object-oriented way, making it easy to understand and use. The operator panel can be configured using the iX Developer software on a PC, and the project can then be transferred and stored in the operator panel itself. It can be connected to various types of automation equipment such as PLCs, servos, or drives.
The manual contains important information regarding the installation process, cleaning the display, technical data, chemical resistance, and operator panel drawings. It is essential to follow the instructions provided in the manual for safe and efficient usage of the product.
Product Usage Instructions
Installation Process
To install the X2 pro 12 – B2 operator panel, follow the steps provided below:
- Ensure that you have enough space for installation as specified in the manual.
- Connect the operator panel to the controller using the connections provided. Refer to section 3.2.1 of the manual for more details.
- Connect other peripherals and connections as required. Refer to section 3.2.2 of the manual for more details.
Cleaning the Display
To clean the display of the operator panel, follow the steps provided below:
- Switch off the operator panel before cleaning it.
- Clean it gently with a soft, dry cloth to remove any dust or dirt.
- If there are any tough stains or marks, use a mild detergent solution to clean it.
- Do not use any abrasive or harsh cleaning agents that may damage the display.
- Do not spray any liquid directly on the display.
Dismantling and Scrapping
If you need to dismantle or scrap the X2 pro 12 – B2 operator panel, refer to the instructions provided in section 1.8 of the manual. Ensure that you follow the guidelines provided for safe and environment-friendly dismantling and scrapping.
Technical Data
Refer to section 4 of the manual for technical data regarding the X2 pro 12 – B2 operator panel. This section contains information such as the operating temperature range, storage temperature range, humidity range, and power supply specifications.
Chemical Resistance
The X2 pro 12 – B2 operator panel comes with a metal casing and touchscreen overlay material that has different levels of chemical resistance. Refer to section 5 of the manual for more details regarding chemical resistance and how to clean the operator panel without damaging it.
Operator Panel Drawings
Refer to section 6 of the manual for operator panel drawings, including connectors and communication ports. This section provides a visual guide to help you understand how to connect the X2 pro 12 – B2 operator panel to other automation equipment.
Installation manual forX2 pro 12 – B2
Foreword
All operator panels are developed to satisfy the demands of human-machine communication. Built-in functions such as displaying and controlling text, dynamic indication, time channels, alarm and recipe handling are included.
The operator panel works primarily in an object-oriented way, making it easy to understand and use. Configuration is carried out on a PC using iX Developer software. The project can then be transferred and stored in the operator panel itself.
Various types of automation equipment such as PLCs, servos, or drives can be connected to the operator panels. In this manual, the term “the controller” refers to the connected equipment.
This manual explains how to install the operator panel. Please refer to the iX Developer reference manual for further information.
Order no: MAEN222
Copyright © 2021-11 Beijer Electronics AB. All rights reserved.
The information in this document is subject to change without notice and is provided as available at the time of printing. Beijer Electronics AB, including all its group companies, reserves the right to change any information without updating this publication. Beijer Electronics AB, including all its group companies, assumes no responsibility for any errors that may appear in this document. Read the entire installation manual prior to installing and using this equipment. Only qualified personnel may install, operate or repair this equipment. Beijer Electronics AB, including all its group companies, are not responsible for modified, altered or renovated equipment. Because the equipment has a wide range of applications, users must acquire the appropriate knowledge to use the equipment properly in their specific applications. Persons responsible for the application and the equipment must themselves ensure that each application is in compliance with all relevant requirements, standards and legislation in respect to can figuration and safety. Only parts and accessories manufactured according to specifications set by Beijer Electronics AB, including all its group companies, may be used.
BEIJER ELECTRONICS AB, INCLUDING ALL ITS GROUP COMPANIES, SHALL NOT BE LIABLE TO ANYONE FOR ANY DIRECT, INDIRECT, SPECIAL, INCIDENTAL OR CONSEQUENTIAL DAMAGES RESULTING FROM THE INSTALLATION, USE OR REPAIR OF THIS EQUIPMENT, WHETHER ARISING IN TORT, CONTRACT OR OTHERWISE. THE BUYER’S SOLE REMEDY SHALL BE THE REPAIR, REPLACEMENT, OR REFUND OF PURCHASE PRICE, AND THE CHOICE OF THE APPLICABLE REMEDY SHALL BE AT THE SOLE DISCRETION OF BEIJER ELECTRONICS AB, INCLUDING ALL ITS GROUP COMPANIES.
Safety Precautions
Both the installer and the owner and/or operator of the operator panel must read and understand this installation manual.
General
- Read the safety precautions carefully.
- Check the delivery for transportation damage. If damage is found, notify the supplier as soon as possible.
- Do not use the operator panel in an environment with high explosive hazards.
- The supplier is not responsible for modified, altered or reconstructed equipment.
- Use only parts and accessories manufactured according to the specifications Of the supplier.
- Read the installation and operating instructions carefully before installing, using or repairing the operator panel.
- Never allow fluids, metal filings or wiring debris to enter any openings in the operator panel. This may cause fire or electrical shock.
- Only qualified personnel may operate the operator panel.
- Storing the operator panel where the temperature is lower/higher than recommended in this manual can cause the LCD display liquid to congeal/become isotropic.
- The LCD display liquid contains a powerful irritant. In case of skin contact, wash immediately with plenty of water. In case of Of eye contact, hold the eye open, flush with plenty of water and get medical attention.
- The figures in this manual serve an illustrative purpose. Because Of the many variables associated with any particular installation, the supplier cannot assume responsibility for actual use based on the figures.
- The supplier neither guarantees that the operator panel is suitable for your particular application nor assumes responsibility for your product design, installation or operation.
- It is recommended to turn on and shut down the operator panel at least once before installing any components/ cards or before connecting the operator panel to external devices; for example serial devices.
- For Marine panels only:
- The operator panel must be installed and operated as described in this document to meet this certification.
- Observe precautions for handling electrostatic discharge-sensitive devices
Hazardous Materials
| Part description | Toxic and hazardous materials or elements | |||||
| Pb | Hg | Cd | Cr6+ | PBB | PBDE | |
| PCB and electronic components | X | O | O | O | O | O |
Indicates that the concentration of the hazardous substance in all homogeneous materials in the parts is below the relevant threshold of the GB/T 26572-2011
Disposal Requirements Under WEEE Regulations
For professional users in the European Union: If you wish to discard electrical and electronic equipment (EEE), please contact your dealer or supplier for further information.
For disposal in countries outside of the European Union: If you wish to discard this product please contact your local authorities or dealer and ask for the correct method of disposal.
UL and cUL Installation
Caution:
This section is only valid for UL-labeled X2 panels.
- This equipment is suitable for use in Class 2 non-hazardous locations only.[combinations of equipment in your system are subject to investigation by the local authority having jurisdiction at the time of installation].
- All devices have to be supplied by a Class 2 power supply.
Warning:
Only UL and cUL-approved expansion units are allowed to be connected to the port designated “EXPANSION”. At the moment there are no such units evaluated allowed.
Warning:
Explosion hazard! Substitution of components may impair suitability for Class I, Division 2.
Warning:
The battery may explode if mistreated. Do not recharge, disassemble or dispose of in fire.
- This product contains a battery; this must only be changed in an area known to be non-hazardous.
- Replace the battery with a BR 2032 battery. Use of another type of battery may present a risk of fire or explosion.
- For use on a flat surface of a type 4X enclosure indoor use only.
- Use minimum 75°C copper conductors only.
- To make wiring connections to the power supply connector, follow the table with cable and torque specifications below: These devices are Class 2 supplied programmable controllers (industrial PCs) for use in industrial control equipment and are intended to be (front) panel mounted (Type 12 and 4x for indoor use only).
| Terminal Block Connector | Wire Size AWG | Torque (Lb.In.) |
| X1/X100 Phoenix connectors | AWG 30 – 12 | 5 – 7 |
| X1/X100 Anytek connectors | AWG 24 – 12 | 3.5 |
| X1/X100 DECA connectors | AWG 24 – 12 | 7 |
Caution:
The enclosure provides a degree of protection of at least IP20, but when installed in an apparatus, it should meet IP65.
During Installation
- The operator panel is designed for stationary installation on a planar surface, where the following conditions are fulfilled:
- no high explosive risks
- no strong magnetic fields
- no direct sunlight
- no large, sudden temperature changes
- Install the operator panel according to the accompanying installation instructions.
- Ground the operator panel according to the accompanying installation instructions.
- Only qualified personnel may install the operator panel.
- Separate the high voltage, signal, and supply cables.
- Make sure that the voltage and polarity of the power source is correct before connecting the operator panel to the power outlet.
- Peripheral equipment must be appropriate for the application and location.
During Use
- Keep the operator panel clean.
- Emergency stop and other safety functions may not be controlled from the operator panel.
- Do not use excessive force or sharp objects when operating the touch screen.
Service and Maintenance
- Only qualified personnel should carry out repairs.
- The agreed warranty applies.
- Before carrying out any cleaning or maintenance operations, disconnect the equipment from the electrical supply.
- Clean the display and surrounding front cover with a soft cloth and mild detergent.
- Replacing the battery incorrectly may result in explosion. Only use batteries recommended by the supplier. During the warranty period, the battery needs to be replaced by an authorized Beijer Electronics service center.
Cleaning the Display
- We recommend using a dry, clean cloth to wipe off dust regularly. Use alcohol or ammonia-based cleaning agent for cleaning only when necessary. When other solvents or cleaning agents are used, be sure to follow manufacturers’ instructions.
- The agent should be applied to a clean cloth and should not be sprayed directly onto the panel surface. After cleaning the agent should be removed.
- Ammonia-based glass cleaners (typically 5-10% ammonia) or 75% alcohol can be used to clean the surface of PCAP and resistive touch panels.
When you clean the surface of your touch panel, please follow these steps:
- Apply a cleaning agent (alcohol, bleach, or glass cleaner) to a clean cloth. Make sure the cloth is well-saturated.
- Wipe the touch panel in a “Z” motion on the touch panel surface.
- Dry the panel thoroughly with a dry cloth, removing as much of the cleaning solution as possible.
- Do not mix bleach and ammonia because this will produce a dangerous chemical reaction.
- Please do not spray the cleaning solution directly onto the touch panel surface.

Note:
- Cleaning solutions containing bleach, alcohol, and ammonia are corrosive to touch panel surface coatings and ITOfilm. So, you should not leave the solution on the touch panel surface for more than 2 minutes. Make sure to remove all residue when finished cleaning.
- Do not use sharp tools to clean the surface of the touchscreen.
- Do not use air guns, water jets, or steam,to clean the surface of touchscreens as they may damage touchscreen functionality.
- If condiments, food, or drinks are spilled on the surface of the touchscreen, please remove them immediately.
- Ensure moisture does not seep through the cable connection area from the edges during cleaning.
Dismantling and Scrapping
- The operator panel or parts thereof shall be recycled according to local regulations.
- The following components contain substances that might be hazardous to health and the environment: lithium battery, electrolytic capacitor, and display.
The appearance of Air in Touch Screen
The layer structure of the touch screen contains air. In rare cases, the appearance of bubbles can arise. This is purely cosmetic and does not affect the functionality of the operator panel. The appearance can occur under certain environmental conditions such as temperature, humidity, and atmospheric pressure.
Naming Convention
| X2 family | Size (inches) | Genera- tion/Version | Variant | |
| base | 4 | v2 | SC | Soft Control |
| pro | 5 | SM | Soft Motion | |
| marine (= with | 7 | HB | High Brightness | |
| BL) | 10 | HP | High Performance | |
| control (= with SC) motion (= with SM) extreme | 12 15 21 | BL 12V SL RO CO | Black 12 Volt Sealed Rugged Only Certification Only | |
| web | ||||
The name of each panel is based on its properties according to the table below.
Examples:
- X2 base 5 v2
- X2 pro 7
- X2 control 10
- X2 marine 12 SC
- X2 marine 15 HB SC
- X2 extreme 7 12V*
- X2 extreme 12 HP SC*
- X2 extreme 7 SL HP*
- X2 extreme 12 SL HP SC*
- X2 extreme 7 CO*
- X2 extreme 12 SL HP RO
Note:
Not all combinations are available.
Note:
indicates variants including IECEx\ATEX and C1D2 accreditation.
Installation
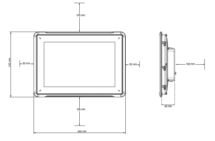
Space Requirements
Maximum installation plate thickness: 8 mm.
The following drawings show the space requirements in millimeters when installing the operator panel. The drawings are only illustrative and may be out of proportion.
Installation Process
The following is needed:
- A Phillips/slot screwdriver
Do the following:
- Unpack and check the delivery. If damage is found, notify the supplier.
Note:
- Place the operator panel on a stable surface during installation.
- Dropping the operator panel or letting it fall may cause damage.
- To cut a correct opening for the operator panel, use the cutout dimensions in the outline drawing. A separate cut-out drawing is available for download from the Meijer Electronics web site. Formore information, see sections Operator PanelDrawings andTechnicalData.
- Make sure that the mounting surface of the cutout is smooth and cleaned from any burrs or debris.
- Install the operator panel into the cutout.
- Secure the operator panel in position by screwing the slotted thumb screw clockwise, allowing the built-in bracket to flip out and tighten against the cabinet as shown.

- In cases where the front panel seal (IP54 or greater, NEMA-4X) is critical, use a torque wrench to ensure all screws are torque within the specification above.
- Connect the cables in the specified order, according to the drawing and steps below.
Caution:
- The operator panel must be brought to ambient temperature before it is started up. If condensation forms, ensure that the operator panel is dry before connecting it to the power outlet.
- Ensure that the operator panel and the controller system have the same electrical grounding (reference voltage level), otherwise, errors in communication may occur.
- Ensure that the voltage and polarity of the power source is correct.
- Separate high voltage cables from signal and supply cables.
- Shielded communication cables are recommended.

The image is illustrative only andmay differ slightly from the actual panel.- Connect cableA.
- Connect cableB, using 14-20AWG(2.08–0.52mm2), 180–220N-cm torque.
- Connect cableC.
- Connect cableD.The recommended cross-section of the cable is 1.5 mm2.
- Carefully remove the protective film over the operator panel display, take care to avoid static electricity that could damage the panel.
Connections to the Controller
For information about the cables to be usedwhen connecting the operator panel to the controller, please refer to the help file for the driver in question.
Other Connections and Peripherals
Cables, peripheral equipment and accessories must be suitable for the application and its environment. For further details or recommendations, please refer to the supplier.
Technical Data
| Parameter | X2 pro 12 – B2 |
| Front panel,W×H×D | 340× 242×8 mm |
| Cut out dimensions, W× H | 324 × 226 mm |
| Mounting depth | 49 mm (149 mm including clearance) |
| Standalone mounting | VESA 75× 75 Note: Maximum screw length for VESA mounting is 4mm. Usage of longer screws may lead to damage. |
| Front panel seal | IP 65 |
| Rear panel seal | IP 20 |
| Touch screen material | Polyester on glass, ITO film, resistive |
| Frame overlay | Autoflex EBA 180L |
| Touch screen operations | 1 million finger touch operations |
| Reverse side material | Powder-coated aluminum |
| Frame material | Powder-coated aluminum |
| Weight | 2.6 kg |
| CPU | i.MX 6DualLite Dual ARM Cortex-A9 Core 1.0 GHz 512 kB L2 cache |
| Serial ports | Standard D-sub (9 Pin, female) COM1: RS-232 with RTS/CTS COM2: RS-422/RS-485 COM3: RS-485 1×RS-232 Rx/Tx with RTS/CTS and 1×RS-422 or 2×RS-485 or 1x CAN 2.0B . |
| Ethernet LAN A | 10/100 Mbit Base-T (shielded RJ45 with LEDs) |
| Ethernet LAN B | 10/100 Mbit Base-T (shielded RJ45 with LEDs) |
| USB | 2 × USB Host 2.0, max output current 500 mA Supports up to USB 2.0 High Speed |
| External storage media | 1× SD card |
| Flash memory (application memory) | 1.5 GB SSD (eMMC) |
| Memory RAM | 1 GB DDR3 |
| NVRAM | N/A |
| LED | 1 × Multi color |
| Real time clock | Yes |
| Battery | BR 2032 lithium battery replaceable |
| Parameter | X2 pro 12 – B2 |
| Power consumption at rated voltage | 28.8 W |
| Fuse | Internal DC fuse,4 AT,5× 20 mm |
| Power supply | +24 V DC (18–32 V DC) CE: The power supply must conform with the requirements according to EN/IEC 60950 and EN/IEC 61558-2-4. UL and cUL: The power supply must conform with the requirements for class 2 power supplies. |
| Display | TFT-LCD with LED backlight 1280 × 800 pixels, 262k colors |
| Active area of display | 12.1” diagonal |
| Pixel errors | Class I (ISO 9241-307) |
| Backlight brightness | 400 Cd/m2 |
| Backlight lifetime | 50,000 hours |
| Operating temperature | -10°C to +60°C |
| Storage temperature | -20°C to +70°C |
| Relative humidity in operation | 5% – 85% non-condensation |
| Vibration | 1g, according to EN/IEC 60068-2-6, Test Fc |
| Mechanical shock | 15g, half-sine, 11ms according to EN/IEC60068-2-27 |
| Approvals and certifications | CE / FCC / KCC Information is available on www.beijerelectronics.com |
| UL approval | Information is available on http://www.beijerelectron- ics.com and/or https://UL.com |
| Marine certificates | Information is available on www.beijerelectronics.com |
Compass Safe Distance
| Variant | Condition | Standard Compass | Steering Compass |
| X2 pro 12 | Non-energized Non-energized after magnetization Energized and operating | 40 cm 40 cm
40 cm | 20 cm 30 cm
20 cm |
Chemical Resistance
Metal Casing
The frame and casing material is powder-coated aluminum. This powder paint withstands exposure to the following chemicals without visible change
| Acetic acid 10% | Phosphoric acid 4% |
| Citric acid 10% | Phosphoric acid 10% |
| Diesel | Sea water |
| Distilled water | Sodium chloride 2% |
| Edible oil | Sodium chloride 20% |
| Fuel oil | Sulphuric acid 20% |
| Hydrogen peroxide 3% | Tap water |
The powder paint shows limited resistance to the following chemicals at room temperature:
| Butanol | Nitric acid 3% |
| Hydrochloric acid 5% | Nitric acid 10% |
| Isopropyl alcohol | Phosphoric acid 43% |
| Sodium hypochlorite 10% | Turpentine |
Note:
If exposure to any of the above chemicals is demanded, it is recommended to first test the chemical in a hidden spot of the metal casing.
The powder paint shows little or no resistance to the following chemicals at room temperature:
| Acetic acid, conc. | Methyl-ethyl ketone | Toluene |
| Acetone | Nitric acid 30% | Trichlorethylene |
| Ammonia 5% | Phenol | Xylene |
| Ammonia, conc. | Sodium hydroxide 5% | 97 octane unleaded petrol |
| Ethyl acetate | Sodium hydroxide 30% | 98 octane leaded petrol |
Touch Screen and overlay Material
Protective Film
Autoflex EBA180L covers the overlay surrounding the screen. Beijer
SolventResistance
The protective film withstands exposure of more than 24 hours duration under DIN42115Part 2 to the following chemicals without visible change:
| Acetonitrile | Diesel | Petroleum spirit(1) |
| Ajax / Vim in solution | Downy / Lenor(1) | Phosphoric acid (<30%) |
| Alkalicarbonate solution(1) | Ethanol | Potassium ferricyanide |
| Ammonia (<40%)(1) | Glycerine | Potassium hydroxide (<30%) |
| Acetic acid (<50%) | Glycol | Pure Turpentine |
| Ariel powder in solution(1) | Gumption(1) | SBP 60/95(1) |
| Bleach(1) | Hydrochloric acid (<36%) | Sulfuric acid (<10%) |
| Castor oil | Linseed oil | Tomato ketchup |
| Caustic soda (<40%)(1) | Methanol | Trichloroacetic acid (<50%) |
| Cutting oil | Nitric acid (<10%) | White Spirit |
| Cyclohexanol | Paraffin oil | Windex(1) |
| Diacetone alcohol | Persil powder in solution(1) | Wisk |
Extremely faint glossing of the texture was noted.
- TheAutoflex protective filmwithstandsDIN 42 115 Part 2 exposure of up to 1-hour duration to glacial acetic acid without visible change.
- The theAutoflex protective film is not resistant to high-pressure steam at over 100 °C or the following chemicals
Concentrated mineral acids Benzyl alcohol Concentrated caustic solution Methylene chloride
Touch Screen Surface
The touchscreen surface on the operator panel withstands exposure to the following solvents without visible change:
| Solvents | Time |
| Acetone | 10 minutes |
| Isopropanol | 10 minutes |
| Toluene | 5 hours |
The touchscreen surface on the operator panel is made of polyester with a hard coat to resist scratches and withstand exposure to many solvents without visible change.
Touch Screen Protector
For harsh environments and exposure to outdoor conditions, it is recommended to use a protective film to guard the touch screen against damage. This optional part can be ordered fromBeijer Electronics.
Operator Panel Drawings
Connectors
| Pos. | Connector | Description |
| 1 | Power supply | +24 V DC (18–32 V DC) |
| 2 | USB | USB Host 2.0, max output current 500 mA |
| 3 | LAN A | 10/100 Base-T (shielded RJ45) |
| 4 | LAN B | 10/100 Base-T (shielded RJ45) |
| 5 | COM | Serial communication port |
Communication Ports
| Pin | Serial port, 9-pin female | |||
| COM 1 | COM 2 | COM 3 | CAN 1 | |
| 1 | – | RS-422 Tx+ RS-485 Tx+/Rx+ | – | CAN 1-H |
| 2 | RS-232 RxD | – | – | – |
| 3 | RS-232 TxD | – | – | – |
| 4 | – | RS-422 Rx+ | RS-485 Tx+/Rx+ | – |
| 5 | GND | GND | GND | GND |
| 6 | – | RS-422 Tx- RS-485 Tx-/Rx- | – | CAN 1-L |
| 7 | RS-232 RTS | – | – | – |
| 8 | RS-232 CTS | – | – | – |
| 9 | – | RS-422 Rx- | RS-485 Tx-/Rx- | – |
The connector supports up to three independent communication channels and can be configured forRS-232 and RS-422 or 2xRS-485 or 1x CAN.
Note:
In order to utilize two communication ports, the Y-split cable CAB109 must be used.
In order to utilize three communication ports the split cable CAB150 must be used.
- To use RS-232 and RS-422, use CAB 109.
- To use RS-232 and RS-485, use CAB 150
X2 pro 12 – B2 Outline 
Note:
A Step CAD file is available on the website www.beijerelectronics.com
Additional installation tips
When experiencing communication problems in noisy environments or when operating close to temperature limits, the following recommendations are to be noticed.
Grounding the operator panel
The mounting clamps of the operator panel do not provide a secure grounding connection between the panel and the device cabinet, see 1 in the drawing above.
- Connect a wire, that is sized correctly according to local electrical codes, between the quick-connect terminal connector on the operator panel and the chassis of the panel, see 2 in the drawing above.
- Connect a wire or grounding braid, that is sized correctly according to local electrical codes, between the chassis of the operator panel and the closest grounding point on the door, see 3 in drawing above.
- Connect a strong but short grounding braid between the door and the device cabinet, see 4 in the drawing above.
- Twist the cables onto the 24 V DC feed, see 5 in the drawing above. 2 turns around the ferrite core provides 4 times the suppression of 1 turn. 3 turns around the ferrite core provide 9 times the suppression of 1 turn.
Connect a wire or grounding braid, that is sized correctly according to local electrical codes, between the chassis of the operator panel and the closest grounding point.
Note:
- The grounding wires should be short and the conductor should have a large area.
- A long, thin grounding wire has a very high impedance (resistance) at high frequencies and does not guide disturbances to the ground.
- Multi-wire conductors are better than single-wire conductors with the same area.
- A braided conductor wire with the same area is even better. The best is a short, thick grounding braid.
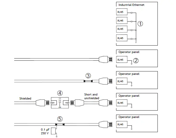
Ethernet Connection in the Operator Panel
In some industrial units for Ethernet, the RJ45 contact’s shield is connected to the chassis via a capacitor, see 1 in the drawing above. The operator panel’s Ethernet shield is directly connected to the chassis, see 2 in the drawing above.
- Check whether the other Ethernet unit has its shield directly grounded or grounded via a capacitor.
Note:
In many cases, connecting the shielded Ethernet cabling to the chassis at both ends is inappropriate. Hum or grounding loops can occur. Unshielded cabling may even result in fewer communication errors.
- A good solution may be to use a shielded Ethernet cable, but to connect the shield at one end only.
- One option is to break the shield, see 3 in the drawing above.
- A more elegant method is to expand the shielded Ethernet cable with a piece of unshielded Ethernet cable, see 4 in the drawing above.
- The shield can be grounded via an external 0.1 μF/250 V film capacitor, see 5 in drawing above. This connects the HF transients to the ground.
ToAchieve Better EMC Protection
- Initially, use the original cabling from Beijer Electronics primarily.
- Place the 24 V DC and communications cabling in one cable trunk/cable duct and 230/380 V AC in another. If the cables need to be crossed, cross them at 90° only. Avoid combining the cabling for stronger 24 V DC outputs with the communication cabling.
- Use shielded cables for RS-232 communication.
- Use twisted pair and shielded cabling for RS-422 and RS-485.
- Use the cabling intended for the bus type; Ethernet, Profibus, CC-Link, CAN, Device Net etc.
- Install and connect according to applicable specifications for the relevant bus standard.
- Use shielded cabling for Ethernet, preferably with foil and a braided shield.
- D-sub covers should be shielded, and the shield should be connected to the cover 360° where the cable enters.
- Connect the shield at both ends.

With longer distances, there is a risk that the ground potential may be different. In that case, the shield should only be connected at one end. A good alternative is to connect the other end of the shield to the ground via a 0.1 μF/250 V film capacitor. Both ends are then connected to the ground in terms of HF, but only connected to the ground at one end in terms of LF, thus avoiding the 50/60 Hz grounding loops.
- Use an EMC cable gland or regular plastic cable gland, remove the outer jacket, and connect the shield to the installation plate with a 360° metal cable clamp.
- Place the 24 V DC and communications cabling in one cable trunk/cable duct and 230/380 V AC in another. If the cables need to be crossed, cross them at 90° only. Avoid combining the cabling for stronger 24 V DC outputs with the communication cabling.
Ferrite cores that are snapped onto the shielded cabling may remove minor disturbances. Large ferrite pieces that are snapped onto unshielded cabling and where the wires go 2-4 times around the cores are approximately 5-25 times more efficient.
Ambient Temperature
The maximum ambient temperature for the operator panel is provided in the specifications. The ambient temperature refers to the temperature in the device cabinet which cools the operator panel’s electronics.
- In most cases, the ambient temperature for the operator panel is significantly higher than the device cabinet’s ambient temperature.
- If the cabinet is tall and there are a number of heat-generating devices, the temperature at the top of the cabinet is considerably higher than the temperature increase that would be expected. All electronics are sensitive to heat. The lifespan of an electrolytic capacitor is cut in half with an 8-10 °C increase in temperature. A 15-20 °C temperature increase results in a quarter of the lifespan etc.
- Rittal has a good program for estimating the anticipated average temperature in the cabinet as well as a large program for controlling the temperature in the device cabinet.
- An enamel-coated steel cabinet has a radiant heat value of 5.5 W/m2 per degrees C.
- Installing a fan inside the cabinet evens out the temperature while moving air provides considerably better cooling than still air.
- Install the fan so that it sits in a cooler area and blows cold air against the operator panel. If the fan is mounted at the top and sucks warm air upwards, the ambient temperature of the fan becomes higher, resulting in a shorter lifespan.
An approximate value of the net power consumption for the operator panel can be calculated by multiplying the supply voltage with the current drawn by the operator panel. This is assuming that all supplied power is transformed to heat.
Note:
Please ensure that the temperature will not exceed the maximum ambient operating temperature in the enclosure. This can be influenced by other heat-generating devices.
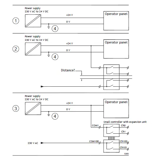
Safety
If a power supply that meets safety standards is used and only powers the operator panel, there is no problem. See 1 in the drawing above.
However, if a 24 V unit that also powers other units is used, there is reason to be cautious, see 2 in the drawing above. The operator panel does not have insulation that meets safety requirements in the event of a potential short circuit between 230 V AC and 24 V DC. It is assumed that the 24 V power supply is secure, for example, SELV according to EN 60950 (protection against electric shock) and UL 950.
Note:
Here is an example that explains why a secure 24 V DC power supply can be ruined by mixing 24 V relay contacts with 230 V AC relay contacts in a smaller controller. Check that the clearances and creepage distances between 24 V DC and 230 V AC fulfill EN 60950 or UL 950. If not, input a separate 24 V unit into the operator panel.
If there is a substantial distance between the relay contacts for 24 V DC and 230 VAC, it is OK to use the same 24V devices for all feeds. See 3 drawings above.
Connect 0 V on the 24 V power supply to the ground, see 4 in drawing above. This offers three advantages:
- Safety is increased. The 24 V power supply is not live in the event of a faulty connection or short circuit between the 0 V (24 V) and 230 V phases.
- Transients on the 24 V feed are connected to the ground.
- No risk that the 24 V feed is at a high level in relationship to the ground. This is not unusual since there is high static electricity.
Galvanic Isolation
The operator panel has galvanic isolation against the 24 V DC power supply but no galvanic isolation between the communication ports for RS-232, RS-422, RS-485, CAN and USB. Only the Ethernet connection has galvanic isolation.
- When a PC is connected to the operator panel, the internal 0 V (GND) of the panel is connected to the protective ground via the PC.
- A number of USB devices can have the shield connected together with the protective ground. Here, the 0 V (GND) of the operator panel is connected to the protective ground when, for example, a USB memory stick, keyboard, or similar device is plugged in.
- If a number of units are connected that have a 0 V and a ground connection, and these are connected to various grounding points, there is a substantial risk of problems. Grounding currents go through communication cables, the rear plate of the controller, internally in the operator panel, and can cause errors.
Use external units to improve communication and achieve galvanic isolation. Westermo has good industry-standard insulators that are also insulated from the 24 V DC feed.
Note:
It is very important to make sure that the 24 V feed in the external insulation unit is not connected to one of the communication outlets. If it does not have 100% insulation against the 24 V feed, disturbances and grounding currents from the 0 V on the 24 V side disrupt the communication.
Using this type of unit solves one problem but creates a larger problem! A substandard installation may work now, but problems may arise when other devices are connected.
Cable and Bus Termination RS-485
- If maximum transfer distance and maximum transfer speed is needed, shielded and twisted pair cable should be used. The mutual capacitance may not exceed 52.5 pF/m, and the cable area should be at least 0.25 mm2 (AWG24).
- 0 V, the reference voltage for communication should be included in the cabling. With two-way communication use two pairs; one pair for communication and one pair for 0 V.
- The shield must be grounded at one end. The other end is usually grounded, but with longer distances or when there is a difference in the ground potential, the shield should be connected to the ground via 0.1 μF/250V film capacitor to prevent ground currently in the braided shield. A number of manufacturers recommend that the shield be grounded at each node. Various manufacturers have different systems for bus termination.
Depending on the recipients’ design, the bus wires may be on the same level or require pull-up or pull-down to ensure that no faulty signals are detected when the bus is in resting mode (all transmitters are disconnected).
CAN Interface
Cable Recommendations
- Use shielded, twisted pair cables to improve noise immunity and to reduce radiated emissions.
Characteristic impedance: 120 Ohm (typical)
Propagation delay: 5 ns/m
Mutual capacitance: 40 pF/m (typical, wire to wire) - Recommended cable cross-section:
Bus length 0-40 m: 0.25-0.34 mm² (AWG23, AWG22), 70 mOhm/m Bus length 40-300 m: 0.34-0.6 mm² (AWG22, AWG 20), < 60 mOhm/m Bus length 300-600 m: 0.5-0.6 mm² (AWG20), < 40 mOhm/m
Bus length 600-1000 m: 0.75-0.8 mm² (AWG18), < 26 mOhm/m - GND should be included in the cabling to provide a reliable reference Ground for each CAN node (potential equalization). Use two wire pairs; one pair for communication and one pair for GND.Do not use the cable shield to connect GND.
Termination
- To achieve the best signal integrity, noise immunity and reliable bus performance, the CAN network must be terminated at its two most distant CAN nodes with 118 Ohm… 130 Ohm resistors. The recommended resistor value is 120 Ohm/1%/0.25W on each end.
- Place the termination resistor near the CAN bus connector (as close as possible).
- This product has no integrated termination resistors. They must be added externally.
Restrictions and Recommendations
- This product supports a maximum bit rate of 500 kBit/s. At this bit rate, the cable length is limited to 50 m.
- The maximum supported bit rate depends on bus load, bus topology, number of nodes, bus termination, the propagation delay of each CAN node and the bus length.
- Do not connect more than 32 nodes to one CAN network without using a repeater.
- If the bus length exceeds about 200 m, it is recommended to use CAN nodes with built-in galvanic isolation.
- If the bus length exceeds 1000 m, a CAN bus repeater should be used.
- For additional information refer to the driver documentation for Free CAN and Can Open in the iX Developer software.
USB Memory stick
The USB port is of 2.0 standard. Even though USB 3.0 may work well, we recommendtouseUSBmemorysticksdedicatedforUSB 2.0.
Image Sticking
When utilizing TFT LCDHMI panels in applications where a fixed or partially fixed image remains displayed on the screen for extended periods of time, users may experience a phenomenon referred to by the LCD industry as Image Sticking. Image stacking, sometimes also called “image retention” or “ghosting, is a phenomenon where a faint outline of a previously displayed image remains visible on the screen when the image is changed.
Image sticking can be caused by:
- Static images
- No screensaver
- Sharp contrast transition (e.g. black/white)
- High ambient temperatures
- Use the screensaver functionality(see manual).
- Changing constantly between static and dynamic images.
- Avoid excessive brightness differences between foreground and background elements.
- Use colors with similar brightness.
- Use complementary colors in follow-up images.
Head office
Beijer ElectronicsAB
Box 426
20124Malmö,Sweden
www.beijerelectronics.com / +46 40 358600





















