unitronics Jazz JZ20-UA24 Display Units and HMIs

General Description
The products listed above are micro-PLC+HMIs, rugged programmable logic controllers that comprise built-in operating panels.
Detailed Installation Guides containing the I/O wiring diagrams for these models, technical specifications, and additional documentation are located in the Technical Library in the Unitrans’s website: https://unitronicsplc.com/support-technical-library/
Alert Symbols and General Restrictions
When any of the following symbols appear, read the associated information carefully.
Symbol | Meaning | Description |
![]() | Danger | The identified danger causes physical and property damage. |
![]() | Warning | The identified danger could cause physical and property damage. |
Caution | Caution | Use caution. |
- Before using this product, the user must read and understand this document.
- All examples and diagrams are intended to aid understanding, and do not guarantee operation.
- Unitronics accepts no responsibility for actual use of this product based on these examples.
- Please dispose of this product according to local and national standards and regulations.
- Only qualified service personnel should open this device or carry out repairs.
![]() |
|
![]() |
|
Environmental Considerations
![]() |
|
![]() |
|
Mounting
Note that figures are for illustrative purposes only.
Dimensions

* * Note that for JZ20-J modules those dimensions are 7.5 mm (0.295”)
| Model | Cut-out | View area |
| JZ20-xxx\JZ20-J-xxx | 117 x 89mm (4.606”x 3.504”) | 66 x 19.2mm (2.598”x 0.755”) |
Add-on modules
Available by separate order for communication and cloning.
Integral USB Port
This may be used for programming purposes.
Note: the USB port and an Add-on module cannot be physically connected at the same time.
Add-on: during installation Add-on: after installation
Installing an Add-on module requires sufficient clearance space
DIN-rail mounting
Snap PLC onto the DIN rail
USB Port

Panel mounting

Note: Removing the unit requires clearance space. Recommendation: approximately 40mm (1.58”)
Wiring
![]() |
|
![]() |
|
Caution |
Wiring Procedure
Use crimp terminals for wiring;
- Controllers offering a terminal block with pitch of 5mm: 26-12 AWG wire (0.13 mm2 3.31 mm2 ).
- Controllers offering a terminal block with pitch of 3.81mm: 26-16 AWG wire (0.13 mm2 – 1.31 mm2 ).
- Strip the wire to a length of 7±0.5mm (0.270–0.300“).
- Unscrew the terminal to its widest position before inserting a wire.
- Insert the wire completely into the terminal to ensure a proper connection.
- Tighten enough to keep the wire from pulling free.
Wiring Guidelines
- Use separate wiring ducts for each of the following groups:
- Group 1: Low voltage I/O and supply lines, communication lines.
- Group 2: High voltage Lines, Low voltage noisy lines like motor driver outputs. Separate these groups by at least 10cm (4″). If this is not possible, cross the ducts at a 90˚angle.
- For proper system operation, all 0V points in the system should be connected to the system 0V supply rail.
- Product-specific documentation must be fully read and understood before performing any wiring.
Allow for voltage drop and noise interference with input lines used over an extended distance.
Use wire that is properly sized for the load.
Earthing the product
To maximize system performance, avoid electromagnetic interference as follows:
- Use a metal cabinet.
- Connect the 0V and functional ground points (if exist) directly to the earth ground of the system.
- Use the shortest, less than 1m (3.3 ft.) and thickest, 2.08mm² (14AWG) min, wires possible
UL Compliance
The following section is relevant to Unitronics’ products that are listed with the UL.
The following models: JZ20-R10,JZ20-J-R10,JZ20-R16,JZ20-J-R16,JZ20-J-R16HS, JZ20-R31, JZ20-J-R31,JZ20-J-R31L,JZ20-T10,JZ20-J-T10,JZ20-T18,JZ20-J-T18,JZ20-J T20HS,JZ20-T40, JZ20-J-T40,JZ20-UA24, JZ20-J-UA24, JZ20-UN20,JZ20-J-UN20, JZ20-J-ZK2. are UL listed for Ordinary Location.
UL Ordinary Location
In order to meet the UL ordinary location standard, panel-mount this device on the flat surface of Type 1 or 4 X enclosures
Panel-Mounting
For programmable controllers that can be mounted also on panel, in order to meet the UL Haz Loc standard, panel-mount this device on the flat surface of Type 1 or Type 4X enclosures
Communication and Removable Memory Storage
When products comprise either USB communication port, SD card slot, or both, neither the SD card slot nor the USB port are intended to be permanently connected, while the USB port is intended for programming only
Removing / Replacing the battery
When a product has been installed with a battery, do not remove or replace the battery unless the power has been switched off, or the area is known to be non-hazardous.
Please note that it is recommended to back up all data retained in RAM, in order to avoid losing data when changing the battery while the power is switched off. Date and time information will also need to be reset after the procedure.
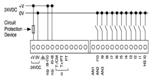
JZ20-UA24/JZ20-J-UA24 Inputs
This model comprises a total of 15 inputs in 4 groups.
- I0 to I8 are digital inputs. They may be wired, in a group, as either npn or pnp.
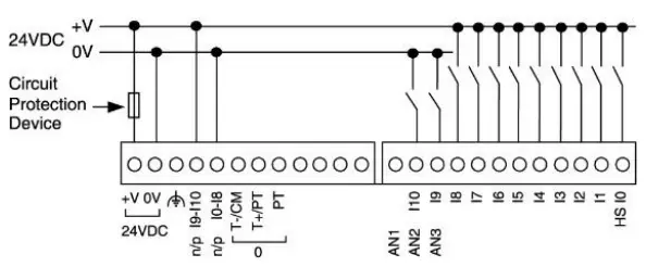
- I9 and I10 may be wired as either digital or analog inputs. These may be wired as either:
▪ npn digital inputs
▪ pnp digital inputs
▪ analog (voltage) inputs
In addition, 1 input may be wired as a pnp input, while the other is wired as an analog input.
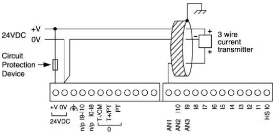
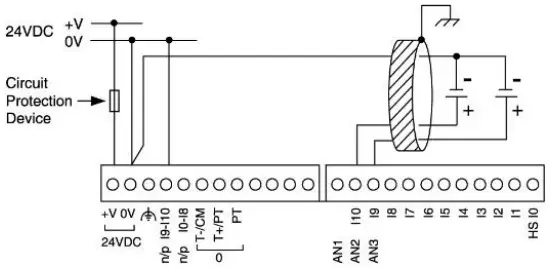
Note that if 1 input is wired as an npn input, the other may not be wired as an analog input. - AN2 and AN3 are analog (current) inputs that may be wired using 2, 3, or 4 wires.
- Analog Input 0 and 1 can function as either thermocouple or PT100 inputs; each PT100 signal has its own CM signal.
JZ20-UA24/JZ20-J-UA24 Digital Inputs, Controller’s Power Supply
Note: The inputs are arranged in two groups. You can wire one group as npn and the other as pnp, or wire both groups as npn, or as pnp. In either case, the npn/pnp pins must be connected.
JZ20-UA24/JZ20-J-UA24 Analog Inputs
Note: Shields should be connected at the signal source.
Analog Input wiring, current, 2 or 3 wire, AN2 and AN3
Analog Input wiring, current, 4 wire, AN2 and AN3
Analog Input wiring, voltage, AN4 and AN5
Note: If either I9 or I10 is wired as an npn digital input, the remaining input may not be wired as an analog input.
Thermocouple
| Type | Temp. Range | Wire Color | |
| ANSI (USA) | BS1843 (UK) | ||
mV | -5 to 56mV | ||
B | 200 to 1820˚C (300 to 3276˚F) | +Grey -Red | +None -Blue |
E | -200 to 750˚C (-328 to 1382˚F) | +Violet -Red | +Brown -Blue |
J | -200 to 760˚C (-328 to 1400˚F) | +White -Red | +Yellow -Blue |
K | -200 to 1250˚C (-328 to 2282˚F) | +Yellow -Red | +Brown -Blue |
N | -200 to 1300˚C (-328 to 3214˚F) | +Orange -Red | +Orange -Blue |
R | 0 to 1768˚C (32 to 3214˚F) | +Black -Red | +White -Blue |
S | 0 to 1768˚C (32 to 3214˚F | +Black -Red | +White -Blue |
T | -200 to 400˚C (-328 to 752˚F) | +Blue -Red | +White -Blue |
RTD
▪ PT100 (Sensor 0): use both inputs related to CM signal
▪ PT100 (Sensor 1): use both inputs related to CM signal
▪ 4 wire PT100 can be used by leaving one of the sensor leads unconnected.
JZ20-UA24/JZ20-J-UA24 Digital Outputs, Outputs’ Power Supply
PNP Outputs
+VO is the power supply input for pnp outputs O5–O6.

Relay Outputs

Increasing contact life span
To increase the life span of your contacts & protect the unit from potential damage by reverse-EMF, connect:
- A clamping diode in parallel with each inductive DC load
- An RC snubber circuit in parallel with each inductive AC load

Analog Outputs
Current/voltage connections

JZ20-UN20/JZ20-J-UN20 Inputs
This model comprises a total of 13 inputs in 4 groups.
5. I0 to I8 are digital inputs. They may be wired, in a group, as either npn or pnp.
6. I9 and I10 may be wired as either digital or analog inputs. These may be wired as either:
▪ npn digital inputs
▪ pnp digital inputs
▪ analog (voltage) inputs
In addition, 1 input may be wired as a pnp input, while the other is wired as an analog input.
Note that if 1 input is wired as an npn input, the other may not be wired as an analog input.
7. AN1 is an analog (current) input that may be wired using 2, 3, or 4 wires.
8. Analog Input 0 can function as either thermocouple or PT100 input.
JZ20-UN20/JZ20-J-UN20 Digital Inputs
Note: The inputs are arranged in two groups. You can wire one group as npn and the other as pnp, or wire both groups as npn, or as pnp. In either case, the npn/pnp pins must be connected.
- Input wiring, npn (sink)

- Input wiring, pnp (source

- Input wiring (I0-I8), pnp (source), (I9-I10), npn (sink)

JZ20-UN20/JZ20-J-UN20 Analog Inputs
Note: Shields should be connected at the signal source.
- Analog Input wiring, current, 2 wire, AN1

- Analog Input wiring, current, 3 wire, AN1

- Analog Input wiring, current, 4 wire, AN1

- Analog Input wiring, voltage, AN2 and AN3

- Thermocouple

| Type | Temp. Range | Wire Color | |
| ANSI (USA) | BS1843 (UK) | ||
| mV | -5 to 56mV | ||
| B | 200 to 1820˚C (300 to 3276˚F) | +Grey -Red | +None -Blue |
| E | -200 to 750˚C (-328 to 1382˚F) | +Violet -Red | +Brown -Blue |
| J | -200 to 760˚C (-328 to 1400˚F) | +White -Red | +Yellow -Blue |
| K | -200 to 1250˚C (-328 to 2282˚F) | +Yellow -Red | +Brown -Blue |
| N | -200 to 1300˚C (-328 to 3214˚F) | +Orange -Red | +Orange -Blue |
| R | 0 to 1768˚C (32 to 3214˚F) | +Black -Red | +White -Blue |
| S | 0 to 1768˚C (32 to 3214˚F | +Black -Red | +White -Blue |
| T | -200 to 400˚C (-328 to 752˚F) | +Blue -Red | +White -Blue |
RTD
- PT100 (Sensor 0): use both inputs related to CM signal

JZ20-UN20/JZ20-J-UN20 Digital Outputs, Outputs’ Power Supply

Increasing contact life span
To increase the life span of your contacts and protect the unit from potential damage by reverseEMF, connect:
- A clamping diode in parallel with each inductive DC load
- An RC snubber circuit in parallel with each inductive AC load

Technical Specifications
Power supply
Input voltage: 24VDC
Permissible range: 20.4VDC to 28.8VDC with less than 10% ripple
Current Consumption: See Note 1
Notes:
- To calculate the actual power consumption, subtract the current for each unused element from the maximum current consumption value according to the values below:
Max. current per element Per relay output
LCD backlight
Per Analog Output, (JZ20-UA24/ JZ20-J-UA24 only)
5.5mA@24VDC 35mA@24VDC 23mA Digital Inputs
Number of inputs 11 (Two groups) – see Note 2 & 3
Input type pnp (source) or npn (sink)
Galvanic isolation None
Nominal input voltage 24VDC
Input voltage
pnp (source) 0-5VDC for Logic ‘0’ 17-28.8VDC for Logic ‘1’ npn (sink) 17-28.8VDC for Logic ‘0’ 0-5VDC for Logic ‘1’I0-I8 I9-I10 Input current 3.7mA@24VDC 1.2mA@24VDC Response time 10mSec typical 20mSec typical Input cable length: Up to 100 meters, unshielded
High speed inputs: Specifications below apply when wired as H.S.C. See Note 4.
Resolution: 16-bit
Frequency: 5kHz maximum
Minimum pulse width: 80μs
Notes - JZ20-UN20/ JZ20-J-UN20 and JZ20-UA24/ JZ20-J-UA24 comprise I0-I8; these inputs are arranged in a single group. Via wiring, the entire group may be set to either pnp or npn.
- JZ20-UN20/ JZ20-J-UN20 and JZ20-UA24/ JZ20-J-UA24 comprise I9 & I10. These may be wired as either digital or analog inputs, as shown in the JZ20-UA24/ JZ20-J-UA24 and JZ20-UN20/ JZ20-J-UN20 Installation guides. I9 & I10 may be wired as npn, pnp, or 0-10V analog inputs. one input may be wired as pnp, while the other is wired as analog. If one input is wired as npn, the other may not be wired as analog..
- I0 can function as either a high-speed counter or as a normal digital input. When used as a normal digital input, normal input specifications apply.
Digital Outputs
Relay
Number of Outputs :5
Output type SPST-NO: (Form A)
Galvanic isolation: By relay
Type of relay: Tyco pcn-124D3MHZ or compatible
Output current: 3A maximum per output (resisitve load) 8A maximum total for common
Rated voltage: 250VAC / 30VDC
Minimum load: 1mA@5VDC
Life expectancy: 100k operations at maximum load
Response time: 10mS (typical)
Contact protection: External precautions required (see Increasing Contact Life Span in the product’s Installation Guide)
Transistor
Number of Outputs: 2 pnp (source) – see Note 5
Output type: P-MOSFET (open drain)
Galvanic isolation: None
Output current (resistive load): 0.5A maximum per output 1A maximum total for common
Maximum frequency: 50Hz (resistive load) 2Hz (inductive load)
PWM frequency: 1.57Hz, 8 bit duty cycle resolution
Short circuit protection: Yes
Short circuit indication: Via software
On voltage drop: 0.5VDC maximum
Power supply for outputs
Operating voltage: 20.4 to 28.8VDC
Nominal voltage: 24VDC
Notes - Outputs 05-06 can function as a PWM output, or as a normal digital output.
Analog Inputs
| JZ20-UA24 / JZ20-J-UA24 | JZ20-UN20 / JZ20-J-UN20 | |||
| Number of inputs | 4 | 3 | ||
| AN2 and AN3 | AN4 and AN5 | AN1 | AN2 and AN3 | |
| Input range | 0-20mA, 4-20mA | 0-10VDC | 0-20mA, 4-20mA | 0-10VDC |
| Input impedance | 154Ω | 20KΩ | 154Ω | 20KΩ |
| Maximum input rating | 30mA | 28.8V | 30mA | 28.8V |
Galvanic isolation: None
Conversion method: Succesive approximation
Resolution (except 4-20mA): 10-bit (0 to 1023) or 12-bit (0-4095) – via software
Resolution (at 4-20mA): 204 to 1023 (820 units) or 819 to 4095 (3277 units) – via software
Conversion time: 20mSec per channel, Synchronized to cycle time
Accuracy: + 3%
Status indication: Yes – if an analog input deviates above the permissible range, its value will be 1024/4096 (depends on the selected resolution).
Input cable length: Up to 30 meters, shielded twisted pair
RTD Inputs
| Number of inputs | JZ20-UA24 / JZ20-J- UA24 | JZ20-UN20 / JZ20-J-UN20 |
| 2 | 1 |
RTD Type: PT100
Input range -200 to 600°C/-328 to 1100° F. 1 to 320Ω. See Note 6
Galvanic isolation: None
Conversion method: Voltage to frequency
Resolution: 0.1° C/0.1° F – See Note 7
Conversion time: 300mS minimum per channel, depending on software filter type
Input impedance: >10MΩ
Auxillary current: 150μA typical
Accuracy: ±0.44%
Status indication: Yes. See Note 8
Notes:
6. The device can also measure resistance within the range of 1-320Ω at a resolution of 0.1Ω.
7. The input analog value represents the temperature value as follows: Analog Value: 260 Actual measured temperature: 26.0° C
8. The analog value can indicate faults as shown below:
Value: Possible Cause
32767: Sensor is not connected to input, or value exceeds permissible range
-32767: Sensor is short-circuited
| Thermocouple Inputs | ||
| Number of inputs | JZ20- UA24/ JZ20-J-UA24 | JZ20-UN20 / JZ20-J-UN20 |
| 2 | 1 | |
| Input range | See Note 9 | |
| Isolation | None | |
| Conversion method | Voltage to frequency | |
| Resolution | 0.1°C/ 0.1°F maximum. See Note 10 | |
| Conversion time | 100mS minimum per channel, depending on software filter type | |
| Input impedance | >10MΩ | |
| Cold junction compensation | Local, automatic | |
| Cold junction compensation error | ±1.8°C / ±3.24°F maximum | |
| Absolute maximum rating | ±0.6VDC | |
| Accuracy | ±0.44% | |
| Warm-up time | ½ hour typically, ±1°C/±1.8°F repeatability | |
| Status indication | Yes. See Note 11 | |
Notes:
9. The device can also measure voltage within the range of -5 to 56mV, at a resolution of 0.01mV. The device can also measure raw value frequency at a resolution of 14-bits (16384). Input ranges are shown in the following table:
| Type | Temp. Range | Type | Temp. Range | |
| mV | -5 to 56mV | N | -200 to 1300˚C (-328 to 3214˚F) | |
| B | 200 to 1820˚C (300 to 3276˚F) | R | 0 to 1768˚C (32 to 3214˚F) | |
| E | -200 to 750˚C (-328 to 1382˚F) | S | 0 to 1768˚C (32 to 3214˚F | |
| J | -200 to 760˚C (-328 to 1400˚F) | T | -200 to 400˚C (-328 to 752˚F) | |
| K | -200 to 1250˚C (-328 to 2282˚F) |
The input analog value represents the temperature value as follows:
Analog Value: 260 Actual measured temperature: 26.0C
The analog value can indicate faults as shown below:
Value:Possible Cause
32767: Sensor is not connected to input, or value exceeds the maximum value
-32767: Sensor value is under the minimum value
| Analog Outputs | (JZ20-UA24 / JZ20- J-UA24 only) |
| Number of Outputs Output range Resolution | 2 ±10V, 4-20mA 1kO minimum- voltage |
| Galvanic isolation Accuracy | None ±0.3% |
| Display | |
| Type | STN LCD |
| Illumination backlight | LED, yellow-green, software controlled |
| (LCD backlight; enables the display to be viewed In the dark) | |
| Display size | 2 lines, 16 characters long |
| Character size | 5×8 matrix, 2.95×5.55mm |
| Keyboard | 16 keys, including 10 user-labeled keys Metal dome, sealed membrane switch Slides may be installed in the operating panel faceplate to custom-label the keys and logo picture. An extra logo slide is included. A complete set of blank slides is available by separate order. |
| Number of keys Key type Slides | |
| Program | |
| Ladder code memory | 48K (virtual) |
| Execution time | 1.5 µSec for bit operations (typical) |
| Memory bits (coils) | 256 |
| Memory integers (registers), 16 bit | 256 |
| Timers | 64 |
| HMI displays HMI variables | 60 user-designed displays available 64 HMI variables are available to conditionally display text and data. List variables add up to 1.5K’s worth of HMI capacity. |
| Communication | Via a built-in USB port or – Add-On module.See Note 12-15 SMS messages to/from 6 phone GSM numbers, up to 1K of user- designed messages. Supports Remote Access. Supports MODBUS protocol, Master-Slave According to add-on port module |
| GSM-support | |
| MODBUS Baud rate | |
| USB | |
| Port type | Mini-B |
| Galvanic isolation | No |
| Specification | USB 2.0 compliant; full speed |
| Baud rate range | 300 to 115200 bps |
| Cable | USB 2.0 compliant; up to 3m |
Notes:
12. The JZ20 built-in USB port may be used for programming. Add-on Modules are available by separate order for communication and cloning. Note that the USB port and an Add-on module cannot be physically connected at the same time.
13. Add-on module JZ-PRG, with 6-wires communication cable (supplied in PRG kit – see the JZ-PRG Installation Guide) can be used:
• for programming
• to connect a modem
14. Add-on module JZ-RS4 (RS232/485), with a standard 4-wire communication cable can be used:
• for programming
• to communicate with other devices (including modems/GSM)
• for RS485 networking.
15. Add-on module MJ20-ET1 enables communication over 100 Mbit/s TCP/IP network:
• Programming/data exchange with Unitronics software;
• Data exchange via MODBUS TCP as Master or Slave.
Miscellaneous
Clock (RTC): Real-time clock functions (date and time).
Environmental
Operating temperature: 0° to 50° C (32° to 122° F)
Storage temperature: -20° to 60° C (-4° to 140° F)
Relative humidity (RH): 10% to 95% (non-condensing)
Mounting method: Panel mounted (IP65/NEMA4X) DIN-rail mounted (IP20/NEMA1)
Dimensions
| Size | 147.5X117X46.6mm (5 .807″ X4.606″ X 1.835″).See Note 16 | |
| Weight | JZ20-UA24 JZ20-J-UA24 | JZ20 -UN20 JZ20-J-UN20 |
| 296 a (10.4 oz) | 294 a (10.3 oz) | |
Notes:
16. For exact dimensions, refer to above
Mounting
Panel mounting: Insert into cut-out: 117 x 89mm (WxH) 4.606”x 3.504” DIN-rail mounting: Snap unit onto the DIN rail
The information in this document reflects products at the date of printing. Unitronics reserves the right, subject to all applicable laws, at any time, at its sole discretion, and without notice, to discontinue or change the features, designs, materials and other specifications of its products, and to either permanently or temporarily withdraw any of the forgoing from the market.
All information in this document is provided “as is” without warranty of any kind, either expressed or implied, including but not limited to any implied warranties of merchantability, fitness for a particular purpose, or non-infringement. Unitronics assumes no responsibility for errors or omissions in the information presented in this document. In no event shall Unitronics be liable for any special, incidental, indirect or consequential damages of any kind, or any damages whatsoever arising out of or in connection with the use or performance of this information.
The tradenames, trademarks, logos and service marks presented in this document, including their design, are the property of Unitronics (1989) (R”G) Ltd. or other third parties and you are not permitted to use them without the prior written consent of Unitronics or such third party as may own them.































